GREENLEE 1800 Mechanical Bender Instruction Manual
Read and understand all of the instructions and safety information in this manual before operating or servicing this tool.
Description
The 1800 Mechanical Bender is a manually powered bender intended to bend 1/2″, 3/4″ and 1″ rigid conduit, IMC (intermediate metallic conduit), and Schedule 40 pipe.
Safety
Safety is essential in the use and maintenance of Greenlee tools and equipment. This instruction manual and any markings on the tool provide information for avoiding hazards and unsafe practices related to the use of this tool. Observe all of the safety information provided.
Purpose of this Manual
This instruction manual is intended to familiarize personnel with the safe operation and maintenance procedures for the Greenlee 1800 Mechanical Bender.
Keep this manual available to all personnel. Replacement manuals are available upon request at no charge at www.greenlee.com.
IMPORTANT SAFETY INFORMATION
SAFETY ALERT SYMBOL
This symbol is used to call your attention to hazards or unsafe practices which could result in an injury or property damage. The signal word, defined below, indicates the severity of the hazard. The message after the signal word provides information for preventing or avoiding the hazard.
DANGER
Immediate hazards which, if not avoided, WILL result in severe injury or death.
WARNING
Hazards which, if not avoided, COULD result in severe injury or death.
CAUTION
Hazards or unsafe practices which, if not avoided, MAY result in injury or property damage.
WARNING
Read and understand all of the instructions and safety information in this manual before operating or servicing this tool.
Failure to observe this warning could result in severe injury or death.
WARNING
Do not leave the ratchet handle in the UP position when the bender is not in use. A handle left in the UP position could fall unexpectedly.
WARNING
Pinch points:
Keep hands away from moving parts and conduit when bending. Failure to observe this warning could result in severe injury.
WARNING
Wear eye protection when using this bender. Failure to wear eye protection could result in serious eye injury from flying debris.
CAUTION
- Keep the conduit under control when unloading it from the bender. Conduit may fall and strike the operator or nearby personnel.
- Maintain a firm grip on the handle when bending. Springback of the conduit may not allow the ratchet to fully engage, causing the handle to spring upward suddenly.
- Remove the handle and conduit before moving the bender. Maintain a firm grip with both hands on the frame T-handle to prevent the bender from tipping over.
- Inspect the bender before each use. Replace any worn, damaged, or missing items with Greenlee replacement parts. A damaged or improperly assembled tool can break and strike nearby personnel.
- Use proper lifting practices when lifting the bender. The bender weighs over 75 lb (34 kg), and requires more than one person to lift.
Failure to observe these precautions may result in injury.
CAUTION
Use this product for the manufacturer’s intended purpose only. Use other than that which is described in this manual may result in injury or property damage.
Setup
- Park the bender on a flat, firm surface, such as a concrete floor. Do not set up the bender on a inclined surface.
- Insert a 5 ft (153 cm) length of 1″ rigid conduit into the lever unit (11) to serve as the bending handle.
Operation
- Raise the handle completely to release the ratchet mechanism. Manually rotate the shoe fully counterclockwise. Lower the handle.
- Slide the conduit to be bent over the pipe support roller, into the shoe groove, and past the wheel edge of the pipe hook.
- Line up the bending mark with the front edge of the pipe hook.
- Lift the handle until the ratchet clicks once. Push the handle down. Repeat until the bend is complete.
Note: The bender degree indicator will not compensate for springback. - Raise the handle back to the starting position. Lift tail of pipe and return shoe to load position.
- Remove the conduit from the bender.
- Lower the handle.
Note: Always keep the handle in the DOWN position when not in use.
Figure 1
WARNING
Do not leave the ratchet handle in the UP position when the bender is not in use. A handle left in the UP position could fall unexpectedly.
CAUTION
Remove the handle and conduit before moving the bender. Maintain a firm grip with both hands on the frame T-handle to prevent the bender from tipping over.
Failure to observe this precaution may result in injury.
Maintenance
Keep the bender clean and dry. Prior to use, add grease at the grease fitting.
Illustrated Bending Glossary
- back-to-back bend — any U-shaped bend formed by two parallel 90° bends with a straight section of conduit or pipe between the bends.

- center-to-center distance — the distance between the successive bends that make up an offset or a three-bend saddle.
- developed length — the actual length of pipe that will be bent; refer to distance “d” in the illustration at left.

- gain — the difference between the straight-line distance
(a + a) and the shorter radial distance, (d) where:
θ = angle of bend
r = the centerline bending radius of the bending shoe - kick — single bend of less than 90°
- leg length — the distance from the end of a straight section of conduit or pipe to the bend; measured from the end to the outside edge of the conduit or pipe.

- offset bend — two opposite bends with the same degree of bend; used to avoid an obstruction.
- offset height — the distance between the two legs of an offset bend, measured perpendicular to the two legs; also called amount of offset and depth of offset.
- rise — the distance from the end of a straight section of conduit or pipe to the bend; measured from the end to the center line of the conduit or pipe. Also called stub or stub-up.

- saddle — a three-bend or four-bend combination; used to avoid an obstruction.
- shrink — the amount of conduit “lost” when laying out an offset bend working toward an obstruction.
- springback — the amount, measured in degrees, that a conduit or pipe tends to straighten after being bent.

Bending Conduit

To Locate Bending Marks for Stubs
- See the Stub Dimensions Table for the minimum stub length. The desired stub must be equal to or greater than the minimum stub length.
- See the Stub Illustrations. Measure and mark the stub length on the conduit. This is mark 1. Subtract the deduct from the stub length and make mark 2. Mark 2 is the bending mark — locate this mark at the front edge of the hook.
Stub Dimensions Table
| Conduit Size | Shoe Radius | Minimum Stub Length | Deduct | Minimum Distance from End of Conduit |
| 1/2″ | 2-5/8″* | 6-1/2″ | 5-1/2″ | 1″ |
| 3/4″ | 4-5/8″ | 9-1/2″ | 8-1/2″ | |
| 1″ | 5-7/8″ | 12″ | 11″ |
Figures are approximate
* To meet electrical code, bend 1/2″ diameter conduit in the 3/4″ position to produce a bend with a radius greater than 4″.
To Locate Bending Marks for Offsets

- Measure the distance from conduit coupling to the edge of the obstruction and mark the conduit. This is mark 1.
- See the Figure X Table. Subtract X inches from mark 1 and mark the conduit. This is mark 2.
- Measure the height of the obstruction. This is the offset distance. Refer to the Offset Table to find the center-tocenter distance at the intersection of the top row (offset distance) and the first column (offset angle). Measure and mark the center-to-center distance from mark 2. This is mark 3.
- Insert the conduit into the bender with mark 2 aligned with the front edge of the hook. Make the first bend.
- Without removing the conduit from the bender, rotate the conduit 180°. Align mark 3 with the front edge of the hook and make the second bend.
Figure X Table
| Conduit Size | Approx. “X” Distance | Minimum Distance from End of Conduit |
| 1/2″ | 2-1/2″ | 1″ |
| 3/4″ | 3-1/4″ | |
| 1″ | 4-1/4″ |
Figures are approximate
Offset Dimensions Table
| OFFSET DISTANCE[ | 2 | 4 | 6 | 8 | 10 | 12 | 14 | 16 | 18 | 20 | 22 | |
| 15° | Max Conduit Size | 3/4″ | 1″ | |||||||||
| Center-to-Center | 7-3/4″ | 15-7/16 | 23-3/16″ | 30-15/16″ | 38-5/8″ | 46-3/8″ | 54-1/16″ | 61-13/16″ | 69-9/16″ | 77-1/4″ | 85″ | |
| 30° | Max Conduit Size | 3/4″ | 1″ | |||||||||
| Center-to-Center | 8″ | 12″ | 16″ | 20″ | 24″ | 28″ | 32″ | 36″ | 40″ | 44″ | ||
| 45° | Max Conduit Size | 1/2″ | 1″ | |||||||||
| Center-to Center | 8-1/2″ | 11-5/16″ | 14-1/8″ | 16-15/16″ | 19-13/16″ | 22-5/8″ | 25-7/16″ | 28-1/4″ | 31-1/8″ | |||
Figures are approximate
To calculate the center-to-center distance for any other offset bend, multiply:
- (for 15° bends) Height of the Obstruction x 3.86
- (for 30° bends) Height of the Obstruction x 2
- (for 45° bends) Height of the Obstruction x 1.4
Special Bending Information
Laying Out Bends
The following illustrations and instructions show the most common bends. See the Special Bending Information Chart for precise bending dimensions.
Stubs
- Select the size and type of conduit. Determine the height of stub and the angle of bend.
- Find the chart that corresponds to the size of conduit selected in Step 1.
- Under the column labeled ANGLE, find the angle of bend. Find the intersection of row Y and the appropriate column H. The number at this intersection is the dimension Y. Place the bending mark Y inches from the end of the conduit.
- See the Operation section of this manual.
Offset
An offset is used to route the conduit around an obstruction. To make an offset, two equal bends are required. The distance between the two bends is the center-to-center distance. This is represented by L1 in the bending tables.
Offsets: Controlling the Start of the First Bend
(use this method when working past an obstruction)
- Select the size and type of conduit. Measure the height of the obstruction and the distance labeled LENGTH. Determine the angle to be used.
- Find the chart that corresponds to the size of conduit selected in Step 1.
- To the right of the size and type of conduit, find the dimension labeled X. Subtract X from LENGTH. Place the first bending mark this distance from the end of the conduit.
- Under the column labeled ANGLE, find the angle of bend. Find the intersection of the L1 row and the appropriate HEIGHT column. The number at this intersection is the dimension L1. Place the second bending mark L1 inches from the first bending mark.
- See the Operation section of this manual.
Offsets: Controlling the Start of the Second Bend
(use this method when working toward an obstruction)
- Select the size and type of conduit. Measure the height of the obstruction and the distance labeled LENGTH TO END OF SECOND BEND. Determine the angle to be used.
- Find the chart that corresponds to the size of conduit selected in Step 1.
- Under the column labeled ANGLE, find the angle of bend. Find the intersection of the Z row and the appropriate HEIGHT column. The number at this intersection is the dimension Z. Subtract Z from LENGTH TO THE END OF SECOND BEND. Place the first bending mark here.
- In the same column, find the row labeled L1. Place the second bending mark L1 inches from the first bending mark.
- See the Operation section of this manual.
Three-Bend Saddle
- Select the size and type of conduit. Measure the height of the obstruction and the distance labeled LENGTH TO CENTER. Determine the angle to be used.
- Find the chart that corresponds to the size of conduit selected in Step 1.
- Under the column labeled ANGLE, find the angle of bend needed. Find the intersection of the Z row and the appropriate HEIGHT column. The number at this intersection is the dimension Z. Subtract Z from the LENGTH TO CENTER. Place the first bending mark here.
- In the same column, find the row labeled L1. Place the second bending mark L1 inches from the first bending mark.
- In the same column, find the row labeled L2. Place the third bending mark L2 inches from the second bending mark.
- See the Operation section of this manual.
Note: The second bend angle will be twice the number of degrees as the first and third bends.
Four-Bend Saddle
- Select the size and type of conduit. Measure the height of the obstruction, the distance labeled LENGTH, and the distance labeled STRAIGHT SECTION. Determine the angle to be used.
- Find the chart that corresponds to the size of conduit selected in Step 1.
- Under the column labeled ANGLE, find the angle of bend needed. Find the intersection of the Z row and the appropriate HEIGHT column. The number at this intersection is Z. Subtract Z from the LENGTH. Place the first bending mark this distance from the end of the conduit.
- n the same column, find the row labeled L1. Place the second bending mark L1 inches from the first bending mark.
- In the same column, find the row labeled L2. Add L2 to the STRAIGHT SECTION. Place the third bending mark this distance from the first bending mark.
- Make the final bending mark L1 inches from the third bending mark.
- See the Operation section of this manual.
U-Bends
- Select the size and type of conduit. Determine the LENGTH and the HEIGHT.
- Find the chart that corresponds to the size of conduit selected in Step 1.
- Under the column labeled ANGLE, find 90°. Find the intersection of the Y row and the HEIGHT column that corresponds to the dimension labeled LENGTH in the illustration. Place the first bending mark Y inches from the end of the conduit.
- Find intersection of the L1 row and the HEIGHT column that corresponds to the dimension labeled HEIGHT in the illustration. Place the second bending mark L1 inches from the first mark.
- See the Operation section of this manual.
| DIM | ANGLE | 2″ | 4″ | 6″ | 8″ | 10″ | 12″ | 15″ | 18″ | 24″ | 36″ | ||||||||||||||||||||||
| 1 IMC/RIGID | Dia. = 1.31 | *Radius = 6.050 | X = 4.29 | ||||||||||||||||||||||||||||||
| Y | 15.00 | 3.33 | 11.06 | 18.79 | 26.52 | 34.24 | 41.97 | 53.56 | 65.15 | 88.33 | 134.70 | ||||||||||||||||||||||
| L1 | 15.00 | 7.72 | 15.45 | 23.18 | 30.91 | 38.63 | 46.36 | 57.95 | 69.54 | 92.72 | 139.09 | ||||||||||||||||||||||
| L2 | 15.00 | 8.41 | 16.13 | 23.86 | 31.59 | 39.32 | 47.04 | 58.64 | 70.23 | 93.41 | 139.77 | ||||||||||||||||||||||
| Z MINIMUM H=.82 | 15.00 | 10.63 | 18.10 | 25.56 | 33.03 | 40.49 | 47.95 | 59.15 | 70.35 | 92.74 | 137.52 | ||||||||||||||||||||||
| Y | 22.50 | 1.16 | 6.39 | 11.62 | 16.84 | 22.07 | 27.30 | 35.13 | 42.97 | 58.65 | 90.01 | ||||||||||||||||||||||
| L1 | 22.50 | 5.21 | 10.44 | 15.67 | 20.89 | 26.12 | 31.34 | 39.18 | 47.02 | 62.70 | 94.06 | ||||||||||||||||||||||
| L2 | 22.50 | 6.24 | 11.46 | 16.69 | 21.92 | 27.14 | 32.37 | 40.21 | 48.05 | 63.73 | 95.08 | ||||||||||||||||||||||
| Z MINIMUM H=1.35 | 22.50 | 8.35 | 13.18 | 18.01 | 22.83 | 27.66 | 32.49 | 39.73 | 46.98 | 61.46 | 90.43 | ||||||||||||||||||||||
| Y | 30.00 | 0.01 | 4.01 | 8.01 | 12.01 | 16.01 | 20.01 | 26.01 | 32.01 | 44.01 | 68.01 | ||||||||||||||||||||||
| L1 | 30.00 | 7.97 | 11.97 | 15.97 | 19.97 | 23.97 | 29.97 | 35.97 | 47.97 | 71.97 | |||||||||||||||||||||||
| L2 | 30.00 | 9.34 | 13.34 | 17.34 | 21.34 | 25.34 | 31.34 | 37.34 | 49.34 | 73.34 | |||||||||||||||||||||||
| Z MINIMUM H=1.94 | 30.00 | 10.81 | 14.27 | 17.74 | 21.20 | 24.67 | 29.86 | 35.06 | 45.45 | 66.24 | |||||||||||||||||||||||
| Y | 45.00 | 1.52 | 4.35 | 7.18 | 10.00 | 12.83 | 17.08 | 21.32 | 29.80 | 46.77 | |||||||||||||||||||||||
| L1 | 45.00 | 8.37 | 11.20 | 14.03 | 16.86 | 21.10 | 25.34 | 33.83 | 50.80 | ||||||||||||||||||||||||
| L2 | 45.00 | 10.42 | 13.25 | 16.08 | 18.91 | 23.15 | 27.39 | 35.88 | 52.85 | ||||||||||||||||||||||||
| Z MINIMUM H=3.29 | 45.00 | 10.65 | 12.65 | 14.65 | 16.65 | 19.65 | 22.65 | 28.65 | 40.65 | ||||||||||||||||||||||||
| Y | 60.00 | 0.16 | 2.47 | 4.78 | 7.09 | 9.40 | 12.86 | 16.33 | 23.25 | 37.11 | |||||||||||||||||||||||
| L1 | 60.00 | 6.65 | 8.96 | 11.27 | 13.58 | 17.04 | 20.50 | 27.43 | 41.29 | ||||||||||||||||||||||||
| L2 | 60.00 | 9.38 | 11.69 | 14.00 | 16.31 | 19.77 | 23.24 | 30.17 | 44.02 | ||||||||||||||||||||||||
| Z MINIMUM H=4.76 | 60.00 | 8.96 | 10.12 | 11.27 | 12.43 | 14.16 | 15.89 | 19.35 | 26.28 | ||||||||||||||||||||||||
| Y | 90.00 | 0.50 | 2.50 | 4.50 | 6.50 | 9.50 | 12.50 | 18.50 | 30.50 | ||||||||||||||||||||||||
| L1 | 90.00 | 6.88 | 8.88 | 10.88 | 13.88 | 16.88 | 22.88 | 34.88 | |||||||||||||||||||||||||
| L2 | 90.00 | 10.98 | 12.98 | 14.98 | 17.98 | 20.98 | 26.98 | 38.98 | |||||||||||||||||||||||||
| Z | 90.00 | 7.71 | 7.71 | 7.71 | 7.71 | 7.71 | 7.71 | 7.71 | |||||||||||||||||||||||||
| MINIMUM H=7.71 | |||||||||||||||||||||||||||||||||
| 3/4 IMC/RIGID | Dia. = 1.05 | Radius = 4.796 | X = 3.18 | ||||||||||||||||||||||||||||||
| Y | 15.00 | 1.89 | 9.62 | 17.35 | 25.08 | 32.80 | 40.53 | 52.12 | 63.71 | 86.90 | 133.26 | ||||||||||||||||||||||
| L1 | 15.00 | 7.72 | 15.45 | 23.17 | 30.90 | 38.63 | 46.36 | 57.95 | 69.54 | 92.72 | 139.09 | ||||||||||||||||||||||
| L2 | 15.00 | 8.98 | 16.70 | 24.43 | 32.16 | 39.89 | 47.61 | 59.20 | 70.79 | 93.98 | 140.34 | ||||||||||||||||||||||
| Z MINIMUM H=1.15 | 15.00 | 11.91 | 19.37 | 26.84 | 34.30 | 41.76 | 49.23 | 60.42 | 71.62 | 94.01 | 138.80 | ||||||||||||||||||||||
| Y L1 | 22.50 22.50 | 5.20 | 4.95 10.43 | 10.18 15.65 | 15.40 20.88 | 20.63 26.11 | 25.86 31.33 | 33.69 39.17 | 41.53 47.01 | 57.21 62.69 | 88.57 94.05 | ||||||||||||||||||||||
| L2 | 22.50 | 7.08 | 12.31 | 17.54 | 22.76 | 27.99 | 33.22 | 41.06 | 48.89 | 64.57 | 95.93 | ||||||||||||||||||||||
| Z MINIMUM H=1.95 | 22.50 | 9.92 | 14.75 | 19.57 | 24.40 | 29.23 | 34.06 | 41.30 | 48.55 | 63.03 | 92.00 | ||||||||||||||||||||||
| Y | 30.00 | 2.49 | 6.49 | 10.49 | 14.49 | 18.49 | 24.49 | 30.49 | 42.49 | 66.49 | |||||||||||||||||||||||
| L1 | 30.00 | 7.94 | 11.94 | 15.94 | 19.94 | 23.94 | 29.94 | 35.94 | 47.94 | 71.94 | |||||||||||||||||||||||
| L2 | 30.00 | 10.45 | 14.45 | 18.45 | 22.45 | 26.45 | 32.45 | 38.45 | 50.45 | 74.45 | |||||||||||||||||||||||
| Z MINIMUM H=2.88 | 30.00 | 12.68 | 16.14 | 19.61 | 23.07 | 26.54 | 31.73 | 36.93 | 47.32 | 68.11 | |||||||||||||||||||||||
| Y | 45.00 | 2.58 | 5.41 | 8.23 | 11.06 | 15.31 | 19.55 | 28.03 | 45.00 | ||||||||||||||||||||||||
| L1 | 45.00 | 8.28 | 11.11 | 13.94 | 16.76 | 21.01 | 25.25 | 33.73 | 50.71 | ||||||||||||||||||||||||
| L2 | 45.00 | 12.05 | 14.87 | 17.70 | 20.53 | 24.77 | 29.02 | 37.50 | 54.47 | ||||||||||||||||||||||||
| Z MINIMUM H=5.06 | 45.00 | 13.15 | 15.15 | 17.15 | 19.15 | 22.15 | 25.15 | 31.15 | 43.15 | ||||||||||||||||||||||||
| Y | 60.00 | 0.37 | 2.68 | 4.99 | 7.30 | 10.77 | 14.23 | 21.16 | 35.02 | ||||||||||||||||||||||||
| L1 | 60.00 | 8.72 | 11.03 | 13.34 | 16.80 | 20.27 | 27.20 | 41.05 | |||||||||||||||||||||||||
| L2 | 60.00 | 13.74 | 16.05 | 18.36 | 21.83 | 25.29 | 32.22 | 46.08 | |||||||||||||||||||||||||
| Z MINIMUM H=7.55 | 60.00 | 13.34 | 14.49 | 15.65 | 17.38 | 19.11 | 22.58 | 29.50 | |||||||||||||||||||||||||
| Y | 90.00 | 1.50 | 3.50 | 6.50 | 9.50 | 15.50 | 27.50 | ||||||||||||||||||||||||||
| L1 | 90.00 | 12.94 | 15.94 | 21.94 | 33.94 | ||||||||||||||||||||||||||||
| L2 | 90.00 | 20.47 | 23.47 | 29.47 | 41.47 | ||||||||||||||||||||||||||||
| Z MINIMUM H=12.77 | 90.00 | 12.77 | 12.77 | 12.77 | 12.77 | ||||||||||||||||||||||||||||
| 1 IMC/RIGID | Dia. = 1.31 | *Radius = 6.050 | X = 4.29 | ||||||||||||||||||||||||||||||
| Y | 15.00 | 0.10 | 7.83 | 15.56 | 23.28 | 31.01 | 38.74 | 50.33 | 61.92 | 85.10 | 131.47 | ||||||||||||||||||||||
| L1 | 15.00 | 7.72 | 15.45 | 23.17 | 30.90 | 38.63 | 46.36 | 57.95 | 69.54 | 92.72 | 139.08 | ||||||||||||||||||||||
| L2 | 15.00 | 9.30 | 17.03 | 24.76 | 32.48 | 40.21 | 47.94 | 59.53 | 71.12 | 94.30 | 140.67 | ||||||||||||||||||||||
| Z MINIMUM H=1.52 | 15.00 | 13.35 | 20.82 | 28.28 | 35.74 | 43.21 | 50.67 | 61.87 | 73.06 | 95.46 | 140.24 | ||||||||||||||||||||||
| Y | 22.50 | 3.24 | 8.47 | 13.69 | 18.92 | 24.15 | 31.99 | 39.82 | 55.50 | 86.86 | |||||||||||||||||||||||
| L1 | 22.50 | 10.42 | 15.65 | 20.87 | 26.10 | 31.33 | 39.17 | 47.01 | 62.68 | 94.04 | |||||||||||||||||||||||
| L2 | 22.50 | 12.80 | 18.02 | 23.25 | 28.48 | 33.70 | 41.54 | 49.38 | 65.06 | 96.42 | |||||||||||||||||||||||
| Z MINIMUM H=2.56 | 22.50 | 16.36 | 21.19 | 26.01 | 30.84 | 35.67 | 42.91 | 50.16 | 64.64 | 93.61 | |||||||||||||||||||||||
| Y | 30.00 | 0.77 | 4.77 | 8.77 | 12.77 | 16.77 | 22.77 | 28.77 | 40.77 | 64.77 | |||||||||||||||||||||||
| L1 | 30.00 | 7.93 | 11.93 | 15.93 | 19.93 | 23.93 | 29.93 | 35.93 | 47.93 | 71.93 | |||||||||||||||||||||||
| L2 | 30.00 | 11.09 | 15.09 | 19.09 | 23.09 | 27.09 | 33.09 | 39.09 | 51.09 | 75.09 | |||||||||||||||||||||||
| MINIMUM H=3.77 | 30.00 | 14.46 | 17.93 | 21.39 | 24.86 | 28.32 | 33.52 | 38.71 | 49.11 | 69.89 | |||||||||||||||||||||||
| Y | 45.00 | 3.59 | 6.41 | 9.24 | 13.49 | 17.73 | 26.21 | 43.18 | |||||||||||||||||||||||||
| L1 | 45.00 | 11.05 | 13.88 | 16.71 | 20.95 | 25.20 | 33.68 | 50.65 | |||||||||||||||||||||||||
| L2 | 45.00 | 15.80 | 18.63 | 21.46 | 25.70 | 29.95 | 38.43 | 55.40 | |||||||||||||||||||||||||
| MINIMUM H=6.58 | 45.00 | 17.31 | 19.31 | 21.31 | 24.31 | 27.31 | 33.31 | 45.31 | |||||||||||||||||||||||||
| Y | 60.00 | 3.00 | 5.31 | 8.78 | 12.24 | 19.17 | 33.02 | ||||||||||||||||||||||||||
| L1 | 60.00 | 10.90 | 13.21 | 16.67 | 20.13 | 27.06 | 40.92 | ||||||||||||||||||||||||||
| L2 | 60.00 | 17.23 | 19.54 | 23.01 | 26.47 | 33.40 | 47.25 | ||||||||||||||||||||||||||
| MINIMUM H=9.77 | 60.00 | 17.05 | 18.21 | 19.94 | 21.67 | 25.14 | 32.06 | ||||||||||||||||||||||||||
| Y | 90.00 | 1.00 | 4.00 | 7.00 | 13.00 | 25.00 | |||||||||||||||||||||||||||
| L1 | 90.00 | 15.40 | 21.40 | 33.40 | |||||||||||||||||||||||||||||
| L2 | 90.00 | 24.91 | 30.91 | 42.91 | |||||||||||||||||||||||||||||
| Z | 90.00 | 16.39 | 16.39 | 16.39 | |||||||||||||||||||||||||||||
*Note: Radius provided has been corrected to include 3% springback.
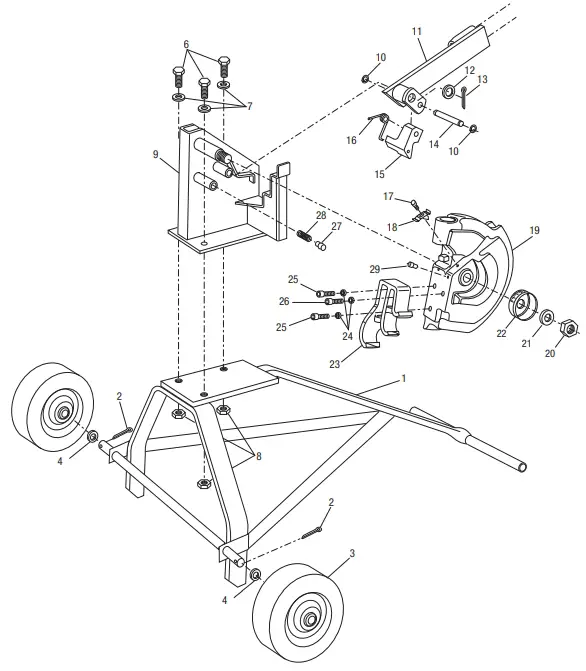
Illustration

Parts List
Key | Part No. | Description | Qty | |||||||||||
| 1 | 50084291 | Carriage unit (includes items 2–4) | 1 | |||||||||||
| 2 | 90506545 | Pin, cotter, 1/8 x 1 | 2 | |||||||||||
| 3 | 90553276 | Wheel, 8″ O.D | 2 | |||||||||||
| 4 | 90517407 | Washer, flat | 2 | |||||||||||
| 6 | 90505441 | Screw, cap, 1/2 – 13 x 1.50 hex head | 3 | |||||||||||
| 7 | Washer, lock .516 x .871 x .099 spring. | 3 | ||||||||||||
| 8 | 90527941 | Nut, hex, 1/2 – 13 zinc-plated | 3 | |||||||||||
| 9 | 50244027 | Frame unit, bender | 1 | |||||||||||
| 10 | 90513797 | Retaining ring, Truarc #5100-50 | 2 | |||||||||||
| 11 | 50244825 | Lever unit | 1 | |||||||||||
| 12 | 90525701 | Washer, flat, 1.00 x 1.50 x .075 | 1 | |||||||||||
| 13 | 90506561 | Pin, cotter, .125 x 1.50 | 1 | |||||||||||
| 14 | 50244892 | Pin, pawl pivot, .499 x 1.87 | 1 | |||||||||||
| 15 | 50295047 | Ratchet pawl. | 1 | |||||||||||
| 16 | 50244914 | Spring, torsion | 1 | |||||||||||
| 17 | Screw, thumb, 1/4 – 20 x 1/2 | 1 | ||||||||||||
| 18 | 50186957 | Pointer, adjustable | 1 | |||||||||||
| 19 | 50245287 | Shoe Unit | 1 | |||||||||||
| 20 | Nut, 7/8 – 14 light jam | 1 | ||||||||||||
| 21 | 90513061 | Washer, lock, .901 x 1.46 x .219 spring | 1 | |||||||||||
| 22 | 50245236 | Degree indicator | 1 | |||||||||||
| 23 | 50245333 | Hook | 1 | |||||||||||
| 24 | 90500288 | Washer, lock, .388 x .553 x .125 spring | 3 | |||||||||||
| 25 | Screw, cap, 3/8 – 16 x .875 socket head | 2 | ||||||||||||
| 26 | Screw, cap, 3/8 – 16 x .750 socket head | 1 | ||||||||||||
| 27 | 50113747 | Button, tension | 1 | |||||||||||
| 28 | 50133373 | Spring, compression, .352 x .648 x 1.75 | 1 | |||||||||||
| 29 | 90512715 | Fitting, grease | 1 | |||||||||||
Decals (not shown):
| 50121219 | Decal, Greenlee safety 1 | |||||
| 50198203 | Decal, Bend/Release 1 | |||||
| Decal, Instruction 1 | ||||||
| Decal, Caution 1 | ||||||
Replacement Subassemblies:
| 50244019 | Ratchet bender head, Cat. No. 1800G1 (includes items 9–29 and decals) | |||||
| 50295055 | Ratchet lever unit (includes 10, 11, 14–16) | |||||
| 50084291 | Carriage unit (includes items 2, 3 and 4) | |||||
| 50247387 | Shoe unit (includes items 17, 18, 19, 23–26) | |||||
Support
4455 Boeing Drive • Rockford, IL 61109-2988 • USA • 815-397-7070
©2021 Greenlee Tools, Inc. • An ISO 9001 Company
USA
Tel: 800-435-0786
Fax: 800-451-2632
Canada
Tel: 800-435-0786
Fax: 800-524-2853
International
Tel: +1-815-397-7070
Fax: +1-815-397-9247























