
INSTALLATION MANUAL
RED BARON MAXIMINP™
The ULTIMATE Recognition LED Light – WHITE [ Aurora Series ]

PRODUCT INFO
Introducing the Aveo MaxiMini”… The ULTIMATE Recognition Light. Spawned from the incredible technology of the incredible and unmatched RedBaronTM AntiCollision series, the new MaxiMini” is the world’s brightest and smallest recognition light, at only 27 mm high and weighing only 85 grams. The MaxiMini” only comes in aviation white led color, since it is 43% brighter than red leds, which means you will BE SEEN, NOT SORRY for sure! The MaxiMini’, when only the best and the brightest will do. ONLY FROM AVEO!!!
MAIN FEATURES:
– Unbreakable DiamidiumTM encapsulation
– 9-36 Volt Input Range
– Vibration Proof
– Waterproof
– Lowest Drag Profile anticollision light
– Anodized aluminum finish
– Extremely lightweight
WIRING DIAGRAM

CONTROL & POWER INPUTS:
| +VCCS GND SYNC | – positive strobe power supply line – negative common power supply line (ground) – strobe synchronization line (mutually interconnect on all installed AveoFlash lights) |
TECHNICAL SPECIFICATION
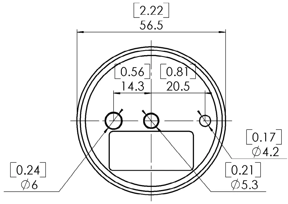
| Dimensions: Operating Voltage Range: Power – strobe: Current – strobe (@12V): Weight: | 56.4 mm x 56.4 mm x 27 mm 2.22″x 2.22″x 1.063″ 9- 36Vdc 6.6 W (33 W peak) 0.56 A (2.77A peak) 85 g / 3 oz |
| Repetition Flash Rate of Strobe: | 50 cycles per minute |
| The recommended size of mounting screw: | M5x45mm (DIN912) or equivalent |
| Reverse polarity protected Waterproof Vibration-proof Shock-proof Dust-proof Over Voltage protected | NO YES YES YES YES NO |
TECHNICAL DRAWING


WIRING CHART

TESTING THE FUNCTION OF THE AVEO LIGHTS BEFORE INSTALLATION
All Aveo Aviation lights undergo rigorous testing prior to being released from our engineering manufacturing department. This testing involves burn-in time as well as another functional testing. No light is released for sale without undergoing this extensive operational testing.
When you receive the Aveo RedBaron MaxiMini light and wish to test the function of the light prior to installation on your aircraft, please note the following:
- Please review the written information that is enclosed in the packaging. Warranty information, as well as a cautionary note about power supply removal, is enclosed with each package.
- Remove the light from the package. Note that there are three (3) wires coming from each light. These wires are:
a. Black wire – Ground wire (negative lead)
b. Yellow wire – Anticollision light function wire (positive lead)
c. Blue wire – used if the synchronization of the Aveo lights is selected - Testing of the function of the light can be done with a regular 12V/SA dc power supply (not a battery charger). Connect the black wire to the ground (negative) leads of a power supply, then connect the yellow wire to the positive (+) leads on the power supply. The anti-collision light should start flashing. Connecting the blue wires from each AveoFlash light together (and not to the ground or positive terminals on the battery) should show that the lights are flashing together and indicate the synchronization feature is working properly. When installed on the aircraft, using the aircraft’s power (14 or 28 volts), the light will be at its maximum intensity.
After testing, the light can be installed on the aircraft.
IMPORTANT NOTES:
- Under no circumstances should any power supply other than a 9-36 Vdc, or a 12/24 volt battery be used to test the light. Do not use Battery chargers, battery backup power devices, or other bench avionics testing methods to test the aviation light. The light is functional between 9 and 36 volts. The use of a battery charger or other power unit to test the light will void the warranty and may damage the light
- All power supplies for existing strobe lights, flasher beacons, etc. are required to be removed from the aircraft prior to the installation of the Aveo light.
If you have any questions about the installation of the lights, please refer to our website: www.avPoengineering.com
CARE AND CLEANING OF YOUR AVEO ENGINEERING AVIATION LIGHTS
When you receive your Aveo Engineering Aviation Lights, they will have been factory polished and ready to install on the aircraft. Upon installation, just give the lights a good coat or two of a quality automotive polish. This should protect the lights from dirt and other environmental factors. Once or twice a month, just refresh the polish and hand buff to bring back the lights to factory like-new condition.
If the lights need deeper cleaning, they can be polished with a good automotive cleaner wax and/or a liquid polishing compound. The liquid polishing compounds can normally be found at automotive parts stores or automotive paint stores. After using a polishing compound, just give the lights another coat of an automotive polish and you will again protect the lights against dirt, etc. An electric buffing machine, with a lamb’s wool cover, can also be used for deeper cleaning and polishing. Under no circumstances should any petroleum-based product be used to clean the lights.

©Aveo Engineering Group, s.r.o.
www.aveoengineering.com



















