scandomestic SKF 327 X Fridge Freezer
Product Information
The product is SKF 327 X, a refrigerating appliance that can be used for household and similar purposes. The appliance is recommended for use by children aged 8 and above, as well as persons with reduced physical, sensory or mental capabilities or lack of experience and knowledge if they have been given supervision or instruction concerning use of the appliance in a safe way and understand the hazards involved. Children aged 3 to 8 years are allowed to load and unload the appliance but should not play with it. The appliance should not be cleaned or maintained by children without supervision. The product should not be used with mechanical devices or other means to accelerate the defrosting process, except those recommended by the manufacturer. The appliance should not be used to store containers with flammable gases or liquids, carbonated or fizzy drinks, or bottles and cans that can burst when the contents freeze. The manufacturer’s recommended storage times should be followed.
Product Usage Instructions
- For proper use of the appliance, ensure that it is installed in a location with unhindered ventilation around it or in an enclosed structure that allows for ventilation.
- Children aged 3 to 8 years are allowed to load and unload the appliance, but they should not play with it. Children aged 8 and above, as well as persons with reduced physical, sensory or mental capabilities or lack of experience and knowledge, should be given supervision or instruction on safe use of the appliance.
- The appliance should not be used with mechanical devices or other means to accelerate the defrosting process, except those recommended by the manufacturer. Do not use electrical appliances such as a hair dryer or heater to defrost the fridge/freezer.
- Do not store containers with flammable gases or liquids, such as spray cans or fire extinguisher refill cartridges, in the fridge/freezer. Carbonated or fizzy drinks should not be placed in the freezer compartment. Ice lollies should not be consumed straight from the fridge/freezer. Bottles and cans should not be placed in the freezer compartment as they can burst when the contents freeze.
- Clean and maintain the appliance with supervision to avoid contamination and depravity of food. The manufacturer’s recommended storage times should be followed.
- Do not allow children to tamper with the controls or play with the appliance.
- If servicing or repairs are needed, only authorized service personnel should carry them out to avoid the risk of electric shock.
- For proper disposal of the product, follow the manufacturer’s recommended disposal procedures.
SAFETY
WARNING!
It is hazardous for anyone other than authorized service personnel to carry out servicing or repairs which involves the removal of covers. To avoid the risk of an electric shock do not attempt to repair this appliance yourself.
WARNING!
Risk of fire / flammable materials.
Safety tips
- Do not use electrical appliances such as a hair dryer or heater to defrost your Fridge/Freezer.
- Containers with flammable gases or liquids can leak at low temperatures.
- Do not store any containers with flammable materials, such as spray cans, fire extinguisher refill cartridges etc. in the Fridge/Freezer.
- Do not place carbonated or fizzy drinks in the Freezer compartment. Ice lollies can cause “Frost/Freeze burns”. If consumed straight from the Fridge/Freezer.
- Do not remove items from the Fridge/Freezer compartment if your hands are damp/wet, as this could cause skin abrasions or “Frost/Freezer burns”. Bottles and cans
- must not be placed in the Freezer compartment as they can burst when the contents freeze.
- Manufacturer’s recommended storage times should be adhered to. Refer to relevant instructions.
- Do not allow children to tamper with the controls or play with the Fridge/Freezer. The Fridge/Freezer is heavy. Care should be taken when moving it. It is dangerous to alter the specification or attempt to modify this product in any way.
- Do not store inflammable gases or liquids inside your Fridge/Freezer.
- If the power cable is damaged, it must be replaced by the manufacturer, its service agent or similarly qualified persons in order to avoid a hazard.
- This appliance can be used by children aged from 8 years and above and persons with reduced physical, sensory or mental capabilities or lack of experience and knowledge if they have been given supervision or instruction concerning use of the appliance in a safe way and understand the hazards involved. Children shall not play with the appliance. Cleaning and user maintenance shall not be made by children without supervision.
- This refrigerating appliance is not intended to be used as a built-in appliance.
- This appliance is intended to be used in household and similar applications such as
- staff kitchen areas in shops, offices and other working environments;
- farm houses and by clients in hotels, motels and other residential type environments;
- bed and breakfast type environments;
- catering and similar non-retail applications.
- Keep ventilation openings, in the appliance enclosure or in the built-in structure, clear of obstruction.
- Do not use mechanical devices or other means to accelerate the defrosting process, other than those recommended by the manufacturer.
- Do not damage the refrigerant circuit.
- Do not use electrical appliances inside the food storage compartments of the appliance, unless they are of type recommended by the manufacturer.
- Do not store explosive substances such as aerosol cans with a flammable propellant in this appliance.
- This appliance is not intended for use by persons (including children) with reduced physical, sensory or mental capabilities, or lack of experience and knowledge, unless they have been given supervision or instruction concerning use of the appliance by a person responsible for their safety. Children should be supervised to ensure that they do not play with the appliance.
- WARNING: Keep ventilation openings, in the appliance enclosure or in the built-in structure, clear of obstruction.
- WARNING: Do not use mechanical devices or other means to accelerate the defrosting process, other than those recommended by the manufacturer.
- WARNING: Do not damage the refrigerant circuit.
- WARNING: Do not use electrical appliances inside the food storage compartments of the appliance, unless they are of the type recommended by the manufacturer.
- WARNING: Refrigerating appliances – in particular a refrigerator-freezer Type I – might not operate consistently (possibility of defrosting of contents or temperature becoming too warm in the frozen food compartment) when sited for an extended period of time below the cold end of the range of temperatures for which the refrigerating appliance is designed;
- WARNING: The necessity that, for doors or lids fitted with locks and keys, the keys be kept out of the reach of children and not in the vicinity of the refrigerating appliance, in order to prevent children from being locked inside.
- WARNING: The refrigerant used in your appliance and insulation materials requires special disposal procedures.
- WARNING: When positioning the appliance, ensure the supply cord is not trapped or damaged.
- WARNING: Do not locate multiple portable socket-outlets or portable power supplies at the rear of the appliance Children aged from 3 to 8 years are allowed to load and unload refrigerating appliances.
To avoid contamination of food, please respect the following instructions: - Opening the door for long periods can cause a significant increase of the temperature in the compartments of the appliance.
- Clean regularly surfaces that can come in contact with food and accessible drainage systems.
- Clean water tanks if they have not been used for 48 h; flush the water system connected to a water supply if water has not been drawn for 5 days.
- Store raw meat and fish in suitable containers in the refrigerator, so that it is not in contact with or drip onto other food.
- Two-star frozen-food compartments are suitable for storing pre-frozen food, storing or making ice- cream and making ice cubes.
- One-, two- and three-star compartments are not suitable for the freezing of fresh food.
- If the refrigerating appliance is left empty for long periods, switch off, defrost, clean, dry, and leave the door open to prevent mould developing within the appliance.
Electrical Connection
~WARNING~
This appliance should be properly grounded for your safety. The power cord of this appliance is equipped with a three-prong plug which mates with the standard three prong wall outlets to minimize the possibility of electrical shock. Do not, under any circumstances, cut or remove the third ground prong from the power cord supplied.
This refrigerator appliance requires a standard 220-240VAC 50Hz electrical outlet with three-prong ground.
This refrigerator appliance is not designed to be used with an inverter.
The cord should be secured behind the appliance and not left exposed or dangling to prevent accidental injury.
Never unplug the refrigerator by pulling the power cord. Always grip the plug firmly and pull straight out from the receptacle.
Do not use an extension cord with this appliance. If the power cord is too short, have a qualified electrician or service technician install an outlet near the appliance. Use of an extension cord can negatively affect the performance of the unit. Improper use of the grounded plug can result in the risk of electrical shock. If the power cord is damaged, have it replaced by an authorized service center.
Climate Range
The information about the climate range of the appliance is provided on the rating plate. It indicates at which ambient temperature (that is, room temperature, in which the appliance is working) the operation of the appliance is optimal (proper).
| Climate range | Permissible ambient temperature |
| SN | from +10°C to +32°C |
| N | from +16°C to +32°C |
| ST | from +16°C to +38°C |
| T | from +16°C to +43°C |
Note:Given the limit values of the ambient temperature range for the climate classes for which the refrigerating appliance is designed and the fact that the internal temperatures could be affected by such factors as location of the refrigerating appliance, ambient temperature and the frequency of door opening, the setting of any temperature control device might have to be varied to allow for these factors, if appropriate.
If the power cable is damaged, it must be replaced by the manufacturer, its service agent or similarly qualified persons in order to avoid a hazard.
Note:When operating in an environment other than the specified climate type (i.e., beyond the rated ambient temperature range), the appliance may not be able to maintain the desirable compartment temperatures.
Locks
If your Refrigerator is fitted with a lock, keep the key out of reach and not in the vicinity of the appliance to prevent children being entrapped. When disposing of an old Refrigerator, break off any old locks or latches as a safeguard.
Freon-free
The freon-free refrigerant (R600a) and the foaming insulation material (cyclopentane) that is environmentally friendly are used for the refrigerator, causing no damage to the ozone layer and having a very small impact on the global warming. R600a is flammable, and sealed in a refrigeration system, without leakage during normal use. But, in case of refrigerant leakage due to the refrigerant circuit being damaged, be sure to keep the appliance away from open flames and open the windows for ventilation as quickly as possible.
Product Features
- Electronic temperature control
- Reversible door

| No | Description |
| 1 | Thermostat |
| 2 | Refrigerator Glass Shelves |
| 3 | Crisper Cover |
| 4 | Crisper |
| 5 | Frozen drawers |
| 6 | Adjusting feet |
| 7 | Bottle frames |
Due to technological innovation, the descriptions of the product in this manual may not be completely consistent with your refrigerator. Details are in accordance with the material item.
Preparations for use
Installation location
- Ventilation condition
The position you select for the refrigerator installation should be well-ventilated and has less hot air. Do not locate the refrigerator near a heat source such as cooker, boiler, and avoid it from direct sunlight, thus guaranteeing the refrigeration effect while saving energy consumption. Do not locate the refrigerator in the damp place, so as to prevent the refrigerator from rusting and leaking electricity. The result of the total space of the room in which the refrigerator is installed being divided by the refrigerant charge amount of the refrigerator shall not be less than 8 g/ M3.
Note: The amount of refrigerant charged for the refrigerator can be found on the nameplate. - Heat dissipation space
When working, the refrigerator gives off heat to surroundings. Therefore, at least 30mm of free space should be spared at the top side, more than 100mm on both sides, and above 50mm at the back side of the refrigerator.
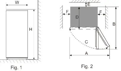
Dimensions in mm
| W | D | H | A | B | C(°) | E | F |
| 595 | 596 | 1855 | 966 | 1151 | 135 | 50 | 100 |

Note:Figure 1, Figure 2 only as a product space demand size schematic diagram.
Level ground
Place the refrigerator on the solid and flat ground (floor) to keep it stable, or else, it will give rise to vibration and noise. When the refrigerator is placed on such flooring materials as carpet, straw mat, polyvinyl chloride, the solid backing plates should be applied underneath the refrigerator, so as to prevent color change due to heat dissipation.
Unobstructed ventilation shall be maintained around the appliance or in an embedded structure.
Preparations for use
- Standing time
After the refrigerator is properly installed and well cleaned, do not switch it on immediately. Make sure to energize the refrigerator after more than 1 hour of standing, so as to ensure its normal operation. - Cleaning
Confirm the accessory parts inside the refrigerator and wipe the inside with a soft cloth. - Power-on
Insert the plug into the solid socket to start the compressor. After 1 hour, open the freezer door, if the temperature inside the freezer compartment drops obviously, it indicates the refrigeration system is working normally. - Storage of food
After the refrigerator runs for a period of time, the internal temperature of the refrigerator will be automatically controlled according to the user’s temperature setting. After the refrigerator is fully cooled, put in foods, which usually need 2~3 hours to be fully cooled. In summer, when the temperature is high, it takes more than 4 hours for the foods to be fully cooled (Try to open the refrigerator door as less as possible before the internal temperature cools down).
If the refrigerator is installed in the moisture place, make sure to check whether the ground wire and leakage circuit breaker are normal. If vibration noises are produced due to the refrigerator contacting the wall or if the wall gets blackened by air convection around the compressor, move the refrigerator away from the wall. Setting up the refrigerator may cause jamming noise or image chaos to the mobile phone, fixed-line telephone, radio receiver, television set surrounding it, so try to keep the refrigerator as far away as possible in such case.
Functions
Temperature setting:
The temperature of the refrigerator is controlled by the control panel mounted in the fridge compartment.
- The refrigerator temperature setting cycles as following: 5→4→3→2→1→FASTCOOL→5,

5 When the user needs a colder temperature.
4 3 When in normal use. 2 When the user does not need a colder temperature.
1 - The mode ” 3″ is recommended and mode” 5 “is not recommended to avoid frozen food.
- You can set the ‘fast cool’ function to quickly cool or freeze foods. The fastcool function will exit automatically after 26 hours, or be disabled manually.

Note: If the indicator light ‘5’ or ‘3’ or ‘1’ gets flickering, it indicates that the refrigerator has broken down. Please contact the after-sales personnel for on-site service as soon as possible.
Instructions for food storage
Precautions for use
- The appliance might not operate consistently (there is possibility of defrosting or temperature becoming too warm in the frozen food compartment) when sited for an extended period of time below the cold limit of the temperature range for which the refrigerating appliance is designed
- The information of climate type of the appliance is provided on the rating plate.
- The internal temperature could be affected by such factors as the location of refrigerating appliance, ambient temperature, and frequency of door open, etc., and if appropriate, a warning that setting of any temperature control device might have to be varied to allow for these factors should be made.
- Effervescent drinks should not be stored in the freezer compartment or the low-temperature compartment, and some products such as water ices should not be consumed too cold.
Food storage location
Due to the cold air circulation in the refrigerator, the temperature of each area in the refrigerator is different, so different kinds of food should be placed in different areas.
The fresh food compartment is suitable for the storage of such foods as need not to be frozen, the cooked food, beer, eggs, some condiments that need cold preservation, milk, fruit juice, etc. The crisper box is suitable for the preservation of vegetables, fruits, etc.
The freezer compartment is suitable for the storage of ice cream, frozen food and the foods to be preserved for a long time.
Use of the fresh food compartment
Set the temperature of the fresh food storage compartment between 2 ℃ ~ 8 ℃, and store the foods that are intended for short-term storage, or to be eaten at any time in the fresh food compartment.
Fridge shelf: When removing the shelf, lift it up first, and then pull it out; and when installing the shelf, place it into position before putting it down. (For the two-section shelf, push the first section to the rear end, and then pull the second section out). Keep the shelf rear flange upward, to prevent foods from contact the liner wall. When taking out or putting in the shelf, hold it firmly, and handle with care to avoid damage.
Crisper box: Pull out the crisper box for access to food. After using or cleaning the cover plate of the crisper box, be sure to put it back onto the crisper, so that the internal temperature of the crisper box will not be affected.
How to use the ice-making box
Place the ice-making box in the upper position of the freezer compartment, so that it ices up as soon as possible.
Cautions for food storage
You’d better clean the foods and wipe them dry before storing them inside the refrigerator. Before foods are put in the refrigerator, it is advisable to seal them up, so as to prevent water evaporation to keep fresh fruits and vegetables on one hand, and prevent taint of odor on the other hand.
Do not put too many or too weight foods inside the refrigerator. Keep enough space between foods; if too close, the cold air flow will be blocked, thus affecting the refrigeration effect. Do not store excessive or overweight foods, to avoid the shelf from being crushed. When storing the foods, keep a distance away from the inner wall; and do not place the water-rich foods too close to the fridge rear wall, lest they get frozen on the inner wall.
Categorized storage of foods:Foods should be stored by category, with the foods you eat every day placed in front of the shelf, so that the door open duration can be shortened and food spoilage due to expiration can be avoid.
Energy-saving tips: Allow the hot food cool down to the room temperature before putting it in the refrigerator. Put the frozen food in the fresh food compartment to thaw, using the low temperature of the frozen food to cool the fresh food, thus saving energy.
Storage of fruits and vegetables
In the case of refrigerating appliances with chill compartment, a statement to the effect that some types of fresh vegetables and fruits are sensitive to cold and therefore are not suitable for storage in this kind of compartment should be made.
Use of the frozen food storage compartment
The freezer temperature is controlled below -18 ℃, and it is advisable to store the food for long-term preservation in the freezer compartment, but the storage duration indicated on the food packaging should be adhered to.
The freezer drawers are used to store food that needs to be frozen. Fish and meat of large block size should be cut into small pieces and packed into fresh-keeping bags before they are evenly distributed inside the freezer drawers.
- Allow the hot foods to cool down to the room temperature before putting them in the freezer compartment.
- Do not put a glass container with liquid or the canned liquid that is sealed in the freezer compartment, so as to avoid burst due to volume expansion after the liquid gets frozen up.
- Divide the food into appropriately small portions
- You’d better pack the food up before freezing it, and the packing bag used should be dry, in case the packing bags are frozen together. Foods should be packed or covered by such suitable materials as are firm, tasteless, impervious to air and water, non-toxic and pollution-free, to avoid cross-contamination and transfer of odor.
Tips for shopping the frozen foods
- When you are buying frozen food, look at the Storage Guidelines on the packaging. You will be able to store each item of frozen food for the period shown against the star rating. This is usually the period stated as “Best to use them before×”, found on the front of the packaging.
- Check the temperature of the frozen food cabinet in the shop where you buy the frozen foods.
- Make sure the frozen food package is in perfect condition.
- Always buy frozen products last on your shopping trip or visit to the supermarket.
- Try to keep frozen food together whilst shopping and on the journey home, as this will help to keep the food cooler.
- Don’t buy frozen food unless you can freeze it straight away. Special insulated bags can be bought from most supermarkets and hardware shops. These keep the frozen foods cold longer.
- For some foods, thawing before cooking is unnecessary. Vegetables and pasta can be added directly to boiling water or steam cooked. Frozen sauces and soups can be put into a saucepan and heated gently until thawed.
- Use quality food and handle it as little as possible. When foods are frozen in small quantities, it will take less than for them to freeze up and thaw.
- Estimate the amount of foods to be frozen up. When freezing large amounts of fresh food, adjust the temperature control knob to the low mode, with the freezer temperature lowered. So, foods can be frozen up in fast manner, with the food freshness well kept.
Tips for special needs
Moving the refrigerator/freezer
- Location
Do not place your refrigerator/freezer near a heat source, e.g. cooker, boiler or radiator. Avoid it from direct sunlight in out-buildings or sun lounges. - Leveling
Make sure to level your refrigerator/freezer using the front leveling feet. If not level, the refrigerator/freezer door gasket sealing performance will be affected, or even it may lead to the operating failure of your refrigerator/freezer.
After locating the refrigerator/freezer in position, wait for 4 hours before using it, so as to allow the refrigerant to settle. - Installation
Do not cover or block the vents or grilles of your appliance. When you are out for a long time- If the appliance will not be used for several months, turn it off first, and then unplug the plug from the wall outlet.
- Take out all foods.
- Clean and dry the interior thoroughly. To prevent odor and mold growth, leave the door ajar: block it open or have the door removed if necessary.
- Keep the cleaned appliance in a dry, ventilated place and away from the heat source, place the appliance smoothly, and do not place heavy objects on top of it.
- The unit should not be accessible to child’s play.
Maintenance and cleaning
Before cleaning, unplug the power plug first; Do not plug in or plug out the plug with wet hand, because there is a risk of electric shock and injury. Do not spill water directly on the refrigerator, to avoid rust, electricity leakage and accidents. Do not stretch your hands into the bottom of the refrigerator, since you might be scratched by sharp metal corners.
Internal cleaning and external cleaning
The food residuals in the refrigerator are liable to produce bad odor, so the refrigerator must be cleaned regularly. The fresh food compartment is usually cleaned once a month.
Remove all shelves, crisper box, bottle racks, cover board, and drawers etc., and clean them with a soft towel or sponge dipped in warm water or neutral detergent.
Clear off the dusts accumulated on the rear panel and side plates of the refrigerator often.
After using detergent, be sure to rinse it with clean water, and then wipe it dry.
Do not use bristle brush, steel wire brush, detergent, soap powder, alkaline detergent, benzene, gasoline, acid, hot water and other corrosive or soluble items to cleanse the cabinet surface, door gasket, plastic decorative parts, etc., so as to avoid damage.
Carefully wipe dry the door gasket, clean the groove using a wooden chopstick wrapped with cotton string. After the cleaning, fix the four corners of the door gasket first, and then embed it segment by segment into the door groove. Interruption of power supply or failure of the refrigerating system
- Take care of the frozen foods in the event of an extended non-running of the refrigerating appliance (such as interruption of power supply or failure of the refrigerating system).
- Try to open the refrigerator door as less as possible, in this way can food safely and freshly kept for hours even in hot summer.
- If you get the power outage notice in advance:
- Adjust the thermostat knob to the high mode an hour in advance, so that foods get fully frozen (Do not store new food during this time!). Restore the temperature mode to the original setting when power supply becomes normal in a timely manner.
- You can also make ice with a watertight container, and put it in the upper part of the freezer, so as to extend the time for fresh food to be stored.
Note: Once the refrigerator is used, you’d better use it continuously; and under normal circumstance, do not stop its use, so as not to affect the service life.
Defrosting
After a period of use, a thin layer of frost will be formed on the freezer compartment inner wall (or evaporator) surface, which may affect the refrigeration effect if exceeding 5mm in thickness. In such case, you need to gently scrape the frost off using an ice scraper rather than the metal or sharp hardware. Frosts need to be cleared off every 3 months or so, and if the normal use of drawers and normal access of foods are affected by frosting, make sure to remove the frosts in a timely manner. Follow the following steps to remove frosts:
- Take out the frozen foods, shut off the mains power supply, open the refrigerator door, and gently remove the frosts from the inner wall with an ice scraper. To speed up the thawing process, you are suggested to place a bowl of hot water inside the refrigerator/freezer, and when the solid ice frosts become loose, use an ice scraper to scrape them off and then take them out.
- After defrosting, clean the refrigerator/freezer inside, and switch on the power supply.
Changing the lamp
The LED lamp is used by the refrigerator for lighting, which features low energy consumption and long service life. In case of any abnormality, please contact the after-sales personnel for visiting service. The lamps can only be replaced by the manufacturer,together with a part of the appliance.
- Lamp type:LED light.
- Energy efficiency level:F
Safety-check after maintenance
- Is the power cord broken or damaged?
- Is the power plug firmly inserted into the socket?
- Is the power plug abnormally overheat?
Note: Electric shock and fire accident may be caused in case the power cord and plugs damaged or stained by dust. If any abnormality, please unplug the power plug and get in contact with the vendor.
Simple fault analysis and elimination
With regard to the following small faults, not every failure needs to be fixed by the technical service personnel; you can try to solve the problem.
| Case | Inspection | Solutions |
| • Completely non-refrigeration | · Is power plug off? · Are breakers and fuses a broken? · No electricity or line trip? | · Re-plug. · Opening the door and checking whether the lamp is lit. |
| • Abnormal noise | · Is refrigerator stable? · Does refrigerator reach the wall? | · Adjusting refrigerator’s adjustable feet. · Off the wall. |
| • Poor refrigerating efficiency | · Do you put hot food or too much food? · Do you open the door frequently? · Do you clip food bag to the seal of door? · Direct sunlight or near a furnace or stove? · Is it well-ventilated? · Temperature setting in too high? | · Putting food into refrigerator when hot food becomes cool. · Checking and closing the door. · Removing the refrigerator from the heat source. · Emptying the distance to maintain good ventilation. · Setting to the appropriate temperature. |
| • Peculiar smell in refrigerator | · Any spoiled food? · Do you need to clean refrigerator? · Do you pack food of strong flavors? | · Throwing away spoiled food. · Cleaning refrigerator. · Packing food of strong flavors. |
Note: If the above descriptions are inapplicable to troubleshooting, do not disassemble and repair it yourself. Repairs carried out by inexperienced persons may cause injury or serious malfunctioning. Contact the local store where your purchase was made. This product should be serviced by an authorized engineer and only genuine spare parts should be used.
When the appliance is not in use for long periods, disconnect from the electricity supply, empty all foods and clean the appliance, leaving the door ajar to prevent unpleasant smells.
Certifications
Electrical information
This electrical appliance must be grounded
This product is equipped with a plug, which is suitable for all houses equipped with sockets meeting the current specifications
If the fitted plug is not suitable for your socket outlets, it should be cut off and carefully disposed of. To avoid a possible shock hazard, do not insert the discarded plug into a socket.
This product complies the EEC directives.
Safe recovery instructions
Disposal
Old appliances still have some surplus value. An environmentally friendly approach will ensure that valuable raw materials are recycled.
The refrigerants used in your equipment and insulation materials require special handling procedures. Make sure there is no pipe damage on the back of the equipment before handling.
Up-to-date information on the options for disposing of old equipment and packaging from old equipment can be obtained from the local municipal office.
Correct Disposal of this product
This marking indicates that this product should not be disposed with other household wastes throughout the EU. To prevent possible harm to the environment or human health from uncontrolled waste disposal, recycle it responsibly to promote the sustainable reuse of material resources. To return your used device, please use the return and collection systems or contact the retailer where the product was purchased. They can take this product for environmental safe recycling.
Warnings for disposal
- Refrigerant and cyclopentane foaming material used for the refrigerator are flammable. Therefore, when the refrigerator is scrapped, it shall be kept away from any fire source and be recovered by a special recovering company with corresponding qualification other than be disposed by combustion, so as to prevent damage to the environment or any other harm.
- When the refrigerator is scrapped, disassemble the doors, and remove gasket of door and shelves; put the doors and shelves in a proper place, so as to prevent trapping of any child.
Reversing the Door Swing
- Make sure that your refrigerator is unplugged.
- Pry the hinge cover up and off, remove the three screws that secure the upper hinge to the door, then remove the hinge.

- Remove the refrigerator compartment door from the cabinet.
- Remove the two screws that secure the center hinge.

- Remove the freezer compartment door.
- Remove the screws that secure the lower hinge to the right side of the cabinet, then remove the hinge.

- Remove the washer and nut that secure the pin shaft to the right hole on the lower hinge, then remove the shaft

- Insert the pin shaft into the left hole on the lower hinge, then secure the shaft with the washer and nut.

- Install the lower hinge on the left side of the cabinet.
- Remove the screw that secures the door stop from the bottom right of the freezer compartment door, then remove the door stop and install to the bottom left side.
- Install the freezer compartment door.

- Move the door bushing from the top right side of the freezer door to the top left side of the door. And move the left hole cover to the right side.

- Remove the center hinge screw hole plug on the left side of the cabinet, then install in the screw holes on the right side of the cabinet.

- Install the center hinge to the left side with the two screws you removed previously.

- Get the left door stop from the accessory bag, install it on the bottom left side of the refrigerator door.

- Install the Refrigerator compartment door.
- Move the door bushing from the top right side of the Refrigerator door to the top left side of the door. And move the left hole cover to the right side.

- Remove the screw that secures the hinge screw hole cover from the top left side of the cabinet, remove the cover and secures the cover on the top right side of the cabinet.

- Secure the upper hinge to the top left side of the cabinet with the three screws you removed previously. Before you tighten the upper hinge screws, make sure that the top of the door is level with the cabinet and that the rubber gasket makes a good seal.
- Install the hinge cover over the hinge on the top left side of the cabinet.

Scandomestic A/S · DK-8600 Silkeborg · Tel.: + 45 7242 5571 · www.scandomestic.dk





































