scandomestic SFS 112 W Upright Freezer

Dear users, this manual contains the product’s basic knowledge, how to use it, fault diagnosis and basic troubleshooting methods. In order to better understand and use this product, please take good care of this manual and read it carefully
SAFETY WARNING!
It is hazardous for anyone other than authorized service personnel to carry out servicing or repairs which involves the removal of covers. To avoid the risk of an electric shock do not attempt to repair this appliance yourself.
WARNING!
Risk of fire / flammable materials.
Safety tips
Do not use electrical appliances such as a hair dryer or heater to defrost your Fridge/Freezer.
Containers with flammable gases or liquids can leak at low temperatures.
Do not store any containers with flammable materials, such as spray cans, fire extinguisher refill cartridges etc. in the Fridge/Freezer.
Do not place carbonated or fizzy drinks in the Freezer compartment. Ice lollies can cause “Frost/Freeze burns”. If consumed straight from the Fridge/Freezer.
Do not remove items from the Fridge/Freezer compartment if your hands are damp/wet, as this could cause skin abrasions or “Frost/Freezer burns”. Bottles and cans must not be placed in the Freezer compartment as they can burst when the contents freeze.
Manufacturer’s recommended storage
times should be adhered to. Refer to relevant instructions.
Do not allow children to tamper with the controls or play with the Fridge/Freezer. The Fridge/Freezer is heavy. Care should be taken when moving it. It is dangerous to alter the specification or attempt to modify this product in any way.
Do not store inflammable gases or liquids inside your Fridge/Freezer.
If the power cable is damaged, it must be replaced by the manufacturer, its service agent or similarly qualified persons in order to avoid a hazard.
This appliance can be used by children aged from 8 years and above and persons with reduced physical, sensory or mental capabilities or lack of experience and knowledge if they have been given supervision or instruction concerning use of the appliance in a safe way and understand the hazards involved.
Children shall not play with the appliance.
Cleaning and user maintenance shall not be made by children without supervision.
This refrigerating appliance is not intended to be used as a built-in appliance.
This appliance is intended to be used in household and similar applications such as
• staff kitchen areas in shops, offices and other working environments;
• farm houses and by clients in hotels, motels and other residential type environments;
• bed and breakfast type environments;
• catering and similar non-retail applications.
Keep ventilation openings, in the appliance enclosure or in the built-in structure, clear of obstruction.
Do not use mechanical devices or other means to accelerate the defrosting process, other than those recommended by the manufacturer.
Do not damage the refrigerant circuit.
Do not use electrical appliances inside the food storage compartments of the appliance, unless they are of type recommended by the manufacturer.
Do not store explosive substances such as aerosol cans with a flammable propellant in this appliance.
This appliance is not intended for use by persons (including children) with reduced physical, sensory or mental capabilities, or lack of experience and knowledge, unless they have been given supervision or instruction concerning use of the appliance by a person responsible for their safety. Children should be supervised to ensure that they do not play with the appliance.
WARNING: Keep ventilation openings, in the appliance enclosure or in the built-in structure, clear of obstruction.
WARNING: Do not use mechanical devices or other means to accelerate the defrosting process, other than those recommended by the manufacturer.
WARNING: Do not damage the refrigerant circuit.
WARNING: Do not use electrical appliances inside the food storage compartments of the appliance, unless they are of the type recommended by the manufacturer.
WARNING: Refrigerating appliances – in particular a refrigerator-freezer Type I – might not operate consistently (possibility of defrosting of contents or temperature becoming too warm in the frozen food compartment) when sited for an extended period of time below the cold end of the range of temperatures for which the refrigerating appliance is designed;
WARNING: The necessity that, for doors or lids fitted with locks and keys, the keys be kept out of the reach of children and not in the vicinity of the refrigerating appliance, in order to prevent children from being locked inside.
WARNING: The refrigerant used in your appliance and insulation materials requires special disposal procedures.
WARNING: When positioning the appliance, ensure the supply cord is not trapped or damaged.
WARNING: Do not locate multiple portable socket-outlets or portable power supplies at the rear of the appliance
Children aged from 3 to 8 years are allowed to load and unload refrigerating appliances.
To avoid contamination of food, please respect the following instructions:
Opening the door for long periods can cause a significant increase of the temperature in the compartments of the appliance.
- Clean regularly surfaces that can come in contact with food and accessible drainage systems.
- Clean water tanks if they have not been used for 48 h; flush the water system connected to a water supply if water has not been drawn for 5 days.
- Store raw meat and fish in suitable containers in the refrigerator, so that it is not in contact with or drip onto other food.
- Two-star frozen-food compartments are suitable for storing pre-frozen food, storing or making icecream and making ice cubes.
- One-, two- and three-star compartments are not suitable for the freezing of fresh food.
- If the refrigerating appliance is left empty for long periods, switch off, defrost, clean, dry, and leave the door open to prevent mould developing within the appliance.
Electrical Connection
WARNING
This appliance should be properly grounded for your safety. The power cord of this appliance is equipped with a three-prong plug which mates with the standard three prong wall outlets to minimize the possibility of electrical shock.
Do not, under any circumstances, cut or remove the third ground prong from the power cord supplied.
This freezer appliance requires a standard 220-240VAC 50Hz electrical outlet with three-prong ground.
This freezer appliance is not designed to be used with an inverter.
The cord should be secured behind the appliance and not left exposed or dangling to prevent accidental injury.
Never unplug the freezer by pulling the power cord. Always grip the plug firmly and pull straight out from the receptacle.
Do not use an extension cord with this appliance. If the power cord is too short, have a qualified electrician or service technician install an outlet near the appliance. Use of an extension cord can negatively affect the performance of the unit.
Improper use of the grounded plug can result in the risk of electrical shock. If the power cord is damaged, have it replaced by an authorized service center.
Climate Range
The information about the climate range of the appliance is provided on the rating plate. It indicates at which ambient temperature (that is, room temperature, in which the appliance is working) the operation of the appliance is optimal (proper).
Climate range ………………………………………………..Permissible ambient temperature
SN………………………………………………………………………………………from +10°C to +32°C
N………………………………………………………………………………………..from +16°C to +32°C
ST……………………………………………………………………………………….from +16°C to +38°C
T…………………………………………………………………………………………from +16°C to +43°C
Note:Given the limit values of the ambient temperature range for the climate classes for which the refrigerating appliance is designed and the fact that the internal temperatures could be affected by such factors as location of the refrigerating appliance, ambient temperature and the frequency of door opening, the setting of any temperature control device might have to be varied to allow for these factors, if appropriate.
If the power cable is damaged, it must be replaced by the manufacturer, its service agent or similarly qualified persons in order to avoid a hazard.
Note: When operating in an environment other than the specified climate type (i.e., beyond the rated ambient temperature range), the appliance may not be able to maintain the desirable compartment temperatures.
Locks
If your Freezer is fitted with a lock, keep the key out of reach and not in the vicinity of the appliance to prevent children being entrapped. When disposing of an old Freezer, break off any old locks or latches as a safeguard.
Freon-free
The freon-free refrigerant (R600a) and the foaming insulation material (cyclopentane) that is environmentally friendly are used for the freezer, causing no damage to the ozone layer and having a very small impact on the global warming. R600a is flammable, and sealed in a refrigeration system, without leakage during normal use. But, in case of refrigerant leakage due to the refrigerant circuit being damaged, be sure to keep the appliance away from open flames and open the windows for ventilation as quickly as possible.
Product Features

- Top cover
- Display Block
- Freezer Flap
- Middle Drawer
- Low Drawer
- Adjustable feet
Due to technological innovations, the product descriptions in this manual may not be completely consistent with your freezer. Detailed information is in accordance with the final product.
Preparations for use
Installation location
Ventilation condition
The position you select for the freezer installation should be well-ventilated and
has less hot air. Do not locate the freezer near a heat source such as cooker, and avoid it from direct sunlight, thus guaranteeing the refrigeration effect while saving energy consumption. Do not locate the freezer in the damp place, so as to prevent the freezer from rusting and leaking electricity. The result of the total space of the room in which the freezer is installed being divided by the refrigerant charge amount of the freezer shall not be less than 8 g/ M3.
Note: The amount of refrigerant charged for the freezer can be found on the nameplate.
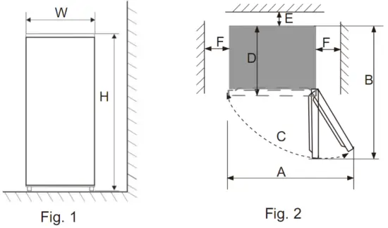
Heat dissipation space
When working, the freezer gives off heat to surroundings. Therefore, at least 30 mm of free space should be spared at the top side, more than 100 mm on both sides, and above 50 mm at the back side of the freezer.
W | D | H | A | B | C(°) | E | F |
| 545 | 566 | 845 | 1011 | 1197 | 125 | 50 | 100 |

Level ground
Place the freezer on the solid and flat ground (floor) to keep it stable, or else, it will give rise to vibration and noise. When the freezer is placed on such flooring materials as carpet, straw mat, polyvinyl chloride, the solid backing plates should be applied underneath the freezer, so as to prevent color change due to heat dissipation.
Unobstructed ventilation shall be maintained around the appliance or in an embedded structure.
Preparations for use
Standing time
After the freezer is properly installed and well cleaned, do not switch it on immediately. Make sure to energize the freezer after more than 1 hour’s standing, so as to ensure its normal operation.
Cleaning
Confirm the accessory parts inside the freezer and wipe the inside with a soft cloth.
Power-on
Insert the plug into the solid socket to start the compressor. After 1 hour, open the freezer door, if the temperature inside the freezer compartment drops obviously, it indicates the refrigeration system is working normally.
Storage of food
Afterthe freezer runs for a period of time, the internal temperature of the freezer will be automatically controlled according to the user’s temperature setting. After the freezer is fully cooled, put in foods, which usually need 2-3 hours to be fully cooled. In summer, when the temperature is high, it takes more than 4 hours for the foods to be fully cooled (Try to open the freezer door as less as possible before the internal temperature cools down).
If the freezer is installed in the moisture place, make sure to check whether the ground wire and leakage circuit breaker are normal. If vibration noises are produced due to the freezer contacting the wall or if the wall gets blackened by air convection around the compressor, move the freezer away from the wall. Setting up the freezer may cause jamming noise or image chaos to the mobile phone, fixed-line telephone, radio receiver, television surrounding it, so try to keep the freezer as far away as possible in such case.
Functions

Testing
- Clean the freezer with lukewarm water and detergent,and wipe dry.
Note: Electrical components should be cleaned with a dry cloth. - Turn the thermostat knob to the “2” position, and plug the freezer into the wall outlet.The compressor will begin to run.
- Check, after 30 minutes of operation, to ensure thatthe freezer is cold.
Temperature Control
- The temperature control (thermostat knob,turned by coin) is located near the top of the unit.
- Turning the thermostat knob adjusts the temperature of the freezer.
- The marks on the knob represent different settings. Setting “1” is the warmest and setting “4” is the coolest.
- The factory recommended setting is “2”for normaloperating conditions.
IN USE
- The appliance might not operate consistently (possibility of defrosting of contents or temperature becoming too warm in the frozen food compartment) when sited for an extended period of time below the cold end of the range of temperatures for which the refrigerating appliance is designed
- The fact that the internal temperatures could be affected by such factors as the location of the refrigerating appliance, ambient temperature and the frequency of door opening, and, if appropriate, a warning that the setting of any temperature control device might have to be varied to allow for these factors
- The fact that effervescent drinks should not be stored in food freezer compartments or cabinets or in low-temperature compartments or cabinets, and that some products such as water ices should not be consumed too cold
- The need to not exceed the storage time(s) recommended by the food manufacturers for any kind of food
- The fact that a rise in temperature of the frozen food during manual defrosting, maintenance or cleaning could shorten the storage life
- It is better wrapping the frozen food in several layers of the glass shelves.
- the care required with regard to frozen food in storage in the event of an extended non-running of the refrigerating appliance (interruption of powersupply or failure of the refrigerating system)
Tips for special needs
Moving the freezer/freezer
Location
Do not place your freezer/freezer near a heat source, e.g. cooker, boiler or radiator. Avoid it from direct sunlight in out-buildings or sun lounges.
Leveling
Make sure to level your freezer/freezer using the front leveling feet. If not level, the freezer/freezer door gasket sealing performance will be affected, or even it may lead to the operating failure of your freezer/freezer.
After locating the freezer/freezer in position, wait for 4 hours before using it, so as to allow the refrigerant to settle.
Installation
Do not cover or block the vents or grilles of your appliance.
When you are out for a long time
- If the appliance will not be used for several months, turn it off first, and then unplug the plug from the wall outlet.
- Take out all foods.
- Clean and dry the interior thoroughly. To prevent odor and mold growth, leave the door ajar: block it open or have the door removed if necessary.
- Keep the cleaned appliance in a dry, ventilated place and away from the heat source, place the appliance smoothly, and do not place heavy objects on top of it.
- The unit should not be accessible to child’s play
Maintenance and cleaning
Before cleaning, unplug the power plug first; Do not plug in or plug out the plug with wet hand, because there is a risk of electric shock and injury. Do not spill water directly on the freezer, to avoid rust, electricity leakage and accidents. Do not stretch your hands into the bottom of the freezer, since you might be scratched by sharp metal corners.
Internal cleaning and external cleaning
The food residuals in the freezer are liable to produce bad odor, so the freezer must be cleaned regularly. The fresh food compartment is usually cleaned once a month.
Remove all shelves, crisper box, bottle racks, cover board, and drawers etc., and clean them with a soft towel or sponge dipped in warm water or neutral detergent.
Clear off the dusts accumulated on the rear panel and side plates of the freezer often.
After using detergent, be sure to rinse it with clean water, and then wipe it dry.
Do not use bristle brush, steel wire brush, detergent, soap powder, alkaline detergent, benzene, gasoline, acid, hot water and other corrosive or soluble items to cleanse the cabinet surface, door gasket, plastic decorative parts, etc., so as to avoid damage.
Carefully wipe dry the door gasket, clean the groove using a wooden chopstick wrapped with cotton string. After the cleaning, fix the four corners of the door gasket first, and then embed it segment by segment into the door groove.
Interruption of power supply or failure of the refrigerating system
- Take care of the frozen foods in the event of an extended non-running of the refrigerating appliance (such as interruption of power supply or failure of the refrigerating system).
- Try to open the freezer door as less as possible, in this way can food safely and freshly kept for hours even in hot summer.
- If you get the power outage notice in advance:
- Adjust the thermostat knob to the high mode an hour in advance, so that foods get fully frozen (Do not store new food during this time!). Restore the temperature mode to the original setting when power supply becomes normal in a timely manner.
- You can also make ice with a watertight container, and put it in the upper part of the freezer, so as to extend the time for fresh food to be stored.
Note: Once the freezer is used, you’d better use it continuously; and under normal circumstance, do not stop its use, so as not to affect the service life.
Safety-check after maintenance
- Is the power cord broken or damaged?
- Is the power plug firmly inserted into the socket?
- Is the power plug abnormally overheat?
Note: Electric shock and fire accident may be caused in case the power cord and plug is damaged or stained by dust. If any abnormality, please unplug the power plug and get in contact with the vendor.
How to disassemble the parts
Shelf:
Hold one end of the shelf, and lift it up while pulling it outward.
Flip cover:
Keep the flip cover in the vertical direction, align it with the rotating shaft opening on the right side, and pull it outward to remove it;
During use of the freezer, do not close the door when the flip cover is opened, to avoid damaging the freezer door!
Simple fault analysis and elimination
(varying with different products)
With regard to the following small faults, not every failure needs to be fixed by the technical service personnel; you can try to solve the problem.
Completely non-refrigeration
- Is power plug off?
- Are breakers and fuses a broken?
- No electricity or line trip?
- Re-plug.
- Opening the door and checking whether the lamp is lit.
Abnormal noise
- Is freezer stable?
- Does freezer reach the wall?
- Adjusting freezer’s adjustable feet.
- Off the wall.。
Poor refrigerating efficiency
- Do you put hot food or too much food?
- Do you open the door frequently?
- Do you clip food bag to the seal of door?
- Direct sunlight or near a furnace or stove?
- Is it well-ventilated?
Temperature setting in too high?
- Putting food into freezer when hot food becomes cool.
- Checking and closing the door.
- Removing the freezer from the heat source.
- Emptying the distance to maintain good ventilation.
- Setting to the appropriate temperature.
Peculiar smell in freezer
- Any spoiled food?
- Do you need to clean freezer?
- Do you pack food of strong flavors?
- Throwing away spoiled food.
- Cleaning freezer.
- Packing food of strong flavors.
Buzzer alarm
- Is there any door opened?
- Open the door, and close it again.
All indicator lights on the display panel ON
- Is the defrosting function enabled?
- Hold down the SET key for 3s (for details, refer to the Functions section about Defrosting)
Note: If the above descriptions are inapplicable to troubleshooting, do not disassemble and repair it yourself. Repairs carried out by inexperienced persons may cause injury or serious malfunctioning. Contact the local store where your purchase was made. This product should be serviced by an authorized engineer and only genuine spare parts should be used.
When the appliance is not in use for long periods, disconnect from the electricity supply, empty all foods and clean the appliance, leaving the door ajar to prevent unpleasant smells.
Certifications
Electrical information
This electrical appliance must be grounded.
This product is equipped with a plug, which is suitable for all houses equipped with sockets meeting the current specifications
If the fitted plug is not suitable for your socket outlets, it should be cut off and carefully disposed of. To avoid a possible shock hazard, do not insert the discarded plug into a socket.
This product complies the EEC directives.
Disposal
Old appliances still have some surplus value. An environmentally friendly approach will ensure that valuable raw materials are recycled.
The refrigerants used in your equipment and insulation materials require special handling procedures. Make sure there is no pipe damage on the back of the equipment before handling.
Up-to-date information on the options for disposing of old equipment and packaging from old equipment can be obtained from the local municipal office.
Correct Disposal of this product
This marking indicates that this product should not be disposed with other household wastes throughout the EU.
To prevent possible harm to the environment or human health from uncontrolled waste disposal, recycle it responsibly to promote the sustainable reuse of material resources. To return your used device, please use the return and collection systems or contact the retailer where the product was purchased. They can take this product for environmentally safe recycling
Warnings for disposal
Refrigerant and cyclopentane foaming materialused for the refrigerator are flammable. Therefore, when the refrigerator is scrapped, it shall be kept away from any fire source and be recovered by a special recovering company with corresponding qualification other than be disposed by combustion, so as to prevent damage to the environment or any other harm.
When the refrigerator is scrapped, disassemble the doors, and remove gasket of door and shelves; put the doors and shelves in a proper place, so as to prevent trapping of any child.
UK
Access to professional repair, such as internet webpages, addresses, contact details.
Model no: SFS 112 W
Aftersales service station list:
| Address | Scandomestic A/S |
| Contact Number | 7242 5571 |
| Website | Scandomestic.dk |
| QR code | 777743 |
| Relevant information for ordering spare parts, directly or through other channels provided by the manufacturer, importer or authorised representative; | Scandomestic A/S |
| The minimum period during which spare parts, necessary for the repair of the appliance, are available; | 7 years |
| Instruction on how to find the model information in the product database, as defined in Regulation (EU) 2019/2019 by means of a weblink that links to the model information as stored in the product database or a link to the product database and information on how to find the model identifier on the product.) | www.scandomestic.dk |
Note: The address or contact phone number of the service site is subject to change without prior notice. Please confirm whether the service station is a directly affiliated one of our company when requiring services.
EU DECLARATION OF CONFORMITY
Ref. Ares In accordance with EN ISO 17050-1:2004
| Model number (unique identification of the product): | SFS 82 W |
| Name and address of the manufacturer or his authorised representative: | Scandomestic A/S Linåvej 20 8600 Silkeborg Denmark |
| This declaration of conformity is issued under the sole responsibility of the manufacturer (or installer): | Scandomestic A/S Linåvej 20 8600 Silkeborg Denmark |
| Object of the declaration (identification of product allowing traceability. It may include a colour image of sufficient clarity to enable the identification of the product, where appropriate.) Product: Household freezer Brand: Scandomestic Colour: White Model name: SFS 82 W | ![]() |
| The object of the declaration described in point 4 is in conformity with the relevant Union harmonisation legislation: | EN 61000-3-2 |
| References to the relevant harmonised standards used, or references to the specifications in relation to which conformity is declared: | EN 60335-2-24:2010 + A1:2019 + A2:2019 EN 60335-1:2012 + A11:2014 + A13:2017 EN 62233:2008 |
| Where applicable: the notified body … (name, number)… performed … (description of intervention)… and issued the certificate: | RoHS |
| Additional information: | Commercial Cooler |
Scandomestic A/S
Silkeborg, d. 8/07/2021
Anja Hømlund
Product Manager




















