PROLED L513170 RF PWM Dimmer 4 Kanal
PROLED RF PWM DIMMER 4-Channel L513170
PROLED RF PWM DIMMER 4-Channel L513170 is a product that allows you to control LED lights. It is manufactured by MBN GmbH, located in Friedberg, Germany. The product is designed to be used with 12-48 VDC input and has four output channels, each capable of providing 5A (12-24 VDC) or 2.5A (48 VDC) of power. The dimensions of the product are 167 mm x 55 mm x 24 mm (LxBxT), and it weighs around 120 g.
Technical Specifications
- Model: PROLED RF PWM DIMMER 4-Kanal
- Output: 4x 5A (12-24 VDC) ; 4x 2,5A (48 VDC)
- Power consumption: < 1 W
- Dimensions: 167 mm x 55 mm x 24 mm (LxBxT)
- Net weight: 120 g
- IP rating: 20
Product Usage Instructions
Before installing and using PROLED RF PWM DIMMER 4-Channel L513170, please read the user manual carefully. If the device has been damaged during transport, please report this to your supplier immediately. Please don’t take any action without contacting your supplier first.
Master/Slave Jumpereinstellung
The device has a Master/Slave jumpereinstellung feature that allows you to control multiple devices using a single remote control. Please refer to the user manual for more information on how to set this up.
Learning Key
The device has a learning key feature that allows you to pair it with a remote control. Please refer to the user manual for more information on how to set this up.
Output to LED
The device has four output channels that can be used to control LED lights. Please refer to the user manual for more information on how to connect your LED lights to the device.
RGB/RGBW/RGBA
If you are using an RGB/RGBW/RGBA LED strip, please connect it to a 12/48 VDC power supply and connect the output to the device. Please refer to the user manual for more information on how to connect your LED strip to the device.
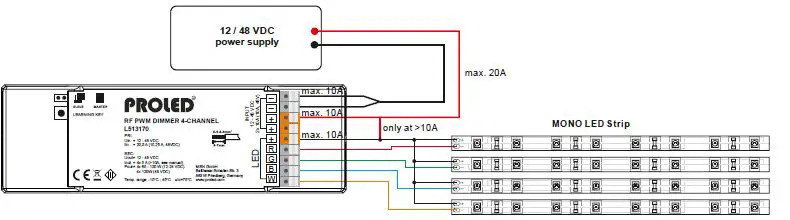
MONO
If you are using a MONO LED strip, please connect it to a 12/48 VDC power supply and connect the output to the device. Please refer to the user manual for more information on how to connect your LED strip to the device.
Dynamic White
If you are using a Dynamic White LED strip, please connect it to a 12/48 VDC power supply and connect the output to the device. Please refer to the user manual for more information on how to connect your LED strip to the device. Please note that the maximum output current for each channel is 10A (10A, 48VDC). If you are using an RGBA/RGBW or Dynamic White LED strip, the maximum output current is 20A (10A, 48VDC) and should only be used if required. Please refer to the user manual for more information on how to use the device safely.
Preface
Thanks for choosing PROLED RF PWM DIMMER 4-Channel. Before installation and use, we strongly recommend you to read this manual carefully. If the device has been damaged during transport, please report this to your supplier immediately. Please don’t take any action without contacting your supplier first
Limited Warrenty
In case of quality problems we provide free repair or replacement within one year from the day of purchase, if this product has been used properly in accordance with the user’s manual, except in following cases:
- Any defects caused by wrong operation.
- Any damages caused by unauthorized removal, maintenance, modifying, incorrect connection and replacement of chips.
- Any damages due to transportation, vibration etc. after purchase.
- Any damages caused by earthquake, fire, lightning, pollution and abnormal voltage.
- Any damages caused by negligence, inappropriate storing at high temperatures and humidity or near harmful chemicals.
- Product has been updated
Safety Warnings
- Please don’t install this dimmer during thunderstorms, intense magnetic or high-voltage electrical fields. To reduce the risk of component damage and fire caused by a short circuit, make sure, that all connections are correct.
- Always be sure to mount this unit in an area with proper ventilation to avoid overheating.
- Check voltage and power requierements of the dimmer as well as the polarity of the power supply.
- Never connect any cables while power is switched on and always assure correct connections to avoid short circuit before switching on.
- Never attempt any repairs yourself; otherwise the manufacturer’s warranty will be void.
- For update information please consult your supplier.
Product description
PROLED RF PWM DIMMER 4-Channel allows controlling of Luminaires, Panels, Flex Strip etc., by a RF-Signal and a corresponding RF transmitter. The dimmer can be controlled by up to 8 different remote controllers. Possibility to use Master/Slave mode allows an optimum synchronization of RGB-colour changing.
Technical Data
- Modell: PROLED RF PWM DIMMER 4-Channel
- Input Voltage Output: 12 – 48 VDC
- Power consumption: 4x 5A (12-24 VDC) ; 4x 2,5A (48 VDC)
- Power consumption: < 1 W
- Ambient temperature: -10°C – 45°C
- Dimensions: 167 mm x 55 mm x 24 mm (LxWxH)
- Net weight: 120 g
Specifications
- Possibility to connect up to 8 remote controllers
- Control of up to 4 channels (MONO, RGB, RGBA, RGBW)
- MASTER / SLAVE mode for optimum synchronization.
Usage

Connecting RF remote controller with RF receiver:
- Connect the RF-receiver according to wiring diagram.
- Switch the RF remote controller by touching ON/OFF button. Remote controller is not part of delivery. Please order separately.
- Press learning key at receiver.
- Press desired zone button on the remote controll.
- Touch the colour wheel.
- Connected LED blink to confirm zone connection
- A longer press (>5 sec.) on learning key untill LED blinks confirms, that ID will be deleted.
MASTER / SLAVE Jumper
To allow an optimum synchronization of RGB-colour changing in a group with seral receivers, set one reciever as MASTER and the others as SLAVE.
After changing the jumper to MASTER, receiver must be started new to take effect.
Connection diagram
RGB/RGBW/RGBA:
MONO:
Dynamic White:
MBN GmbH, Balthasar-Schaller-Str. 3, 86316 Friedberg – Germany
www.proled.com.





















