virtufit V3 Exercise Bike with Grips and Computer

IMPORTANT PRECAUTIONS
The Virtufit V3 minibike with grips and a computer enables you to exercise where and whenever you’d like. Use the minibike while sitting at home or at work to fortify your blood circulation and muscles. Place the minibike on a desk or table and operate the minibike with your arms.
Warning: To reduce the risk of serious injury, read the following precautions before using the pedal exerciser.
- Read all instructions in this manual and all warnings on the pedal excerciser.
- It is the responsibility of the owner to ensure that all users of the exerciser are adequately informed of all precautions.
- The exerciser is intended for home use only.
- Keep the exerciser indoors, away from moisture and dust. Place on a level surface, it is suggested to use a mat underneath to protect the floor or carpet. make sure there is enough clearance around the exerciser to mount, dismount the and use it.
- Inspect and tighten all parts regularly. Replace any worn parts immediately.
- Keep children and pets away from the exerciser at all times.
- The exerciser should not be used by persons weighing more than 220 lbs.
- Wear appropriate clothes while exercising. Do not wear loose clothes that could become caught in the exerciser. In addition, wear athletic shoes for foot protection while exercising.
- Use the exerciser only as described in the manual
- Always keep your back straight while using the exerciser, do not arch your back.
- If you feel pain or dizziness at any time while exercising, stop immediately and begin cooling down.
- The exerciser does not have a freewheel; the pedals will continue to move until the flywheel stops.
- A WARNING LABEL has been placed on the bottom left of the product (see photo on the back cover)
- Please replace the WARNING LABEL on the pedal exerciser if it becomes illegible or damaged.
Warning: Before beginning, this or any exercise program, consult your physician. This is especially important for persons with pre-existing health problems. Read all instructions before using.
BEFORE YOU START
The below-described parts are all that are required to assemble the pedal exerciser. Before starting assembly, please verify all items in the hardware packaging.
| Onderdeelnummer | Beschrijving | Hoeveelheid |
| A | Socket Screw | 4 |
| B | Wrench | 1 |
| C | Screw driver | 1 |

ASSEMBLY
STEP 1
- To fasten the socket screws (A), use the supplied screwdriver (C).
- Secure the support bars (3) with the socket screws (A) to the device enclosure.

STEP 2
- Screw the right pedal (4), indicated with “R”, clockwise to the right crank arm using the supplied wrench (B).
- Screw the left pedal (6), indicated with “L”, COUNTER-CLOCKWISE to the left crank arm using the supplied wrench (B).
Caution: Double check that all bolts, nuts and screws are securely tightened before use.
INSERTING THE BATTERY
- Carefully pull the training computer (2) out of the device enclosure. The computer is attached to the enclosure by a cable, do not pull it out completely. The cable needs to stay attached to both the computer and the device.
- Insert the 1.5V AAA battery into the computers.
- Insert the computer back into the device enclosure.

DISPLAY FUNCTIONS

HOW TO OPERATE THE DIGITAL DISPLAY

Caution: Do not attempt to change or modify the unit. Changes or modifications will void the warranty and could potentially make it unsafe for use.
DIGITAL DISPLAY ADDITIONAL INFORMATION
If the counter doesn’t operate properly, take out the battery and insert it again. If you change the battery, the count will be changed to “0”. Reset the counter before using. Due the vibrations that occur during shipment, your counter will not be set to “0”, this is not an indication of malfunction. Replace the battery when the display becomes faint, difficult to read or there is no display at all.
Claim: This equipment has been tested and found to comply with the limits for a Class B digital device, pursuant to Part 15 of the FCC Rules. These limits are designed to provide reasonable protection against harmful interference in a residential installation. This equipment generates, uses and can radiate radio frequency energy and, if not installed and used in accordance with the instructions, may cause harmful interference to radio communications. However, there is no guarantee that interference will not occur in a particular installation. If the equipment does cause harmful interference to radio or television reception, which can be determined by turning the equipment on and off, the user is encouraged to try to correct the interference by one or more of the following measures; relocate receiving antenna, increase seperation between equipment and receiver, or consult the dealer for assistance.
SUGGESTED TRAINING GUIDELINES
Warning: Before beginning this or any exercise program. Consult your physician. This is especially important for persons over the age 35 or persons with pre-existing health problems. Read all instructions before using.
STEP 1: WARM UP
Warm up by stretching for at least 5-10 minutes. When performing these stretches, your movement should be smooth and slow, with no bouncing or jerking. Move into the strecht until you feel a slight tension, not pain. Be sure not to hold your breath. Remember that all stretches must be done for both sides of your body.
QUADRICEPS STRETCH
Stand close to a wall, chair or another solid object, use one hand to assist your balance. Bend your knee and bring your heel toward your buttock. Reach for your ankle with your hand. Stand straight and feel a slight pull along the front of your thigh and hip. Hold the stretch for 20-30 seconds, release and repeat on the other leg. Be careful not to strain your knee – the goal is not to touch your heel to the buttock, but rather to stretch the thigh.
CALF & ACHILLES STRETCH
Stand about an arm’s length from a wall, chair or another sturdy object. Lean forward and place both hands on the wall or object abot shoulder width apart. Extend one foot (the side to be stretched) behind you with your knee bent and heel on the ground. Keep the other foot closer to the wall or object. Lean in slightly and bend the knee of the heel to be stretched (keeping the heel down) until you feel a stretch in the back of the tower leg (just above the heel). Sink down slowly with your hips to deepen the stretch. Hold this stretch for about the 30 seconds, release and repeat on the other side.
OVERHEAD/TRICEPS STRETCH
Stand with one arm straight up over your head so that your elbow almost touched your head; bend the arm at the elbow. Reach behind your head and grab the elbow with the opposite hand.
Gently pull back until you feel stretch in your tricep. Hold the stretch for 10 to 15 seconds, breathing normally, release and repeat on the other side.
STEP 2: TRAINING
Arm exercises
Place the unit in front of you on a table. Make sure that the unit is firmly positioned and that both bases are on the table top. Sit upright in front of the device and grip the two pedals with your hands. You can turn the pedals forwards or backwards.
Leg exercises
Place the unit in front of your chair on the floor. Place your feet onto the pedals. The distance between the chair and the device should be sufficient to allow you to bend one leg while the other is stretched during exercise. You have the option of pedalling forwards or backwards.
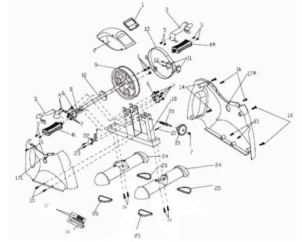
PARTS LIST

| Part number | Description | Quantity |
| 1 | Trainingcomputer | 1 |
| 2 | Top cabinet | 1 |
| 3 | Pedal strap | 2 (R/L) |
| 4 | Pedal | 2 (R/L) |
| 5 | Screw M4X12 | 8 |
| 6 | Flange | 2 |
| 7 | Screw M6X12 | 12 |
| 8 | Spacer | 2 |
| 9 | Flywheel | 1 |
| 10 | Pedal crank | 1 |
| 11 | Band brake bracket | 2 |
| 12 | Rivet | 2 |
| 13 | Brake band | 1 |
| 14 | Screw M5X20 | 4 |
| 15 | Screw M5X25 | 4 |
| 16 | Screw M4X7 | 4 |
| 17 | Side body cabinet | 2 (R/L) |
| 18 | Mainframe | 1 |
| 19 | Resistance dial | 1 |
| 20 | Dial rod | 1 |
| 21 | Split pin | 1 |
| 22 | Computersensor | 1 |
| 23 | Screw M5X10 | 2 |
| 24 | Support bar | 2 |
| 25 | Non-slip pad | 4 |
| 26 | Screw M5X14 | 4 |
| 27 | Screw driver | 1 |
| 28 | Wrench | 1 |
MAINTENANCE
- The product only requires minimal maintenance.
- Avoid contact with water.
- Clean with a slightly damp sponge. Dry with a clean dry cloth.
- Avoid prolonged exposure to the sun.
For questions or missing items, please contact Fitness Benelux:
Twekkelerweg 263 7553 LZ Hengelo The Netherlands
T +31 (0)74-7600219
E [email protected]
W www.fitnessbenelux.nl


Caution: Double check that all bolts, nuts and screws are securely tightened before use.
















