BENCHMARK 2620-176 5AMP 25HP Cement Mixer

PRODUCT SPECIFICATIONS
| Model Number | HCM400 | |||
| Motor: | 120V~60Hz, 5A | |||
| Drum Capacity | 115 Liters / 25 gallons | |||
| Drum Mouth | 385 mm | |||
| Drum Speed | 26.7 / min | |||
| Overall Sizes | Length | 1200 mm / 47″ | ||
| Width | 710 mm / 28″ | |||
| Height | 1350 mm / 53″ | |||
| Weight | 45 kg / 99 lbs | |||
ELECTRICAL CONNECTION
This mixer is double insulated to Class II protection and IP44D rated. The insulation will only remain effective if the original insulating parts are used for repairs and the spaces between the original insulation are maintained.
This mixer is double insulated to Class II protection and IP44D rated. Assembly and disassembly of the enclosure of electric control are critical to keep them remain effective. Only qualified electrician is allowed to repair the enclosure of electric control.
Double insulation eliminates the need for the three-wire grounded power cord and grounded power supply system. Double insulated tools can use either a two or three wire extension cord.
Double insulation eliminates the need for the three-wire grounded power cord and grounded power supply system. Double insulated tools can use either a two or three wire extension cord.
Do not connect either core to the earth pin.
SAFETY WARNINGS & INSTRUCTIONS
UNDERSTAND YOUR MIXER
Read and understand the owner’s manual and labels affixed to the mixer. Learn its application and limitations as well as the specific potential hazards peculiar to it. Become familiar with the controls before operating this mixer.
STAY ALERT
Do not operate the mixer while under the influence of drugs, alcohol, or any medication that could affect your ability to use it properly. Do not use this mixer when you are tired or distracted from the job at hand. Watch what you are doing at all times. Use common sense.
AVOID DANGEROUS CONDITIONS
Make sure there is adequate surrounding workspace. Keep your work area clean and well lit. Cluttered areas invite injuries. Keep area around the mixer clear of obstructions, grease, oil, trash and other debris which could cause persons fall onto moving parts.
Only use or operate the mixer on solid, flat, level ground that is capable to support the weight of the mixer and its load to prevent the mixer from tipping over. Do not attempt to move the mixer when it is loaded and/or in operation.
This mixer is intended for the production of concrete, mortar and plaster. It is not suitable for the mixing of flammable or explosive substances. Do not use it in areas where fumes from paint, solvents or flammable liquids pose a potential hazard.
INSPECT YOUR MIXER
Check your mixer before turning it on. Keep guards in place and in working order. Do not plug mixer with motor cover off. Check all bolts, nuts, and screws for tightness before each use, especially those securing guards and drive mechanisms. Vibration during mixing may cause these to loosen. Form a habit of checking to see that all the adjusting tools, shovels, hand trowels and other tools/ equipments are removed from mixer area before turning it on. Replace damaged, missing or failed parts before using it. Warning labels carry important information. Replace any missing or damaged warning labels.
DRESS PROPERLY
Do not wear loose clothing, gloves, neckties or jewelry (rings, wrist watches). They can be caught in moving parts. Protective electrically nonconductive gloves and nonskid footwear are recommended when working. Wear protective hair covering to contain long hair, preventing it from getting caught in machinery. Wear a face or dust mask if the operation is dusty. Always wear safety goggles and/or face shields. Everyday eyeglasses have only impact resistant lenses. They are not safety glasses.
DO NOT ABUSE CORD
Never carry mixer by cord or yank it to disconnect it from socket.
Keep cord from heat, oil and sharp edges.
EXTENSION CORDS
Extension cords must be no longer than 50 m/164′ in length. The wire section must be 1.5mm2 / 3/64″2 on 120V to allow sufficient 2 current flow to the motor. Improper use of extension cords may cause inefficient operation of the mixer which can result in overheating and motor damage. Only extension cords to H07RN-F specification intended for outdoor purpose may be used. Avoid use of free and inadequately insulated connections. Connections must be made with protected material suitable for outdoor use. Make sure that any extension cord connections are dry and safe. Ensure that the extension cord is carefully laid out avoiding liquids, sharp edges and places where vehicles might run over it. Avoid allowing the extension cord to be trapped underneath the mixer. Unroll it fully or it will overheat and could catch fire.
AVOID ELECTRICAL SHOCK
Check that the electric circuit is adequately protected and that it corresponds with the power, voltage and frequency of the motor. Do not plug or unplug the motor while standing in or around damp or wet ground. Do not use the mixer in wet or damp areas or expose it to rain. Prevent body contact with grounded surfaces: pipes, radiators, ranges, and refrigerator enclosures. Make sure your fingers do not touch the plug’s metal prongs when plugging or unplugging the mixer.
KEEP VISITORS AND CHILDREN AWAY
Keep unauthorized persons away from the mixer. Do not allow children to handle or climb on or in the mixer.
DO NOT OVERREACH
Keep proper footing and balance at all times when loading or unloading the mixer. Never stand on mixer. Serious injury could occur if the mixer is tipped or if the moving parts are unintentionally contacted. Do not store anything above or near the mixer where anyone might stand on the mixer to reach them.
AVOID INJURY FROM UNEXPECTED ACCIDENT
Keep hands out of the way of all moving parts. Do not place any part of your body or any tool, like shovel in the drum during operation. When operating, do not pass hands through the clearance between frame and support arm or the one between the drum and support arm.
DON’T FORCE TOOL
It will do a better and safer job at its design rate. Always work within the rated capacity. Do not start the motor if the drum is fully loaded.
Do not turn mixer off while full of concrete. Do not use the mixer for a purpose for which it was not intended. The mixer is not to be towed by any vehicle.
NEVER LEAVE MIXER RUNNING UNATTENDED
Do not leave mixer until it has come to a complete stop.
DISCONNECT POWER
Never open the motor cover before unplugging the mixer. Disconnect from power supply when not in use, before moving, making adjustments, changing parts, cleaning, or working on the mixer. Consult technical manual before servicing.
MAINTAIN YOUR MIXER WITH CARE
Clean the mixer immediately after use. Keep the mixer clean for best and safest performance. When maintaining this mixer, only the manufacturer’s original replacement parts may be used.
PROTECT THE ENVIRONMENT
Take leftover materials to an authorized collection point or follow the stipulations in the country where the mixer is used. Do not discharge into drains, soil or water.
STORE IDLE EQUIPMENT
When not in use, the mixer should be stored in a dry location to inhibit rust. Keep the mixer away from children and others not qualified to use it.
CONTENTS OF THE SHIPPING CONTAINER

- A X 4

- B X2 M8 70

- C X 2 M8 70

- D X2 M8 65
42
- E X2 M8 20

- F X6 M8 20
X2 M8 20
- G X2 M8 25

- H X1 M10 65

- I X4 M8

ASSEMBLY INSTRUCTIONS
It is recommended that two people assist in the assembly
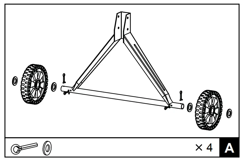
THE STAND
- With a split pin inserted into the inner holes in each stub axle, place a flat washer, then a wheel followed by another flat washer. Insert another split pin into the axle holes outside each flat washer. Bend each side of the pins outward so they do not fall out.

- With the frame lying on its side, attach the support leg as shown. Insert two M8X70 hex bolts through the holes from one side, then flat washers, lock washers and nuts from the other side.

- Turn the frame over and attach the axle bracket with wheels in the same manner.

- Make sure all bolts and nuts are tightened.
THE BOTTOM DRUM
- Slide the bearing block on the shaft. Hold it in place with Ø 42 spiral ring.
- Carefully, and with two people, set the bottom drum with support arm onto the side supports of the stand as shown, so that the bearing blocks slot into the channels provided by the side supports. The larger diameter shaft should be at the leg end of the stand.
- At each side, line up the holes in the side support with those in the bearing block and insert a M8X65 hex bolt from one side, then a flat washer, lock washer and nut from the other side. Tighten with a wrench.

THE MIXING BLADES
Mount the mixing blades inside the bottom drum loosely as shown – Two holes are provided at the base of the drum into which a M8X20 bolt may be inserted from the outside. A leather washer, flat washer, lock washer and a nut should be threaded on loosely on the inside. The leather washer should be placed under the blade down against the drum.
NOTE: Two arrows are labeled on upper drum and bottom drum to make their position relative. If you have any difficulty in correctly positioning the mixing blades, it is helpful if you temporarily mount the upper drum on the top of the bottom drum, rotating it so that the two arrows line up.
THE UPPER DRUM
- Position the upper drum on bottom drum over the rim, making sure the mounting holes align in both as well as the labeled arrows.

- Insert a M8X20 cross headed screw into each mounting hole in the rim. Secure each bolt from below with a flat washer, lock washer and nut. Make sure the tightening process is carried out progressively.
- Secure the mixing blades to the upper drum by inserting two M8X20 cross headed screws, from the outside through the holes in the drum.
- A leather washer should be positioned inside between the drum and blade. Secure the mixing blade on the inside using a flat washer, spring washer and nut.
- Finally, ensure top and bottom mixing blade mountings are tight.
THE TIPPING BAR
- Slide the locking plate over the large diameter shaft at the leg end of the frame with the rim facing inwards as shown. Secure with two M8X25 bolts, each with a nut, lock and flat washers.

- Insert the spring into the bar pipe.
Holding it in place with a finger, place the bar over the larger diameter shaft so that the shaft retains the spring. Press down on bar until the holes in the bracket line up with the hole drilled. Insert a M10X65 hex bolt and screw on a nut with flat washers from the other side. Screw the nut up against the bracket firmly, but not so tightly so as to prevent the bar from pivoting about the bolt.
THE TRANSMISSION CASE
Lining up the keyways, slide the transmission case over the pinion shaft. Secure the case to the frame with four M8 lock nuts.
OPERATING INSTRUCTIONS
DRUM TILTING
The spring-loaded tipping bar with locking lugs provides an easy positive control of the drum which can be locked in the mix, discharge and stored position.
The drum is locked in position by lugs on the self-locating tipping bar/wheel which engage into the locking plate on the mixer frame. To tilt the drum, withdrawn the tipping bar to dis-engage the locking lugs. This then allows the tipping bar and drum to be turned in the same direction.
To retain the drum in position, aligning the lugs with the slots, release the tipping barl a little while retaining the drum. Rotate the tipping bar until the locking lugs engage into the locking plate on the mixer frame.
LOADING/MIXING POSITION
For Mortar
For Concrete
EMPTYING POSITION
STORAGE POSITION
LOADING
Completely unwind the extension cord. Connect it to the concrete mixer first before plugging in power supply.
Always start the mixer before loading the drum. Loading the drum with drum rotating.
Do not throw material into the mixer to avoid sticking firmly to the back of the drum. Trickle it steadily over the ram.
NOTE: A built-in thermal protector is arranged in the motor to prevent it from overheating. The thermal protector restores automatically when the motor cools down.
For best results, proceed as follows:
- Add the required amount of gravel into the drum.
- Add the required amount of cement into the drum.
- Add the required amount of sand into the drum.
- Pour the required amount of water into the drum.
EMPTYING
Do not turn mixer off while full of load. Emptying the drum with drum rotating.
CLEANING
Never put hands inside the drum with drum rotating.
Thoroughly clean the mixer at the end of each day’s operation. Keep your mixer clean. The slightest trace of material left in the drum will harden and attract more each time you use it until the machine is useless. Dried cement should be scraped out of the drum. Do not throw bricks into mixer drum to clean it out. Do not beat on the drum with a shovel, a hammer or other tools to break up accumulations of dried cement mix, as damage to the mixer may result. The drum may be scoured for approximate 2 minutes, using 1” gravel and water mixture. Then discharge the gravel/water mixture and hose down the drum assembly inside and out. The IP44D protection class construction of the concrete mixer enables you to hose down the drum assembly safely.
Do not pour or spray water directly over the motor cover, especially the openings in it.
Wipe off any external material on the motor cover. Do not use petrol, turpentine, lacquer or paint thinner, dry cleaning fluids or similar products. The use of chemical products or solvents may affect the properties of the cover which was made of high density polyethyiene PET.
MAINTENANCE INSTRUCTIONS
Ensure the extension cord is always unplugged before the motor cover is removed.
The drive belt is under constant even tension by a spring loaded jockey. No adjustment apart from a touch of grease on the spindle.
The bearings are sealed for life.
The wiring diagram and parts schematic in this manual are as reference tools only. Neither the manufacturer nor distributor makes any representation or warranty of any kind to the buyer that he or she is qualified to make any repairs to the product or that he or she is qualified to replace any parts of the product. Only qualified technicians should repair the mixer. Any maintenance and repairs carried out, to any of the electric components must be undertaken by a qualified electrician.
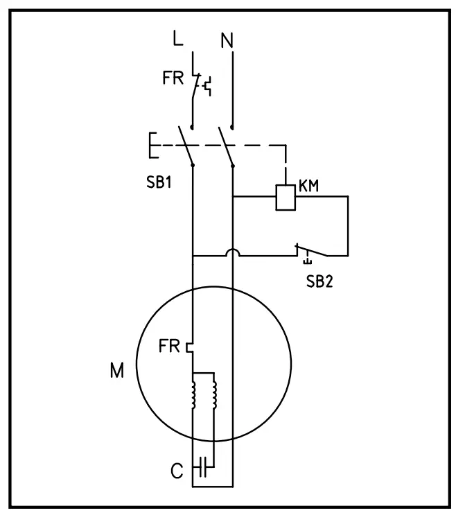
Parts in a circle should only be fitted by a qualified electrician.
WIRING DIAGRAM

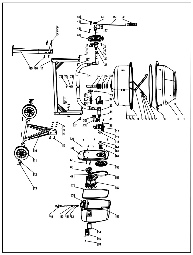
PARTS SCHEMATIC

PARTS LIST
WARNING: When servicing, use only original equipment replacement parts. The use of any other parts may create a safety hazard or cause damage to the log splitter.
Any attempt to repair or replace electrical parts on this log splitter may create a safety hazard unless repairs are performed by a qualified technician. Customer Service / Tech Support 1-866-206-0888.
| No. | Description | Qty. |
| 1 | Cross Headed Screw M8x20 | 10 |
| 2 | Waterproof Washer | 4 |
| 3 | Flat Washer 8 | 22 |
| 4 | Spring Washer 8 | 18 |
| 5 | Nut M8 | 18 |
| 6 | Upper Drum | 1 |
| 7 | Mixing Blade | 2 |
| 8 | Rubber Gasket | 1 |
| 9 | Lower Drum | 1 |
| 10 | Axle Bracket | 1 |
| 11 | Wheel | 2 |
| 12 | Flat Washer 27 | 4 |
| 13 | Cotter Pin 5X40 | 4 |
| 14 | Frame | 1 |
| 15 | Support Leg | 1 |
| 16 | Bolt M8X70 | 4 |
| 17 | Bearing Block – Right | 1 |
| 18 | Circlip 42 | 1 |
| 19 | O-Ring | 1 |
| 20 | Gear Guard – Long | 1 |
| 21 | Drive Shaft | 1 |
| 22 | Sleeve Pipe | 2 |
| 23 | Cradle | 1 |
| 26 | Bearing 6206 | 2 |
| 27 | Circlip 62 | 3 |
| 28 | Circlip 30 | 1 |
| 29 | Lock Pin 5X40 | 1 |
| 30 | Self Tapping Screw ST4.2X13 | 3 |
| 31 | Drive Pinion | 1 |
| 32 | Gear Guard – Short | 1 |
| 33 | Circlip 42 | 1 |
| 34 | Bearing 6202 | 2 |
| 35 | Circlip 15 | 1 |
| 36 | Lock Nut M8 | 4 |
| 37 | Bolt M8X65 | 2 |
| 38 | Circlip 38 | 2 |
| 39 | Bearing Block – Left | 1 |
| 40 | Lock Nut M10 | 1 |
| 41 | Flat Washer 10 | 2 |
| 43 | Spring | 1 |
| 44 | Hex head bolt M10X65 | 1 |
| 45 | Tipping Bar | 1 |
| 46 | Handle Grip | 1 |
| 47 | Bolt M8X25 | 5 |
| 48 | Locking Plate | 1 |
| 49 | Power Cord | 1 |
| 50 | Strain Relief Nut | 1 |
| 51 | Strain Relief Rubber | 1 |
| 52 | Strain Relief Bolt | 1 |
| 53 | Strain Relief Nut | 1 |
| 54 | Gasket, Switch | 1 |
| 55 | Switch | 1 |
| 56 | Motor Cover | 1 |
| 57 | Motor | 1 |
| 58 | Idle Pulley | 1 |
| 59 | Belt | 1 |
| 60 | Bearing 6906 | 2 |
| 61 | Snap Washer – Hole 47 | 1 |
| 62 | Self Tapping Screw ST4.2X16 | 6 |
| 63 | Circlip 30 | 1 |
| 64 | End Plate | 1 |
| 65 | Bolt M8X25 | 3 |
| 66 | Motor Mount Bracket, End Plate | 1 |
| 67 | Gasket | 1 |
| 68 | Self Tapping Screw ST3.5X16 | 2 |
| 71 | Oil seal 62x35x8 | 1 |
| 72 | Fixed Shaft | 1 |
| 73 | Washer | 1 |
| 74 | Spring Washer 12 | 1 |
| 75 | Bolt M12x35 | 1 |
WARRANTY
BENCHMARK CEMENT MIXER WARRANTY
If this Benchmark tool fails due to a defect in material or workmanship within five years from the date of purchase, return it to any Home Hardware store with the original bill of sale for exchange. This warranty does not include expendable parts including but not limited to blades, brushes, belts, light bulbs and/or batteries. This warranty covers defects in material or workmanship only. It does not cover normal wear and tear, failure due to abuse/misuse, or defects caused by careless or accidental mishandling. If this Benchmark product is used for commercial or rental purposes, this warranty does not apply.
EXCLUSIVE TO HOME HARDWARE
For information on the entire lineup of Benchmark power tools visit homehardware.ca or your local Home Hardware retail store.




































