BORMANN BMX1205 Concrete Mixer Electric User Manual
SAFETY PRECAUTIONS
Read and understand the user’s manual and all labels a ffi xed to the concrete mixer. Learn the machine’s application and limitations as well as the potential hazards from using it. Become familiar with all controls before operating this mixer.

Personal safety
Do not operate the mixer while under the infl uence of alcohol, any medication or other substances that could affect your ability to use it properly. Do not use this mixer when you are tired or distracted from the job at hand. Watch what you are doing at all times. Use common sense. Dress properly. Do not wear loose clothing, gloves, necklaces or jewelry. They can be caught in moving parts and lead to injury. You are strongly advised to wear protective electrical insulated gloves and non slip footwear when using the mixer. Wear protective hair covering to contain long hair, to prevent it from getting caught in machinery. Wear a face or dust mask if you are working in dusty conditions. Always wear safety goggles and/or face shields. Common glasses do not have impact resistant lenses. They are not safety glasses.
Work area safety Make sure there is adequate surrounding workspace. Keep your work area clean and well lighted. Cluttered areas invite injuries. Keep the area around the mixer clear of obstructions, grease, oil and other debris. Only use or operate the mixer on solid, flat, level ground that cart support the weight of the mixer and its load to prevent the mixer from tipping over. Do not attempt to move the mixer when it is loaded and/or in operation. Keep unauthorized people and bystanders away from the mixer. Do not allow children to handle or climb on the mixer.

Electrical safety
Do not abuse the power cord. Never carry mixer by cord or yank it to disconnect it from socket. Keep cord away from heat, oil and sharp edges. Make sure that the electrical circuit is adequately protected and that it corresponds to the power, voltage.and frequency of the motor.
Incorrect use of extension cables can lead to improper operation of the mixer, overheating and damage of motor. Extension cables may not exceed 50 metres in length. The cable cross-section should b 1.,5 mm2 at 230 w sufficient current flow to the motor. Only use extension cords intended for outdoor use that follow the HO7RN-F specification
Ensure that any extension cable connections are dry and secure. Avoid the use of loose insufficientkr i sul ections. Connections must be made with materials suitable for outdoor use.✓ Ensure that the extension cable is carefully positioned, avoiding wet spots, sharp edges and tsiclemss through.
Avoid trapping the extension cable under the mixer.
Be sure to completely unwind the extension cord to avoid overheating and the risk of fire. Do not plug or unplug the mixer while on or around wet or damp ground.
Do not operate the mixer i fWr da reas and do not expose it to rain.
Avoid body contact with grounded surfaces: pipes, radiators, hobs and refrigerator housings.
Make sure that your fingers do not touch the metal parts of the plug when connecting or disconnecting the mixer from the power outlet.

General safety precautions
Check your mixer thoroughly before turning it on. Check all bolts, nuts, and screws for tightness before each use, especially those securing guards and drive mechanisms. Vibration during mixing may cause them to loosen. Keep guards in place and in working order. Replace damaged, missing or failed parts before using the mixer. Do not plug the mixer in with the motor cover off. Always check that all the adjusting tools, shovels, hand trowels and other tools/equipments are removed from the mixer area before turning the machine on. Warning labels carry important information. Contact your local dealer to replace missing or damaged warning labels.

Concrete mixer safety precautions
Do not overreach. Keep proper footing and balance at all times when loading or unloading the mixer.
Never lean or stand on mixer. Serious injury could occur if the mixer is tipped or if the moving parts are unintentionally contacted.
Do not store anything above or near the mixer where someone has to stand on the mixer to reach it.
Keep hands out of the way of all moving parts. Do not place any part of your body or any tool, like shovel in the drum during operation.
When operating, do not pass hands through the gaps between the frame or the drum and the support arm. Do not force the mixer. Always work within the rated capacity. The mixer will do a better and safer job at its design rate. This mixer is intended for the production of concrete, mortar and plaster.
Do not use the mixer for a purpose for which it was not intended.
The mixer is not suitable for the mixing of flammable or explosive substances. Do not use it in areas where fumes from paint, solvents or flammable liquids pose a potential hazard. Do not start the motor if the drum is fully loaded.
Do not turn the mixer off while the drum is full of concrete. Never leave the mixer running unattended. Stay near the machine until it has come to a complete stop when turning it off.
Disconnect from power supply when not in use, before moving, making adjustments, changing parts, cleaning, or working on the mixer.
Never open the motor cover before unplugging the mixer.
The mixer is not to be towed by any vehicle.
Maintenance and storage
Maintain your mixer with care. Clean/the mixer immediately after use. Keep the mixer clean for best and safest performance. Any service work must be performed only by qualified repair personnel. Service or maintenance by unqualified personnel could result in a risk of injury. When servicing a tool, use only identical replacement parts and follow the instructions in the manual. When not in use, the mixer should be stored in a dry location to inhibit rust. Store the mixer away from children and persons not qualified to use it.

Environmental disposal
Dispose of any remaining materials at an authorised collection point or follow the regulations of the country where the mixer is used. t\ Do not dispose of materials down the draon thcamdoer.
SPECIFICATIONS
| Technical Data | |
| Model | BMX1205 |
| Power | 550W |
| Drum capacity | 125L |
| Drum thickness upper/lower | 1.1/1.7mm |
| Drum diameter | 570mm |
| Drum mouth diameter | 380mm |
| Ring gear & cogwheel material | Cast iron |
| Thermal protection | 130° |
| Protection level | 1P44 |
| Weight | 50Kg |
Electrical connection
This mixer Is double insulated (Protection class II) and has a protection rating of IP44.
Double insulation eliminates the need for a three-wire grounded power cord and grounded power supply system. Tools with double insulation can use either a two or thre wire extension cab
The insulation will only r e if original parts are used for future repairs.
CAUTION I Do not connect either cords to the earth pin.
The use of a Residual Current Device (RCD) on a 230V circuit is recommended.
- The manufacturer reserves the right to make minor changes to product design and technical specifications without prior notice unless these changes significantly affect the performance and safety of the products. The parts described / illustrated in the pages of the manual that you hold in your hands may also concern other models of the manufacturer’s product line with similar features and may not be included in the product you just acquired.
- To ensure the safety and reliability of the product and the warranty validity, all repair, inspection, repair or replacement work, including maintenance and special adjustments, must only be carried out by technicians of the authorized service department of the manufacturer.
- Always use the product with the supplied equipment. Operation of the product with non-provided equipment may cause malfunctions or even serious injury or death. The manufacturer and the importer shall not be liable for injuries and damages resulting from the use of non-conforming equipment.
ASSEMBLY
It is recommended that two people assist in assembling the machine.
Make sure you can identify all the parts appearing on Images I. and II. and assemble the concrete mixer following the instructions.
Stand (Images IV, V, VI)



- With a split pin inserted into the inner holes in each stub axle, place a flat washer, then a wheel followed by another flat washer. Insert another split pin into the axle holes outside each flat washer. Bend each side of the pins outward so they do not fall out. (Image IV)
- With the frame lying on its side, attach the support leg as shown. Insert two M8X70 hex bolts through the holes from one side, then flat washers, lock washers and nuts from the other side. (Image V)
- Turn the frame over and attach the axle bracket with wheels in the same manner. (Image VI)
- Make sure all bolts and nuts are tightened.
Bottom drum (Image VII)
- Slide the bearing block on the shaft. Hold it in place with 42cm spiral ring.
- Carefully, and with two people, set the bottom drum with support arm onto the side supports of the stand as shown, so that the bearing blocks slot into the channels provided by the side supports. The larger diameter shaft should be at the leg end of the stand.
- At each side, line up the holes in the side support with those in the bearing block and insert a M8X65 hex bolt from one side, then a flat washer, lock washer and nut from the other side. Tighten with a wrench.
Mixing blades (Image VIII)
Mount the mixing blades inside the bottom drum loosely as shown. Two holes are provided at the base of the drum into which a M8X16 bolt may be inserted from the outside. A leather washer, flat washer, lock washer and a nut should be threaded on loosely on the inside. The leather washer should be placed under the blade down against the drum.
NOTE: Two arrows are positioned on the upper drum and bottom drum to mark their place. If you have any difficulty in correctly positioning the mixing blades, temporarily mount the upper drum on the top of the bottom drum, and rotate it so that the two arrows line up.
Upper drum (Image IX)
- Position the upper drum on bottom drum over fie rim, making s
- Screw a M8X16 hex bolt with lock and flat washers into each th
- Secure the mixing blades to the upper drum by inserting two 9
- A leather washer should be positioned inside between the drum a
- Finally, ensure top and bottom mixing blade mountings are tigunting holes align in both as well as the labeled arrows. the rim/ring gear. Make sure the tightening process is carried out progressively. ailed screws, from the outside through the holes in the drum. Secure e mixing blade on the inside using a flat washer, spring washer and nut.
Tipping wheel (Images X, XI)

- Slide the locking plate over the large diameter shaft at the leg end of e
- The spring is clamped in its holder by a U shaped plate for easier assembly. e the eel over the eget-diameter shaft until the holes in the bracket line up with the hole drilled. Insert a M10X60 hex bolt and screw on a nut with flat and lock washers from the other side. Screw the nut up against the bracket firmly, but not so tightly so as to prevent the wheel from pivoting about the bolt. Free the spring by removing theil shaped plate. (Image XI)
NOTE: The wheel must be allowed to pivot about the bolt so that the lugs on the bracket can be engaged or ditengaged from the slots in the locking plate.
Transmission case (Image XII)
Lining up the keyways, slide the transmission case over the pinion shaft. Secure the case to the frame with four M8 nuts.
OPERATION
Drum tilting
The spring-loaded tipping wheel with locking lugs provides an easy positive control of the drum which can be locked in the mix, discharge and stored position. The drum is locked in position by lugs on the self-locating tipping wheel which engage into the locking plate on the mixer frame. To tilt the drum, withdrawn the tipping wheel to disengage the locking lugs. This then allows the tipping wheel and drum to be turned in the same direction.
To retain the drum in position, aligning the lugs with the slots, release the tipping wheel a little while retaining the drum. Rotate the tipping wheel until the locking lugs engage into the locking plate on the mixer frame.
Completely unwind the extension cord. Connect it to the concrete mixer first before plugging in power supply.
Always start the mixer before loading the drum. Load the mixer with the drum rotating.
Do not throw material into the mixer to avoid sticking firmly to the back of the drum. Trickle it steadily over the ram.
A built-in thermal protector exists in the motor to prevent it from overheating. The thermal protector resets automatically when the motor cools down.
Loading / Emptying
For best results, proceed as follows:
- Add the required amount of gravel into the drum.
- Add the required amount of cement into the drum.
- Add the required amount of sand into the drum.
- Pour the required amount of water into the drum.
Loading / Mixing position Mortar
Loading / Mixing position ret
Emptying position
Do not turn mixer off while full of load. Empty the drum while it is rotating.
Never put arms or hands inside a rotating drum.
Cleaning
Thoroughly clean the mixer at the end of each operation. Always keep your mixer clean between operations. The slightest trace of material left on the drum will harden and build up every time you use the machine until it is no longer functional. Dried cement should be carefully scraped out of the drum. Do not use a a shovel, a hammer or other tools to forcefully break up accumulations of dried cement mix in the drum, as they might seriously damage the mixer. The drum may be cleansed for approximate 2 minutes, using a gravel and water mixture. After ravel/water mixture, hose down the drum assembly inside and out. The IP44 protection of the mixer, enables you to freely use water on
Do not pour or spray water directly over the motor cover. Be especially careful no he ventilation openings.
Wipe the motor cover with a dry cloth. Do not use gasoline, turpentine or paint thinner, or similar products when cleaning the mixer. The use of chemical products or solvents may affect the properties of the cover which was made of High Density Poly-Ethylene (PET).
MAINTENANCE
Ensure the extension cord is always unplugged before the motor cover is removed.
The drive belt is under constant and even tension from a spring-loaded jockey. No adjustment needed other than a little lubricant on the shaft once in a while. The bearings are sealed for life.
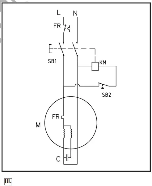
The wiring diagram (Image III) and component diagram in this manual are for reference purposes only. Neither the manufacturer nor the distributor makes any warranty to the purchaser that the purchaser is qualified to make any repairs to the product or that the purchaser is qualified to replace any components of the product. Only qualified technicians should repair the mixer.
Any maintenance and repair performed on any of the electrical components must be performed by a qualified electrician.
WARRANTY EXEMPTIONS AND RESTRICTIONS
- Spare parts that wear out naturally as a consequence of bein
- Tools damaged as a result of non-compliance with the instructio 3) Tools poorly maintained.
- Use of improper lubricants or accessories. 5) Tools given to third entities free of charge.
- Damage due to an electrical connection at a voltage other than that indicate
- Connection to a non-earthed power supply.
- Change in current voltage.
- Damage resulting from the use of salty water (e.g., washing machines, pumps).
- Damage or malfunction resulting from improper cleaning procedure of the tool.
- Contact of the tool with chemicals, or damage as a result of moisture or corrosion.
- Tools that have been modified or opened by unauthorized personnel.
- Tools used for rent. chargers, chokes etc.).
The warranty covers only the free of charge replacement of the component that presents a manufacturing defect or material failure. In case of lack of a specific spare part the company reserves the right to replace the tool with another corresponding model. Aft er all warranty procedures have been concluded, the warranty period of the tool shall not be extended or renewed. Replacement of a spare part with repair charge is covered by a 1 year warranty of good operation, subject to compliance with the warranty terms. The spare parts or tools that are replaced remain in the possession of our company. Requirements, other than those in this warranty form, regarding power tools repair or damage thereof, do not apply. Greek law and relative apply to this warranty.
WARRANTY
This appliance is a quality product. It was designed in compliance with current technical standards and made carefully using normal, good quality materials. The warranty period is 24 months for non-professional use and 12 months for professional use and commences on the date of purchase, which can be verified by the receipt, invoice or delivery note. During this warranty period all func-tional errors, which, despite the careful treatment described in our operating manual, are verifiably due to material flaws, will be rectified by our after-sales service staff. The warranty takes the form that defective parts will be repaired or replaced with perfect parts free of charge at our discretion. Replaced parts will become our property. Repair work or the replacement of individual parts will not extend the warranty period not will it result in a new warranty period be-ing commenced for the appliance. No separate warranty period will commence for spare parts that may be ted. We cannot offer a warranty for damage and defects on appliances or their parts caused by the use of excessive force, im-proper treatment and servicing. This also applies for failures to comply with the operating manual and the installation or spare and accessory parts that are not included in our range of products. In the event of interference with of modifica-tions to the appliance by unauthorized persons, the warranty will be rendered void. Damages that are attributable to improper handling, over loading, or nat-ural wear and tear are excluded from the guarantee. Damages caused by the manufacturer or by a material defect will be corrected at no charge by repair or by providing spare parts. The prerequisite is that the equipment is handed over assembled, and complete with the proof of sale and guarantee. For a guar-antee claim, only use the original packaging tay, we can guarantee quick and smooth guarantee processing. Pleas appliances post-paid or- request a Freeway sticker. Unfortunat ,o‘-‘ to accept appliances that are not postpaid. The warranty s p are subject to nat-ural wear and tear. If you wish tom- – awrranyclatrp, r faults or order spare parts or accessories, please center: Subject to change without prior notice.






















