
USER MANUAL
ZIPPER MASCHINEN GmbH
Gewerbepark 8
4707 SchliissIberg I AUSTRIA
+43 (0) 7248 61116-700 I FAX 7248 61116-720
[email protected] I www.zipper-maschinen.at

ZI-BTM160
EAN : 91020039233390
ZI-BTM180
EAN : 9120039233406

![]()
SAFETY SIGNS
SAFETY SIGNS
DEFINITION OF SYMBOLS
CE-CONFORM: This product complies with EC-directives
READ THE MANUAL! Read the user and maintenance manual carefully and get familiar with the controls in order to use the machine correctly and avoid injuries and machine defects.
ATTENTION! Ignoring the safety signs and warnings applied on the machine as well as ignoring the security and operating instructions can cause serious injuries and
even lead to death.
| General note | |
Protective clothing!![]() | |
| Stop and pull out the power plug before any break and engine maintenance! | |
![]() | Only trained staff! |
![]() ![]() | Set up and run the concrete mixer on a solid, level base only! |
![]() | Do not move the concrete mixer during operation! |
![]() | Do not reach into the drum when it is running! |
| High voltage! |
![]() | Warning of rotating parts! |
![]() | Warning against hand injuries (bruises)! |
![]() | Protect the motor from moisture! |
![]() | Keep safety distance! |
![]() | Protection class II! |
TECHNIC

ZI-BTM160 ZI-BTM180 | |||
| 1 | Drum | 6 | Transport handle |
| 2 | Motor | 7 | Sprocket |
| 3 | ON-OFF-Switch | 8 | Grating disc |
| 4 | Transport wheels | 9 | Swiveling wheel |
| 5 | Base | 10 | Tension spring |
Delivery Content

Technical data
| Technical Data | ||
| ZI-BTM160 | ZI-BTM180 | |
| Voltage | 230 V / 50 Hz | 230 V / 50 Hz |
| Motor power | 650 W (S6 30%) | 800 W (S6 30%) |
| Protection class | II ![]() | II ![]() |
| Drum capacity | 160 l | 180 l |
| Drum speed | 29.5 min-1 | 29.5 min-1 |
| Protection mode | IP 45D | IP 45D |
| Dimension | 1200 x 710 x 1370 mm | 1200 x 710 x 1400 mm |
| Weight | 57 / 62 kg | 58/ 63 kg |
| Sound pressure level | <71 dB (A) k: 3dB(A) | <71 dB (A) k: 3dB(A) |
| Sound power level | <95 dB(A) k: 3dB(A) | <95 dB(A) k: 3dB(A) |
ASSEMBLING
Please check the product contents immediately after receipt for any eventual transport damage or missing parts. Claims from transport damage or missing parts must be placed immediately after initial machine receipt and unpacking before putting the machine into operation. Please understand that later claims cannot be accepted anymore.
Assembling
Slide the wheels over the stub axles. Secure with hairpin retainers.

Mounting support leg

With the frame lying on its side, attach the support leg as shown. Insert 2 M8x70 hex bolts through the holes from one side, then flat washers, lock washers, lock washers, and nuts from the other side. Slide the spring on the lower plunger rod. Connect the plunger rods with an M6x25 hex bolt and nut. Hold the spring in place by inserting a split pin. Bend each side of the pin outward. Tighten down.
The mounting frame on the wheel
Turn the frame over and attach the axle bracket with wheels in the same manner.
Mounting the drum (lower part) on the frame

Slide the bearing block on the shaft. Hold it in place with a ø42 spiral ring. Carefully, set the bottom drum with support arm onto the side supports of the stand as shown, so that the bearing blocks slot into the channels provided by the side support. The larger diameter shaft should be on the bottom bracket. Line up the holes in the side support with those in the bearing block and insert an M8x65 bolt and tight it with a flat washer, lock washer, and nut from the other side. Place the upper bracket on the larger diameter shaft with the holes lining up with the ones in the bottom bracket. Insert two M8x20 bolts through the holes, then the flat washers, lock washers, and nuts from below.
Mounting the mixer

Mount the mixing blades inside the bottom drum loosely as shown- Two holes are provided at the base of the drum into which an M10x20 bolt may be inserted from the outside. leather washer, flat washer, lock washer, and a nut should be threaded loosely on the inside. The leather washer should be placed under the blade down against the drum.
Mounting the drum (upper part) on the frame

Position the upper drum on the bottom drum over the rim, making sure the mounting holes align in both as well as the labeled arrows. Screw an M8x16 hex bolt with lock and flat washers into each threaded hole in the rim/ring gear. Make sure the tightening process is carried out progressively. Secure the mixing blades to the upper drum by inserting two M10x20 cross-headed screws from the outside through the holes in the drum.
A Leather washer should be positioned inside between the drum and blade. Secure the mixing blade on the inside using a flat washer, spring washer, and nut. Finally, ensure top and bottom mixing blade mountings are tight.
Mounting the swiveling wheel

Install the tipping wheel with a locking plate on the frame flange with two M8x20 hex bolts each with a flat washer, lock washer, and nut.
Mounting motor housing

Lining up the keyways, slide the transmission case over the pinion shaft. Screw a nut with flat and lock washers on each stud bolt. Secure the lower case bracket to the side support frame by inserting an M8x70 from one side, then a flat washer, lock washer, and nut from the other side.
Power supply
ATTENTION
When working with non-grounded machines: Severe injury or even death may arise through electrocution!
Therefore: The machine must be operated at a grounded power socket
The connection of the machine to the electric power supply and the following checks have to be carried out by a respectively trained electrician only!
- The electronic connection of the machine is designated for operation with a grounded power socket!
- The connector plug may not be manipulated.
- The mains supply must be secured with 16A:
- Check, whether the feeding voltage and the Hz comply with the required values of the machine. A deviation of feeding voltage of ±5% is allowed.
- After connecting check the right running direction
- Make sure that a possible extension cord is in good condition and suitable for the transmission of power. An undersized cord reduces the transmission of power and heats up.
- A damaged cable must be replaced immediately
NOTICE | ||
| Operation is only allowed with a safety switch against stray current (RCD max. stray current of 30mA) | ||
NOTICE | ||
| Use only permitted extension cable with cross-section the one in the following table declared. | ||
| Voltage | Extension | Cross-section |
| 220 V-240 V 50 Hz | <27 m | 1,5 mm2 |
| <44 m | 2,5 mm2 | |
| <70 m | 4,0 mm2 | |
| <105 m | 6,0 mm2 |
PREFACE
Dear Customer!
This manual contains important information and advice for the correct and safe use and maintenance of the concrete mixer ZI-BTM160 and ZI-BTM180.
Following the usual commercial name of the machine (see cover) is substituted in this manual with the name “machine”.
The manual is part of the machine and may not be stored separately. Read it profoundly before the first use of the machine and keep it for later reference. When the machine is handed to other persons always put the manual to the machine.
Please follow the security instructions!
Please read the entire manual, to prevent misunderstandings, machine damage, or even injuries!
Due to the continuous development of our product’s illustrations, pictures might differ slightly.
If you however find errors in this manual, please inform us.
Technical changes excepted!
Copyright law
© 2018
This manual is protected by copyright law – all rights reserved. Especially the reprinting as well as the translation and depiction of pictures will be prosecuted by law. The Court of jurisdiction is the Landesgericht Linz or the competent court for 4707 Schlüsslberg, AUSTRIA.
Customer Support
ZIPPER MASCHINEN GmbH
Gewerbepark 8, 4707 Schlüsslberg
AUSTRIA
Tel.: +43 7248 61116-700
Fax: +43 7248 61116–720
Mail: [email protected]
SAFETY
Intended Use
The machine must only be used for its intended purpose! Any other use is deemed to be a case of misuse.
To use the machine properly you must also observe and follow all safety regulations, the assembly instructions, operating and maintenance instructions lay down in this manual. All people who use and service the machine have to be acquainted with this manual and must be informed about the machine’s potential hazards.
It is also imperative to observe the accident prevention regulations in force in your area.
The same applies to the general rules of occupational health and safety.
The machine is used for concrete and mortar production.
Any manipulation of the machine or its parts is a misuse, in this case, ZIPPER-MASCHINEN and its sales partners cannot be made liable for ANY direct or indirect damage.
Even when the machine is used as prescribed it is still impossible to eliminate certain residual risk factors.
Ambient conditions
The machine may be operated:
humidity max. 70%
temperature +5°С to +40°С (+41°F to +104°F)
The machine shall not be operated in areas exposed to increased fire or explosion hazards.
Prohibited use
- The operation of the machine outside the stated technical limits described in this manual is forbidden.
- Operation of the machine with an open motor cover is prohibited.
- The use of the machine not being suitable for the use of the machine and not being certified is forbidden.
- Any manipulation of the machine and parts is forbidden.
- The use of the machine for any purposes other than described in this user manual is forbidden.
- The unattended operation of the machine during the working process is forbidden!
- It is not allowed to leave the immediate work area during the work is being performed.
- The machine is not permitted for the processing of food!
- Any other utilization counts as improper use especially mixing combustible or explosive materials is forbidden
11.2 Security instructions
Missing or non-readable security stickers have to be replaced immediately!
The locally applicable laws and regulations may specify the minimum age of the operator and limit the use of this machine!
To avoid malfunction, machine defects, and injuries, read the following security instructions!
![]() |
|
| |
| |
![]() |
|
![]() |
|
NOTICE | |
Emergency procedure A first-aid kit in accordance with ISO 3864 should always be readily available for a possible accident. Initiatetheviolationin accordance with the necessary first aid measures. When requesting support, provide the following details: | |
| 1. Place of accident | 2. Type of accident |
| 3. Number of injured people | 4. Injury type(s) |
11.3 Remaining risk factors

WARNING |
| It is important to ensure that each machinehasremaining risk. In the execution of all work(even the simplest) greatest attention is required. A safe working depends on you! |
Even if the machine is used as required it is still impossible to eliminate certain residual risk factors totally. The following hazards may arise in connection with the machine´s construction and design: Despite correct and proper use and maintenance there remain some residual risk factors:
- Risk of injury to the hands/fingers by the rotating drum during operation.
- Risk of injury: hair and lose clothing, etc. can be captured and wound up! Safety regulations must be observed with regard to clothing.
- Risk of injury due to contact with live electrical components.
- Risk of injury by tipping the machine
- Risk of injury due to dust emissions from cement or additives
These risk factors can be minimized through obeying all security and operation instructions, proper machine maintenance, proficient and appropriate operation by persons with technical knowledge and experience.
OPERATION
Device to be operated in a perfect state only. Inspect the device visually every time it is to be used. Check in particular the safety equipment, electrical controls, electric cables, and screwed connection for damage and if tightened properly. Replace any damaged parts before operating the device.
12.1 Operation instructions
| WARNUNG |
| Perform all machine settings with the machine being disconnected from the power supply! |
| HINWEIS |
|
12.2 Operation
Switch On-Off:
Plug the machine into a socket.
Push „I“ (green button) to switch on
Push „0“ (red button ) to switch off

Swiveling the drum:
The tipping wheel provides easy positive control of the drum which can be locked in the mix, discharge, and storage position.
The drum is locked in position by a self-locating plunger that engages the tipping wheel. To tilt the drum, the locking plunger must be disengaged by pressing down the foot pedal. This allows the tipping wheel and drum to be turned in the same direction. To retain the drum in position, align the slot with the plunger, release the foot pedal and rotate the tipping wheel until the self-locating locking plunger engages into the tipping wheel.
Filling:
Before filling the drum, ensure that the opening is aligned in such a way that the mixture cannot fall out of the drum. Put the mixture in when the drum is rotating (do not overfill the drum!)

Mixing:
Adjust the drum a little bit lower.
Thus a good mixing result is achieved

Emptying:
Swivel the drum in the downward direction to empty it.
Ensure that there is an adequate container under the drum (e.g., wheelbarrow).
Ensure that no mixture falls on the ground

ATTENTION!
The full drum is heavy!
Storage and breaks: Adjust the drum in the downward direction

MAINTENANCE
![]()
| ATTENTION |
| Don’t clean or do maintenance on the machine while it is still connected to the power supply: Damages to machines and injuries might occur due to unintended switching on of the machine! Therefore: Switch the machine off and disconnect it from the power supply before any maintenance works or cleaning is carried out |
The machine does not require extensive maintenance. If malfunctions and defects occur, let it be serviced by trained persons only.
Before the first operation as well as later on every 100 operation hours you should lubricate all connecting parts (if required, remove beforehand with a brush all dust).
Check regularly the condition of the security stickers. Replace them if required.
Check regularly the condition of the machine.
The good condition and perfect adjustment of the guiding rollers are essential for smooth band guidance and a clean cut.
Store the machine in a closed, dry location.
| NOTICE |
| Clean your machine regularly after every usage – it prolongs the lifespan of the machine and is a prerequisite for a safe working environment. Repair jobs shall be performed by respectively trained professionals only! |
13.1 Maintenance plan
After each work shift:
- Clean the machine, especially the drum
After 25 hours of operation - Grease the sprocket
- Check the tension of the v-belt
13.2 V-Belt adjusting
Remove the cover of the motor housing, check the belt tension (on pressing the belt with the finger, it should yield by approx. 5mm.)
Belts are worn and torn parts that must be replaced after a certain period. If necessary, detach the screws on the motor, replace the belt, adjust the correct tension and tighten the screws again.
Reinstall the motor cover.
13.3 Transport
Set the filling opening downwards.
Lift the machine at the transport handles and move the machine
During transportation by motor vehicle, remove the screws and fold the stands.
Lock the mixer with a strap to prevent displacement
13.4 Cleaning
Clean the drum with water after each use of the concrete mixer.
Remove cement and mortar residues. Do not tap the motor casing and drum with a shovel or any other hard object, as these can be damaged.
TIP: Fill the drum with water and a little crushed stone or gravel and turn on the machine.
Empty after a few minutes.
| NOTICE |
| The usage of certain solutions containing ingredients damaging metal surfaces as well as the use of scrubbing agents will damage the machine surface! Clean the machine surface with a wet cloth soaked in a mild solution |
13.5 Disposal
Do not dispose of the machine in residual waste. Contact your local authorities for information regarding the available disposal options. When you buy at your local dealer for a replacement unit, the latter is obliged to exchange your old
TROUBLESHOOTING
BEFORE YOU START WORKING ON THE ELIMINATION OF DEFECTS, DISCONNECT THE MACHINE FROM THE POWER SUPPLY.
Trouble | Possible cause | Solution |
| The motor does not start |
|
|
|
| |
|
| |
| Motor grows, runs but does not start |
|
|
|
| |
| The machine starts but gets blocked under a small load and switches automatically off |
|
|
|
| |
| The contact pressure of the swiveling wheel is too loose |
|
|
| The drum does not rotate after starting the machine |
|
|
MANY POTENTIAL SOURCES OF ERROR CAN BE CLEARED BY THE EXPERTLY CONNECTION TO THE ELECTRICITY GRID.
| NOTICE |
| Should you in necessary repairs not able to properly to perform or you have not the prescribed training for it always attract a workshop to fix the problem. |
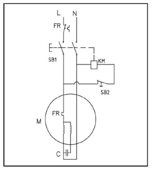
WIRING DIAGRAM

SPARE PARTS
spare parts order
With original ZIPPER spare parts, you use parts that are attuned to each other to shorten the installation time and elongate the lifespan of your machine.
| I M P O R T A N T |
| The installation of other than original spare parts voids the warranty! So you always have to use original spare parts |
When you place a spare parts order please use the service form you can find in the last chapter of this manual.
Always take a note of the machine type, spare parts number, and part name. We recommend copying the spare parts diagram and marking the spare part you need.
You find the order address in the preface of this operation manual.
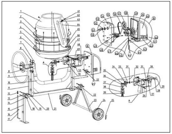
explosion drawing

| spare parts list | |||||||
| Item No | size | Description | quantity | Item No | size | Description | quantity |
| 1 | Upper Drum | 1 | 33 | 14X1.5 | Acflusting Washer 14X1.5 | 3 | |
| 2 | M8X16 | But M8X16 | 10 | 34 | Drive Pinion | 1 | |
| 3 | Rubber Leather | 1 | 35 | 6X30 | Lock Pin 6X30 | 1 | |
| 4 | M8X12 | Bolt M8X12 | 5 | 36 | 6206 | Bearing 6206 | 2 |
| 5 | Cogwheel | 1 | 37 | 30 | Credit 30 | 1 | |
| 6 | Lower Drum | 1 | 38 | 62 | Credit 62 | 3 | |
| 7 | Bearing Block-up | 1 | 39 | Dustproof Cover | 1 | ||
| 8 | M8X20 | Bolt M8X20 | 2 | 40 | 3.5X16 | Self-tapping 3.5X16 | 2 |
| 8 | Flat Washer 8 | 24 | 41 | Switch | 1 | ||
| 8 | Spring Washer 8 | 2 | 42 | Gasket | 1 | ||
| M8 | Nut MB | 2 | 43 | Strain Relief | 1 | ||
| Tipping Wheel | 1 | 44 | Power Cord | 1 | |||
| 10 | Support A1111 | 1 | 45 | Strain Relief Cover | 1 | ||
| 11 | Stopping bar-up | 1 | 46 | Strain Relief Seal Cover | 1 | ||
| 12 | Spring | 1 | 47 | Strain Relief Nut | 1 | ||
| 13 | M6X25 | Bolt M6X25 | 1 | 48 | Motor Mount Bracket | 1 | |
| 14 | 8 | Flat Washer 8 | 2 | 49 | M8X30 | Bolt M8X30 | 3 |
| 15 | Frame | 1 | 50 | 47 | Credit 47 | 1 | |
| 16 | 4X20 | Split Pin 4X20 | 1 | 51 | 30 | Credit 30 | 1 |
| – | Stopping bar-down | 1 | 52 | 6906 | Bearing 6906 | 2 | |
| 18 | 8 | Spring Washer 8 | 2 | 53 | 4.8X16 | Self-tapping 4.8X16 | 9 |
| 19 | M8 | Nut M8 | 2 | 54 | End Plate | 1 | |
| 20 | M6 | Lock Nut M8 | 1 | 55 | Gasket | 1 | |
| 21 | Frame | 1 | 56 | Belt | 1 | ||
| 22 | M8X70 | Bolt M8X70 | 3 | 57 | Idle Pulley | 1 | |
| 8 | Flat Washer 8 | 3 | 58 | Motor | 1 | ||
| 8 | Spring Washer 8 | 3 | 59 | Fan | 1 | ||
| M8 | Nut M8 | 3 | 60 | Motor Cover | 1 | ||
| 23 | Axle Bracket | 1 | 61 | M10X20 | Bok M10X20 | 4 | |
| 24 | Wheel | 2 | 62 | ||||
| 25 | 4X90 | Split Pin R 4X90 | 2 | 63 | 10 | Spring Washer 10 | 4 |
| 26 | 64 | Mixing Blade | 2 | ||||
| 27 | 65 | M10 | Nut M10 | 4 | |||
| 28 | 42 | Credit 42 | 1 | 66 | 10 | Flat Washer 10 | 4 |
| 29 | 42 | 0-ring 42 | 1 | 67 | Gear Guard-Long | 1 | |
| 30 | M8 | Lock Nut V8 | 2 | 68 | Bearing Block – right | 1 | |
| 31 | 6202 | Bearing 6202 | 2 | 69 | Gear Guard-Short | 1 | |
| 32 | Drive Shaft | 1 | 70 | M8X65 | Bolt M8X65 | 1 | |
WARRANTY GUIDELINES
1.) Warranty:
Company ZIPPER Maschinen GmbH grants mechanical and electrical components a warranty period of 2 years for amateur use; and a warranty period of 1 year for professional use, starting with the purchase of the final consumer. In case of defects during this period, which are not excluded by paragraph 3, ZIPPER will repair or replace the machine at its own discretion.
2.) Report:
In order to check the legitimacy of warranty claims, the final consumer must contact his dealer. The dealer has to report in written form the occurred defect to ZIPPER. If the warranty claim is legitimate, ZIPPER will pick up the defective machine from the dealer. Returned shipping by dealers which have not been coordinated with ZIPPER, will not be accepted and refused.
3.) Regulations:
a) Warranty claims will only be accepted, when a copy of the original invoice or cash voucher from the trading partner of ZIPPER is enclosed in the machine. The warranty claim expires if the accessories belonging to the machine are missing.
b) The warranty does not include free checking, maintenance, inspection or service works on the machine. Defects due to incorrect usage of the final consumer or his dealer will not be accepted as warranty claims either. Some examples: usage of wrong fuel, frost damage in water tanks, leaving fuel in the tank during the winter, etc.
c) Defects on wear parts are excluded, e.g. carbon brushes, collection bags, knives, cylinders, cutting blades, clutches, sealings, wheels, saw blades, splitting crosses, riving knives, riving knife extensions, hydraulic oils, oil/air/fuel filters, chains, spark plugs, sliding blocks, etc.
d) Also excluded are damages on the machine caused by incorrect or inappropriate usage, if it was used for a purpose which the machine is not supposed to, ignoring the user manual, force majeure, repairs or technical manipulations by not authorized workshops or by the customer himself, usage of non-original ZIPPER spare parts or accessories.
e) After inspection by our qualified personnel, resulted in costs (like freight charges) and expenses for not legitimated warranty claims will be charged to the final customer or dealer.
f) In case of defective machines outside the warranty period, we will only repair them after advance payment or dealer’s invoice according to the cost estimate (incl. freight costs) of ZIPPER.
g) Warranty claims can only be granted for customers of an authorized ZIPPER dealer who directly purchased the machine from ZIPPER. These claims are not transferable in the case of multiple sales of the machine.
4.) Claims for compensation and other liabilities:
The liability of company ZIPPER is limited to the value of goods in all cases. Claims for compensation because of poor performance, lack, damages, or loss of earnings due to defects during the warranty period will not be accepted. ZIPPER insists on its right to the subsequent improvement of the machine.
Product experience form
We observe the quality of our delivered products in the frame of a Quality Management policy. Your opinion is essential for further product development and product choice. Please let us know about your:
– Impressions and suggestions for improvement.
– experiences that may be useful for other users and for product design
– Experiences with malfunctions that occur in specific operation modes
We would like to ask you to note down your experiences and observations and send them to us via FAX, E-Mail, or by post:
My experiences:
| name : product : purchase date : purchased from : Thank you for your kind cooperation! |
| CONTACT Z.I.P.P.E.R MASCHINEN GmbH 4707 Schlüsslberg, Gewerbepark 8 AUSTRIA Tel :+43 7248 61116 700 Fax :+43 7248 61116 720 [email protected] |
SERVICE FROM
Please tick one box from below:
service inquiry spare part inquiry guarantee claim
1. senders information (* required)
first name,——————————
family name————–
street, house number———————–
* PLZ, Ott / ZIP code, place———–
* Staat / country————————
* (Mobil)telefon / (mobile) phone International numbers with country code——————-
* E-Mail————————–
Fax ——————————-
2. tool information
machine type:—————
2.1 required spare parts
| Part No° | description | number |
2.2 problem description
Please describe amongst others the problem: What has caused the problem/defect, what was the last activity before you noticed the problem/defect? For electrical problems: Have you had checked your electric supply and the machine already by a certified electrician?
3. Additional information
INCOMPLETELY FILLED SERVICE FORMS CAN NOT BE PROCESSED! FOR GUARANTEE CLAIMS PLEASE ADD A COPY OF YOUR ORIGINAL SALES / DELIVERY RECEIPT OTHERWISE IT CAN NOT BE ACCEPTED. FOR SPARE PART ORDERS PLEASE ADD TO THIS SERVICE FORM A COPY OF THE RESPECTIVE EXPLODED DRAWING WITH THE REQUIRED SPARE PARTS BEING MARKED CLEARLY AND UNMISTAKABLE. THIS HELPS US TO IDENTIFY THE REQUIRED SPARE PARTS FASTLY AND ACCEL-LERATES THE HANDLING OF YOUR INQUIRY.
THANK YOU FOR YOUR COOPERATION!






























