ArduCam B0392 IMX219 Wide Angle M12 Lens

Specs
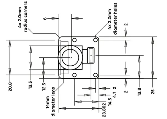
| Board Size | 25 × 24 mm |
| Weight | 8g |
| Still resolution | 8 Megapixels |
| Frame rate | 1080p30, 720p60 and 640 × 480p60/90 |
| Sensor | Sony IMX219 |
| Sensor resolution | 3280 × 2464 pixels |
| Sensor image area | 3.68 x 2.76 mm (4.6 mm diagonal) |
| Pixel size | 1.12 µm x 1.12 µm |
| Optical size | 1/4″ |
| Focal length | 2.5 mm |
| Horizontal field of view | 155 degrees |
| Diagonal field of view | 175 degrees |
| F.NO | 2.8 |
CopyRight
Specifications are subject to change without notice. No part of the specifications may be reproduced in any form or by any means or used to make any derivative such as translation, transtormation, or adaptation without permission from Arducam. All rights reserved.
MECHANICAL DRAWING 
CONNECT THE CAMERA
You need to connect the camera module to the Raspberry Pi’ s camera port.
- Locate the camera port near the USB C power connector, and gently pull up on the plastic edge.
- Push in the camera ribbon and make sure the silver connector is facing the Raspberry Pi camera MIPI port. Do not bend the flex cable and make sure it is firmly inserted.
- Push the plastic connector down while holding the flex cable until the connector is back in place.
SOFTWARE SETTING
Power on Raspberry Pi 4B and open the Terminal (Ctrl+ALT + T) Please make sure you are running the latest version of Raspberry Pi OS. (January 28th 2022 or later releases, Debian version: 11
(bullseye)). For Raspbian Bullseye users running on Pi 4, please do the following:
- Ed it the configuration file: sudo nanolbootlconfig.txt
- Find the line: camera_auto_detect=1, update it to:
- camera_auto_detect=O
- dtover/a =imx219
- Save and reboot.
For Bullseye users running on Pi 0-3, please also:
- Open a terminal
- Run sudo raspi-config
- Navigate to Advanced Options
- Enable Glamor graphic acceleration
- Reboot your Pi.
Operating The Camera
libcamera-still is an advanced command line tool for capturing still images with the IMX219 Camera Module. libcamera-sti/1 -t 5000 -o test.jpg
This command will give you a live preview of the camera module, and after 5 seconds, the camera will capture a single still image. The image will be stored in your home folder and named test.jpg.
- t 5000: Live preview for 5 seconds.
- o test.jpg: take a picture after the preview is over and save it as test.jpg If you only want to see the live preview, use the following command: libcamera-sti/1 -t 0
Please Note: This camera module supports the latest Raspberry Pi OS Bullseye (released on Jan 28th, 2022) and libcamera apps, not for the previous Raspberr y Pi OS (Legacy) users.
FURTHER INFOMATION
For further information, check the following link:
https://www.arducam.com/docs/cameras-for-raspberry-pi/raspberry-piii-bcamera-guide/
CONTACT US
- Email: [email protected]
- Forum: https://www.arducam.com/forums/
- Skype: arducam





















