
User Manual
Hot Dog Roller Grills
Model: 177RG1830, 177RG1830NS, 177RG1830SLT,
177RG1850NS AND 177RG1850SLT
Please read and keep these instructions. Indoor use only.
Product Features
- Avantco Equipment’s hot dog roller grills feature convenient temperature controls making them energy efficient and power saving.
- The high torque motor drive system is designed for long-lasting durability.
- The seven and eleven roller grills have separate controls for front and back rollers.
- The base is made of stainless steel with an extractable stainless steel oil plate which keeps the machine easy to clean.
- Teflon seals prevent grease from entering the base and coming into contact with the motor and drive chain.
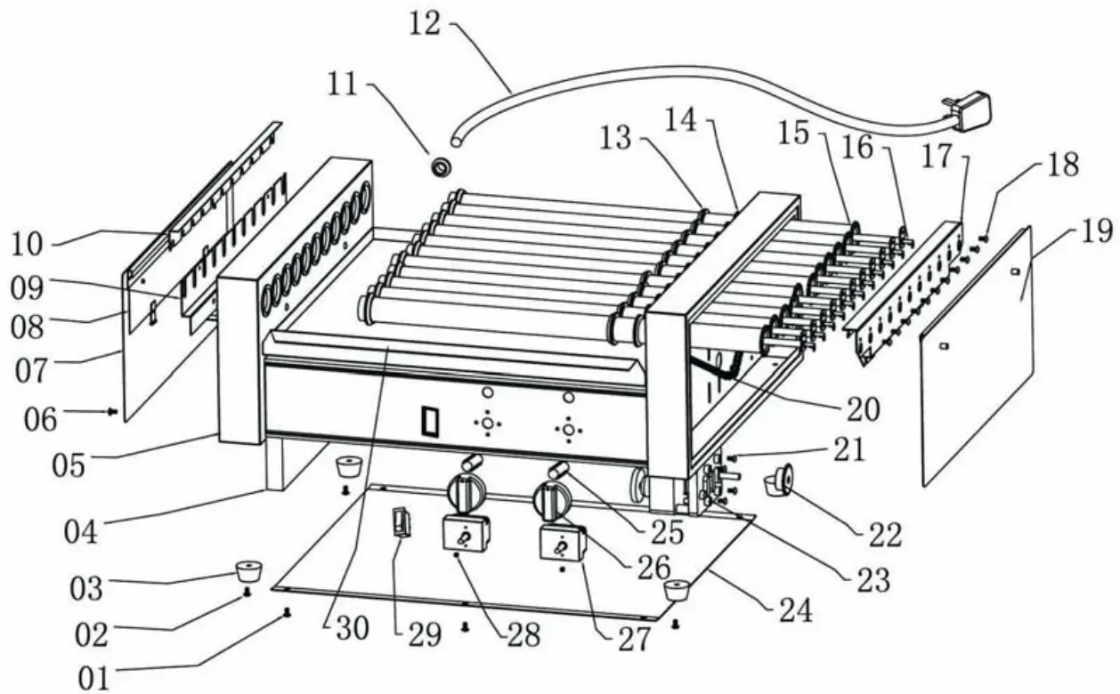
Parts Identification
Technical Specifications
| Model | Dimension (inches) | Voltage (V) | Power (W) | Hot Dog Quantity | Certification |
| RG1830 | 22.875″ x 18.25″ x 8.75″ | 120V/60HZ | 910W | 30 | |
| RG183ONS | 22.875″ x 18.25″ x 8.75″ | 120V/60HZ | 910W | 30 | |
| RG1830SLT | 22.75″ x 17.75″ x 11″ | 120V/60HZ | 910W | 30 | |
| RG1850NS | 34.65″ x 18.30″ x 8.75″ | 120V/60HZ | 1460W | 50 | |
| RG1850SLT | 34.65″ x 18.30″ x 11″ | 120V/60HZ | 1460W | 50 |
Important Safeguards
- Thoroughly read this instruction manual prior to first use.
- Do not submerge the unit and/or cord in water or any other liquids. Failure to heed this warning may result in electric shock, unit damage, and/or bodily injury.
- Close supervision is suggested when the unit is in use, especially when children are present.
- Check to ensure the unit is in an off position and unplugged when not in use or prior to cleaning. Allow the grill to cool completely before cleaning.
- Do not operate if the machine suffers serious damage or malfunctions. Contact dealer for repair or adjustment.
- It is recommended that you use only manufacturer-issued parts and accessories with this unit. Using unapproved parts may result in damage or injury. This will also void the warranty.
- Do not use outdoors.
- Do not let the cord hang over the edge of the table or counter. Do not let it touch any hot surfaces.
- Do not place appliances on or near gas or electric burners or heated ovens.
- Securely insert the plug into an outlet. When unplugging, be sure to remove the plug only. Never pull by the power cord.
Installation
- To avoid equipment or electrical damage, make certain that the nameplate voltage is the same as the outlet voltage.
- Electrical and grounding connections must be in compliance with the applicable portions of the electrical code.
- Prior to first use, it is recommended that you clean the rollers of the machine with a soft cloth.
Operation Guide
- Evenly place unfrozen hot dogs on the rollers.
- The left knob controls the front rollers and the right knob controls the back rollers. Both rows may be used for operation during high volume use.
- Turn the roller switch on the control plate to “ON”. This switch controls the rotation of the rollers.
- Turn the knob to the desired heat level. After 40 minutes of heating the hot dogs, turn the temperature control knob on low to continuously keep warm.
- The heating duration depends on the hot dogs’ quality. Please adjust as needed or required. The average heating duration is 40 minutes. This may vary.
Cleaning Instructions
- To avoid electric shock or scalding, unplug the power cord and allow the unit to cool before cleaning.
- Do not submerge the hot dog grill in water or directly apply liquids to clean the unit.
- When cleaning the rollers, wipe from the end of the rollers to the center. This will reduce grease and particles from getting into the bearings. Proper cleaning may extend the life of the unit and extend the period between routine maintenances.
- For products with high fat or sugar content, clean the rollers every 3-4 hours.
- Remove the hot dogs from the rollers when cleaning. Do not touch the heated rollers directly as this may result in burning or scalding.
- Do not clean rollers with abrasive cleaners or scouring pads because this may damage the roller’s surface and the particles may get into the bearing.
Attack tough grease, oil, and carbon with this ready-to-use carbonized and degreaser. Its unique formula is designed to clean ovens, grills, hoods, and a wide variety of other surfaces.
Suggestions
- Hot dogs must be fully unfrozen.
- Do not leave hot dogs on the grill too long to ensure the best results. If warming for more than four hours, the hot dogs may become thick and hard.
Conversion Instructions: Rear-Mounted Controls
Convert your Slanted Avantco Hot Dog Rollers (177RG1830SLT or 177RG1850SLT) into rear-mounted control models.
Rear-mounted controls are great for boosting impulse sales at concession stands or convenience stores. Rear-mounted controls are perfect for buffets, MTO stations, or self-serve areas. The placement of the controls helps prevent guests from tampering with them or from accidentally changing any settings.
Recommended: Professional electrician recommended for conversion. Improper conversion may result in a void of warranty.
- Carefully flip the machine, so that the rollers are on the table or working service. (Fig. 1)
Note: Rollers or motors may shift, please be ready to adjust rollers after conversion.
Follow step 1B only if the chain is visibly loose or rollers are not turning.
1B: If needed, slightly loosen the (4) motor screws (circled Fig. 2), and then carefully push the motor down, creating tension in the chain.
Re-tighten screws. - Take off the bottom base.

- Remove the plate without controls. (Fig. 3)
- Remove the plate with controls.(Fig. 4)

- Carefully, pull the control panel with controls through the front opening, slowly moving it through the body of the machine – moving it from the front to the back and out the back opening. (Fig. 5)
Reminder: Zip ties keeping the wires neat may need to be removed for this conversion. Please use new zip ties (or other wire management solution) once the conversion is complete to keep wires neat. - Once you’ve carefully pulled through the back opening, align the plate, and secure it with the same screws you removed. (Fig. 6) Reminder: Ensure you have the control panel the right way up.

- Straighten out the internal wires and use zip ties (or other wire management solutions) to ensure wires are neat and tidy. Then secure the blank plate to the front. (Fig. 7)
Reminder: Visually inspect the wires to ensure no loose wires are near the fan or motor. - Re-attach the base bottom base and the conversion is complete. (Fig. 7) Reminder: Adjust rollers if necessary, as well as wipe clean your machine before use. (Fig. 8)

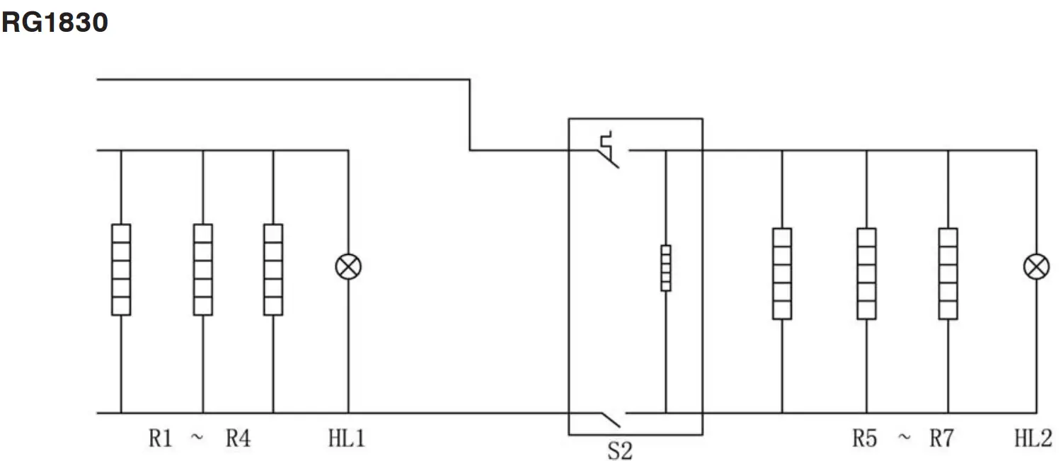
Circuit Diagram

Parts Diagram

Parts List
| No. | Name | Specification | Qty. (PCS) |
| 1 | Bolt | M4 x 8, Galvanized | 6 |
| 2 | Bolt | M5 x 16,stainless steel | 6 |
| 3 | Foot | Rubber | 6 |
| 4 | Glass cotton | Glass cotton | 2 |
| 5 | Housing | Stainless steel | 1 |
| 6 | Round head screw | M4 x 8, Stainless steel | 4 |
| 7 | Sideboard | Stainless steel | 1 |
| 8 | Insulated plate | 2 | |
| 9 | Heating element supporter | Aluminum Plated | 1 |
| 10 | Heating element supporter | Aluminum Plated | 1 |
| 11 | Coil | Plastic | 1 |
| 12 | Power cord with plug | 16#cord, NEMA 5-15 PLUG | 1 |
| 13 | Tube | 1 ¹/ 2″ x ¹/ 4″ | 18 |
| 14 | Tube pin | 1 1/ 2″ x 1/ 8″ | 18 |
| 15 | Tube with wheel | 1 ¹/ 8″ x 19 ¾” | 9 |
| 16 | Heating element | 120V 80W | 9 |
| 17 | Heating element fixer | Stainless steel | 1 |
| 18 | Bolt | M4 x 8,Galvanized | 9 |
| 19 | Side board | Stainless steel | 1 |
| 20 | Chain | 3.2mm a | 1 |
| 21 | Bolt | M4 x 8,Galvanized | 4 |
| 22 | Motor wheel | 1 | |
| 23 | Motor | 120V,5.6round/min | 1 |
| 24 | Mesh supporter | Plastic | 8 |
| 25 | Indication light | 16A,250V(yellow) | 2 |
| 26 | Switch | 41 | 2 |
| 27 | Thermostat | EGO | 2 |
| 28 | Bolt | M4 x 6, Galvanized | 4 |
| 29 | On/off | 1 | |
| 30 | Oil Pot | 1 |
Equipment Limited Warranty
Avantco warrants its equipment to be free from defects in material and workmanship for a period of 1 year. This is the sole and exclusive warranty made by Avantco covering your Avantco brand equipment. A claim under this warranty must be made within 1 year from the date of purchase of the equipment. Only the equipment’s original purchaser may make a claim under this warranty. Avantco reserves the right to approve or deny the repair or replacement of any part or repair request. The warranty is not transferable. Avantco Equipment installed in/on a food truck or trailer will be limited to a period of 30 days from the original date of purchase.
To Make a Warranty Claim:
For Warranty Inquiries contact the location where you purchased the product:
- WebstaurantStore.com: Contact [email protected]. Please have your order number ready.
- The Restaurant Store: If you purchased this unit from your local store, please contact your store directly.
- TheRestaurantStore.com: For online purchases, call 717-392-7261. Please have your order number ready.
Failure to contact the designated location prior to obtaining equipment service may void your warranty.
Avantco makes no other warranties, express or implied, statutory or otherwise, and HEREBY DISCLAIMS ALL IMPLIED WARRANTIES, INCLUDING THE IMPLIED WARRANTIES OF MERCHANTABILITY AND OF FITNESS FOR A PARTICULAR PURPOSE.
This Limited Warranty does not cover:
- Equipment sold or used outside the Continental United States
- Use of unfiltered water (if applicable)
- Avantco has the sole discretion on wearable parts not covered under warranty
- Equipment not purchased directly from an authorized dealer
- Equipment used for residential or other non-commercial purposes
- Equipment that has been altered, modified, or repaired by anyone other than an authorized service agency
- Equipment where the serial number plate has been removed or altered.
- Damage or failure due to improper installation, improper utility connection or supply, and issues resulting from improper ventilation or airflow.
- Defects and damage due to improper maintenance, wear, and tear, misuse, abuse, vandalism, or Act of God.
Any action for breach of this warranty must be commenced within 1 year of the date on which the breach occurred. No modification of this warranty, or waiver of its terms, shall be effective unless approved in a writing and signed by the parties. The laws of the Commonwealth of Pennsylvania shall govern this warranty and the parties’ rights and duties under it. Avantco shall not under any circumstances be liable for incidental or consequential damages of any kind,
including but not limited to loss of profits.
Technical Specifications






















