
USER’S MANUAL
Hot Dog Roller
EP19236

THIS INSTRUCTION BOOKLET CONTAINS IMPORTANT SAFETY INFORMATION, PLEASE READ AND KEEP IT FOR FUTURE REFERENCE.
Please give us a chance to make it right and do better!
Contact our friendly customer service department for help first.
Replacements for missing or damaged parts will be shipped ASAP!
Follow Costway
Contact us!
Do NOT return this item.
Contact our friendly customer service department for help first

E-mail
US: [email protected]
UK: [email protected]
Before You Start
- Please read all instructions carefully.
- Retain instructions for future reference.
- Separate and count all parts and hardware.
- Read through each step carefully and follow the proper order.
- We recommend that, where possible, all items are assembled near to the area in which they will be placed in use, to avoid moving the product unnecessarily once assembled.
- Always place the product on a flat. steady and stable surface.
- Keep all small parts and packaging materials for this product away from babies and children as they potentially pose a serious choking hazard.
Brief introduction
The full stainless steel hot-dog maker is designed by with the same products advantages of domestic and international. It has the special features of innovative appearance, reasonable structure, convenient operation,quick heating, etc.
Parameter of technology
| Item No. | Voltage(V) | Power(kw) | Temperature scope | Roller quantity |
| EP19236 | 110W6Ohz | 1.4 | 32°F-500°F | 11 |
Conveyance and preservation
During the transport process, the sausage machine should be handled with care, and this is to prevent violent vibration: the machine should not be placed on the open-air long time, it should be put on the warehouse which is drafty and not corrosive.
Usage attention
a)The using voltage of this equipment should be the same as the power supply around.
b)The user needs to equip the suitable electrical outlet and the fuse near the machine. other lines should meet the safety standard.
c) The electric connection installation and maintenance should be operated by the person who has an electrician operating certificate.
d) Can not use the ejected water to clean the machine.
e) The machine can not be soggy.
Glass cover fixing
a) Take the hot dog machine, Glass cover, boards of left and right out of the carton.
b) Fix the glass right side to the right board with bolt, then fix the left side with bolt too.
c) Put the well-done glass cover on the machine body, fasten the cover to the machine with bolt-on right place.
Usage instruction
a) Add a little edible plant oil on both ends of the moving roller before using, and this is to make sure that the rollers can move steadily.
b)Tum on the power switch.
c) There are two switches on the front panel of the machine, and they control two-group rollers, so the user can turn on one switch or two according to the need and the hot-dog quantity firstly, adjust the temperature to a suitable centigrade secondly, then the heating indicator light is on, it will be out when the temperature reaches the set one. If the temperature becomes lower after some time using, the heating indicator light will be on again, then start heating again.lt works circularly, this can save energy, on the other hand, it will ensure the hot dog quality cooking.
d) Turn off the power switch after use.
Cleaning and maintenance
a) Always turn off the power when cleaning and maintaining.
b) There is an anti-stick coating on the roller surface, Use a cloth when cleaning in case of the anti-stick coating wears away from the roller surface.
c) Don’t clean the roller with water, it may damage the machine.
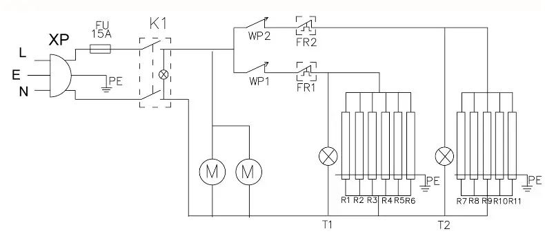
Electricity principle diagram

M: Motor
XP: Plug
FU: Fuse
Kl: Power switch
WP 1 — WP 2: Thermostatic Controller
FR1 —FR2: Temperature Limiter
T1 —T2: Heating Indicator Light
R1 —R16: Heater
Accessories Enclosed
- The machine instruction book
- One oil dish.
| EP19236-Part A | Motor |
| EP19236-Part B | Electrical heating pipe |
| EP19236-Part C | Temperature controllerGlass cover |
| EP19236-Part D | |
| EP19236-Part E | Carton |
| EP19236-Part F | Plastic corner |
Welcome to visit our website and purchase our quality products!
With your inspiring rating. COSTWAY will be more consistent to offer you EASY SHOPPING EXPERIENCE, GOOD PRODUCTS and EFFICIENT SERVICE!
US office: Fontana, California
UK office: Ipswich

- Reward Points
- Exclusive Customer Service
- Personalized Recommendations
- Permanent Shopping Cart
- Order History

We would like to extend our heartfelt thanks to all of our customers for taking the time to assemble this product and giving us valuable feedback.
Thank You!

Before You Start


















