GOLD MEDAL 8550 Series Hot Diggity® Pro Series Roller Grills
SAFETY PRECAUTIONS
|
| DANGER |
| Machine must be properly grounded to prevent electrical shock to personnel. Failure to do so could result in serious injury, or death. DO NOT immerse any part of this equipment in water. DO NOT use excessive water when cleaning. Keep cord and plug off the ground and away from moisture. Always unplug the equipment before cleaning or servicing. Make sure all machine switches are in the OFF position before plugging the equipment into the receptacle. 008_051514 |
|
| DANGER |
| Improper installation, adjustment, alteration, service, or maintenance can cause property damage, injury, or death. Any alterations to this equipment will void the warranty and may cause a dangerous condition. This appliance is not intended to be operated by means of an external timer or separate remote-control system. NEVER make alterations to this equipment. Read the Installation, Operating, and Maintenance Instructions thoroughly before installing, servicing, or operating this equipment. 014_020416 |
![]() | WARNING |
| To avoid burns, DO NOT touch heated surfaces. DO NOT place or leave objects in contact with heated surfaces. 009_092414 |
![]() | WARNING |
| ALWAYS wear safety glasses when servicing this equipment. 010_010914 |
![]() | WARNING |
| No user serviceable parts inside. Refer servicing to qualified service personnel. 011_051514 |
|
| WARNING |
| Read and understand operator’s manual and all other safety instructions before using this equipment. To order copies of the operator’s manual go to gmpopcorn.com or write to Gold Medal Products Co., 10700 Medallion Drive, Cincinnati, OH 45241 USA 1-(800)-543-0862 022_060215 |
![]() | WARNING |
| DO NOT allow direct contact of this equipment by the public when used in food service locations. Only personnel trained and experienced in the equipment operation may operate this equipment. Carefully read all instructions before operation. 012_010914 |
![]() | WARNING |
| This machine is NOT to be operated by minors. 007_010914 |
Note: Improvements are always being made to Gold Medal’s equipment. This information may not be the latest available for your purposes. It is critical that you call Gold Medal’s Technical Service Department at 1-800-543-0862 for any questions about your machine operations, replacement parts, or any service questions. (Gold Medal Products Co. does not assume any liability for injury due to careless handling and/or reckless operation of this equipment.) General images may be used in manual for reference only.
INSTALLATION INSTRUCTIONS
Inspection of Shipment
After unpacking, check thoroughly for any damage which may have occurred in transit. Claims should be filed immediately with the transportation company. The warranty does not cover damage that occurs in transit, or damage caused by abuse, or consequential damage due to the operation of this machine, since it is beyond our control (reference warranty in back of manual).
Manual
Read and understand the operator’s manual and all other safety instructions before using this equipment. To order copies of the operator’s manual go to gmpopcorn.com or write to Gold Medal Products Co., 10700 Medallion Drive, Cincinnati, OH 45241 USA 1-(800)-543-0862.
Model Description
8550-00-000: Hot Diggity Pro C – Compact Roller Grill with stainless steel rollers. 8550-00-001: Hot Diggity Pro C – Compact Roller Grill with non-stick rollers.
8551-00-000: Hot Diggity Pro S – Standard Roller Grill with stainless steel rollers. 8551-00-001: Hot Diggity Pro S – Standard Roller Grill with non-stick rollers.
8552-00-000: Hot Diggity Pro X – Large Roller Grill with stainless steel rollers. 8552-00-001: Hot Diggity Pro X – Large Roller Grill with non-stick rollers.
Items Included with this Unit
Setup
- This unit has been tested at the factory, remove all packaging and tape prior to operation.
- Place unit on a sturdy, level base for use. There are 4 leveler feet on the bottom of the cabinet, adjust as needed. This unit is also equipped with 2 sets of feet height spacers which adjust the roller grill angle to approximately 4 degrees or 8 degrees slant, if desired (reference Feet Spacer Installation section to install spacers).
- The Roller Grill is equipped with stand locators on each end of the unit for a Food Shield option (sold separately), reference image below for mounting a Food Shield, if desired.
- Plug power cord into unit – make sure the IEC Power Cord is properly seated into the IEC receptacle before powering up the machine. See Electrical Requirements section to plug unit into power source for use.
- After setup, the unit should be cleaned prior to use (see Care and Cleaning section).

Feet Spacer Installation
Unit must be OFF, unplugged from the power supply, and allowed to cool completely prior to changing the feet spacers. Install spacers on a clean unit. The 2 short spacers provide approx. 4 degrees slant to the roller grill; the 2 longer spacers provide approx. 8 degrees slant.
Electrical Requirements
The following power supply must be provided (reference unit Data Plate for Wattage requirement):
120V~, 60 Hz
|
| DANGER |
| Machine must be properly grounded to prevent electrical shock to personnel. Failure to do so could result in serious injury, or death. DO NOT immerse any part of this equipment in water. DO NOT use excessive water when cleaning. Keep cord and plug off the ground and away from moisture. Always unplug the equipment before cleaning or servicing. Make sure all machine switches are in the OFF position before plugging the equipment into the receptacle. 008_051514 |
A certified electrician must furnish sufficient power for proper machine operation and install any supplied receptacle (reference unit Data Plate for model specific Volts AC, Hertz, and Wattage requirements). We recommend this equipment be on a dedicated and protected circuit. Failure to wire properly will void the warranty and may result in damage to the machine. It is Gold Medal Products Co.’s recommendation that this machine be plugged directly into a wall outlet. The use of extension cords is not recommended due to safety concerns, and may cause sacrificed and/or reduced performance. Make sure cord is located to prevent a trip hazard or unit upset. Units with an IEC Power Cord – make sure the IEC cord is properly seated into the IEC receptacle before powering up the machine.
Before You Plug In Machine
- Make sure all machine switches are OFF before plugging equipment into receptacle.
- Make sure wall outlet can accept the grounded plugs (where applicable) on the power supply cord.
- The wall outlet must have the proper polarity. If in doubt, have a competent electrician inspect the outlet and correct if necessary.
- DO NOT use a grounded to un-grounded receptacle adapter (where applicable).
- Install unit in a level position.
![]() | CAUTION |
| If the supply cord is damaged, it must be replaced by a special cord or assembly available from Gold Medal Products Co. or its service agent. 038_062714 |
OPERATING INSTRUCTIONS
Controls and Their Functions
POWER SWITCH
Two position, ON/OFF lighted rocker switch – supplies power to the motor and the front and rear heat controls. The green light ON indicates there is power to these features.
FRONT HEAT CONTROL KNOB
Adjusts temperature of the heating elements for the front rollers from OFF to HIGH. Turn knob counterclockwise to increase temperature; turn clockwise to decrease temperature.
REAR HEAT CONTROL KNOB
temperature of the heating elements for the rear rollers from OFF to HIGH. Turn knob counterclockwise to increase temperature; turn clockwise to decrease temperature. 
Operating Instructions
- Make sure drip pan is in place beneath the rollers.
- Turn the Power Switch ON.
- Place hot dogs on the rollers (hot dogs should be evenly spaced).
- Turn the Heat Control Knob(s) to the desired heat setting. The Left Knob controls the heat setting for the FRONT rollers on the grill; the right knob controls the heat setting of the REAR rollers.
- For high capacity, set the Heat Control Knobs to medium or high heat setting using both sets of rollers.
Care and Cleaning
![]() | DANGER |
| Machine must be properly grounded to prevent electrical shock to personnel. DO NOT immerse in water. DO NOT clean appliance with a water jet. Always unplug the equipment before cleaning or servicing. 025_111616 |
![]() | WARNING |
| To avoid burns, DO NOT touch heated surfaces. DO NOT place or leave objects in contact with heated surfaces. 009_092414 |
Good sanitation practice demands that all food preparation equipment be cleaned regularly (only use non-toxic, food grade cleaners). A clean looking, well-kept machine is one of the best ways of advertising your product.
Follow the directions below to clean the unit each day after use.
- With the machine OFF, unplug the unit and allow it to cool before attempting to clean.
- Remove any remaining hot dogs from rollers.
- Wipe rollers clean using a soft cloth dampened with a mild soap and hot water ONLY, then wipe again with a clean damp cloth to remove any remaining soap. DO NOT use oven cleaners or abrasive materials (e.g. steel wool or abrasive pads) on any roller assemblies. DO NOT scrape rollers with anything metal or plastic.
- Remove the drip pan/accessories and clean thoroughly with mild soap and hot water, then rinse and dry.
- Clean the unit using a soft cloth dampened with a mild soap and hot water ONLY, then wipe again with a clean damp cloth to remove any remaining soap.
- Wipe stainless steel parts clean using a clean cloth and stainless steel cleaner, such as Gold Medal Watchdog Stainless Cleaner (Item No. 2088).
DO NOT use oven cleaners or abrasive materials as they will damage parts of machine. - Dry the unit completely with a soft, dry cloth.
- Reinsert the drip tray beneath the rollers.
MAINTENANCE INSTRUCTIONS
![]()
| DANGER |
| Machine must be properly grounded to prevent electrical shock to personnel. Failure to do so could result in serious injury, or death. DO NOT immerse any part of this equipment in water. DO NOT use excessive water when cleaning. Keep cord and plug off the ground and away from moisture. Always unplug the equipment before cleaning or servicing. Make sure all machine switches are in the OFF position before plugging the equipment into the receptacle. 008_051514 |
![]() | DANGER |
| Improper installation, adjustment, alteration, service, or maintenance can cause property damage, injury, or death. Any alterations to this equipment will void the warranty and may cause a dangerous condition. This appliance is not intended to be operated by means of an external timer or separate remote-control system. NEVER make alterations to this equipment. Read the Installation, Operating, and Maintenance Instructions thoroughly before installing, servicing, or operating this equipment. 014_020416 |
![]() | WARNING |
| No user serviceable parts inside. Refer servicing to qualified service personnel. 011_051514 |
![]() | CAUTION |
| THE FOLLOWING SECTIONS OF THIS MANUAL ARE INTENDED ONLY FOR QUALIFIED SERVICE PERSONNEL WHO ARE FAMILIAR WITH ELECTRICAL EQUIPMENT. THESE ARE NOT INTENDED FOR THE OPERATOR. 027_010914 |
ORDERING SPARE PARTS
- Identify the needed part by checking it against the photos, illustrations, and/or parts list. (General images may be used in manual for reference only.)
- Use only approved replacement parts when servicing this unit.
- When ordering, please include part number, part name, and quantity needed.
- Please include your model number, serial number, and date of manufacture (located on the machine nameplate/data plate) with your order.
- Address all parts orders to Parts Department, Gold Medal Products Co., 10700 Medallion Drive, Cincinnati, Ohio 45241-4807
or place orders by phone or online:
Phone: (800) 543-0862, (513) 769-7676
Fax: (800) 542-1496, (513) 769-8500
E-mail: [email protected]
Web Page: gmpopcorn.com
Cabinet Front View – Parts Breakdown 
Cabinet Front/Left View – Parts List
| Item | Part Description | Part Number | ||
| 8550-00-000 8550-00-001 | 8551-00-000 8551-00-001 | 8552-00-000 8552-00-001 | ||
| 1 | SCREW #8-32X3/8 PAN HD PH | 74141 | 74141 | 74141 |
| 2 | 8-32X3/8 TRI LOBE SCREW (T20 Torx Head) | 111898 | 111898 | 111898 |
| 3 | ROLLER CHAIN 37IN | 111995 | 111995 | 111995 |
| 4 | SPROCKET, DRIVE | 87353 | 87353 | 87353 |
| 5 | BUSHING, SNAP .875 IN | 45396 | 45396 | 45396 |
| 6 | SPRING | 68734 | 68734 | 68734 |
| 7 | 8-32 X 1/2 PHIL PN M/S SS | 42226 | 42226 | 42226 |
| 8 | #10 FLAT WASHER ST. STL. | 12178 | 12178 | 12178 |
| 9 | POSITRACTION SPROCKET | 87988 | 87988 | 87988 |
| 10 | 1/4IN SHOULDER BOLT | 111985 | 111985 | 111985 |
| 11 | 1/4IN NYLON WASHER | 111721 | 111721 | 111721 |
| 12 | IDLER BRACKET ASSEMBLY | 111890 | 111890 | 111890 |
| 13 | 1/4 FLAT WASHER ALUMINUM | 10000 | 10000 | 10000 |
| 14 | SPRING PIVOT | 83107 | 83107 | 83107 |
| 15 | CABINET END ASSEMBLY | 114019 | 114019 | 114019 |
| 16 | ROLLER SEAL | 111851 | 111851 | 111851 |
| 17 | TEFLON BUSHING, ANTI-ROTA | 77918 | 77918 | 77918 |
| 18 | BEARING BRACKET ASSEMBLY | 111884 | 111884 | 111884 |
| 19 | ELEMENT COVER BRACKET | 111888 | 111888 | 111888 |
| 20 | CHAIN GUARD | 111889 | 111889 | 111889 |
| 21 | END COVER | 111895 | 111895 | 111895 |
| 22 | DRIP PAN | 111975 | 111976 | 111977 |
| 23 | SWITCH, LIGHTED ROCKER GR | 42798 | 42798 | 42798 |
| 24 | LABEL, MANUAL CONTROLS | 111893 | 111893 | 111893 |
| 25 | HEAT CONTROL | 87297 | 87297 | 87297 |
| 26 | 6-32 X 1/8 PH PAN HD M/S | 40695 | 40695 | 40695 |
| 27 | KNOB FOR HEAT CONTROL | 87430 | 87430 | 87430 |
Roller Assembly – Parts List
| Item | Part Description | Part Number | |||||
| 8550-00- 000 | 8551-00- 000 | 8552-00- 000 | 8550-00- 001 | 8551-00- 001 | 8552-00- 001 | ||
| 28 | ROLLER ASSEMBLY (Stainless Steel) | 88231 | 88232 | 88233 | |||
| ROLLER ASSEMBLY (Non-Stick Coated) | 88231NE | 88232NE | 88233NE | ||||
Cabinet Rear/Bottom View – Safety Labels – Parts Breakdown 
Safety Labels
Cabinet Rear/Bottom View – Safety Labels – Parts List
| Item | Part Description | Part Number | ||
| 8550-00-000 8550-00-001 | 8551-00-000 8551-00-001 | 8552-00-000 8552-00-001 | ||
| 1 | SWITCH, LIGHTED ROCKER GR | 42798 | 42798 | 42798 |
| 2 | HEAT CONTROL | 87297 | 87297 | 87297 |
| 3 | MOTOR, CCW | 87532 | 87532 | 87532 |
| 4 | 8-32 X 1/4 HX HD WHIZLOCK | 42045 | 42045 | 42045 |
| 5 | TEFLON BUSHING, ANTI-ROTA | 77918 | 77918 | 77918 |
| 6 | BEARING BRACKET | 111886 | 111886 | 111886 |
| 7 | ELEMENT MOUNT BRACKET | 111889 | 111889 | 111889 |
| 8 | 120W ELEMENT | 111846 | ||
| 160W ELEMENT | 111903 | |||
| 240W ELEMENT | 111908 | |||
| 9 | SCREW #8-32X3/8 PAN HD PH | 74141 | 74141 | 74141 |
| 10 | 8-32X3/8 TRI LOBE SCREW (T20 Torx Head) | 111898 | 111898 | 111898 |
| 11 | THREADED SWIVEL FOOT | 111984 | 111984 | 111984 |
| 12 | BOTTOM COVER | 111894 | 111902 | 111907 |
| 13 | #8-32 x 5/8 PAN HEAD (fastens ground) | 49593 | 49593 | 49593 |
| 14 | 8-32 HEX M/S NUT (fastens ground) | 74149 | 74149 | 74149 |
| 15 | IEC CONNECTOR,FLANGED | 102013 | 102013 | 102013 |
| 16 | 6-32 X 3/8 PHIL PAN M/S | 39000 | 39000 | 39000 |
| 17 | 6-32 GRIP NUT ZINC PLATED | 47517 | 47517 | 47517 |
| 18* | POWER CORD,16 AWG | 102020 | 102020 | 102020 |
| 19 | LABEL | 111931 | 111931 | 111931 |
| 20 | MAIN GROUND LABEL | 42375 | 42375 | 42375 |
| 21 | CAUTION CORD SET LABEL | 102032 | 102032 | 102032 |
| 22 | WARNING LABEL CORD | 68720 | 68720 | 68720 |
Accessories 
| Item | Part Description | Part Number |
| All Models | ||
| 1 | 1 IN. DIAL THERMOMETER | 8000 |
| 2 | TONG HOLDER ASSEMBLY | 69075 |
| 3 | 9 INCH PLASTIC TONGS | 87092 |
| 4 | ROLLER GRILL STANDOFF KIT | 114022 |
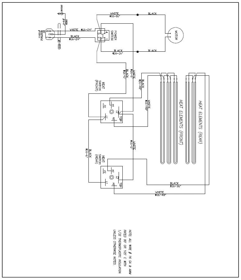
Wiring Diagram
Model No. Series 8550, 8551, and 8552 
WARRANTY
Gold Medal Products Co. warrants to the original purchaser each item of its manufacture to
be free of defects in workmanship and material under normal use and service. Gold Medal Products Co.’s obligation under this warranty is limited solely to repairing or replacing parts, f.o.b. Cincinnati, Ohio, which in its judgment are defective in workmanship or material and which are returned, freight prepaid, to its Cincinnati, Ohio factory or other designated point. Except for “Perishable Parts” on specific machines, the above warranty applies for a period
of two (2) years from the date of original sale to the original purchaser of equipment when recommended operating instructions and maintenance procedures have been followed. These are packed with the machine. Parts warranty is two (2) years, labor is six (6) months.
THIS WARRANTY IS IN LIEU OF ALL OTHER WARRANTIES EXPRESSED OR IMPLIED, AND OF ALL OTHER OBLIGATIONS OR LIABILITIES ON OUR PART, INCLUDING THE IMPLIED WARRANTY OF MERCHANTABILITY. THERE ARE
NO WARRANTIES WHICH EXTEND BEYOND THE DESCRIPTION ON THE FACE HEREOF. In no event shall Gold Medal Products Co. be liable for special, incidental or consequential damages. No claim under this warranty will be honored if the equipment covered has been misused, neglected, damaged in transit, or has been tampered with or changed in any way. No claim under this warranty shall be honored in the event that components in the unit at the time of the claim were not supplied or approved by Gold Medal Products Co. This warranty is effective only when electrical items have been properly attached to city utility lines only at proper voltages. This warranty is not transferable without the written consent of Gold Medal Products Co.
The term “Original Purchaser” as used in this warranty shall be deemed to mean that person, firm, association, or corporation who was billed by the GOLD MEDAL PRODUCTS CO., or their authorized distributor for the equipment.
THIS WARRANTY HAS NO EFFECT AND IS VOID UNLESS THE ORIGINAL PURCHASER FIRST CALLS GOLD MEDAL PRODUCTS CO. AT 1-800-543-0862 TO DISCUSS WITH OUR SERVICE REPRESENTATIVE THE EQUIPMENT PROBLEM, AND, IF NECESSARY, FOR INSTRUCTIONS CONCERNING THE REPAIR OR REPLACEMENT OF PARTS.
NOTE: This equipment is manufactured and sold for commercial use only.
10700 Medallion Drive, Cincinnati, Ohio 45241-4807 USA gmpopcorn.com
Phone: (800) 543-0862, (513) 769-7676
Fax: (800) 542-1496, (513) 769-8500
© 2019 – The text, descriptions, graphics, layout, and other material in this publication are the exclusive property of Gold Medal Products Co. and shall not be used, copied, reproduced, or published in any fashion, including website display, without its express written consent.





























