HERCULES HE65 4-1-2 Inch – 6 Inch 13A Trigger Grip Angle Grinder Owner’s
WARNING: To prevent serious injury, User must read and understand Owner’s Manual.
SAVE THIS MANUAL.
When unpacking, make sure that the product is intact and undamaged. If any parts are missing or broken, please call 1-888-866-5797 as soon as possible. Reference 57348.
IMPORTANT SAFETY INFORMATION
GENERAL POWER TOOL SAFETY WARNINGS
Read all safety warnings and all instructions. Failure to follow the warnings and instructions may result in electric shock, fire and/or serious injury. Save all warnings and instructions for future reference.
Work Area Safety
- Keep work area clean and well lit. Cluttered or dark areas invite accidents.
- Do not operate power tools in explosive atmospheres, such as in the presence of flammable liquids, gases or dust. Power tools
- Keep children and bystanders away while operating a power tool. Distractions can cause you to lose control.
Electrical Safety
- Power tool plugs must match the outlet. Never modify the plug in any way.
Do not use any adapter plugs with grounded power tools. outlets will reduce risk of electric shock. - Avoid body contact with grounded surfaces such as pipes, radiators, ranges and refrigerators. There is an increased risk of electric shock if your body is grounded.
- Do not expose power tools to rain or wet conditions. will increase the risk of electric shock.
- Do not abuse the cord. Never use the cord for carrying, pulling or unplugging the power tool. Keep cord away from heat, oil, sharp edges or moving parts. Damaged or entangled cords increase the risk of electric shock.
- When operating a power tool outdoors, use an extension cord suitable for outdoor use. Use of a cord suitable for outdoor use reduces the risk of electric shock.
- If operating a power tool in a damp location is unavoidable, use a Ground Fault Circuit Interrupter (GFCI) protected supply.
The use of a GFCI reduces the risk of electric shock.
Personal Safety
- Stay alert, watch what you are doing and use common sense when operating a power tool. Do not use a power tool while you are tired or under the influence of drugs, alcohol or medication. A moment of inattention while operating power tools may result in serious personal injury.
- Use safety equipment. Always wear eye protection. Safety equipment such as dust mask, non-skid safety shoes, hard hat, or hearing protection used for appropriate conditions will reduce personal injuries.
- Prevent unintentional starting. Ensure the switchl trigger is in the off-position before connecting to power source and/or battery pack, picking up or carrying the tool. Carrying power tools with your finger on the switch or energizing power tools that have the switch on invites accidents.
- Remove any adjusting key or wrench before turning the power tool on. A wrench or a key left attached to a rotating part of the power tool may result in personal injury.
- Do not overreach. Keep proper footing and balance at all times. This enables better control of the power tool in unexpected situations.
- Dress properly. Do not wear loose clothing or jewelry. Keep your hair, clothing and gloves away from moving parts. Loose clothes, jewelry or long hair can be caught in moving parts.
- If devices are provided for the connection of dust extraction and collection facilities, ensure these are connected and properly used. Use of dust collection can reduce dust-related hazards.
- Only use safety equipment that has beenapproved by an appropriate standards agency. Unapproved safety equipment may not provide adequate protection. Eye protection must be ANSI-approved and breathing protection must be NIOSH-approved for the specific hazards in the work area.
Power Tool Use and Care
- Do not force the power tool. Use the correct power tool for your application. The correct power tool will do the job better and safer at the rate for which it was designed.
- Do not use the power tool if the Trigger does not turn it on and off. Any power tool that cannot be controlled with the Trigger is dangerous and must be repaired.
- Disconnect the plug from the power source before making any adjustments, changing accessories, or storing power tools. Such preventive safety measures reduce the risk of stating the power tool accidentally.
- Store idle power tools out of the reach of children and do not allow persons unfamiliarwith the power tool or these instructions to operate the power tool. Power tools are dangerous in the hands of untrained users.
- Maintain power tools. Check for misalignment or binding of moving parts, breakage of part sand any other condition that may affect the power tool’s operation. If damaged, have the power tool repaired before use. Many accidents xare caused by poorly maintained power tools.
- Keep cutting tools sharp and clean. Properly maintained cutting tools with sharp cutting edges are less likely to bind and are easier to control. Use the power tool, accessories and tool bits etc. in accordance with these instructions, taking into account the working conditions and the work to be performed. Use of the power tool for operations diferent from those intended could result in a hazardous situation.
Service
Have your power tool serviced by a qualified repair a person using only identical replacement parts. This will ensure that the safety of the power tool is maintained.
Safety Warnings Common for grinding, Sanding, Wire Brushing, or Abrasive Cutting-off Operations
- This power tool is intended to function as a grinder, sander, wire brush, or cut-off tool. Read all safety warnings, instructions, illustrations and specifications provided with this power tool.Failure to follow all instructions listed below may result in electric shock, fire and/or serious injury.
- Operations such as polishing are not recommended to be performed with this power tool. Operations for which the power tool was not designed may create a hazard and cause personal injury.
- Do not use accessories which are not specifically designed and recommended by the tool manufacturer. Just because the accessory can be attached to your power tool, it does not assure safe operation.
- The rated speed of the accessory must be at least equal to the maximum speed marked on the power tool. ACcessories running faster than their RATED SPEED can break and fly apart.
- The outside diameter and the thickness of your accessory must be within the capacity rating of your power tool. Incorrectly sized accessories cannot be adequately guarded or controlled.
- The arbor size of wheels, flanges, backing pads or any other accessory must properly fit the spindle of the power tool. Accessories with arbor holes that do not match the mounting hardware of the power tool will run out of balance, vibrate excessively and may cause loss of control.
- Do not use a damaged accessory. Before each use inspect the accessory such as abrasive wheels for chips and cracks, backing pad for cracks, tear or excess wear, wire brush for loose or cracked wires. If power tool or accessory is dropped, inspect for damage or install an undamaged accessory. After inspecting and installing an accessory, position yourself and bystanders away from the plane of the rotating accessory and run the power tool at maximum no-load speed for one minute. Damaged accessories will normally break apart during this test time.
- Wear personal protective equipment. Depending on application, use face shield, safety goggles or safety glasses. As appropriate, wear dust mask, hearing protectors, gloves and workshop apron capable of stopping small abrasive or workpiece fragments. The eye protection must be capable of stopping flying debris generated by various operations. The eye protection must be capable of stopping flying debris generated by various operations. The dust mask or respirator must be capable of filtering out particles generated by your operation. Prolonged exposure to high intensity noise may cause hearing loss.
- Keep bystanders a safe distance away from work area. Anyone entering the work area must wear personal protective equipment. Fragments of workpiece or of a broken accessory may fly away and cause injury beyond immediate area of operation.
- Hold power tool by insulated gripping surfaces only, when performing an operation where the accessory may contact hidden wiring or its own cord. An accessory contacting a “live” wire may make exposed metal parts of
the power tool “live” and shock the operator. - Position the cord clear of the spinning accessory. If you lose control, the cord may be cut or snagged and your hand or arm may be pulled into the spinning accessory.
- Never lay the power tool down until the accessory has come to a complete stop. The spinning accessory may grab the surface and pull the power tool out of your control.
- Do not run the power tool while carrying it at your side. Accidental contact with the spinning accessory could snag your clothing, pulling the accessory into your body
- Regularly clean the power tool’s air vents. The motor’s fan will draw the dust inside the housing and excessive accumulation of powdered metal may cause electrical hazards.
- Do not operate the power tool near flammable materials. Sparks could ignite these materials.
- Do not use accessories that require liquid coolants. Using water or other liquid coolants may result in electrocution or shock.
- Maintain labels and nameplates on the tool. These carry important safety information.If unreadable or missing, contact Harbor Freight Tools for a replacement.
- Avoid unintentional starting. Prepare to begin work before turning on the tool.
- Do not depress the spindle lock when starting or during operation.
- Do not leave the tool unattended when it is plugged into an electrical outlet. Turn off the tool, and unplug it from its electrical outlet before leaving.
- Use clamps (not included) or other practical ways to secure and support the workpiece to a stable platform. Holding the work by hand or against your body is unstable and may lead to loss of control and personal injury.
- This product is not a toy. Keep it out of reach of children.
- People with pacemakers should consult their hysician(s) before use. Electromagnetic fields in close proximity to heart pacemaker could cause pacemaker interference or pacemaker failure. In addition, people with pacemakers should:
- Avoid operating alone.
- Do not use with Trigger locked on.
- Properly maintain and inspect to avoid electrical shock.
- Properly ground power cord. Ground Fault Circuit Interrupter (GFCI) should also be implemented
- it prevents sustained electrical shock.
- The warnings, precautions, and instructions discussed in this instruction manual cannot cover all possible conditions and situations that may occur. It must be understood by the operator that common sense and caution are factors which cannot be built into this product, but must be supolied by the operator.
Kickback is a sudden reaction to a pinched or snagged rotating wheel, backing pad, brush or any other accessory. Pinching or snagging causes rapid stalling of the rotating accessory which in turn causes the uncontrolled power
tool to be forced in the direction opposite of the accessory’s rotation at the point of the binding. For example, if an abrasive wheel is snagged or pinched by the workpiece, the edge of the wheel that is entering into the pinch point can dig into the surface of the material causing the wheel to climb out or kick out. The wheel may either jump toward or away from the operator, depending on direction of the wheel’s movement at the point of pinching.
Abrasive wheels may also break under these conditions. Kickback is the result of power tool misuse and/or incorrect operating procedures or conditions and can be avoided by taking proper precautions as given below.
- Maintain a firm grip on the power tool and position your body and arm to allow you to resist kickback forces. Always use auxiliary handle, if provided, for maximum control over kickback or torque reaction during start-up.
The operator can control torque reactions or kickback forces, if proper precautions are taken. - Never place your hand near the rotating accessory. Accessory may kickback over your hand.
- Do not position your body in the area where power tool will move if kickback occurs. Kickback will propel the tool in direction opposite to the wheel’s movement at the point of snagging.
- Use special care when working corners, sharp edges etc. Avoid bouncing and snagging the accessory. Corners, sharp edges or bouncing have a tendency to snag the rotating accessory and cause loss of control or kickback.
- Do not attach a saw chain woodcarving blade or toothed saw blade. Such blades create frequent kickback and loss of control.
Safety Warnings Specific for Grinding and Abrasive Cutting-off Operations
- Use only wheel types that are recommended for your power tool and the specific guard designed for the selected wheel.Wheels for which the power tool was not designed cannot be adequately guarded and are unsafe.
- The guard must be securely attached to the power tool and positioned for maximum safety, so the least amount of wheel is exposed towards the operator.
- The guard helps to protect operator from broken wheel fragments and accidental contact with wheel. Wheels must be used only for recommended applications. For example: do not grind with the side of cut-off wheel. Abrasive cut-off wheels are intended for peripheral grinding, side forces applied to these wheels may cause them to shatter.
- Always use undamaged wheel flanges that are of correct size and shape for your selected wheel. Proper wheel flanges support the wheel thus reducing the possibility of wheel breakage. Flanges for cut-off wheels may be different from grinding wheel flanges.
- Do not use worn down wheels from larger power tools. Wheel intended for larger power tool is not suitable for the higher speed of a smaller tool and may burst.
- Dress appropriately. Wear leather leggings and fire resistant footwear during use. Do not wear pants with cuffs, shirts with open pockets, or any clothing that can catch and hold molten metal or sparks.
Safety Warnings Specific for Abrasive Cutting-off Operations
- Do not “jam” the cut-off wheel or apply excessive pressure. Do not attempt to make an excessive depth of cut. Overstressing the wheel increases the loading and susceptibility to twisting or binding of the wheel in the cut and the possibility of kickback or wheel breakage.
- Do not position your body in line with and behind the rotating wheel. When the wheel, at the point of operation, is moving away from your body, the possible kickback may propel the spinning wheel and the power tool directly at you.
- When wheel is binding or when interrupting a cut for any reason, switch off the power tool and hold the power tool motionless until the wheel comes to a complete stop. Never attempt to remove the cut-off wheel from the cut while the wheel is in motion otherwise kickbackmay occur. Investigate and take corrective action to eliminate the cause of wheel binding.
- Do not restart the cutting operation in the workpiece. Let the wheel reach full speed and carefully re-enter the cut. The wheel may bind, walk up or kickback if the power tool is restarted in the workpiece.
- Support panels or any oversized workpiece to minimize the risk of wheel pinching and kickback. Large workpieces tend to sag under their own weight. Supports must be placed under the workpiece near the line of cut and near the edge of the workpiece on both sides of the wheel.
- Use extra caution when making a “pocket cut” into existing walls or other blind areas. The protruding wheel may cut gas or water pipes, electrical wiring or objects that can cause kickback.
Safety Warnings Specific for Sanding Operations
Do not use excessively oversized sanding disc paper. Follow manufacturer’s recommendations when selecting sanding paper. Larger sanding paper extending beyond the sanding pad presents a laceration hazard and may cause
snagging. tearing of the disc or kickback.
Safety Warnings Specific for Wire Brushing Operations
- Be aware that wire bristles are thrown by the brush even during ordinary operation. Do not overstress the wires by applying excessive load to the brush. The wire bristles can easily penetrate light clothing and/or skin.
- If the use of a guard is recommended for wire brushing, do not allow any interference of the wire wheel or brush with the guard. Wire wheel or brush may expand in diameterdue to work load and centrifugal forces.
Vibration Safety
This tool vibrates during use. Repeated or long-term exposure to vibration may cause temporary or permanent physical injury, particularly to the hands, arms and shoulders. To reduce the risk of vibration-related injury:
- Anyone using vibrating tools regularly or for an extended period should first be examined by a doctor and then have regular medical check-ups to ensure medical problems are not being caused or worsened from use. Pregnant women or people who have impaired blood circulation to the hand, past hand injuries, nervous system disorders, diabetes, or Raynaud’s Disease should not use this tool. If you feel any medical or physical symptoms related to vibration (such as tingling, numbness, and white or blue fingers), seek medical advice as soon as possible.
- Do not smoke during use. Nicotine reduces the blood supply to the hands and fingers, increasing the risk of vibration-related injury.
- Wear suitable gloves to reduce the vibration effects on the user.
- Use tools with the lowest vibration when there is a choice between different processes. Include vibration-free periods each day of work.
- Grip tool as lightly as possible (while still keeping safe control of it). Let the tool do the work.
- To reduce vibration, maintain the tool as explained in this manual. If any abnormal vibration occurs, stop use immediately.
SAVE THESE INSTRUCTIONS
GROUNDING WARNING
TO PREVENT ELECTRIC SHoCK AND DEATH FROM INCORRECT GROUNDING:
Check with a qualified electrician if you are in doubt as to whether the outlet is properly grounded. Do not modify the power cord plug provided with the tool. Never remove the grounding prong from the plug. Do not use the tool
if the power cord or plug is damaged. Iif damaged, have it repaired by a service facility before use. If the plug will not fit the outlet, have a proper outlet installed by a qualified electrician.
Grounded Tools: Tools with
Three Prong Plugs
- Tools marked with “Grounding Required” have a three wire cord and three prong grounding plug. The plug must be connected to a properly grounded outlet. If the tool should electrically malfunction or break down, grounding provides a low resistance path to carry electricity away from the user, reducing the risk of electric shock. (See 3-Prong Plug and Outlet.)
- The grounding prong in the plug is connected through the green wire inside the cord to the grounding system in the tool. The green wire in the cord must be the only wire connected to the tool’s grounding system and must never be attached to an electrically “live” terminal. (See 3-Prong Plug and Outlet.)
- The tool must be plugged into an appropriate outlet, properly installed and grounded in accordance with all codes and ordinances. The plug and outlet should look like those in the preceding illustration. (See 3-Prong Plug and Outlet.)
Double Insulated Tools: Tools with Two Prong Plugs
Outlets for 2-Prong Plug
- Tools marked “Double Insulated” do not require grounding. They have a special double insulation system which satisfies OSHA requirements and complies with the applicable standards of Underwriters Laboratories, Inc.,
the Canadian Standard Association, and the National Electrical Code. - Double insulated tools may be used in either of the 120 volt outlets shown in the preceding illustration. (See Outlets for 2-Prong Plug.)
Extension Cords
- Grounded tools require a three wire extension cord. Double Insulated tools can use either a two or three wire extension cord.
- As the distance from the supply outlet increases, you must use a heavier gauge extension cord. Using extension cords with inadequately sized wire causes a serious drop in voltage, resulting in loss of power and possible tool damage. (See Table A.)
- The smaller the gauge number of the wire, the greater the capacity of the cord. For example, a 14 gauge cord can carry a higher current than a 16 gauge cord. (See Table A.)
- When using more than one extension cord to make up the total length, make sure each cord contains at least the minimum wire size required. (See Table A.)
- If you are using one extension cord for more than one tool, add the nameplate amperes and use the sum to determine the required minimum cord size. (See Table A.)
- If you are using an extension cord outdoors, make sure it is marked with the suffix “W-A” (“W” in Canada) to indicate it is acceptable for outdoor use.
- Make sure the extension cord is properly wired and in good electrical condition. Always replace a damaged extension cord or have it repaired by a qualified electrician before using it.
- Protect the extension cords from sharp objects, excessive heat, and damp or wet areas
| TABLE A: RECOMMENDED MINIMUM WIRE GAUGE FOR EXTENSION CORDS* (120/240 VOLT) | |||||
| NAMEPLATE AMPERES (at full load) | EXTENSION CORD LENGTH | ||||
| 25´ | 50´ | 75´ | 100´ | 150´ | |
| 0 – 2.0 | 18 | 18 | 18 | 18 | 16 |
| 2.1 – 3.4 | 18 | 18 | 18 | 16 | 14 |
| 3.5 – 5.0 | 18 | 18 | 16 | 14 | 12 |
| 5.1 – 7.0 | 18 | 16 | 14 | 12 | 12 |
| 7.1 – 12.0 | 18 | 14 | 12 | 10 | – |
| 12.1 – 16.0 | 14 | 12 | 10 | – | – |
| 16.1 – 20.0 | 12 | 10 | – | – | – |
| * Based on limiting the line voltage drop to five volts at 150% of the rated amperes. | |||||
| Double Insulated | |
| V | Volts |
| ~ | Alternating Current |
| A | Amperes |
| n0 xxxx/min. | No Load Revolutions per Minute (RPM) |
| WARNING marking concerning Risk of Eye Injury. Wear ANSI-approved safety goggles with side shields. | |
| Read the manual before set-up and/or use. | |
| WARNING marking concerning Risk of Hearing Loss. Wear hearing protection. | |
| WARNING marking concerning Risk of Fire. Do not cover ventilation ducts. Keep flammable objects away. | |
| WARNING marking concerning Risk of Electric Shock. Properly connect power cord to appropriate outlet. |
Warning Symbols and Definitions
This is the safety alert symbol. It is used to alert you to potential personal injury hazards. Obey all safety messages that follow this symbol to avoid possible injury or death.
- Indicates a hazardous situation which, if not avoided, will result in death or serious injury.
- Indicates a hazardous situation which, if not avoided, could result in death or serious injury.
- Indicates a hazardous situation which, if not avoided, could result in minor or moderate injury.
- Addresses practices not related to personal injury.
Specifications
| Electrical Rating | 120 VAC / 60 Hz / 13A |
| No Load Speed | 10,000/min |
| Spindle Thread | 5/8″- 11 TPI |
| Accessory (Wheel Guards) Diameters | 4-1/2″ (115mm) 5″ (125mm) 6″ (150mm) |
Functional Description
- Side Handle
- Spindle Lock
- Trigger
- Trigger Lock
- Wheel Guard
- Wheel Guard Bolt
- Wheel Guard Lock Lever
- Grinding Wheel (sold separately)
OPERATION
Read the ENTIRE IMPORTANT SAFETY INFORMATION section at the beginning of this manual including all text under subheadings therein before set up or use of this product.
Tool Set Up
TO PREVENT SERIOUS INJURY FROM ACCIDENTAL OPERATION
Make sure that the Trigger is in the OFF position and unplug the tool from its electrical outlet before performing any procedure in this section.
Adjusting the Wheel Guard
TO PREVENT SERIOUS INJURY: Do not operate this tool without the Wheel Guard properly installed.
- Pull out the Wheel Guard Lock Lever.
- Rotate the Wheel Guard as needed to shield you during the planned work.
- Push the Wheel Guard Lock Lever back into place to secure the Wheel Guard.
- Check the Wheel Guard to ensure it is firmly in place. Adjust if necessary before proceeding.
Installing Auxiliary Side Handle
warning:TO PREVENT SERIOUS INJURY:
Do not operate this tool with one hand only or without the Side Handle properly installed.
- The Side Handle may be installed in one of two positions, on either side of the Gear Housing.
- Screw the threaded end of the Side Handle clockwise into the selected position.
Tighten securely before beginning work.
Installing a Non-threaded Grinding Wheel or Cut-Off Wheel (wheels sold separately)
- For a Grinding Wheel, it MUST be:
- rated to at least 10,000/min
- no larger than 6″ in diameter
- fitted with a 7/8″ round arbor hole
- from 0.035″ to 0.3″ thick
- a type of grinding wheel suitable for surface grinding, not edge grinding
- dry and clean
- proven undamaged by inspection
- For a Cut-Off Wheel, it MUST be:
- rated to at least 10,000/min
• no larger than 6″ in diameter
• fitted with a 7/8″ round arbor hole
• from 0.035″ to 0.3″ thick
• suitable for edge grinding, not surface grinding
• dry and clean
• proven undamaged by visual inspection
WARNING! TO PREVENT SERIOUSLY
AWARNING! TO PREVENT SERIOUS- INJURY, When using a Cut-Off Wheel, a
- wheel guard designed specifically for Cut-Off
- Wheels (not included) must be installed for adequate protection if the wheel fails.
AWARNING! TO PREVENT SERIOUS INJURY, - Use only 4.5″ grinding wheels with 4.5″ guards.
- Use only 5″ grinding wheels with 5″ guards.
- Use only 6″ grinding wheels with 6″ guards.

- rated to at least 10,000/min
- Press in and hold the Spindle Lock to prevent the Spindle from turning.
- Remove the Flange Nut. Keep the Flange in position on the Spindle.
- Thread the Flange Nut onto the Spindle. Wrench tighten only enough so that the wheel is securely held on the spindle. WARNING! TO PREVENT SERIOUS INJURY, do not overtighten Flange Nut. Overtightening can damage the wheel, causing wheel failure.
caution
TO PREVENT INJURY: Wear heavy-duty work gloves when handling wire wheels and brushes. These accessories are sharp and can cause injury. Do not exceed maximum rated speed of brush. Do not use a damaged brush. Replace damaged brushes immediately. Damaged
or worn brushes will forcefully shoot wires into all objects not covered by the guard.
- The accessory MUST be:
- rated to at least 10,000/min
- no larger than 6″ in diameter
- fitted with a threaded opening of 5/8″ x 11 TPI.
- undamaged
- a sanding disc and backing pad, a sanding flap disc, a wire wheel or a wire cup brush (accessories not included).
- Press in and hold the Spindle Lock Button to prevent the Spindle from turning.
- Remove the Flange Nut and the Flange and keep in a safe place.
- Thread disc accessory firmly onto the Spindle. Wrench tighten onto the Spindle.
WARNING! TO PREVENT SERIOUS INJURY,
- Use only 4.5″ grinding wheels with 4.5″ guards.
- Use only 5″ grinding wheels with 5″ guards.
- Use only 6″ grinding wheels with 6″ guards.
Workpiece and Work Area Set Up
- Designate a work area that is clean and well-lit. The work area must not allow access by children or pets to prevent distraction and injury.
- Route the power cord along a safe route to reach the work area without creating a tripping hazard or exposing the power cord to possible damage. The power cord must reach the work area with enough extra length to allow free movement while working.
- Secure loose workpieces using a vise or clamps (not included) to prevent movement while working.
- There must not be hazardous objects, such as utility lines or foreign objects, nearby that will present a hazard while working.
- You must use personal safety equipment including, but not limited to, ANSI-approved eye and hearing protection, as well as heavy-duty work gloves.
- Before beginning work, provide for sparks and debris that will fly off the work surface.
General Operation
TO PREVENT SERIOUS INJURY: Grip the tool firmly in both hands.
- Make sure that the Trigger is not locked on, then plug in the tool.
- To start the tool, push Lever forward and squeeze the Trigger. To turn tool OFF, release the Trigger. For continuous operation, push Lever forward and squeeze the Trigger, and then depress the Trigger Lock. To turn tool OFF, squeeze the Trigger to release the Trigger Lock and then release the Trigger.
- Allow the tool to come up to full speed before touching the work material. For grinding or sanding operations, apply the wheel or disc to the work material at a 10°– 15° angle, allowing the tool to operate at full speed. If the tool bogs down, use lighter pressure. To create a smoother surface, keep the tool moving over the work surface.
For abrasive cutting-off operations, apply the cut-off wheel straight into the work material using only the edge of the wheel, allowing the tool to operate at full speed. If the tool bogs down, use lighter pressure.
WARNING! TO PREVENT SERIOUS INJURY: Do not grind with the side of the cut-off wheel. Abrasive cut-off wheels are intended for peripheral grinding; side forces applied to these wheels may cause them to shatter.
NOTICE: TO PREVENT TOOL DAMAGE: Only use the tool for 15-20 minutes at a time. Allow the tool to cool completely before next use. - TO PREVENT ACCIDENTS, AFTER USE:
Turn off the tool.
WARNING! TO PREVENT SERIOUS INJURY: Allow the tool to come to a complete stop before setting it down.
Unplug the tool. Clean, then store the tool indoors out of children’s reach.
MAINTENANCE AND SERVICING
Procedures not specifically explained in this manual must be performed only by a qualified technician.
TO PREVENT SERIOUS INJURY FROM ACCIDENTAL OPERATION:
Make sure that the Trigger is locked and unplug the tool from its electrical outlet is removed before performing any procedure in this section.
TO PREVENT SERIOUS INJURY FROM TOOL FAILURE:
- Do not use damaged equipment.
- If abnormal noise or vibration occurs, have the problem corrected before further use.
Cleaning, Maintenance, and Lubrication
- BEFORE EACH USE, inspect the general condition of the tool. Check for:
- loose hardware
- misalignment or binding of moving parts
- damaged cord/electrical wiring,
- cracked or broken parts
- any other condition that mayaffect its safe operation.
- AFTER USE, wipe external surfaces of the tool with clean cloth.
- Periodically blow dust and grit out of the motor vents using dry compressed air. Wear ANSI-approved safety goggles and NIOSH-approved breathing protection while doing this.
- WARNING! TO PREVENT SERIOUS INJURY: If the supply cord of this power tool is damaged, it must be replaced only by a qualified service technician.
Troubleshooting
| Problem | Possible Causes | Likely Solutions |
| Tool will not start. | 1. Cord not connected. 2. No power at outlet.
3. Tool’s thermal reset breaker tripped (if equipped). 4. Internal damage or wear. (Carbon brushes or switch, for example.) | 1. Check that cord is plugged in. 2. Check power at outlet. If outlet is unpowered, turn off tool and check circuit breaker. If breaker is tripped, make sure circuit is right capacity for tool and circuit has no other loads. 3. Turn off tool and allow to cool. Press reset button on tool. 4. Have technician service tool. |
| Tool operates slowly. | 1. Excess pressure applied to workpiece. 2. Power being reduced by long or small diameter extension cord. | 1. Decrease pressure, allow tool to do the work. 2. Eliminate use of extension cord. If an extension cord is needed, use one with the proper diameter for its length and load. See Extension Cords in GROUNDING section. |
| Performance decreases over time. | Carbon brushes worn or damaged. | Have qualified technician replace brushes. |
| Excessive noise or rattling. | Internal damage or wear. (Carbon brushes or bearings, for example.) | Have technician service tool. |
| Overheating. | 1. Forcing tool to work too fast. 2. Blocked motor housing vents.
3. Motor being strained by long or small diameter extension cord. | 1. Allow tool to work at its own rate. 2. Wear ANSI-approved safety goggles and NIOSH- approved dust mask/respirator while blowing dust out of motor using compressed air. 3. Eliminate use of extension cord. If an extension cord is needed, use one with the proper diameter for its length and load. See Extension Cords in GROUNDING section. |
| Tool does not grind, sand or brush effectively. | 1. Disc accessory may be loose on Spindle.
2. Disc accessory may be damaged, worn or wrong type for the material. | 1. Be sure disc accessory is of correct dimension and Flange Arbor Nut is tight. 2. Check condition and type of disc accessory. Use only proper type of disc accessory in good condition. |
| Follow all safety precautions whenever diagnosing or servicing the tool. Disconnect power supply before service. | ||
PLEASE READ THE FOLLOWING CAREFULLY
THE MANUFACTURER AND/OR DISTRIBUTOR HAS PROVIDED THE PARTS LIST AND ASSEMBLY DIAGRAM IN THIS MANUAL AS A REFERENCE TOOL ONLY. NEITHER THE MANUFACTURER OR DISTRIBUTOR MAKES ANY REPRESENTATION OR WARRANTY OF ANY KIND TO THE BUYER THAT HE OR SHE IS QUALIFIED TO MAKE ANY REPAIRS TO THE PRODUCT, OR THAT HE OR SHE IS QUALIFIED TO REPLACE ANY PARTS OF THE PRODUCT. IN FACT, THE MANUFACTURER AND/OR DISTRIBUTOR EXPRESSLY STATES THAT ALL REPAIRS AND PARTS REPLACEMENTS SHOULD BE UNDERTAKEN BY CERTIFIED AND LICENSED TECHNICIANS, AND NOT BY THE BUYER. THE BUYER ASSUMES ALL RISK AND LIABILITY ARISING OUT OF HIS OR HER REPAIRS TO THE ORIGINAL PRODUCT OR REPLACEMENT PARTS THERETO, OR ARISING OUT OF HIS OR HER INSTALLATION OF REPLACEMENT PARTS THERETO.
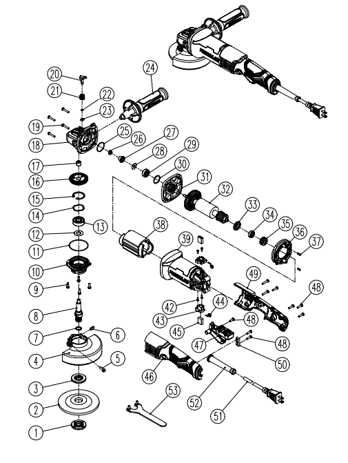
PARTS LIST AND DIAGRAM
| Part | Description | Qty |
| 1 | Clamp Nut | 1 |
| 2 | Grinding Wheel (sold separately) | 0 |
| 3 | Disc Flange | 1 |
| 4 | Wheel Guard, 4-1/2″ | 1 |
| 5 | Screw, M5 x 16 | 1 |
| 6 | Wheel Guard Lock Cover | 1 |
| 7 | O-Ring | 1 |
| 8 | Output Shaft | 1 |
| 9 | Screw, M4 x 14 | 4 |
| 10 | Gear Box Cover | 1 |
| 11 | O-Ring | 1 |
| 12 | Dust Cap | 1 |
| 13 | Ball Bearing, 6201-RS | 1 |
| 14 | Corrugated Baffle Ring | 1 |
| 15 | Circlip | 1 |
| 16 | Output Gear | 1 |
| 17 | Needle Bearing, HK0810 | 1 |
| 18 | Gear Box | 1 |
| 19 | Screw, ST4.2 x 22 | 6 |
| 20 | Spindle Lock Button | 1 |
| 21 | Spring | 1 |
| 22 | O-Ring | 1 |
| 23 | Shaft Circlip | 1 |
| 24 | Side Handle | 1 |
| 25 | O-Ring | 1 |
| 26 | Nut, M6 | 1 |
| Part | Description | Qty |
| 27 | Small Gear | 1 |
| 28 | Washer | 1 |
| 29 | Ball Bearing, 608-LUV | 1 |
| 30 | O-Ring | 1 |
| 31 | Middle Cover | 1 |
| 32 | Rotor | 1 |
| 33 | Dust Shield | 1 |
| 34 | Ball Bearing, 607-RS | 1 |
| 35 | Bearing Sleeve, 607 | 1 |
| 36 | Fan Baffle | 1 |
| 37 | Post | 2 |
| 38 | Stator | 1 |
| 39 | Housing | 1 |
| 42 | Screw, ST3 x 8 | 4 |
| 43 | Brush Holder | 2 |
| 44 | Brush Spring | 2 |
| 45 | Carbon Brush | 2 |
| 46 | Right Housing | 1 |
| 47 | Trigger Assembly | 1 |
| 48 | Screw, ST4.2 x 14 | 7 |
| 49 | Left Housing | 1 |
| 50 | Cable Lead Plate | 1 |
| 51 | Power Cable | 1 |
| 52 | Cable Sleeve | 1 |
| 53 | Wrench | 1 |
| 54 | Wheel Guard, 5″ (not shown) | 1 |
| 55 | Wheel Guard, 6″ (not shown) | 1 |
Assembly Diagram
LIMITED 90 DAY WARRANTY
Harbor Freight Tools Co. makes every effort to assure that its products meet high quality and durability standards, and warrants to the original purchaser that this product is free from defects in materials
and workmanship for the period of 90 days from the date of purchase. This warranty does not apply to damage due directly or indirectly, to misuse, abuse, negligence or accidents, repairs or alterations outside our facilities, criminal activity, improper installation, normal wear and tear, or to lack of maintenance.
We shall in no event be liable for death, injuries to persons or property, or for incidental, contingent,
special or consequential damages arising from the use of our product. Some states do not allow the exclusion or limitation of incidental or consequential damages, so the above limitation of exclusion
may not apply to you. THIS WARRANTY IS EXPRESSLY IN LIEU OF ALL OTHER WARRANTIES, EXPRESS OR IMPLIED, INCLUDING THE WARRANTIES OF MERCHANTABILITY AND FITNESS.
To take advantage of this warranty, the product or part must be returned to us with transportation charges prepaid. Proof of purchase date and an explanation of the complaint must accompany the merchandise.
If our inspection verifies the defect, we will either repair or replace the product at our election or we may elect to refund the purchase price if we cannot readily and quickly provide you with a replacement. We will return repaired products at our expense, but if we determine there is no defect, or that the defect resulted from causes not within the scope of our warranty, then you must bear the cost of returning the product.
This warranty gives you specific legal rights and you may also have other rights which vary from state to state.
Visit our website at: http://www.harborfreight.com
Email our technical support at: [email protected] For technical questions, please call 1-888-866-5797
Copyright© 2020 by Harbor Freight Tools®. All rights reserved. No portion of this manual or any artwork contained herein may be reproduced in any shape or form without the express written consent of Harbor Freight Tools. Diagrams within this manual may not be drawn proportionally. Due to continuing improvements, actual product may differ slightly from the product described herein. Tools required for assembly and service may not be included.
HERCULES HE65 4-1-2 Inch – 6 Inch 13A Trigger Grip Angle Grinder Owner’s























