Outlaw RR2160MkII Stereo Receiver Owner’s Manual
Powered Subwoofers
Use a shielded interconnect cable to connect either of the RR2160MkII’s subwoofer output jacks (R25) to the subwoofer’s line input jack. If the subwoofer has more than one input jack, check its owner’s manual to see which input you should use for a monaural bass signal. Then follow any specific connection and/or configuration instructions supplied with the subwoofer.
We suggest that you use the rear panel Bass Management switch (R22) rather than your powered sub’s internal crossover. You’ll find the RR2160MkII’s circuitry exceptionally clean and free of noise compared to similar circuits in most subs.
Passive (non-amplified) subwoofer
Modified “bi-amp” option: The modified “biamp” configuration uses the RR2160MkII’s internal crossover and is used most often:
Set the RR2160MkII’s Bass Management switch (R22) to the crossover frequency (60, 80, or 100 Hz) that is appropriate for your speakers.
Connect one of the RR2160MkII’s subwoofer output jacks (R25) to the input of the amplifier used to power the subwoofer and the output of the subwoofer amplifier to the subwoofer.
Traditional “bi-amp” option: The traditional “biamp” configuration requires an external electronics crossover and separate power amplifier:
Set the Bass Management switch (R22) to BP (bypass). Remove the U-shaped jumpers that connect the preamp outputs (R23) and power amp inputs (R24).
Connect the RR2160MkII’s preamp outputs to the crossover’s inputs. Connect the crossover’s high pass outputs to the RR2160MkII’s main amp inputs.
Then connect the crossover’s low pass outputs to the inputs of the amplifier you will use to drive your subwoofer and connect that amplifier to the subwoofer.
Adjust the crossover to best integrate the output of the wide range speakers and the subwoofer.
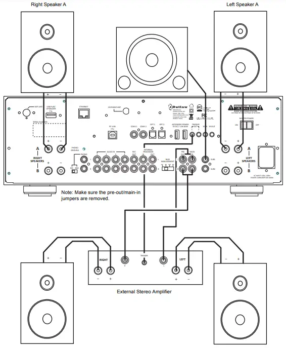
External Amplifier Connections
You can use a separate, external power amplifier either as a substitute for the RR2160MkII’s internal amp or to supplement the internal amp when adding additional speakers in a different area of your home. If following Option 1 or Option 2 listed below, an additional amplifier will only amplify the source you select with the RR2160MkII’s input selector (F18 and C3 for front panel and remote control respectively).
As with any component that is connected to the RR2160MkII, always make sure that both the RR2160MkII and the additional amplifier are OFF or disconnected from any AC power source when making these connections. A misstep here could result in severe damage to your amplifier and/or loudspeakers.
There are a number of options available to connect an external amplifier:
Option 1:
Using an external amplifier only.
Remove the pre-out/main-in U-shaped jumpers.
Connect the preamplifier outputs (R23) to the external amplifier’s inputs. Next, connect your speakers to the external amplifier.
This option lets you control the volume produced by any speakers connected to the new amplifier with the RR2160MkII’s volume control.
Option 2:
Using an external amplifier AND the RR2160MkII’s internal amplifier for two sets of speakers fed with the same source and at the same relative volume level.
Remove the pre-out/main-in U-shaped jumpers.
Using a pair of shielded RCA “Y” interconnects, connect the RR2160MkII’s left channel preamp outputto both the RR2160MkII’s main amplifier inputs and to the left channel inputs of the new amplifier.
Repeat the step above for the right channel.
This option lets you control the volume produced by any speakers connected to the new amplifier with the RR2160MkII’s volume control.
Option 3:
Using the External Loop as an additional audio output.
Although the EXTERNAL LOOP IN can be used as an additional input, the EXTERNAL LOOP OUT can be used to send audio to another receiver or integrated amplifier.
As the EXTERNAL LOOP OUT is always sending the active signal out at a fixed level, you would not want to connect it directly to an amplifier unless it had an external volume control.
Option 4:
Using an external amplifier to send a second source to a second set of speakers.
Do not remove the pre-out/main-in jumpers.
Connect the RR2160MkII’s REC OUT outputs (R20) to the external amplifier’s inputs. Next, connect the speakers to the external amplifier.
Use the RR2160MkII’s volume control to adjust the level to the speakers connected to the RR2160MkII.
The input for the source fed to the external amplifier and the speakers connected to it is selected with the front panel Record Selector (F19). As the output is fixed, we strongly advise that you either use an amplifier with built-in volume control for this application, or that an optional speaker-level volume control be installed between the outputs of the external amplifier and the speakers. Be certain that the volume control is capable of handling the power output from your external amplifier.
Note: In regards to the second zone, if you wish to monitor only the same source as your main zone all the time, you can utilize the External Loop OUT instead of the REC OUT.
12 Volt Trigger
The RR2160MkII has two 12 volt Trigger outputs that provide a 12 volt DC signal that can be used to control compatible external components such as amplifiers, blinds and projection screens.
To control an external device such as an Outlaw power amplifier with the RR2160MkII, connect either one of the Trigger Outputs (R9) on the rear panel to the matching “Trigger” or “Control” input on the external component.
Once the two units are connected, the external component will turn on when the RR2160MkII is on, and off when the RR2160MkII is turned off.
IR Input and Output
The RR2160MkII has an IR input and IR output that can be used with external IR remote sensors.
To use the RR2160MkII’s remote when the receiver is concealed, connect an external IR sensor to the IR Input. A 3.5mm mono cable may be connected to the IR Output to pass the IR signals through to an additional concealed component, such as a CD player.
USB Power Ports
These ports may be used to supply 5 VDC power to phones, tablets or other accessories. The total current draw cannot exceed 1000ma. These ports do not enable the “Fast Charge” mode on some phones.
AC Power Connection
Insert the supplied power cord into the AC input socket (R27), and then connect it to a nonswitched AC outlet. If a power conditioner or other device is used between the receiver and the AC power source, it is your responsibility to make certain that the external device is capable of handling the power drawn by the receiver. Use of external power products not compatible with the RR2160MkII may create a safety hazard.
It is important to use the supplied power cord, not a standard IEC 3-prong (grounded) power cord. If the power cord is replaced, be certain to use one with identical configuration and capacity.
CAUTION: Before you plug the power cord into an AC wall outlet, confirm that you’ve made all connections to the RR2160MkII first.
WARNING: Never disconnect the power cord at the RR2160MkII end while the other end is still plugged into an AC outlet. This may cause an electric shock. Always connect power by plugging into the AC outlet last and disconnect by unplugging from the AC outlet first.
Connecting Loudspeakers to the RR2160MkII

Option 1: Using an External Amplifier

Option 2: Using an External Amplifier and the RR2160 MkII’s Internal Amplifier

Operation
Once the RR2160MkII is connected to sources and speakers, you’ll find that it is easy to operate.
Read the following section to learn the basics of operating the RR2160MkII, as well as a few tips and tricks that will enhance your enjoyment of your entire system.
Before using the RR2160MkII, you’ll need to insert the supplied AAA batteries into the remote control.
Please be sure to match the batteries with the “+” and “–” markings inside the battery compartment during installation.
Note: Do not mix new and old batteries or different kinds off batteries. To avoid corrosion, remove the batteries if the remote control will not be used for one month or more. Remove dead batteries immediately to avoid damage from corrosion.
To Install Batteries in the Remote Control:
- Push the bottom of the remote back (in the direction of the arrow) until the hinged door opens.
- Insert two new AAA alkaline batteries. Match the + and – marks on the batteries to the + and – marks in the battery case.
- Slide the battery cover door back into place.
The door should click when the cover is locked. - Test the unit by pressing any key. If the batteries are inserted correctly, the backlight will illuminate all of the keys.
Note : The batteries will usually last about six months under normal use. When batteries need replacement, the remote will blink twice with every key press. Simply replace both batteries and the remote control will be restored to its full functionality.
Power
To Turn the RR2160MkII On:
- Turn the rear panel Master Power switch (R11) on.
The front panel blue Standby LED (F10) will glow blue. - Press the front panel’s Standby button (F10) or the ON button (C1) on the remote control.
The Standby indicator will go out and the front panel display will illuminate.
To Place the RR2160MkII in Standby Mode:
- Press the front panel’s Standby button (F10) or the remote control’s OFF button (C2).
The Standby indicator will turn blue and the front-panel display will turn off.
NOTE: The rear panel Master Power Switch is normally left in the “ON” position, as that enables the unit to be placed in a Standby mode so that it may be turned on or off from the front panel or the remote control. The only times the rear panel switch should be turned off in normal operation is if the RR2160MkII will not be used for an extended period of time, or if you wish to connect or disconnect a component or speaker.
Choosing a Source
To Select a Source From the Remote Control:
- Press one of the remote control’s source buttons (C3). For buttons serving multiple inputs (Analog, Coaxial, Optical, USB, NET, TNR), press the button multiple times to scroll through those inputs.
The front-panel display will show the selected source.
To Select a Source From the Front Panel:
- Press the front panel’s Source selector button (F17) multiple times to the desired source device.
The front-panel display will show the selected source.
Using the Volume Control
To Adjust Volume Level:
- Press the remote control’s Volume Up or Down buttons (C9) or turn the front panel’s Volume control knob (F21).
Holding the remote’s Volume Up or Down buttons will turn the level up or down quickly.
Muting the Volume
To Mute the Sound Off Momentarily:
- Press the MUTE button on the front panel (F20) or the remote control (C19).
The sound will mute and the front panel Mute button’s blue LED will glow.
To Turn Muting Off:
- Press the MUTE button or adjust the volume level to restore volume to its previous level.
Speaker A/B Selection
The RR2160MkII allows you to connect two pairs of speakers, each of which will be sent the same output signal. Four options are available, depending on which you select with the Speaker Selector button (F14 or C15). Each time you press the button, a different option will appear on the bottom line of the front panel.
- Select “Speaker A” to listen to speakers connected to the “A” speaker output terminals only.
- Select “Speaker B” to listen to speakers connected to the “B” speaker output terminals only.
- Select “Speaker A+B” position to listen to both sets of speakers.
- Select “Speaker Off” to disable all speakers connected to the RR 2160. The front panel Speaker button’s blue LED will turn off.
Speaker EQ
The RR2160MkII’s unique speaker EQ circuit allows you to add an additional 6dB (about one-half octave) of bass at and below a specific frequency to increase the low end performance of traditional bookshelf speakers. Particularly with sealed (rather than ported) designs with eight or ten inch mid-range drivers, this circuit helps compensate for the roll-off at the low end of the speaker’s range. It is not generally recommended for use when a separate subwoofer is connected.
It is important to understand that this circuit is not a replacement for the traditional “Bass Control”, which applies a wide boost or cut at a center frequency of 50Hz. Further, this circuit is not part of the bass management circuit, described on page 15.
To Activate Speaker EQ:
- Look at the specification for your speakers and check for the lowest frequency your speakers are able to reproduce.
- Press the Speaker EQ button (F15 or C10) multiple times to select an EQ setting using a frequency that is either at the speaker’s lower frequency, or one notch above it. Options include 55Hz, 65Hz, and 80z.
There are no hard rules as to which way to set this, if indeed you feel it contributes to the sound of your system at all. A variety of conditions, including the type of speakers in use, the room acoustics and your personal listening preferences are all factors here. If you like the way the system sounds, choose the setting that works best for you.
To Deactivate Speaker EQ:
- Press the Speaker EQ button (F15 or C10) until the front panel display reads “EQ OFF” and the front panel Speaker EQ button’s blue LED turns off.
Note: Be careful about using this circuit when the bass control is turned to its maximum boost. That is almost guaranteed to provide an undesirable result!
Adjusting Tone Controls
The RR2160 MkII offers front panel tone controls that may be adjusted to suit your listening taste. You may also take the tone controls out of the circuit completely for “flat” operation.
To Adjust the Tone Controls:
- Press the Tone Off button (F1) so that the button’s blue LED is off and the front panel says “TONE ON.” This activates the tone control circuitry.
- Turn the Bass control knob (F2) clockwise or counterclockwise, or press the Bass button on the remote (C18) and use the left and right navigation buttons (C7).
You can adjust the bass cut or boost within a range of ± 10 dB. The 0dB value represents the setting where bass is neither added nor removed. - Turn the Treble control knob (F5) clockwise or counterclockwise, or press the Treble button on the remote (C8) and use the left and right navigation buttons (C7).
You can adjust the treble cut or boost within a range of ± 10 dB. The 0dB value represents the setting where treble is neither added nor removed.
To Disable the Tone Controls:
- Press the Tone Off button (F1).
The front panel will say “TONE OFF” and the button’s blue LED will light to remind you that the tone controls are deactivated.
Balance Adjustment
The left/right balance of the RR2160MkII’s output may be adjusted by using the Balance Control.
To Adjust the Balance:
- Turn the Balance control knob (F3) clockwise or counterclockwise, or press the left and right navigation buttons on the remote (C7).
Turning the knob clockwise or pressing the right button emphasizes the right speaker more. Turning the knob counterclockwise or pressing the left button emphasizes the left speaker. As adjustments are made, the front panel will display “BALANCE” followed by the current balance setting. This will be “00” for equal left/right balance, “L01” to “L20” for minimum to maximum left emphasis, or “R01” to “R20” for minimum to maximum right emphasis.
Using Headphones
You can use headphones for private listening without disturbing others or for critical listening. Be aware that the headphone experience is not the same as using speakers. Although some listeners prefer headphones, most prefer the loudspeaker experience better. It’s your choice.
To Listen to the RR2160MkII Using Headphones:
- Plug in any pair of headphones using a standard 1/4 inch stereo headphone jack into the front panel input (F11).
For headphones used with portable devices, you may need a 3.5mm to 1/4 inch adaptor available at most electronics parts stores. - Use the headphone Level (F12) control to the right of the headphone jack to set the sound level for the headphones.
- Use the Balance (F3), Bass (F2) and Treble (F5) controls to adjust the sound output of the headphones.
Note: The RR2160MkII’s volume control also affects headphone output. The headphone jack is switched, so plugging in headphones will mute your speaker output. WARNING: Make sure to turn your volume down before unplugging your headphones as this will send audio back to your speakers; this could be quite loud and you do not want to damage your speakers.
Recording
The RR2160 MkII allows you to send the signal from any analog input source to a recording device properly connected to the rear panel Record Output jacks (R20). Note that unlike many current audio products, the RR2160MkII has a separate record output bus so that you may listen to one source (selected with the remote control or the front panel Source control) and record a different source. It is important to remember this, as you may be used to always having the source you are listening to being sent to the record output.
To Record from a Selected Input Source:
- Prepare your recording device. Follow the recommended procedure from the recorder manufacturer about input settings, levels etc.
- Select the source you want to record by using the front panel Record selector (F19 or C5).
- Place the device in record mode to begin recording.
To Monitor Your Recording:
- Set the Source selector (F18 or C3) to your recording device.
Audio from your recording device will play through the RR 2160.
To Listen to Another Source During Recording:
- Set the Source selector (F18 or C3) to the desired input source.
Audio from the selected source will play through the RR2160MkII. Audio to the recording will not be affected.
Setting Sleep Timer
The RR2160MkII’s sleep timer automatically shuts the unit off after a predetermined amount of time.
To Activate the Sleep Timer:
- Press the remote control’s Sleep button (C14).
The front panel display will show “Sleep” and the number of minutes until the unit shuts off immediately below the word “Sleep.” - Press the Sleep button repeatedly until you’ve chosen the amount of “sleep time” you want.
The available choices are: 0.5HR 1.0HR 1.5HR 2.0HR 2.5HR 3.0HR 3.5HR 4.0HR OFF
Using the Tuner
The RR2160 MkII’s tuner is exceptionally flexible and user-friendly. It is, however, the only source that must be set up to match your listening preferences. Once you’ve followed the simple steps shown in the following pages, you’ll be able to easily enjoy your favorite radio broadcasts.
The FM tuner supports RDS (Radio Data System), which allows the RR2160MkII to display song titles and other information. Similarly, the HD Radio tuner supports Program Service Data, which will scroll station or song information across the second line of the front panel.
Selecting Tuner Mode
To Select the Tuner from the Front Panel:
- Press the Source Selector (F18) until TUNER appears in the front panel display.
- Using the Up and Down tuning buttons (F6 and F7 respectively), tune to the station you want to listen to.
To Select the Tuner from the Remote Control:
- Press the TNR input button (C3) on the remote control to select the tuner.
- Press the TNR button (C3) again to toggle between AM and FM bands.
- Press the navigation Up and Down buttons (C7) to select the desired station, or use the Tuner Scan Up and Down buttons (C20) to scan between stations broadcasting a signal.
- When the tuner detects an HD Radio station, it will tune to the first available HD station (HD1). A slight lag in acquiring this HD station is normal. Some (but not all) HD Radio stations offer additional channels (HD2, HD3, etc.) in addition to the main station programming carried on HD1. If multiple HD Radio stations are available, the navigation Up and Down buttons (C7) may be used to select those additional HD stations.
Note: The RR2160MkII will indicate if additional HD Radio channels are available by showing a “+” next to the current HD channel (“HD1+”). HD Radio reception, as with normal AM and FM, may vary due to your distance from the transmitter. In some cases, you may be able to tune in the main station but not the HD Radio channels. For a complete list of HD Radio stations, go to https://hdradio.com/stations.
FM Tuner Mode
To Change the FM Tuner Mode (Mono or Stereo):
- Press TUNER MODE on the remote control (C11) to select the desired mode. STEREO will tune stereo signals. MONO will tune either mono or stereo signals. When a station’s signal is weak in the STEREO mode, selecting mono will often provide a signal that is more acceptable by switching to the mono sound mode.
Direct Tuning
You may tune up or down through the FM bands using the Up/Down tuning controls on the front panel or remote, but sometimes you may wish to tune a station directly. That is easy to do on the RR2160MkII by following these steps:
Once you’ve entered the complete frequency, the tuner will automatically tune to it.
To Enter a Frequency (Station) Directly:
- Press DIRECT on the remote control (C13).
The current frequency will go blank on the front panel display. - Use the 10 numeric keys on the remote control (C4) to enter the desired frequency.
For example, to enter 89.3 FM, simply punch in 893. The numbers will appear on the front panel display as you key them in. The tuner will automatically tune to the new frequency
Memorizing Your Favorite Stations
Once you have tuned to a station, you may enter it into the receiver’s memory so that it may be easily recalled for future listening. The tuner memory holds up to 20 stations in any order you choose.
To Program Stations into Memory Using the Remote Control:
- Tune to the FM, or HD station you want the RR2160 MkII to memorize.
- Press the Memory button on the remote control (C22).
A number will appear directly to the left of the station frequency on the top line of the front panel display. - Within 5 seconds, enter a two-digit memory number (from 01 to 20) using the remote control’s numeric keypad (C4).
If a station preset already existed at this value, it will be replaced by the new number.
Note that individual HD Radio stations (HD1, HD2, etc.) may be saved to separate presets. - Repeat these steps for any additional stations, up to a total of 20.
Tuning a Preset Station
Once a station’s frequency is entered into the receiver’s memory, it is easy to recall the station or scan through the list of preset stations.
To Select a Preset Station:
- With tuner selected as your source, enter the two digit preset number of the desired station using the 10 numeric keys on the remote control (C4).
To Manually Scan Through Preset Stations:
- With tuner selected as your source, press the Preset Up or Preset Down buttons on the remote control (C21) until the desired station is heard.
Playing Audio Files from a USB Source
When we created our original RetroReceiver, the RR 2150, the focus was on a classic, back-tobasics analog design with some modern touches.
For the RR 2160, we’ve kept that focus, but we had to tip our hats to the rapid and significant growth of media files as an audio source. With that in mind, the RR 2160’s trio of USB ports (one front, one rear, and one rear for PC) offer two ways to play audio files.
USB “thumb drive” memory sticks and similar devices with a maximum capacity of 32GB may be connected to the Front USB or Rear USB input so that files stored on the device can be played by the RR2160MkII. A variety of file formats are supported, with a maximum bit depth and sampling rate of 24bit/192kHz. No file folder . navigation is supported, so all files on the device will be sorted alphabetically regardless of the folder they are saved in. If listening to content via a USB thumb drive, please ensure you pause playback before disconnecting the drive.
Playing Audio Files from a USB Device:
- Connect USB device to either the front USB input (F17) or rear USB input (R2).
- Select the Front USB or Rear USB input using the Source button (F18) or by pressing the USB source selector button on the remote (C3). Playback of the first file will start automatically after the RR2160 MkII has cataloged the files.
- Use the Up and Down Navigation buttons on the remote (C7) or the Tuning Up and Tuning Down buttons on the front panel (F6 and F7) to scroll through the available files and press the Enter button (C17 or F9) to select a file, and the Enter button to pause or resume playback.
The second line of the front panel display will show the file name of the chosen file with a number in front of it that is assigned when the files are sorted. During playback, the second line will display the elapsed time. When a new file loads, the title will display before the elapsed time indicator returns.
The PC USB input allows the RR 2160 to act as an external sound card for a PC or Mac. With this input, any file format supported by the computer is supported, with bit depth and sampling rates up to 24bit/192kHz. If using a Windows based machine, please visit www.outlawaudio.com/support to download the appropriate driver. If using a Mac, this is not necessary.
Playing Audio from a Computer
- When a computer is connected to the PC USB port (R4), select the PC USB input using the Source button (F18) or by pressing the USB source selector button on the remote (C3).
Once that input is selected, any audio from the computer will be played through the RR2160MkII.
Using the Internet Radio
The RR2160MkII’s Internet Radio source connects you to a huge library of radio stations that are available for free streaming over the Internet.
- Make sure the receiver is connected to your home network using an Ethernet cable to the Ethernet input, or using WiFi.
- Select the Internet Radio input using the Source button (F18) or by pressing the NET source selector button on the remote (C3).
- Sort the available stations by pressing MENU (C6 on the remote, F8 on the front panel) and using the Up and Down Navigation buttons on the remote (C7) or the Tuning Up and Tuning Down buttons on the front panel (F6 and F7) to scroll through the available categories. Use the ENTER button (C17 on the remote, F9 on the front panel) to select options from the list, and use MENU to move backward through the list.
Top level options include Favorites, Location, Genre, and Podcast. Location starts at region or continent, then lists countries. For some countries, there is an additional breakdown for states and for individual cities. - Once a category has been selected, use the Up and Down Navigation buttons on the remote (C7) or the Tuning Up and Tuning Down buttons on the front panel (F6 and F7) to scroll through the available categories.
The second line of the front panel display will show the name of the chosen station.
The RR2160MkII provides access to a large and regularly-updated list of available online sources.
The availability of specific stations or channels is determined by the individual provider. Outlaw Audio cannot guarantee the continued availability of any Internet program source.
Setting & Removing Favorites with Internet Radio
Navigating through so many stations can be tedious.
We recommend saving some of your most liked stations to your favorites list:
- While listening to a station, press the MEM button, on the remote (C22).
- The front panel display will show “Add Favorite” If listening to one station, but browsing through a list of others, pressing the MEM button will add the station that is currently displayed on the front panel (whether you are listening to it or not).
- To view your favorites, navigate to the Top level option of “Favorites”. Then, press the ENTER button (C17 on the remote, F9 on the front panel).
While viewing a station on your favorites list, you may press and hold the MEM button for roughly 2 seconds to remove it from your favorites list. The front panel display will then show “Del Favorite”.
Using the RR2160 App
SECTION TO FOLLOW
RR2160MkII Setup Menu
The MENU button provides access to a simple setup menu with several options for adjusting your RR2160 MkII.
- Press the MENU button (C6 on the remote, F8 on the front panel) for 2-3 seconds.
Front panel will display “Setting” on the top line and “Version” on the second line. - Use the Up and Down Navigation buttons on the remote (C7) or the Tuning Up and Tuning Down buttons on the front panel (F6 and F7) to scroll through the available menu options.
Use the ENTER button (C17 on the remote, F9 on the front panel) to access a menu and the MENU button to go back a level. Use the EXIT button (C16) to exit the setup menu.
The menu options are outlined below.
- Setting
- Network Setup
- IP Address
- MAC Address
- Update Setup USB
- Network Setup
- Version
- Brightness
- 100%
- 50%
- 25%
- Off
- Factory Reset
Network Setup provides access to the IP address and MAC address of the RR2160MkII’s network card.
Update Setup allows the user to install a firmware update via USB stick.
Version displays the currently installed firmware version.
Brightness allows you to change the brightness of the front panel. This adjustment is also available from the remote using the “DISP” button (C12).
Factory Reset will erase all user settings and return the unit to factory default values.
Care and Maintenance
Cleaning
To clean normal dust, wipe your RR2160MkII with a clean, soft, dry cloth.
If the dirt has really accumulated (Outlaws aren’t always the most meticulous people, are they?), first wipe the surface with a soft cloth that’s slightly dampened with mild soapy water. Follow that with a fresh cloth dampened with clean water.
Wipe dry immediately!
NEVER use benzene, thinner, alcohol or any other volatile cleaning agent. Do not use abrasive cleaners, as they may damage the finish of the metal parts.
Avoid spraying insecticide, waxes, polishing agents, or any aerosol product near the unit.
When You’re Away
If you will not be using your home theater system for an extended period of time, it’s always a good idea to turn everything off.
For the RR2160MkII, this means turning off the rear panel’s Master Power switch (R11). This will prevent the automatic turn on circuits from accidentally turning the system on during your absence.
You may want to unplug all your other components, too.
If you think there’s a possibility of electrical storms during your absence, it’s also a very good idea to disconnect all “downleads” (cable and satellite antenna connections, etc.) to prevent high voltage spikes that may damage your components.
Troubleshooting
Your new RR2160MkII is designed to provide years of trouble-free operation. However, the complexity of today’s sophisticated home theater systems means that you might encounter an occasional problem with your system. You’ll find some of the more common issues listed below.
If your problem persists, please contact us at: support.outlawaudio.com
| Symptom | Possible Cause | Solution Options |
| Unit does not turn on when remote or front panel buttons are pressed | No AC Power | Make certain AC power cord is plugged into a live outlet Make certain rear panel MAIN POWER switch is ON |
| Intermittent buzzing in tuner | Interference from local sources | Move or relocate the antenna Move the antenna or unit away from computers, fluorescent or neon lights, or appliances with motors |
| Unit does not respond to remote commands | Low remote battery power Remote sensor is obscured | Change the batteries Make certain the front-panel remote sensor is not blocked or connect an external remote sensor |
| No sound from one or both channels | Poor connections Incorrect speaker mode | Check interconnects to the amplifier and speakers Check speaker selector to make sure connected speakers are turned on. |
RR2160MkII Specifications
| Audio Section | |
| Continuous Average Power | 110 watts/channel (8 . 20Hz to 20kHz, |
| Input Sensitivity/Impedance | |
| High Level | 200mV/37k |
| MM Phono | 3.3mV/47k |
| MC Phono | 0.6mV/47k |
| Bass Management | |
| High-Pass Slope | igh-Pass Slope Adjustable 60Hz/80Hz/100Hz/Bypass 12 dB/octave (2nd order) |
| Low-Pass Slope | 12 dB/octave (2nd order) |
| lortnoC enoT | |
| T Bass Center Frequency/Range | 50Hz ± 10dB |
| Treble Center Frequency/Range | 10kHz ± 10dB |
| Frequency Response @ 1W | 20Hz to 20kHz (+ 0dB/-0.5dB) |
| S/N Ratio (IHF-A) | 96dB unweighted |
| Transient IMD | Unmeasurable |
| FM Tuner Section | |
| Frequency Range | 87.5 – 108 MHz |
| Usable Sensitivity (IHF) | 12.8dBf |
| S/N Ratio | |
| Mono | 75dB |
| Stereo | 70dB |
| Stereo Separation @ 19kHz | 37dB |
| General | |
| Supply Voltage | 120W, 60Hz only |
| Power Consumption | |
| Power Consumption | 0.4W |
| Idle | 70W |
| At Full Load | 400W max |
| Trigger Output | Sequential Delay 50 mA @ 12 VDC continuous |
| USB Accessory Power Output | 5V DC / 1.0A max. |
| Dimension | 17.1 x 5.75 x 15.0 inches |
| Weight | 28.3 lbs |
HD Radio Technology manufactured under license from iBiquity Digital Corporation. U.S. and Foreign Patents. For patents see www.patents.dts.com. HD Radio and the HD, HD Radio, and “ARC” logos are registered trademarks or trademarks of iBiquity Digital Corporation in the United States and/or other countries.
Version 0.99a
Outlaw Audio Limited Warranty
This warranty protects the owner of the Outlaw RR2160MkII RetroReceiver (the PRODUCT) for two (2) years from the date of purchase*. This warranty covers all defects in material and workmanship with the following specific exceptions. These are:
- Damage caused by improper installation or adjustment
- Damage caused by accident, unreasonable use or neglect
- Damage from failure to follow instructions contained in this Owner’s Manual
- Damage from the performance of repairs by someone not authorized by Outlaw Audio
- Any unit on which the serial number has been effaced, modified, or removed
- Damage occurring during shipment
- Units which have been altered or modified in design, appearance or construction.
This warranty covers only the actual defects within the PRODUCT itself. IT DOES NOT cover costs of installation in (or removal from) a fixed installation, or normal setup, claims based on any misrepresentation by the seller, or performance variations resulting from installation related circumstances such as signal quality, AC power or incompatibilities with speakers and/or other system components.
During the warranty period, Outlaw Audio will, at their option, either repair the defect, or replace the defective product, or the defective parts, or components thereof at no charge to the owner for parts and labor covered by this warranty. If necessary repairs are not covered by this warranty, or if a unit is examined which is not in need of repair, you will be charged for the repairs and/or the examination. If non-warranted repairs are needed, we will notify you of the estimated cost and ask for your authorization to perform said repairs.
You must pay shipping charges incurred in getting your Product to the factory. We will pay the return shipping charges if the repairs are covered by the warranty.
Please save the original shipping cartons, as the unit MUST be returned in the original carton and packing.
(Replacement cartons are available at a modest charge.)
If your product needs service, please contact us at support.outlawaudio.com
You will need to present the original bill of sale to establish the date of purchase. In the event that the proof of purchase cannot be established with the original receipt, the warranty period shall be determined by the earliest date of manufacture shown on the unit, provided that the serial number label has not been altered in any manner, or by our records relating to that serial number.
In the event that you wish to return your Outlaw Product back to us, for any reason, please call to arrange for a Return Authorization Number. This will ensure that your problem is discussed with a service technician who will determine if there is a quick solution to your problem.
Outlaw Audio shall not be liable for, in any way responsible for, any incidental or consequential damages of any kind. Some states do not allow limitations on how long an implied warranty lasts and/or do not allow the exclusion of incidental or consequential damages; therefore, the limitations and exclusions stated herein may not apply to you.This warranty gives you specific legal rights; and you may also have other rights that vary from state to state.
THERE ARE NO WARRANTIES GIVEN BY OUTLAW AUDIO THAT EXTEND BEYOND THE DESCRIPTION GIVEN HEREIN. ANY IMPLIED WARRANTIES OF FITNESS FOR PURPOSE SOLD, MERCHANTABILITY, DESCRIPTION, QUALITY OR ANY OTHER MATTERS ARE LIMITED TO THE TERMS OF THE EXPRESSED LIMITED WARRANTY STATED HEREIN.
Products are sold on the basis of specifications applicable at the time of sales. Outlaw Audio shall have no obligation to modify products once they have been sold.
This warranty is applicable only in North America.
Outlaw Audio’s warranty is limited to ninety (90) days from the date of original purchase for any Outlaw Audio product that is used for professional or commercial purposes, or any other income-producing purpose.
















