price $6.00
SERVICE MANUAL
SCOTT 631 RECEIVER

… where innovation is a tradition
H. H. SCOTT, INC., 111 Powder Mill Road, Maynard, Massachusetts 01754, Tel. 617 897-8801
Scott … where innovation is a tradition![]()
H. H. Scott, Inc. 111 Powdermill Road, Maynard, Mass., 01754
SERVICE MANUAL
SPECIFICATIONS
TUNER (FM-MPX)
Usable Sensitivity (IHF) 2.0 microvolts
Cross Modulation Rejection 80 db
Signal to Noise Ratio below 100% modulation 60
Total Harmonic Distortion 0.8%
Frequency Deviation (Drift) 0.02%
*Frequency Response 30 to 15,000 Hz ± 1 db
Capture Ratio 2.5 db
Selectivity 42 db
Tuning Range 87 to 108 mc
Accuracy of Calibration 0.5%
Separation 40 db or more
FM & IF Limiting Stages 9
*This is limit of FCC Stereo Broadcast specifications. All H. H. SCOTT tuners have far wider frequency response.
TAPE OUTPUT
Rated Voltage Output to Tape Recorder 0.5 V
Minimum Recommended Load Resistance 47 k ohms
PRE-AMPLIFIER
Input:
Tape Head – Input Impedance 47 k ohms
Signal for Rated Output 3 mv
S/N Ratio 60 db
Phone-Input Impedance (All Switch Positions) 47 k ohms
High Level Inputs – Input Impedance 60 k ohms
Signal for Rated Output 75 db
S/N Ratio 80 db
Frequency Response in Flat Position 18-25 khz 1.0 db
Treble Controls Measured at 10,000 Hz, Boost & Cut 10 db ± 2 db
Bass Controls Measured at 30 Hz, Boost & Cut 12 db ± 2 db
Scratch Filter -6 db/octave: -3 db @ 5 k Hz
Loudness Compensation (maximum) + 12 db @ 50 Hz
Loudness Compensation + 4 db @ 10 k Hz
AMPLIFIERS
Power Ratio (watts per channel)
@ 0.8% Harmonic Distortion
@ 4 ohms 32.5 watts
@ 8 ohms 25 watts
Continuous Output Single Channel
@ 8 ohms, 0.8%Harmonic Distortion 18 watts
Continuous Output Both Channels
@ 8 ohms, 0.8%Harmonic Distortion 18 watts
© Copyright H. H. Scott, Inc. 1967 Form D-342-B/382-B-2W
AUDIO TEST
________________________
Total Harmonic Distortion 0.8%
Frequency Response 18-25,000 ± 1 db
Power Bandwidth at Rated Distortion (IHF Method) 25-20,000 Hz
Hum and Noise (Phono) -55
Range of Line Voltage and Frequency 105-120v, 50-60 Hz
Power Consumption – 117 v at 60 Hz (AC only) 25-95 watts
EQUIPMENT NEEDED
Audio Oscillator
VTVM
Oscilloscope
VOM
Load Box
Attenuator
Distortion Meter
Variac
AC Supply Fixture
Set Controls to the Following:
Input Selector Extra
Stereo Switch Stereo
Tone Controls Flat “0”
Loudness Min.
Stereo Bal. Sw. Norm.
Noise Filter OUT
Speaker Switch ON
Power Switch OFF
1. Bias and Balance Settings and Voltage Checks
Turn unit on – watch carefully for any signs of voltage shorts. With bias pots (lK) still full ccw (from top of unit), check supply for 48 to 50. Adjust bias pots for 0.8 mA current from each test point in the rear of the unit to ground.
Check power supply board for 25V +10%
Check power supply board for 12V +10%
2. Sensitivity Check
Audio osc. to EXTRA at .3V (+2 dB) input. Connect 8 ohm load to main speaker taps. Turn loudness pot to max., observe output of 18 watts (12V). Check tape output jack with troubleshooting lead for same output as signal.
3. Distortion Check
At 12V output max. distortion 0.6%.
4. Tape Monitor Switch Check
Audio osc. to EXTRA at .3 input to L channel. Note output at left channel speaker terminal. Put tape monitor switch in the IN position. Note loss of output. Connect input cable from L channel tape out to L channel tape in. Note restoration of signal out. Repeat process for R channel, then return tape monitor switch to out position.
5. Speaker Switch & Phone Jack Check
Speaker switch to OFF position. Note complete loss of signal. Loudness to min. Insert phone plug to phone jack, remove speaker leads, and connect to phone plug leads. Loudness to max. Note drop of 26 ± dB. Switch main speakers in, note restoration of signal. Switch to remote speaker position on speaker taps and speaker switch. Note drop in output of 1 to 2 dB. Speaker switch off, note loss of signal. Return speaker switch to main position and load to main speaker taps.
6. Loudness Volume Check
Loudness pot to #4 flat, osc. 1 kHz. Take reference. Osc. to 100 Hz. Note rise of 7dB ±2. Switch osc. to 10 kHz. Note rise of 0 ±2 to dB. Loudness pot to max. Osc. 1KHz output 12V. Loudness to min., drop of 70 dB. Loudness pot to max.
7. Tracking Check
In 10dB steps check tracking of L & R channels, output may be no more than 3 dB between channels down to 40 dB down.
8. Crosstalk and Stereo Switch Check
At 1 kHz turn loudness pot to 10 flat, output to 12V, mono-stereo switch to stereo, bal switch to bal. left. Note drop of 0 dB. Bal. switch to bal. right. Note additional drop of 50dB. Return controls to previous settings. Loudness pot to max., attenuate to 0 dB on 1V range.
9. Tone Control Check (0dB 1V range)
Bass 100 Hz Treble 10 kHz
Boost -10 dB ±2 dB Boost – 10 dB ±2 dB
Cut – 15 dB ±2 dB Cut – 10 dB ±2 dB
10. Frequency Response Check
Osc. 0 dB 1 kHz reference on 1V range. Sweep osc. from 35 Hz to 20 kHz, note maximum variation of ±2 dB. 3 dB down point 20 Hz or lower
3 dB down point 30 kHz
11. Regulation Check
At 1kHz 0 dB 1 V range remove 8 ohm load switch. Output rise of 1dB max.
12. Noise Filter Check
At 5 kHz noise filter IN. Note 4 dB drop in output ±2 dB.
13. Preamp Gain Check @1 kHz
Attenuate input 35 dB, input leads to phono low. Output 0 dB 1V range ±1 dB. Stereo mono switch to mono, note drop of 7 dB in output. Stereo mono switch to stereo. Input selector switch to phono – high, note drop of 7 dB. Input selector switch back to phone – low, output 0 dB 1V range.
POWER SUPPLY
14. Preamp Frequency Response Check
1 kHz 0dB (ref)
10 kHz -12 ±2 dB
100 kHz +13 ±2 dB
15. Hum Checks (all inputs shorted)
Position Loudness Pot Max Hum
Extra 0 3 mV
Extra 10 5 mV
Phono High 10 30 mV
Phono Low 10 30 mV
16. Repeat steps 2 through 15 for R channel.
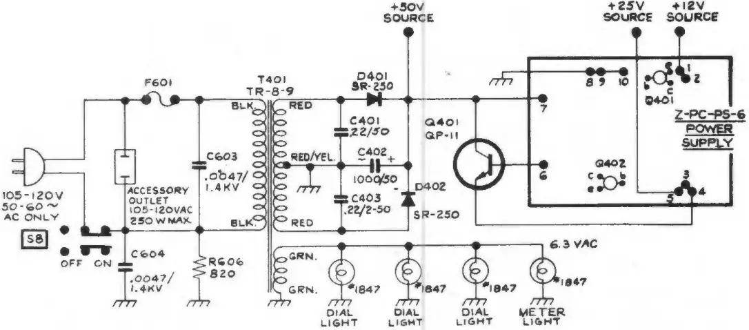
Q401, Q402 – QA-10
POWER SUPPLY Z-PC-PS-6 00

- TO SUPPLY VOLTAGE AND COLLECTOR OF SERIES REGULATOR TRANSISTOR
- TO BASE OF SERIES REGULATOR TRANSISTOR
- TO EMITTER OF SERIES REGULATOR TRANSISTOR
- REGULATED +25V
- REGULATED +12V
- POWER SUPPLY Z-PC-PS-6
NOTES:
UNLESS OTHERWISE SPECIFIED
1. RESISTANCE IN OHMS ±10%
CAPACITANCE IN MFD’S
RESISTORS ¼ WATT
PRE AMP-TONE CONTROL-DRIVER
DRIVER OUTPUT TO POWER TRANSISTORS (QP-8)

TONE CONTROL – DRIVER Z-PC-TD-6
| Q1 Q101 | QA-14 |
| Q2 Q102 | QA-12 |
| Q3 Q103 Q4 Q104 | QA-14 |
| Q5 Q105 | QA-16 |
| Q6 Q106 | QA-11 |
| Q7 Q107 | QA-10 |
- PRE AMP INPUT
- PRE AMP OUTPUT
- DRIVER INPUT
- LINE SHOWS SIGNAL PATH THRU AUDIO SECTION OF UNIT (RIGHT CHANNEL)

TONE CONTROL-DRIVER Z-PC-TD-6 00
HIGHEST SERIES NUMBERS | |
C22 | CI22 |
NOTES:
1. UNLESS OTHERWISE SPECIFIED:
RESISTANCE IN OHMS ±10%, CAPACITANCE IN MFD’S
RESISTORS ¼ WATT. ALL VOLTAGES DC ±15%
MEASURED WITH 20 KΩ/V VOM NO SIGNAL & 117 VAC LINE.
2. ARROWS ON POTENTIOMETERS INDICATE CW ROTATION
3. ARROW HEADS INDICATE MAIN SIGNAL PATH.
AM TEST
TUNER-AM SECTION
1. Switch tuner to AM position, output from tape output jack.
2. Connect signal generator at 455 kHz through .05 capacitor to green lead from If board to feedthrough terminal in front end. Clip ground lead to chassis. Remove RF transistor.
3. Peak IF’s and detector for maximum A.G.C. (tuning meter indication) of audio noise output, using no modulation. Final peaking should be done with 20 uv from generator with output level of 100 mv ±2 dB.
4. Remove signal generator coupling to IF’s, connect generator to external antenna terminals. Install RF transistor.
5. Tune oscillator coil to 600 KHz and oscillator trimmer to 1600 kHz. Tune RF trimmer at 1400 KHz, and antenna slug at 800 KHz. Seal antenna core.
6. Repeat Step 5 until unit is aligned and max. output at given frequencies has been achieved. Calibrate:
590 KHz ±10 KHz 850 KHz 1030 1510 (tol. ±20 KHz)
7. Check signal-to-noise at 600 KHz, 100 uv for 10 dB, at 1400 KHz, 10 uv for 10 dB.
8. Remove generator connection from external antenna terminals, loop around low end of loop antenna using 47 ohm resistor, and at 1400 KHz peak antenna trimmer.
9. Check output level left and right tape jacks, at 100 uv output should be 250mv ±2 dB,
10. With phones, check for AM calibration, oscillation, harmonic pickup, etc.
11. With AM tuned to low end of band, set meter adjust control so meter reads “0”. Switch to FM and note little or no change max. difference between AM and FM across band, 2 meter divisions.
FRONT END ALIGNMENT
FM FRONT END ALIGNMENT FOR FM SECTION
1. Connect RF generator to the antenna terminals with the following adaptations:

2. Set RF generator and FM tuning dial to 92 mHz. Generator output should be about 6 uv. Peak L205, L204 and L201 for maximum audio output.
3. Set generator and FM tuning dial to 106 mHz. Peak RF trimmer and mixer trimmer.
4. With about 3 uv from FM generator, repeat procedure until no further output is obtained. Signal should look like this:

5. The only time that the oscillator mixer and trimmer should be touched is if the calibration is out of specification.
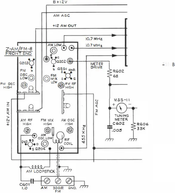
FRONT END
Mechanical layout of Front Ends denoting, Oscillator, Mixer, Antenna Coils and Voltages present under normal operating conditions

11 F STRIP

ALL VOLTAGES POSITIVE DC±15% MEASURED WITH 20 K ohm/V VOM AND 117 VAC LINE.
FM VOLTAGES MEASURED WITH 300 OHM LOAD ON EXTERNAL FM ANTENNA TERMINALS. TUNER OFF-STATION. INPUT SWITCH IN FM POSITION. AM VOLTAGES MEASURED WITH LOOP ANTENNA, TUNER OFF-STATION, INPUT SWITCH IN “AM” POSITION.
Q301, Q302 – QSE1002 Q3

AM – FM I.F.

HIGHEST SERIES NUMBERS |
C327 |
Q301 (FM) Q301 (AM) Q302 (FM) Q302 (AM) Q303 Q304 Q305
E-.75v E-.85v E-1.5V F-1.55v E-1.3v E-.12v E-1.8v
B-1.9v B-1.22v B-1.22v B-1.95v B-1.8v B-.85v B-2.5v
C-7.8v C-8.4v C-10v C-10.2v C-10.8v C-2.5v C-8.4v
– QSE1001 Q304, Q305 – QSE3001

N-PC-121-1L 2
382-B FRONT END

HIGHEST SERIES NUMBERS |
D204 |
| DATE 3-25.66 | H. H. SCOTT, INC. MAYNARO MASS | |||
| DARF | ||||
| CH | CIRCUIT DIAGRAM | |||
| ENG | SCALE – | DWG SIZE C | Z-AM/FM.8 C1 | |
| PROD | SHEET OF P | |||
382-B
Z – AM – FM – 8
All voltages measured with 20,000 ohm/volt VOM; 300 ohm antenna and no signal.
Q201 Q202 Q203
G .025 B .45 B 3
D 9.2 E .05 E 2.6
S 1.05 C 10.8 C 10.2
Troubleshooting Guide
Trouble Possible Remedy
Low gain Replace Q201
No Output Open LRFC 2.2 or .33 defective Q201, Q202, Q204
No AM signal Open LRFC 2.2 (L209)
Defective (L208)
Defective D203
Oscillation D203
Low or intermittent AM Shorted Plates in tuning condenser

HIGHEST SERIES NUMBERS |
R214 |
342-B
All voltages measured with 20,000 ohm/volt VOM; 300 ohm antenna and no signal.
Q201 Q202 Q204
G .025 B .45 B 3
D 9.2 E .05 E 2.6
S 1.05 C 10.8 C 10.2
Troubleshooting Guide
Trouble Possible Remedy
Low gain Replace Q201
No Output Open LRFC 2.2 or .33 defective Q201, Q202, Q204
FM ALIGNMENT
342B, 382B TUNER-FM SECTION
EQUIPMENT NEEDED
VTVM FM Generator
Oscilloscope MX Generator
VOM Audio Generator
Distortion Meter
Set Controls to the Following:
Separation Pots Max CW
Input Select. Switch FM
1. Mono Alignment and Sensitivity Check
Front End and IF Alignment
With about 10 uv generator output, align and peak front end for max. output. With 3 uv input, align IF’s for max. audio. With 1 or 2 K uv input, align detector for minimum distortion.
2. Sensitivity and Distortion
Measure sensitivity of tuner with 3 uv RF input. Must obtain 30 dB usable sensitivity at 92, 98, and 106 mc. Recheck distortion, 2K uv input. 400 Hz- max. distortion of 0.8%.
3. FM Hum Check
Tune to 91.5 mc, measure min. of 60 dB (AC plug may be reversed).
De-emphasis Check
Tune to 90 mc (change modulator to 8 KHz), note decrease of 12 ± dB in output.
Calibration Check
Check calibration against stations – max. tolerance ±2 mc.
4. Multiplex Alignment – Unit to Stereo
a) Pilot Adjustment – Scope probe (Low – Cap) to test point at base of Q3, peak L2 and L3 for max. pilot. With VOM, measure 2.5 to 3.5 dc across 2.2K resistor in the emitter of Q3.
b) With VOM across 2.2K resistor carefully tune L2 & L3 for max., then tune T1 for dip.
c) Separation Adjustment – Output from Ch. A. Adjust scope to obtain pattern and adjust L2 for min. output observing scope. Adjust A separation pot for min. output. Tuner output from Ch. B and adjust B separation pot for min. as outlined above. Repeat between A & B until no further improvement is seen.
d) Final separation measurements to be done in each channel:
Audio Modulation Minimum Separation
400 Hz 30 dB
If separation specs are not met, recheck IF’s for proper alignment. Also recheck steps 4.b) and 4.c)
e) Stereo Switchover Check
Check switchover point (at generators), min. 10 uV, max. 30 uV. Switchover may be adjusted by threshold pot on MX board.
f) Final Listen Check
Check all inputs and outputs (including phone jacks), switches and controls for proper operation. Check overall appearance and scrap inside unit. Check for proper switching of stereo light. Check calibration against stations specs are ±0.2 mc.
IC SECTION
TROUBLESHOOTING PROCEDURE FOR IC-IF-4
342-B ONLY

HIGHEST SERIES NUMBERS | |
| C316 D304 L303 | R307 |
NOTES:
1. UNLESS OTHERWISE SPECIFIED:
RESISTANCE IN OHMS ±10%,
CAPACITANCE IN MFDS
RESISTORS ¼ WATT
VOLTS DC ±15% MEASURED WITH 20 KΩ, V.V.O.M
2. ARROW – HEADS INDICATE MAIN SIGNAL PATH.
uA703
TOP VIEW
uA703 CIRCUIT DIAGRAM
IC301, IC302 1C103, C304-μA703
FM I.F. AMPLIFIER Z-PC-IF-4 1
VOLTAGE CHECKS (UA703)
Pin 1 B+ 12 Volts
Set VOM on 3 volt scale: positive lead of meter on pin 1, negative lead on pin 2 and/or pin 6. If voltage is apparent, then that particular stage of IC is operating normally
No output or distortion
Meter operates okay check diodes D303 and D304 for defect
Meter pegging either direction defective D301 or D302
MULTIPLEX
Q1- 2N2924
Q2 – 2N2925 or 5E4010 or QA-15
Q3 – 2N3964 or 2N4249 or 2N4250
Q4 – 2N3567
AUTOMATIC MULTIPLEX DEMODULATOR Z PC-MX-14 01
- STEP A & B OF MULTIPLEX ALIGNMENT

AUTOMATIC MULTIPLEX DEMODULATOR Z -PC-MX-14 5
NOTES:
1. UNLESS OTHERWISE SPECIFIED: RESISTANCE IN OHMS ±10%
CAPACITANCE IN MFD’S RESISTORS ¼ WATT.
2. ARROWS ON POTENTIOMETERS INDICATE ON ROTATION.

NOTES:
1 UNLESS OTHERWISE SPECIFIED: CAPACITANCE IN MFD’S.
RESISTANCE IN OHMS ±10%, RESISTORS ¼ WATT.
2 ROTARY SWITCH (S1) SHOWN IN FULL CCW POSITION AS VIEWED FROM THE FRONT ( POSITION 1)
3 ARROW-HEADS INDICATE MAIN SIGNAL PATH.
4 ARROW ON POTENTIOMETER INDICATES CW ROTATION.
5 THE FOLLOWING CONTROLS IN THE LEFT CHANNEL ARE MECHANICALLY CLUTCHED WITH IDENTICAL CONTROLS IN THE RIGHT CHANNEL. – BASS, TREBLE, AND LOUDNESS.
6 S1-INPUT SWITCH (SRW-125-1)
POSITION FUNCTION POSITION FUNCTION
1 – PHONO LOW 4 – AM
2 – PHONO HIGH 5 – EXTRA
3 – FM
7 SWITCH FUNCTION
S1 – INPUT S4 – BALANCE S7 – SPEAKERS REMOTE
S2 – TAPE S5 – NOISE S8 – POWER
S3 – MODE S6 -SPEAKERS MAIN
8 FUSES
F1, F101 – 2 AMP AGX-2
F601 – 1¼AMP SLO-BLO
VOLTAGES
UNLESS OTHERWISE SPECIFIED:
ALL VOLTAGES POSITIVE DC ±15% MEASURED WITH 20KΩ/V VOM + 117 VAC LINE 300 OHM LOAD ON EXTERNAL ANTENNA TERMINALS TUNER OFF STATION & INPUT SWITCH IN “FM” POSITION MODE SWITCH IN “MONO” POSITION.
*VOLTAGES MEASURED UNDER SAME CONDITIONS AS ABOVE ONLY MODE SWITCH IN “AUTOMATIC STEREO” POSITION, WITH STEREO SIGNAL FED INTO TUNER.
**VOLTAGES MEASURED WITH INPUT SWITCH IN “EXTRA” POSITION AND NO SIGNAL.
Z-AM/FM-8 GATE DRAIN SOURCE
Q201 .025V 1.05V 9.2V
Q204 .05V 1.04V 3.0V
e b c
Q202 .05V .45V 10.8V
Q203 2.6V 3V 10.2V
Z-PC-IF-3 AM FM AM FM AM FM
Q301 .85V .75V 1.22V 1.9V 8.4V 7.8V
Q302 1.55V 1.5V 1.95V 1.9V 10.2V 10V
Q303 0V 1.3V 0V 1.8V 0V 10.8V
Q304 0V .12V 0V .85V 0V 2.5V
Q305 0V 1.8V 0V 2.5V 0V 8.4V
Z-PC-MX-14
*Q1 .6V 1V 5.6V
*Q2 .8V 1.2V 8.6V
*Q3 8V 6.5V .8V
*Q4 0V .8V .2V
Q1 .6V 1V 5.6V
Q2 .8V 1.2V 8.6V
Q3 9.2V 10V 0V
Q4 0V 0V 25V
**Z-PC-TD-6
Q1, Q101 2.4V 2.9V 10.8V
Q2, Q102 .05V .12V 2.9V
Q3, Q103 1.5V 1.3V 16V
Q4, Q104 3.4V 3.8V 13.2V
Q5, Q105 1.8V 2V 24V
Q6, Q106 24.5V 24V .55V
Q7, Q107 25V 26V 50V
Z-PC-PS-6
Q401 12V 12.5V 14V
Q402 12V 12V 25V
POWER TRANSISTORS
.025V .55V 24.8V
24.8V 25V 50V
ACC VOLTAGE (Z-PC-IF-3)
-1.5V TO – 1.8V WITH 1000 μv SIGNAL FED TO EXTERNAL ANTENNA TERMINALS & INPUT SWITCH IN “FM” POSITION.
FM VOLTAGES MEASURED WITH 300 OHM LOAD ON EXTERNAL FM ANTENNA TERMINALS, TUNER OFF – STATION, INPUT SWITCH IN “FM” POSITION. AM VOLTAGES MEASURED WITH LOOP ANTENNA, TUNER OFF – STATION, INPUT SWITCH IN “AM” POSITION.


VOLTAGES
UNLESS OTHERWISE SPECIFIED:
ALL VOLTAGES POSITIVE DC ±15% MEASURED WITH 20KΩ/V VOM & 117 VAC LINE 300 OHM LOAD ON EXTERNAL ANTENNA TERMINALS TUNER OFF STATION & INPUT SWITCH IN “FM” POSITION MODE SWITCH IN “MONO” POSITION.
*VOLTAGES MEASURED UNDER SAME CONDITIONS AS ABOVE ONLY MODE SWITCH IN “AUTOMATIC STEREO” POSITION, WITH STEREO SIGNAL FED INTO TUNER.
**VOLTAGES MEASURED WITH INPUT SWITCH IN “EXTRA” POSITION AND NO SIGNAL.
Z-FM-15 GATE DRAIN SOURCE
Q201 .025V 1.05V 9.2V
e b c
Q202 .05V .45V 10.8V
Q204 2.6V 3V 10.2V
Z-PC-IF-4
IC301 LEAD 1 – 12V LEAD 4 – 0V
IC302 } LEAD 2 – 11.7V LEAD 5 – 1.4V
IC303 LEAD 3 – 1.4V LEAD 6 – 11.7V
IC304
Z-PC-MX-14 e b c
*Q1 .6V 1V 5.6V
*Q2 .8V 1.2V 8.6V
*Q3 8V 6.5V .8V
*Q4 0V .8V .2V
Q1 .6V 1V 5.6V
Q2 .8V 1.2V 8.6V
Q3 9.2V 10V 0V
Q4 0V 0V 25V
**Z-PC-TD-6
Q1, Q101 2.4V 2.9V 10.8V
Q2, Q102 .05V .12V 2.9V
Q3, Q103 1.5V 1.3V 16V
Q4, Q104 3.4V 3.8V 13.2V
Q5, Q105 1.8V 2V 24V
Q6, Q106 24.5V 24V .55V
Q7, Q107 25V 26V 50V
Z-PC-PS-6
Q401 12V 12.5V 14V
Q402 12V 12V 25V
POWER TRANSISTORS
Q1, Q101 .025V 55V 24.8V
Q2, Q102 24.8V 25V 50V
ACC VOLTAGE (Z-PC-IF-4) TERM 7 & 8.
-1.5V TO – 1.8V WITH 1000 μv SIGNAL FED TO EXTERNAL ANTENNA TERMINALS & INPUT SWITCH IN “FM” POSITION.
HIGHEST SERIES NUMBERS | |||
| R9 C5 F1 Q2 | R109 C105 F101 Q102 | T401 C403 D402 Q401 | R606 |
NOTES:
1 UNLESS OTHERWISE SPECIFIED:
RESISTANCE IN OHMS ±10%,
RESISTORS ¼ WATT.
CAPACITANCE IN MFD’S.
2 ROTARY SWITCH (S1) SHOWN IN FULL CCW POSITION AS VIEWED FROM THE FRONT ( POSITION 1)
3 ARROW-HEADS INDICATE MAIN SIGNAL PATH.
4 ARROW ON POTENTIOMETER INDICATES CW ROTATION.
5 THE FOLLOWING CONTROLS IN THE LEFT CHANNEL ARE MECHANICALLY CLUTCHED WITH IDENTICAL CONTROLS IN THE RIGHT CHANNEL .- BASS, TREBLE, & LOUDNESS.
6. S1-INPUT SWITCH (SRW-115-2)
POSITION FUNCTION
1 – PHONO LOW
2 – PHONO HIGH
3 – FM
4 – SUB CH FILTER
5 – EXTRA
7. SWITCH FUNCTION
S1 – INPUT S5 – NOISE FILTER
S2 -TAPE S6 – SPEAKERS MAIN
S3 – MODE S7 – SPEAKERS REMOTE
54 – BALANCE S8 – POWER
8. FUSES
F1, F101 – 2 AMP AGX-2
F601 – 1¼AMP SLO-BLO
342-B/382-8 PARTS PRICE LIST
Part # Description Customer List
A-DC-20 Dial Cord $1.75
A-FW-B Flywheel Assembly 4.80
CETM-1000/30 Electrolytic Capacitor 2.45
CETM-1000/50 Electrolytic Capacitor 3.48
CMM- .22/250 Electrolytic Capacitor 1.50
F-AGX-2 Speaker Fuse .24
F-SB-1¼ Power Fuse .45
J-3-ST-5 Phone Jack .65
KN-001 Knob .40
KN-002 Knob .40
KN-005 Tuning Knob .50
L-RC-2 Choke .25
M-SS-11 Meter 5.95
N-342-B-1 Panel 14.40
N-D-FM-23 Dial Glass 2.94
QP-8 Power Transistor 6.00
QP-11 Power Transistor 3.84
RW2- .82 Wire Wound Transistor .20
RW5-15-2X2 Stand Up Resistor 1.47
RCV-10K-PH Potentiometer 1.00
SR-2-50 Rectifier .80
SS-22-3/3A Slide Switch .40
SS-43 Slide Switch .50
SPS-12-3 On-Off Switch .48
SRW-115-2 Rotary Switch 5.75
TR-8-9 Power Transformer 18.00
V-PL-1819 Neon Lite Bulb .40
V-PL-1847 Pilot Lite Bulb .40
Z-FM-15 Front End 48.15
Z-PC-IF-4 IC Board 30.00
Z-PC-MX-14 Multiplex 26.56
Z-PC-TD-6 Driver Board 59.88
Z-PC-PS-6 Power Supply 11.40
Z-AM-FM-8 Front End 41.10



















