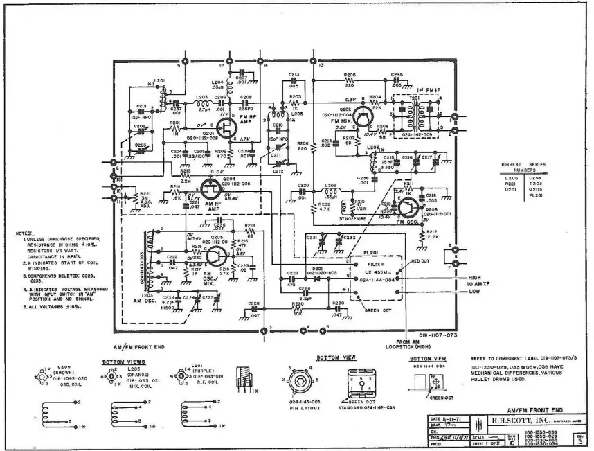
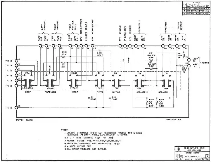
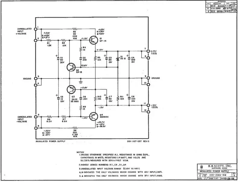
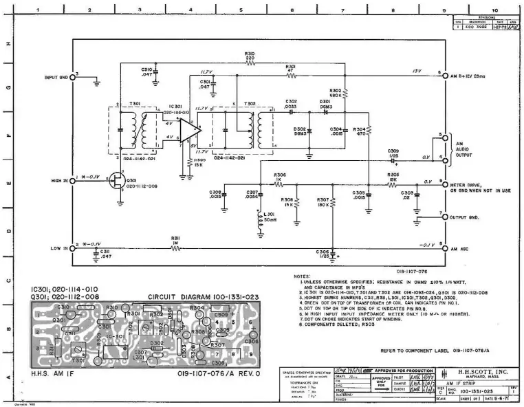
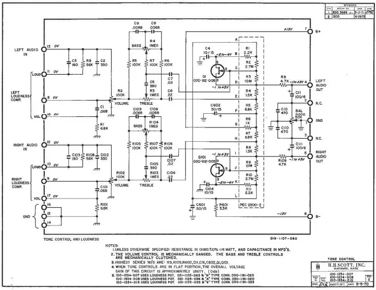
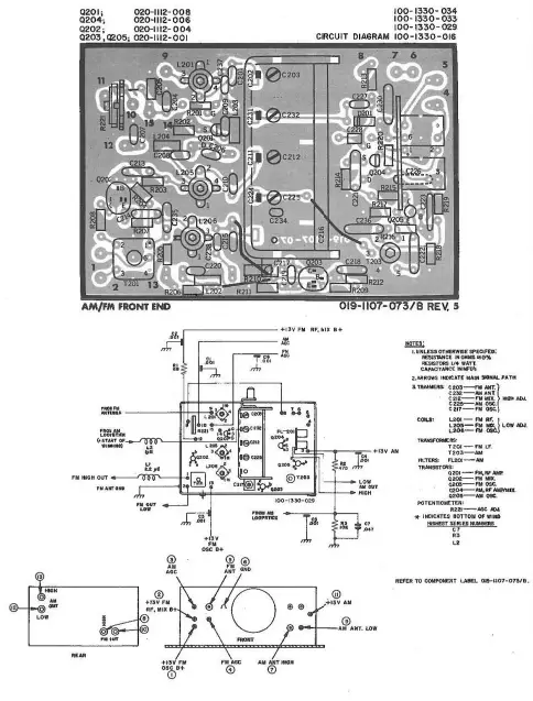
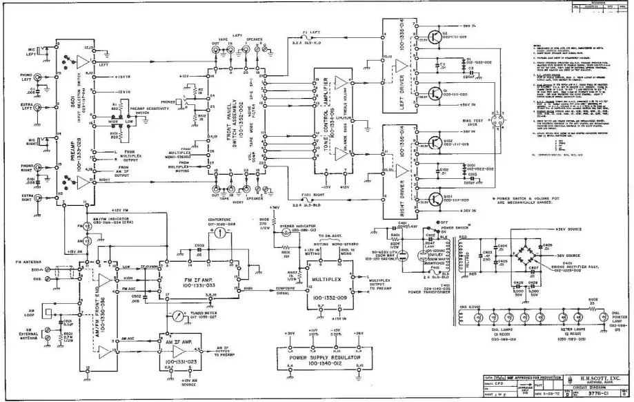
Home » Blog » Scott 377b Vintage Hifi Am-fm Stereo Receiver Owner's Manual Scott 377b Vintage Hifi Am-fm Stereo Receiver Owner's Manual Contents hide1 SCOTT 377B Vintage Hifi AM-FM Stereo Receiver2 WIRING DIAGRAM3 Documents / Resources4 Related PostsSCOTT 377B Vintage Hifi AM-FM Stereo ReceiverWIRING DIAGRAM Documents / Resouces Download manual Here you can download full pdf version of manual, it may contain additional safety instructions, warranty information, FCC rules, etc. To access the pdf donwload links, solve the captcha. Related Manuals Scott 631 Am-fm Stereo Receiver Owner's Manual Sony Ht-ddw740 Fm Stereo Fm-am Receiver Owner's Manual Hh Scott Scottie 2550 Stereo Receiver Owner's Manual Panasonic Fm-am 2-band Receiver Owner's Manual Hello Kitty Kt2025 Cd Boombox Woth Am/fm Stereo Radio User Manual Retekess Tr501 Fm Transmitter Stereo Broadcast Station User Manual Nakamichi Re-1,re-2,re-3 Am/fm Stereo Receiver Owner's Manual Nedis Catr101bk Fm Audio Transmitter User Manual Boss Audio System Mgv500b Marine Gauge Digital Media Am-fm Receiver User Manual Rotel Dab Fm Stereo Tuner Owner's Manual Nedis Catr120bk Fm Audio Transmitter User Manual Boss Audio Mgr300b Marine Gauge Digital Media Am / Fm Receiver User Manual Boss Audio System Be10acp Digital Media Am/fm Receiver User Manual Nedis Rdfm5200bn Fm | Am Radio User Manual Retekess Tr102 Am/fm/sw Full Band Stereo Radio Recorded User Manual Retekess Tr101 Fm Headphone Radio Receiver User Manual Boss Audio M500pa Digital Media Am Or Fm Receiver User Manual Katranji Czh-r01 Fm Receiver User Manual Nutek Atue Fm Transmitter Owner's Manual Connexx Avs400bt Radio Stereo Receiver User Manual