1363885 EO Transom Mount Electric
Outboard Motor User Manual
EO Transom Mount Electric Outboard Motor
CE MASTER USER MANUAL (FOR CE/C-TICK CERTIFIED MODELS)
Conforms to 89/336/EEC (EMC) under standards EN 55022A, EN 50082-2 since 1996 LN V9677264 THANK YOU
Thank you for choosing Minn Kota. We believe that you should spend more time fishing and less time positioning your boat. That’s why we build the smartest, toughest, most intuitive motors on the water. Every aspect of a Minn Kota motor is thought out and rethought until it’s good enough to bear our name. Countless hours of research and testing provide you the Minn Kota advantage that can truly take you “Anywhere. Anytime.” We don’t believe in shortcuts. We are Minn Kota. And we are never done helping you catch more fish.
REMEMBER TO KEEP YOUR RECEIPT AND IMMEDIATELY REGISTER YOUR MOTOR.
A registration card is enclosed or you can complete registration on our website at minnkotamotors.com.
NOTE: Do not return your Minn Kota motor to your retailer. Your retailer is not authorized to repair or replace this unit. You may obtain service by calling Minn Kota at (800) 227-6433; returning your motor to the Minn Kota Factory Service Center; or sending or taking your motor to any Minn Kota authorized service center. A list of authorized service centers is available on our website, at minnkotamotors.com. Please include proof of purchase, serial number, and purchase date for warranty service with any of the above options.
Please thoroughly read this user manual. Follow all instructions and heed all safety and cautionary notices below. Use of this motor is only permitted for persons that have read and understood these user instructions. Minors may use this motor only under adult supervision.
ATTENTION: Never run the motor out of the water, as this may result in injuries from the rotating propeller. The motor should be disconnected from the power source when it is not in use or is off the water. When connecting the power-supply cables of the motor to the battery, ensure that they are not kinked or subject to chafe and route them in such a way that persons cannot trip over them. Before using the motor make sure that the insulation of the power cables is not damaged. Disregarding these safety precautions may result in electric shorts of battery(s) and/or motor. Always disconnect the motor from the battery(s) before cleaning or checking the propeller. Avoid submerging the complete motor as water may enter the lower unit through the control head and shaft. If the motor is used while water is present in the lower unit considerable damage to the motor can occur. This damage will not be covered by warranty.
CAUTION: Take care that neither you nor other persons approach the turning propeller too closely, neither with body parts nor with objects. The motor is powerful and may endanger or injure you or others. While the motor is running watch out for a person swimming and for floating objects.
Persons whose ability to run the motor or whose reactions are impaired by alcohol, drugs, medication, or other substances are not permitted to use this motor. This motor is not suitable for use in strong currents. The constant noise pressure level of the motor during use is less than 70dB(A). The overall vibration level does not exceed 2,5m/sec2.
LOCATING YOUR SERIAL NUMBER
Your Minn Kota 11-character serial number is very important. It helps to determine the specific model and year of manufacture. When contacting Consumer Service or registering your product, you will need to know your product’s serial number. We recommend that you write the serial number down in the space provided below so that you have it available for future reference.
The serial number on your EO is located under the tiller handle.

Made by Minn Kota Johnson Outdoors Marine Electronics, Inc. 121 Power Drive Mankato, MN 56001 USA Outboard Motors Produced in 2015
Model: ____________
Serial Number: ________________
Purchase Date: _______________
Store Where Purchased: _________
TWO-YEAR LIMITED WARRANTY
WARRANTY ON MINN KOTA EO ELECTRIC OUTBOARD MOTORS
Johnson Outdoors Marine Electronics, Inc. (“JOME”) extends the following limited warranty to the original retail purchaser only. Warranty coverage is not transferable.
MINN KOTA LIMITED TWO-YEAR WARRANTY ON THE ENTIRE PRODUCT
JOME warrants to the original retail purchaser only that the purchaser’s new Minn Kota primary propulsion motor will be materially free from defects in materials and workmanship appearing within two (2) years after the date of purchase. JOME will (at its option) either repair or replace, free of charge, any parts found by JOME to be defective during the term of this warranty. Such repair or replacement shall be the sole and exclusive liability of JOME and the sole and exclusive remedy of the purchaser for breach of this warranty.
MINN KOTA LIMITED LIFETIME WARRANTY ON COMPOSITE SHAFT
JOME warrants to the original retail purchaser only that the composite shaft of the purchaser’s Minn Kota motor will be materially free from defects in materials and workmanship appearing within the original purchaser’s lifetime. JOME will provide a new composite shaft, free of charge, to replace any composite shaft found by JOME to be defective during the term of this warranty. Providing a new composite shaft shall be the sole and exclusive liability of JOME and the sole and exclusive remedy of the purchaser for breach of this warranty; and the purchaser shall be responsible for installing, or for the cost of labor to install, any new composite shaft provided by JOME.
EXCLUSIONS & LIMITATIONS
This limited warranty does not apply to products that have been used commercially or for rental purposes. This limited warranty does not cover normal wear and tear, blemishes that do not affect the operation of the product, or damage caused by accidents, abuse, alteration, modification, shipping damages, acts of God, negligence of the user or misuse, improper or insuffi cient care or maintenance. DAMAGE CAUSED BY THE USE OF OTHER REPLACEMENT PARTS NOT MEETING THE DESIGN SPECIFICATIONS OF THE ORIGINAL PARTS WILL NOT BE COVERED BY THIS LIMITED WARRANTY.
The cost of normal maintenance or replacement parts that are not in breach of the limited warranty is the responsibility of the purchaser. Prior to using products, the purchaser shall determine the suitability of the products for the intended use and assumes all related risk and liability. Any assistance JOME provides to or procures for the purchaser outside the terms, limitations or exclusions of this limited warranty will not constitute a waiver of the terms, limitations or exclusions, nor will such assistance extend or revive the warranty. JOME will not reimburse the purchaser for any expenses incurred by the purchaser in repairing, correcting, or replacing any defective products or parts, except those incurred with JOME’s prior written permission. JOME’S AGGREGATE LIABILITY WITH RESPECT TO COVERED PRODUCTS IS LIMITED TO AN AMOUNT EQUAL TO THE PURCHASER’S ORIGINAL PURCHASE PRICE PAID FOR SUCH PRODUCT.
MINN KOTA SERVICE INFORMATION
To obtain warranty service in the U.S., the product is believed to be defective, and proof of original purchase (including the date of purchase), must be presented to a Minn Kota Authorized Service Center or to Minn Kota’s factory service center in Mankato, MN. Any charges incurred for service calls, transportation or shipping/freight to/from the Minn Kota Authorized Service Center or factory, labor to haul out, remove, re-install or re-rig products removed for warranty service, or any other similar items are the sole and exclusive responsibility of the purchaser. Products purchased outside of the U.S. must be returned prepaid with proof of purchase (including the date of purchase and serial number) to any Authorized Minn Kota Service Center in the country of purchase. Warranty service can be arranged by contacting a Minn Kota Authorized Service Center by contacting the factory at 1-800-227-6433 or emailing [email protected].
Products repaired or replaced will be warranted for the remainder of the original warranty period [or for 90 days from the date of repair or replacement, whichever is longer]. For any product that is returned for warranty service that JOME finds to be not covered by or not in breach of this limited warranty, there will be billing for services rendered at the prevailing posted labor rate and for a minimum of at least one hour.
NOTE: Do not return your Minn Kota product to your retailer. Your retailer is not authorized to repair or replace products.
THERE ARE NO EXPRESS WARRANTIES OTHER THAN THESE LIMITED WARRANTIES. IN NO EVENT SHALL ANY IMPLIED WARRANTIES INCLUDING ANY IMPLIED WARRANTIES OF MERCHANTABILITY OR FITNESS FOR A PARTICULAR PURPOSE, EXTEND BEYOND THE DURATION OF THE RELEVANT EXPRESS LIMITED WARRANTY. IN NO EVENT SHALL JOME BE LIABLE FOR PUNITIVE, INDIRECT, INCIDENTAL, CONSEQUENTIAL, OR SPECIAL DAMAGES. Without limiting the foregoing, JOME assumes no responsibility for loss of use of the product, loss of time, inconvenience, or other damage.
Some states do not allow limitations on how long an implied warranty lasts or the exclusion or limitation of incidental or consequential damages, so the above limitations and/or exclusions may not apply to you. This warranty gives you specific legal rights and you may also have other legal rights which vary from state to state.
FEATURES

Specifications are subject to change without notice.
This diagram is for reference only and may differ from your actual motor.
INSTALLATION
MOTOR INSTALLATION
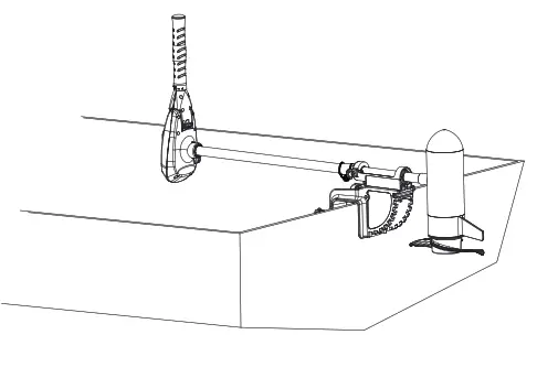
- Find a transom area of the boat that is free from obstructions.
- Open the clamp screws on the bracket enough so that it will fit over the top of the boat transom.
- Place the Lever Lock Mounting bracket over the top of the boat transom so that the bracket is resting on top of the transom.

- Verify that there are no obstacles that the control box, handle, or prop might hit while in use that would restrict steering or cause damage to the motor.
TRANSOM EXTRUSION INSTALLATION (PART NUMBER 2994844)
a. Set the motor on the transom with clamp screws backed out.
b. Slide extrusion between the inside of the transom and the clamp screw washers and tighten clamp screws.
c. Attach extrusion to the transom with two screws provided. This will require drilling two appropriate-sized pilot holes for the self-tapping screws.
- Tighten down the clamp screws to the transom by hand only. Do not use any tools to tighten the clamp screws as this may damage the bracket or your boat.
- We recommend the tilt angle of the motor be adjusted so that the motor shaft is perpendicular to the water surface when the motor is in use.
- For transport, always tilt the motor into the boat, such that the motor and prop assembly is completely out of the water and the motor is positioned up close to the lever lock bracket.

NOTE: When setting the depth, be sure the top of the motor is submerged at least 12″ to avoid churning or agitation of surface water. The propeller must be completely submerged.
CAUTION:
- Never operate your motor when it is out of the water.
- Over-tightening the clamp screws can damage the bracket.
BATTERY WIRING & INSTALLATION
BOAT RIGGING & PRODUCT INSTALLATION
For safety and compliance reasons, we recommend that you follow American Boat and Yacht Council (ABYC) standards when rigging your boat. Altering boat wiring should be completed by a qualified marine technician. The following specifications are for general guidelines only:
CAUTION: These guidelines apply to general rigging to support your Minn Kota motor. Powering multiple motors or additional electrical devices from the same power circuit may impact the recommended conductor gauge and circuit breaker size. If you are using wire longer than that provided with your unit, follow the conductor gauge and circuit breaker sizing table below. If your wire extension length is more than 25 feet, we recommend that you contact a qualified marine technician.
An over-current protection device (circuit breaker or fuse) must be used. Coast Guard requirements dictate that each ungrounded current-carrying conductor must be protected by a manually reset, trip-free circuit breaker or fuse. The type (voltage and current rating) of the fuse or circuit breaker must be sized accordingly to the trolling motor used. The table below gives recommended guidelines for circuit breaker sizing.
Reference:
United States Code of Federal Regulations: 33 CFR 183 – Boats and Associated Equipment ABYC E-11: AC and DC Electrical Systems on Boats
CONDUCTOR GAUGE AND CIRCUIT BREAKER SIZING TABLE
| Motor Thrust/ Model | Max Amp Draw | Circuit Breaker | Wire Extension Length * | ||||
| 5 feet | 10 feet | 15 feet | 20 feet | 25 feet | |||
| EO 1/2 HP | 52 | 60 Amp ® 12 VDC | 6 AWG | 2 AWG | 1 AWG | 1/0 AWG | NOT RECOMMENDED |
| EO 1 HP | 45 | 50 Amp ® 24 VDC | 8 AWG | 6 AWG | 4 AWG | 2AWG | 2AWG |
This conductor and circuit breaker sizing table is only valid for the following assumptions:
- No more than 3 conductors are bundled together inside of a sheath or conduit outside of engine spaces.
- Each conductor has 105° C temp-rated insulation.
- No more than 27% voltage drop is allowed at full motor power based on published product power requirements.
*Wire Extension Length refers to the distance from the batteries to the motor leads.
PUSH-TO-TEST BATTERY METER
This motor is equipped with a “push-to-test” battery meter. The LED light provides an accurate display of the remaining charge in the battery. It is only accurate when the motor is off.
The meter reads as:
- One light indicates recharge.
- Two lights indicate low charge.
- Three lights indicate good charge.
- Four lights indicate a full charge.
*Battery meter will not be accurate when using lithium batteries.
SELECTING THE CORRECT BATTERIES
The motor will operate with any lead acid, deep cycle marine or lithium 12 volt battery/batteries. Maintain lead acid batteries at full charge. Lithium batteries should be stored at less than full charge and only need to be fully charged before use. Proper care will ensure having battery power when you need it, and will significantly improve the battery life. Failure to recharge lead-acid batteries (within 12-24 hours) is the leading cause of premature battery failure. We offer a wide selection of lead-acid chargers to fit your charging needs. We recommend that you use separate batteries for your Minn Kota EO motor.
Advice Regarding Batteries:
- Never connect the (+) and the (–) terminals of the same battery together. Take care that no metal object can fall onto the battery and short the terminals. This would immediately lead to short and extreme fire danger.
- It is highly recommended that a circuit breaker or fuse be used with this trolling motor. Refer to “Conductor Gauge and Circuit Breaker Sizing Table” in the previous section to find the appropriate circuit breaker or fuse for your motor. For motors requiring a 60-amp breaker, the Minn Kota MKR-19 60-amp circuit breaker is recommended.
CONNECTING THE BATTERIES
12-VOLT SYSTEMS:
- Make sure that the motor is switched off (speed selector on “OFF” or “0”).
- Connect positive ( + ) red lead to positive ( + ) battery terminal.
- Connect negative ( – ) black lead to negative ( – ) battery terminal.
- For safety reasons do not switch the motor on until the propeller is in the water.
CAUTION:
For safety reasons, disconnect the motor from the battery/batteries when the motor is not in use or while the battery/batteries are being charged.
CONNECTING THE BATTERIES IN SERIES (IF REQUIRED FOR YOUR MOTOR)
24-VOLT SYSTEMS:
- Make sure that the motor is switched off (speed selector on “0”).
- Two 12-volt batteries are required.
- The batteries must be wired in series, only as directed in a wiring diagram, to provide 24 volts.
a. Connect a connector cable to the positive ( + ) terminal of battery 1 and to the negative ( – ) terminal of battery 2.
b. Connect positive ( + ) red motor lead to positive ( + ) terminal on battery 2.
c. Connect negative ( – ) black motor lead to negative ( – ) terminal of battery 1. - For safety reasons do not switch the motor on until the propeller is in the water. If installing a lead wire plug, observe proper polarity and follow instructions in your boat owner’s manual. See the wiring diagram on the following pages.
CAUTION
- For safety reasons, disconnect the motor from the battery or batteries when the motor is not in use or while the battery/batteries are being charged.
- Improper wiring of 24/36 volt systems could cause battery explosion!
- Keep lead wire wing nut connections tight and solid to battery terminals.
- Locate the battery in a ventilated compartment.
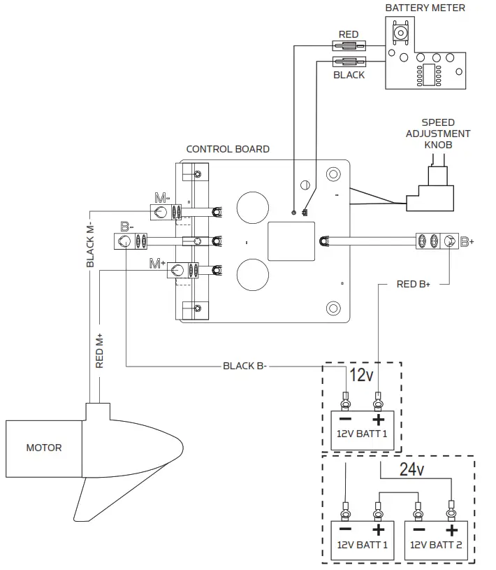
MOTOR WIRING DIAGRAM

USING & ADJUSTING THE MOTOR
ADJUSTING THE DEPTH OF THE MOTOR
When setting the depth be sure the top of the motor is submerged at least 12” to avoid churning or agitation of surface water. The propeller must be completely submerged.
- Firmly grasp the composite shaft and hold it steady.
- Loosen the steering tension knob and adjustable the depth collar knob until the shaft slides freely.
- Raise or lower the motor to the desired depth.
- Tighten the adjustable depth collar knob to secure the motor in place.

CAUTION:
- Never operate your motor when it is out of the water.
- Over-tightening the clamp screws can damage the bracket.
- Never loosen the steering tension knob without securely holding the shaft of the motor. Failing to do so will cause the motor to rapidly fall against the bracket.
ADJUSTING THE STEERING
- Adjust the steering tension knob to provide enough tension to allow the motor to turn freely, yet remain in any position without being held
OR - Tighten the knob to place the motor in a preset position to leave your hands free for fishing.
ADJUSTING THE BRACKET
You can lock your motor in a vertical position, angle it for shallow water or tilt it completely out of the water.
- Firmly grasp the control head or composite shaft.
- Press the tilt lever down towards the bracket of the shaft and hold to release the T-bar to adjust the position of the mounting bracket.
- Tilt to any of the positions on the mounting bracket.
- Release the tilt lever.

ADJUSTING THE TILT TWIST TILLER™
The twist grip tiller handle is shipped in the down position. Firmly pull the handle up to the horizontal position. The handle has seven available positions: 45˚ 30˚ and 15˚ up
and down from 0˚. The handle locks in the horizontal position but can be tilted down by pushing the release button located on the left underside of the handle pivot.
NOTE: BEFORE attempting to tilt the handle down, the motor speed control handle MUST be in the OFF/STOW position.
CONTROLLING SPEED & STEERING WITH THE TILLER
This motor off ers variable forward and reverse speeds. The speed control may be operated in either direction, forward or reverse. Turn the tiller handle counterclockwise from (of) to increase reverse speed and clockwise from (of) to increase forward speed. Speed decreases as you approach (OFF) from either direction.

STOWING THE MOTOR
- Adjust depth so that the motor is fully raised.
- Press and hold the tilt lever.
- Tilt motor into the boat.
- For transport, always tilt the motor into the boat such that the motor and prop assembly are completely out of the water and the motor is positioned up close to the lever lock bracket.

WARNING: When raising/lowering the motor or operating the tilt mechanism, keep your fingers clear of all hinge and pivot points and all moving parts.
SERVICE & MAINTENANCE
PROPELLER REPLACEMENT
TOOLS AND RESOURCES REQUIRED:
- Box End Wrench
- 9’16” Box End Wrench

CAUTION:
Disconnect the motor from the battery before beginning any prop work or maintenance.
NOTE: The propeller on your motor may differ from the one pictured.
- Disconnect the motor from the battery prior to changing the propeller.
- Hold the propeller and loosen the anode/nut with a wrench.
- Remove the anode/nut and washer. If the drive pin is sheared/broken, you will need to hold the shaft steady with a screwdriver
blade pressed into the slot on the end of the shaft. - Turn the old prop horizontally (as illustrated) and pull it straight off. If the drive pin falls out, push it back in.
- Align the new propeller with a drive pin.
- Install prop washer and anode/nut.
- Tighten anode/ nut 1/4 turn past snug. [25-35 inch lbs.] Be careful, over tightening can damage the prop.
Tighten anode/ nut 1/4 turn past snug [25-35 inch lbs.] [2.5 to 4 Nm]. Be careful, over tightening can damage the prop.
GENERAL MAINTENANCE
- After every use, the entire motor should be rinsed with fresh water, then wiped down with a cloth dampened with an aqueous-based silicone spray. Do not spray water into the ventilation openings in the head of the motor.
- The composite shaft requires periodic cleaning and lubrication for proper retraction and deployment. A coating of an aqueous-based silicone spray will improve operation.
- The propeller must be inspected and cleaned of weeds and fishing lines after every use. Fishing lines and weeds can get behind the prop, damage the seals and allow water to enter the motor.
- Verify the prop nut is secure each time the motor is used.
- To prevent accidental damage during transportation or storage, disconnect the battery whenever the motor is off of the water.
For prolonged storage, lightly coat all metal parts with an aqueous-based silicone spray. - For maximum battery life, recharge the battery(s) as soon as possible after use. For maximum motor performance, restore the battery to full charge prior to use.
- Keep battery terminals clean with fine sandpaper or emery cloth (flooded lead acid only).
- The propeller is designed to provide optimum operation with very high effi ciency. To maintain this top performance, the leading edge of the blades must be kept smooth. If they are rough or nicked from use, restore them to smooth by sanding them with fine sandpaper.
TROUBLESHOOTING & REPAIR
- Motor fails to run or lacks power:
• Check battery connections for proper polarity.
• Make sure terminals are clean and corrosion free. Use fine sandpaper or emery cloth to clean terminals.
• Check battery water level. Add water if needed. - Motor loses power after a short running time:
• Check battery charge. If low, restore to full charge. - The motor is diffi cult to steer:
• Loosen the steering tension knob on the bracket
• Lubricate the composite shaft. - You experience prop vibration during normal operation:
• Remove and rotate the prop 180°. See removal instructions in the Propeller Replacement section. - Experiencing interference with your fi sh finder:
• You may, in some applications, experience interference in your depth finder display. We recommend that you use a separate deep-cycle marine battery for your trolling motor and that you power the depth finder from the starting/cranking battery. If problems still persist, call our service department at 1-800-227-6433.
NOTE: For all other malfunctions, visit an Authorized Service Center. You can search for an Authorized Service Center in your area by visiting our Authorized Service Center page, found online at minnkotamotors.com, or by calling our customer service number, 800-227-6433.
FOR FURTHER TROUBLESHOOTING AND REPAIR
We offer several options to help you troubleshoot and/or repair your product. Please read through the options listed below.
FREQUENTLY ASKED QUESTIONS
We have FAQs available on our website to help answer all of your Minn Kota questions. Visit minnkotamotors.com and click on “Frequently Asked Questions” to find an answer to your question.
CALL US (FOR U.S. AND CANADA)
Our consumer service representatives are available Monday – Friday between 7:00 a.m. – 4:30 p.m. CST at 800-227-6433.
If you are calling to order parts, please have the 11-character serial number from your product, specific part numbers, and credit card information available. This will help expedite your call and allow us to provide you with the best consumer service possible.
You can reference the parts list located in your manual to identify the specific part numbers.
EMAIL US
You can email our consumer service department with questions regarding your Minn Kota products. To email, your question, visit minnkotamotors.com and click on “Support”.
AUTHORIZED SERVICE CENTERS
Minn Kota has over 300 authorized service centers in the United States and Canada where you can purchase parts or get your products repaired. Please visit our Authorized Service Center page on our website to locate a service center in your area.
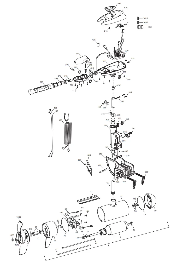
PARTS DIAGRAM
EO ELECTRIC OUTBOARD 1 HP
1 HORSEPOWER THRUST – 24 VOLT – 36” SHAFT
This page provides Minn Kota® WEEE compliance disassembly instructions.
For more information about where you should dispose of your waste equipment for recycling and recovery and/or your European Union member state requirements, please contact your dealer or distributor from which your product was purchased.
Tools required, but not limited to: fl at head screw driver, Phillips screw driver, socket set, pliers, wire cutters.

PARTS LIST
EO ELECTRIC OUTBOARD 1 HP
1 HORSEPOWER THRUST – 24 VOLT – 36” SHAFT
| ITEM | OTY | PART NUMBER | DESCRIPTION |
| 1 | 1 | 2317095 | MOTOR ASSEMBLY 24V 45′ 5V7 1 HP |
| 5 | 1 | 2-103-250 | ARMATURE ASSEMBLY |
| 10 | 1 | 140-014 | BEARING |
| 15 | 1 | 785-040 | RETAINING RING |
| 19 | 1 | 2002011 | TUBE COMPOSITE 36* |
| 20 | 1 | 2-200-340 | CENTER HOUSING ASSEMBLY |
| 21 | 1 | 582-016 | RETAINING CLIP |
| 25 | 1 | 2-300-151 | BRUSH END HOUSING ASSEMBLY |
| 30 | 1 | 421-241 | PLAIN END HOUSING ASSEMBLY STD |
| 35 | 1 | 144-017 | FLANGE BEARING (SERVICE ONLY) |
| 40 | 2 | 880-025 | SEAL |
| 41 | 1 | 725-095 | PAPER TUBE – SEAL BORE |
| 50 | 2 | 188095 | BRUSH |
| 60 | 1 | 92-600-00 | BRUSH PLATE ASSEMBLY |
| 65 | 2 | 975-045 | BRUSH SPRING |
| ■ | 1 | 2881450 | SEAL ANDO-RING KIT (40.70-80) |
| 70 | 1 | 701-098 | 0-RING.PLAIN END |
| 71 | 1 | 701-046 | 0-RING. BRUSH END |
| 80 | 2 | 701. | 0-RING. THRU-BOLT |
| 85 | 2 | 2053410 | SCREW. 88-32X1/2 |
| 90 | 2 | 330. | THRU-BOLT .1:12-24 X1081 |
| 95 | 1 | 990-051 | WASHER. STEEL |
| 100 | 2 | 990-052 | WASHER. HYLTON |
| LIO | 1 | 2777312 | FERRITE BEAD W/ SHRINK |
| 115 | 1 | 950011 | WASHER. SHIM |
| 120 | 2 | 992-011 | WASHER. BELLEVILLE |
| 135 | 1 | 640050 | LEADWIRE. BLACK IOAWG 511/2 |
| 136 | 1 | 640-150 | LEADWIRE. RED 11311/G 50.1/8- |
| 200 | 1 | 2095687 | DECAL C-BOX COVER |
| 205 | 1 | 2090201 | C-BOX COVER |
| 210 | 1 | 2074081 | BATTERY METER 24V SW |
| 215 | 2 | 2043427 | SCREW. al X 7/1355 |
| 220 | 1 | 2684112 | CONTROL BOARD.11-IP 24V KIT |
| ■ | 1 | 2888400 | POTENTIOMETER REPLACEMENT KIT |
| 225 | 2 | 2303434 | SCREW. #882 X5/855 |
| 230 | 1 | 206208 | CONTROL BOX. CAST. SW |
| 235 | 1 | 2062905 | STRAIN RELIEF |
| 240 | 6 | 2303412 | SCREW. 86 -20 X SA355 |
| 245 | 2 | 2063410 | SCREW. 1110.32 X 3/4′ CAP SS |
| 250 | 1 | 2093400 | SCREW. 810-24 X 1-7/W PPH 55 |
| 255 | 1 | 2061529 | COLLAR. C-BOX |
| 260 | 1 | 2333101 | NUT. 110-24. NYLOCK. 55 |
| 265 | 1 | 2031520 | COLLARDEPTH (W/O INSERT) |
| 266 | 1 | 2011366 | SCREW-COLLAR/NEW KNOB (55) |
| ITEM | OTY | PART NUMBER | DESCRIPTION |
| ■ | I | 2991714 | BRACKET ASSY. AE INUAI [2703 35] |
| 270 | 1 | 2011366 | KNOB. SCREW-COLLAR 55 |
| 275 | 1 | 2062801 | TENSION BLOCK |
| 280 | 1 | 2077202 | LEVER-TILT. TRANSOM BRACKET |
| 285 | 1 | 2070512 | PIN-HINGE. 1/8 X1 |
| 290 | 1 | 2071863 | HINGE-SW |
| 295 | 1 | 2332700 | SPRING(TZAR).55 |
| 300 | 1 | 2333001 | E-RING. 55 |
| 305 | 2 | 2037301 | BUSHING. HINGE |
| 310 | 1 | 2073604 | T-BAR (E-COAT) |
| 315 | 1 | 2071947 | BRACKE T. DIE CAST SW |
| 320 | 1 | 2070514 | PIN-HINGE. 3/8 X 3A 55 |
| 325 | 2 | 2991303 | CLAMP SCREW. HANDLE ASSY. |
| 330 | 2 | 2331700 | WASHER-CLAMP SCREW. 55 |
| 335 | 2 | 2263452 | SCREW. 1/4.20 X 3/4 SHC5.55 |
| ■ | 1 | 2994844 | BAG ASSEMBLY. TRANSOM EXTRUSION |
| 340 | 2 | 2053421 | SCREW 1/4 -14 X 1 PFH. 55 |
| 345 | 1 | 2058415 | TRANSOM EXTRUSION |
| ■ | 1 | 2990957 | HANDLE ASSY. VARS [3604101 |
| 360 | 1 | 2990456 | GRIP/HANDLE ASSY. VARS (360-375) |
| 365 | 2 | 2060015 | BEARING. HANDLE |
| 370 | 2 | 2063405 | SCREW. #6 X1/2 PFH 55 |
| 375 | 1 | 2884092 | YOKE / SPIDER 455X VARS |
| 380 | 1 | 2302742 | SPRING. DETENT. OFF |
| 385 | 2 | 2060005 | BEARING. HANDLE PIVOT |
| 390 | 1 | 2060900 | HANDLE PIVOT.TOP |
| 395 | 1 | 2302745 | SPRING. RELEASE BUTTON |
| 400 | 1 | 2063700 | BUTTON. RELEASE |
| 405 | 1 | 2060905 | HANDLE PIVOT. BOTTOM |
| 410 | 6 | 2303412 | SCREW #6-20 X5/8 55 |
| 415 | 1 | 2062715 | SPRING.HANDLE PIVOT |
| 420 | 1 | 2061700 | WASHER POT HOLDER |
| 425 | 1 | 2881402 | LEADWIRE ASSY. INCLUDES 12351 |
| 430 | 1 | 7316 | FERRITE BEAD |
| ■ | 1 | 1378160 | PROPELLER KIT WW2 (1030.10201 |
| 1000 | 1 | 2341160 | PROPELLER WW2 |
| 1010 | 1 | 2262658 | DRIVE PIN. LARGE |
| 1015 | 1 | 2091701 | WASHER. PROP. LARGE |
| 1020 | 1 | 2198401 | NUT NYLOCK. PROP. ANODE |
| 1025 | 1 | 2305415 | SHRIMP( TUBE |
| 1030 | 1 | 2305410 | SHRINK TUBE |
| 1035 | 4 | 2095400 | SHRINK TUBE |
| 1040 | 1 | 2096700 | PLUG WIRE |
■ This item is part of an assembly.
* This item is part of a kit and is only listed for viewing purposes.
COMPLIANCE STATEMENTS
ENVIRONMENTAL COMPLIANCE STATEMENT:
It is the intention of JOME to be a responsible corporate citizen, operating in compliance with known and applicable environmental regulations, and a good neighbor in the communities where we make or sell our products.
WEEE DIRECTIVE:
EU Directive 2002/96/EC “Waste of Electrical and Electronic Equipment Directive (WEEE)” impacts most distributors, sellers, and manufacturers of consumer electronics in the European Union. The WEEE Directive requires the producer of consumer electronics to take responsibility for the management of waste from their products to achieve environmentally responsible disposal during the product life cycle.
WEEE compliance may not be required in your location for electrical & electronic equipment (EEE), nor may it be required for EEE designed and intended as fi xed or temporary installation in transportation vehicles such as automobiles, aircraft, and boats. In some European Union member states, these vehicles are considered outside of the scope of the Directive, and EEE for those applications can be considered excluded from the WEEE Directive requirement.
This symbol (WEEE wheelie bin) on a product indicates the product must not be disposed of with other household refuse. It must be disposed of and collected for recycling and recovery of waste EEE. Johnson Outdoors Inc. will mark all EEE products in accordance with the WEEE Directive. It is our goal to comply in the collection, treatment, recovery, and environmentally sound disposal of those products; however, these requirements do vary within European Union member states. For more information about where you should dispose of your waste equipment for recycling and recovery and/or your European Union member state requirements, please contact your dealer or distributor from
which your product was purchased.
DISPOSAL:
Minn Kota motors are not subject to the disposal regulations EAG-VO (electric devices directive) that implements the WEEE directive. Nevertheless never dispose of your Minn Kota motor in a garbage bin but at the proper place of collection of your local town council.
Never dispose of the battery in a garbage bin. Comply with the disposal directions of the manufacturer or his representative and dispose of them at the proper place of collection of your local town council.
WARNING: This product contains chemicals known to the State of California to cause cancer and birth defects or other reproductive harm.
NOTES……………………………..
RECOMMENDED ACCESSORIES
PORTABLE BATTERY CHARGERS
Bring the action right to the boat. Our Portable chargers charge your battery in multiple stages to keep you on the water longer, and they’re designed to lengthen overall battery life.
60-AMP CIRCUIT BREAKER
Protects the motor from electrical damage. 60 amp rating with manual reset. Fully waterproof. Compatible with all 12-, 24- and 36-volt systems.
TELESCOPING EXTENSION HANDLES
Simply twist the handle to loosen, adjust and tighten our extension handles. Go from 17″ to 25″ (MKA-43) or 24″ to 40″ (MKA-44) and experience total speed and steering control in any situation. Fits all outboard and trolling motors.

EXTENSION HANDLES
Provides easier steering and speed control for all hand control motors. Available in 18″ (MKA-18) or extra-long 30″ (MKA-7) models.

BATTERY POWER CENTER
For small boat, and transom applications, these easy-access external battery terminals allow trolling motor leads and charger leads to be connected without opening the box. Built-in battery meter includes two 12-volt accessory plugs, and two manual reset circuit breakers (10 amp for accessory plugs and 60 amp for motor). Fits group 24- and 27-size batteries.
BATTERY CONNECTORS
The patented design is ideal for installing batteries in tight, confined places. Easy to disconnect for quick, convenient charging. Plastic cover eliminates the risk of electrical shock.
For a complete listing of Minn Kota accessories, visit minnkotamotors.com
Follow us:![]()
minnkotamotors.com
Minn Kota Consumer & Technical Service
Johnson Outdoors Marine Electronics, Inc.
PO Box 8129
Mankato, MN 56001
121 Power Drive
Mankato, MN 56001
Phone (800) 227-6433
Fax (800) 527-4464
| Part #2097145 | ECN 36739 | Rev B |

A Johnson Outdoors Company
©2016 Johnson Outdoors Marine Electronics, Inc.
All rights reserved.




a. Connect a connector cable to the positive ( + ) terminal of battery 1 and to the negative ( – ) terminal of battery 2.




















