neverdark C2-TRC Thermobox Right Corner for fireplaces Chalet II

Main view

| Thermobox | Fireplace | ||||
| A | B | C | X | Y | |
| Model | Length of Thermo box | Height of Thermo box | Depth of Thermo box | Max. length of the fireplace | Width of fireplace |
| C2-TRC-800 | 800 |
500 |
410 | 800 |
320 |
| C2-TRC-900 | 900 | 900 | |||
| C2-TRC-1050 | 1050 | 1100 | |||
| C2-TRC-1300 | 1300 | 1200 | |||
| C2-TRC-1500 | 1500 | 1400 | |||
Thermobox with options

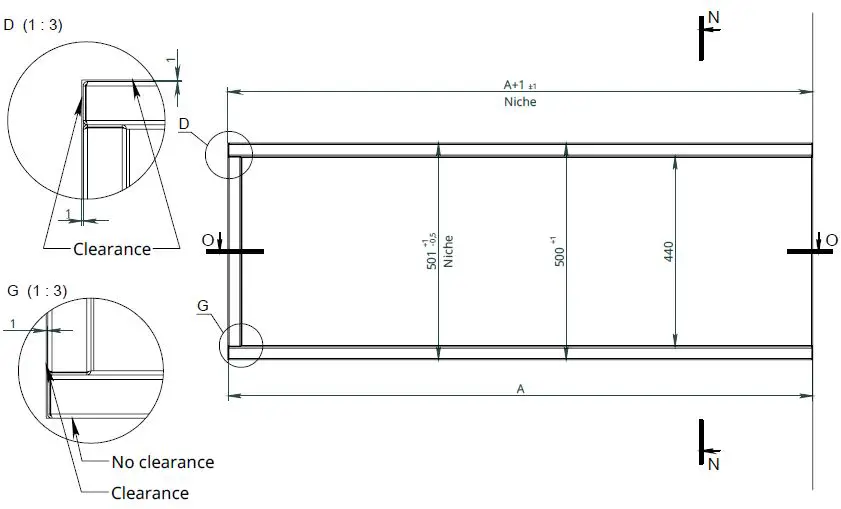
Dimensions


Niche





















