PENTAIR Prostop-E Dual Nozzle Body
IMPORTANT SAFETY INSTRUCTIONS
SAVE THESE INSTRUCTIONS – This manual contains important instructions that should be followed during installation, operation, and maintenance of the product.
This is the safety alert symbol. When you see this symbol in this manual, look for one of the following signal words and be alert to the potential for personal injury!
indicates a hazard which, if not avoided, will result in death or serious injury. indicates a hazard which, if not avoided, can result in death or serious injury. indicates a hazard which, if not avoided, can or may result in minor or moderate injury.
NOTE: Addresses practices not related to personal injury.
California Proposition 65 Warning
This product and related accessories contain chemicals known to the State of California to cause cancer, birth defects or other reproductive harm.
INSTALLATION AND OPERATION
GENERAL INFORMATION
ProStop-E valves provide precision control of on/off function of spraying with high flow and low power consumption.
PERFORMANCE
- Operating Pressure…………………………..150 PSI (10 bar) max
- Flow (per outlet)……………………………….1.7 GPM, with 5 PSI pressure drop through valve (6.4 LPM @ 0.34 bar)
- Flow (total, both valves open)……………..2.4 GPM, with 5 PSI pressure drop through valves (9.1 LPM @ 0.34 bar)
- Wetted Components…………………………FKM, Nylon, Stainless Steel, Acetal, Teflon, and EPDM.
POWER REQUIREMENTS
- Voltage………………………………………….9 to 16 VDC
- Steady State Amperage……………………50 mA
- Actuating (per valve)………………………..0.8 A in-rush current (50 milliseconds), 300 mA for a total time of 230 ms
- Actuating (both valves)…………………….1.6 A in-rush current (50 milliseconds), 600 mA for a total time of 250 ms
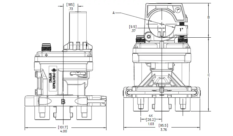
DIMENSIONAL DATA

DIMENSION CHART
| Model # | “A” Pipe / Tube Size | B | C |
| 4214N-3404VPSD | 1″ pipe | 1.69″ [42.8] | 3.65″ [92.6] |
| 4214N-3406VPSD | 22 mm | 1.17″ [29.6] | 3.65″ [92.6] |
| 4214N-3407VPSD | 20 mm | 1.17″ [29.6] | 3.65″ [92.6] |
| 4214N-3408VPSD | 25 mm | 1.42″ [36.1] | 3.65″ [92.6] |
| 4214N-3403VPSD | 3/4″ pipe | 1.42″ [36.1] | 3.65″ [92.6] |
| 4214N-3409VPSD | 28 mm | 1.47″ [37.5] | 3.65″ [92.6] |
| 4214N-3404VTPSD | 1″ pipe, tall stem | 1.69″ [42.8] | 3.87″ [98.3] |
Nozzle Body Clamp Torque: 17 inlbs.
Connector Information:
- M12 style
- IN: A-Code Keying
- OUT: D-Code Keying
Termination Cap 2300-0067 required for protection of any unused connector port
DIGITAL/LINBUS OPERATION
- The ProStop-E Dual is compatible with Pentair Cannode with firmware revision 1.05 and higher (PN CN32-0001) to allow this product to integrate into an ISOBUS system.
- Each Pentair Cannode can physically support up to 32 ProStop-E Dual nozzle bodies with maintaining individual nozzle control. Actuating both ProStop-E Dual valves simultaneously will draw considerably more power, so power management (sequential actuation) or additional Cannodes may be utilized to support the additional power requirements. Multiple Pentair Cannodes can be used in the same system to support any number of ProStop-E nozzle bodies.
- For information on individual Cannode operation, reference L-1586 or contact Hypro Service Center.

WIRING OPTIONS
- Cordsets are M12 Female style, straight connectors with a minimum IP 67 rating.
- Cordsets can be sourced directly from Pentair. Refer to part numbers in the Parts List Index of this manual. 2520-0265 = Daisy chain threaded cordset.


TROUBLESHOOTING
| SYMPTOM | POSSIBLE CAUSE(S) | CORRECTIVE ACTION |
| Power fault / low voltage | Inspect for power supplied to the valve. Verify suitable voltage is present using a voltage meter. | |
| Overpressure | Valve will not open at pressures above 150PSI (10 bar). Reduce system pressure. | |
| Valve does not open. | Debris obstructing ball movement | Prevent contamination by practicing good sprayer hygiene and utilizing or installing line strainers in the boom plumbing. Flush plumbing with clean water to expel other debris before reattaching valve. Prevent subsequent contamination by utilizing or installing line strainers in the boom. |
| Loss of communication with task controller | Verify valve functionality by actuating each valve with Pentair-Hypro SprayIt app. If successful, review task controller setup, ensure CANbus wiring is in good condition and connections are fully seated. | |
| Slow leak through valve when closed. | Debris on valve seat | Prevent contamination by practicing good sprayer hygiene and utilizing or installing line strainers in the boom plumbing. Flush system with clean water to dislodge and expel debris. Remove nozzle body and flush plumbing with clean water. Reinstall nozzle body. |
PART LIST

| REF | DESCRIPTION | QTY | PART # |
| 1 A | Kit, Stem Bottom Clamp 1″ Pipe | 1 | 3430-0901 |
| 1 B | Kit, Stem Bottom Clamp 20mm | 1 | 3430-0902 |
| 1 C | Kit, Stem Bottom Clamp 22mm | 1 | 3430-0903 |
| 1 D | Kit, Stem Bottom Clamp 25mm | 1 | 3430-0904 |
| 1 E | Kit, Stem Bottom Clamp 28mm | 1 | 3430-0905 |
| 1 F | Kit, Stem Bottom Clamp 1″ pipe (tall) | 1 | 3430-0914 |
| 2 | Retainer Clip | 1 | 1600-0106 |
| 3 | O-ring | 1 | 1721-0220 |
| 4 | O-ring | 2 | 1721-0248 |
| 5 | Retainer Clip (Turret) | 1 | 1600-0107 |
| 6 | Turret | 1 | 4200-0090A |
| 7 | Button, Turret Retainer | 1 | 4200-0087 |
Service Kits 1 A thru 1 F include Retainer Clip (item 2) and O-ring (item 3)
LIMITED WARRANTY ON HYPRO/SHURFLO AGRICULTURAL PUMPS & ACCESSORIES
The Hypro/Shurflo agricultural products brought to you by Pentair Flow Technologies, LLC and its directly related affiliates
(collectively, “Hypro”) are warranted to be free of defects in material and workmanship under normal use for the time periods listed below, with proof of purchase.
- Pumps and Closed Transfer Systems: One (1) year from the date of purchase.
- Accessories: Ninety (90) days from the date of purchase.
This limited warranty will not apply to products that were improperly installed, misused, misapplied, damaged, altered, or incompatible with fluids or components not manufactured by Hypro. This limited warranty is the sole and exclusive warranty provided by Hypro for the products. HYPRO DISCLAIMS ALL OTHER WARRANTIES, WHETHER EXPRESS OR IMPLIED OR STATUTORY, INCLUDING BUT NOT LIMITED TO, ANY IMPLIED WARRANTY OF MERCHANTIBILITY AND FITNESS FOR A PARTICULIAR PURPOSE. HYPRO SHALL NOT BE LIABLE FOR ANY INDIRECT, INCIDENTAL, SPECIAL, CONSEQUENTIAL OR EXEMPLARY DAMAGES, INCLUDING BUT NOT LIMITED TO, DAMAGES FOR LOSS OF PROFITS, GOODWILL, USE, DATA OR OTHER INTANGIBLE LOSSES (EVEN IF HYPRO HAS BEEN ADVISED OF THE POSSIBILITY OF SUCH DAMAGES), WITH RESPECT TO THIS LIMITED WARRANTY OR ANY OTHER MATTER RELATING TO THE PRODUCTS. SOME JURISDICTIONS DO NOT ALLOW THE EXCLUSION OF CERTAIN WARRANTIES OR
THE LIMITATION OR LIMITATION OF LIABILITY FOR INCIDENTAL OR CONSEQUENTIAL DAMAGES IN CERTAIN CIRCUMSTANCES. ACCORDINGLY, SOME OF THE ABOVE LIMITATIONS MAY NOT APPLY.
Hypro’s obligation under this limited warranty policy is limited to repair or replacement of the product, as determined by Hypro in
its sole and absolute discretion. This limited warranty is in lieu of all other warranties, expressed or implied, and no other person is authorized to give any other warranty or assume obligation or liability on Hypro’s behalf. Hypro shall not be liable for any labor, damage or other expense.
RETURN PROCEDURES
Buyer must give Hypro notice in writing of any alleged defected covered by this warranty within thirty (30) days of the discovery of such defect during the warranty period. Buyer should be prepared to give Hypro full details the defect, including the model number, date of purchase, and from whom you purchased your product. Hypro may request additional information, and may require a sketch to illustrate the problem.
Contact the appropriate Hypro Service Department to receive a Return Merchandise Authorization number (RMA#). Returns are to be shipped with the RMA number clearly marked on the outside of the package. Hypro shall not be liable for freight damage incurred during shipping. Please package all returns carefully. All products returned for warranty work should be sent shipping charges prepaid:
US/CANADA
Technical: 800-445-8360 Hypro
Warranty: 800-468-3428 SHURflo
Warranty: 800-854-3218 [email protected]
[email protected]
[email protected]
EUROPE
+32 14 25 99 18
[email protected]
UNITED KINGDOM
+44 1954 262333
[email protected]
SOUTH AMERICA & CENTRAL AMERICA
[email protected]
ALL OTHER REGIONS HYPRO / PENTAIR
Technical: 800-445-8360 Hypro
Warranty: 800-468-3428 SHURflo
Warranty: 800-854-3218 [email protected]
[email protected] [email protected]
All products must be flushed of any chemical (ref. OSHA section 1910.1200 (d) (e) (f) (g) (h)) and hazardous chemicals must be labeled/ tagged before being shipped* to Hypro for service or warranty consideration. Hypro reserves the right to request a Material Safety Data Sheet from the returnee for any pump/product it deems necessary. Hypro reserves the right to “disposition as scrap” products returned which contain unknown fluids. Hypro reserves the right to charge the returnee for any and all costs incurred for chemical testing, and proper disposal of components containing unknown fluids. Hypro requests this in order to protect the environment and personnel from the hazards of handling unknown fluids. All returns will be tested per Hypro’s factory criteria. Where products are found not to be defective (under the terms of this limited warranty), then the Buyer must pay return packing and freight charges. Where products are tested and found to be covered by this limited warranty, then Pentair will pay for return packing and freight charges. Hypro reserves the right to choose the method of transportation.
*Carriers, including U.S.P.S., airlines, UPS, ground freight, etc., require specific identification of any hazardous material being shipped. Failure to do so may result in a substantial fine and/or prison term. Check with your shipping company for specific instructions.
pentair.com
375 Fifth Avenue
NW New Brighton, MN 55112 PH: 651.766.6300, 800.424.9776 FX: 800.323.6496
Pentair trademarks and logos are owned by Pentair or its affiliates. Third party registered and unregistered trademarks and logos are the property of their respective owners. Because we are continuously improving our products and services, Pentair reserves the right to change specifications without prior notice. Pentair is an equal opportunity employer.
©2022 Pentair. All Rights Reserved.





















