tecnolite 180FTLP3431MVN Outdoor Light Instruction Manual
TECHNICAL SPECIFICATIONS
Power Supply
100 V~-240 V as 50 Hz/60 Hz 253 W 0.25 A-0.1 A
Lamp Type: LED 8.5 W x 3
Does not include lamp
Electrical information included on the product label
- Unfit for constant work with voltages over or under those established on the product label
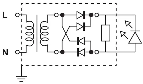
ELECTRICAL DIAGRAM

CAUTION:
- The assembly of this luminaire must be located at least 0,50 m away from any combustible material, to avoid fire hazards.
- Disconnect the electric power source during installation and before conducting maintenance work.
- The lamp and other parts of the luminaire may heat up enough to cause burns; use a clean rag and gloves to handle the luminaire.
MAINTENANCE:
Disconnect the power source.
Clean the luminaire and its internal parts with a dry rag and check the connections periodically.
PARTES LIST
Accesories
A-01 Pija x4
A-02 Taquete x4
A-03 Taquete exp x2
A-04 Rondana x4
A-05 Conector rapido x3
INSTALLATION




NOTE: The ground connection must be physical
Ground-Terrain
Neutral-Neutre
Recommended use
LIMITED WARRANTY
The ILUMINACION ESPECIALIZADA DE OCCIDENTE S.A. de C.V.
warranty covers product defects related to materials or components for periods of:
LED light fixtures 5 years
Self-ballasted compact fluorescent lamps 2 years
Smart devices, such as lamps, light fixtures, sensors and others 1 year
Lamps, light fixtures and others not mentioned above 1 year from the date of purchase
IMPORTER: lluminacion Especializada de Occidente S. A. de C. V. Av. Dr. Angel Leafio 401, 2B, Los Robles, Zapopan Jal. C.P. 45134, México. Tel. 01(33) 3836 0330, (01) 800 777 54 83,
The company ILUMINACION ESPECIALIZADA DE OCCIDENTE S.A, de C.V. issues this warranty to cover products marketed with any of our brands.
To make this warranty valid, the user must show the distributor where the material was acquired, the duly stamped warranty policy, and the invoice of purchase
or acquisition of the product. Where relevant, the receipt or, proof of purchase that includes the details of the product or object of sale,
The company ILUMINACION ESPECIALIZADA DE OCCIDENTE S.A. de C.V. agrees to repair or exchange the product at no cost to the client. To make this warranty valid, please contact
the distributor that you purchased from or the customer service centers. If you require replacement parts, components and accessories, please contact the IMPORTER: and/or authorized distributor that you purchased the products from.
IMPORTANT: This warranty does not cover installation or uninstallation costs under any circumstances, only the replacement or repair of the affected
product.
THIS WARRANTY IS NOT VALID IN THE FOLLOWING CASES:
a-When the product has been used in abnormal conditions.
b-When the product has been used with a light bulb that is stronger than the one indicated for its use or does not comply with the requirements of the Official Mexican Standard (NOM, as per acronym in Spanish).
c-When the product has not been operated or installed in line with the instructions provided.
d-When the product has been submitted to a different variation to + 10% normal voltage.
e-When the product has been altered or repaired by persons not authorized by subsidiary companies of Grupo Construlita.
f-When the electrical installation does not comply with the NOM-001-SEDE (standard) in force.
g-The electrical installations must comply with the equivalent of the norms in that country.
| PRODUCT | |
| MODEL | |
| DATE OF PURCHASE | |
| STATE | |
| TECNOLITE DISTRIBUTOR OR SERVICE CENTER | |
| ADDRESS |
Tecnolite México
Poniente Industrial Park
Address: Carretera La Venta-Nextipac
No. 3020 Col. Nextipac, Interior Nave 4
C.P. 45220 Zapopan, Jalisco
Tel. No.: (33)3636 7608 / (33)3365 4002
www.tecnolite.mx
Tecno Lite Colombia S.A.S}
Address: Calle 65 No. 13-79
Bogota, Colombia
N.I.T. :900157842-4
Tel. No.: (57)898 51 96/97/98
[email protected]
www.tecnolite.com.co
CONNECT Technical Support
Tel. No.: 800 777 LITE (5483)
Option 5
















