tecnolite 18HLED123MV30N Outdoor Light

Product Information
The product is an outdoor LED light fixture with a power rating of 18W. The luminaire has a dimension of A4 (210x297mm) and is designed to be mounted at least 0.50m away from combustible materials to avoid fire hazards. It has an IP65 rating indicating that it is resistant to dust and water ingress and an IK06 rating showing that it is protected against mechanical impacts. The product comes with an instruction manual that provides information on the proper installation, maintenance, and usage of the luminaire. The manual also includes warranty information and customer service centers that can be contacted in case of any issues with the product.
Product Usage Instructions
- Ensure that the luminaire is installed at least 0.50m away from any combustible material to avoid fire hazards.
- Disconnect the electric power source during installation and before conducting maintenance work.
- Use a clean rag or gloves when handling the luminaire to avoid burns as the lamp and other parts of the luminaire may heat up enough to cause burns.
- Disconnect the power source before cleaning the luminaire and its internal parts with a dry rag. Check the connections periodically.
- If there are any issues with the product, contact the customer service centers provided in the instruction manual.
TECHNICAL SPECIFICATIONS
- 100 v –240 v – 50 Hz/éö Az 18 W 0.18 A-O.08 Å
- Electrical information included on the product label
- Unfit for constant work with voltages over or under those established on the product label
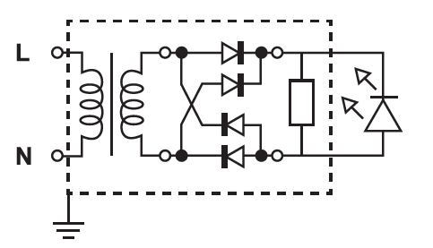
ELECTRICAL DIAGRAM

CAUTION
- The assembly of this luminaire must be located at least 0,50 m away from any combustible material, to avoid fire hazards.
- Disconnect the electric power source during installation and before conducting maintenance work.
- The lamp and other parts of the luminaire may heat up enough to cause burns; use a clean rag and gloves to handle the luminaire.
MAINTENANCE
Disconnect the power source. Clean the luminaire and its internal parts with a dry rag and check the connections periodically.
Accesorios anclaje-Accesories-Accessoires

- A-Ol Lag screw-Broche
- A-02 Anchor-Bouchons
- A-03 Washer- Rondelle
- A-04 Allen wrench-Clé allen
INSTALLATION INSTRUCTIONS



NOTE: The ground connection must be physical

LIMITED WARRANTY
- LED light fixtures 5 years
- Self-ballasted compact fluorescent lamps 2 years
- Smart devices, such as lamps, light fixtures, sensors and other 1 year
- Lamps, light fixtures and others not mentioned above 1 year from the date Of purchase
IMPORTER: Iluminaciån Especializada de Occidente S. A de C. V. Av_ Dr_ ÅngeI Leano 401, 2B, Los Robles, Zapopan JaL C_P_ 45134, México. TeL 01(33) 3836 0330, (01) 800 777 54 83. The company ILUMINACIÖN ESPECIALIZADA DE OCCIDENT E SAI de C.V. issues this warranty to cover products marketed With any Of our brands.
TO make this warranty valid, the user must show the distributor Where the material was acquired, the duly stamped warranty policy, and the invoice Of purchase or acquisition Of the product. Where relevant, the receipt or proof Of purchase that includes the details Of the product or Object Of sale. The company ILUMINACIÖN ESPECIALIZADA DE OCCIDENTE SA de C.V_ agrees to repair or exchange the product at no cost to the client TO make this warranty valid, please contact
the distributor that you purchased frorn or the customer service centers. If you require replacement parts, components and accessories, please contact the IMPORTER
and/or authorized distributor that you purchased the products from.
IMPORTANT: This warranty does not cover installation Or uninstallation costs under any circumstances, only the replacement Or repair Of the affected product
THIS WARRANTY NOT IN THE OWING CASES
- When the product has been used in abnormal conditions.
- When the product has been used with a light bulb that is stronger than the one indicated for its use or does not comply with the requirements of the Official Mexican Standard (NOM, as per acronym in Spanish).
- When the product has not been operated or installed in line with the instructions provided.
- When the product has been submitted to a different variation to ± 10% normal Voltage.
- When the product has been altered or repaired by persons not authorized by subsidiary companies of Grupo Construlita.
- When the electrical installation does not comply with the NOM-OOI-SEDE (standard) in force.
- The electrical installations must comply with the equivalent of the norms in that country.
STAMP OR SIGNATURE OF THE TECNOLITE DISTRIBUTOR OR SERVICE CENTER
- PRODUCT
- MODEL
- DATE OF PURCHASE STATE
- TECNOLITE DISTRIBUTOR OR SERVICE CENTER
- ADDRESS
Tecnolite México
- Poniente Industrial Park
- Address: Carretera La Venta-Nextipac
- No. 3020 Col. Nextipac, Interior Nave 4
- C.P. 45220 Zapopan, Jalisco
- Tel. No.: (33)3636 7608 / (33)3365 4002 www.tecnolite.mx
Tecno Lite Colombia S.A.S
- Address: Calle 65 No. 13-79
- Bogotá, Colombia
- N.I.T. :900157842-4
- Tel. No.: (57)898 51 96/97/98 [email protected] www.tecnolite.com.co
CONNECT Technical Support
Tel. No.: 800 777 LITE (5483) Option 5
















