tecnolite 60CTL8360MV Indoor Light

TECHNICAL SPECIFICATIONS
- Power supply: 100 V –240 V – 50 Hz/60 Hz 8.5 W 0.09 A-O.04 A
- Lamp holder base: E27
- Lamp type-Type: LED 8.5 W
Electrical information included on the product label
Unfit for constant work with voltages over or under those established on the product label
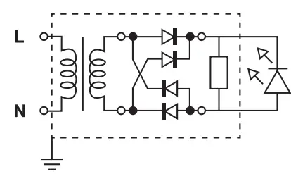
ELECTRICAL DIAGRAM
LED 8.5 W
CAUTION
- The assembly of this luminaire must be located at least 0,50 m away from any combustible material, to avoid fire hazards.
- Disconnect the electric power source during installation and before conducting maintenance work.
- The lamp and other parts of the luminaire may heat up enough to cause burns; use a clean rag and gloves to handle the luminaire.
MAINTENANCE: Disconnect the power source. Clean the luminaire and its internal parts with a dry rag and check the connections periodically.
PARTS LIST
Accessories

INSTALLATION





LIMITED WARRANTY
The ILUMINACIÖN ESPECIALIZADA DE OCCIDENTE S.A. de C.V. warranty covers product defects related to materials or for periods of:
- LED light fixtures 5 years
- Self-ballasted compact fluorescent lamps 2 years
- Smart devices, such as lamps, light fixtures, sensors and others 1 year
- Lamps, light fixtures and others not mentioned above 1 year from the date of purchase
IMPORTER: Iluminaciån Especializada de Occidente S. A. de C. V. Av. Dr. Angel: Leano 401 , 2B, Los Robles, Zapopan Jal. C.P. 45134, México.
Tel. 01(33) 3836 0390, (01) 800 777 54 83. The company ILUMINACIÖN ESPECIALIZADA DE OCCIDENT E S.A, de C.V. issues this warranty to cover products marketed with eny of our brands. To make this warranty valid, the user must show the distributor where the material was acquired, the duly stamped warranty and the invoice of purchase or acquisition of the product. Where relevant, the receipt or L proof of purchase that includes the details of the product pr object of sale. The company ILUMINACIÖN ESPECIAL IZADA DE OCCIDENT E S.A. de C.V. agrees to repair or exchange the product at no cost to the client. TO make this warranty valid, please contact the distributor that you purchased from or the customer service centers. If you require replacement parts, and accessories, please pntact the IMPORTER and/or authorized distributor that vou purchased the products from.
IMPORTANT: This warranty does not cover installation or uninstallation costs under any circumstances, only the replacement or repair of the affected product.
THIS WARRANTY NOT VALID IN THE FOLLOWING CASES:
- When the product has been used in abnormal conditions.
- When the product has been used with a light bulb that is stronger than the one indicated for its use or does not comply with the requirements of the Official Mexican Standard (NOM, as per acronym in Spanish).
- When the product has not been operated or installed in line with the instructions provided.
- When the product has been submitted to a different variation to ± 10% normal Voltage.
- When the product has been altered or repaired by persons not authorized by subsidiary companies of Grupo Construlita.
- When the electrical installation does not comply with the NOM-OOI -SEDE (standard) in force.
- The electrical installations must comply with the equivalent of the norms in that country.

Iluminaciön Especializada de Occidente S.A. de C.V. ,
Tel. (33)3836 0300.
Av. Dr. Angel Leano 401, 2B, Los Robles Zapopan, Jal. C.P. 45134 México




















