tecnolite 60FTLP3432MV LED Exterior Light

LIGHTING FOR OUTDOOR USE
TECHNICAL SPECIFICATION
- Power supply-
100 V ~-240 V ~ 50 Hz/60 Hz 8.5 W 0.09 A-0.04 A - Lamp holder base-
- Lamp type
NOTE: Use suitable lamps depending on your country’s electrical consumption and lamp holder standards
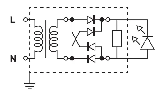
ELECTRICAL DIAGRAM
LED 8.5 W

CAUTION
- The assembly of this luminaire must be located at least 0,50 m away from any combustible material, to avoid fire hazards.
- Disconnect the electric power source during installation and before conducting maintenance work.
- The lamp and other parts of the luminaire may heat up enough to cause burns; use a clean rag and gloves to handle the luminaire.
MAINTENANCE:
Disconnect the power source. Clean the luminaire and its internal parts with a dry rag and check the connections periodically.
PARTES-PARTS
A-01 Pija x2
A-02 Taquete x2
A-03 Rondana x2
A-04 Conector rapido x3
A-05 Termoencogible x3
A-01 Screw-Vis
A-02 Anchor-Cheville
A-03 Washer-Rondelle
A-04 Quick connector-Connecteur rapide
A-05 Insulating tube-Tube isolant
INSTALLATION



NOTE: The ground connection must be physical
Ground-Terrain

LIMITED WARRANTY
warranty covers product defects related to materials or components for periods of: LED light fixtures 5 years Self-ballasted compact fluorescent lamps 2 years Smart devices1 such as lamps, light fixtures, sensors and others 1 year Lamps, light fixtures and others not mentioned above 1 year from the date of purchase C.V. issues this warranty to cover products marketed with 8iny of our brands.
To make this warranty valid, the user must show the distributor whe, the material was acquired, the duly stamped warranty policy, and the I invoice of purchase or acquisition of the product. Where relevant, the receipt or I proof of purchase that includes the details of the product 9r object of sale.
The company ILUMINACION ESPECIALIZADA DE OCCIDENTE S.A. de C.V. ag i;ees to repair or exchange the product at no cost to the client.
To make this warranty valid, please contact the distributor that you purchased from or the customer service centers. If If you require replacement parts, components and accessories, please co,ntact the IMPORTER and/or authorized distributor that you purchased the products from.
IMPORTANT: This Warranty does not cover installation costs under any circumstances , only the replacement or rapair of the affected
THIS WARRANTY IS NOT VALID IN THE FOLLOWING CASES:
a-When the product has been used in abnormal conditions.
b-When the product has been used with a light bulb that is stronger than the one indicated for its use or does not comply with the requirements of the Official Mexican Standard NOM, as per acronym in Spanish).
c-When the product has not been operated or installed in line with the instructions provided.
d-When the product has been submitted to a different variation to± 10% normal Voltage.
e-When the product has been altered or repaired by persons not authorized by subsidiary companies of Grupo Construlita.
f-When the electrical installation does not comply with the NOM-001-SEDE (standard) in {NOM, as per acronym in Spanish). 1 force.
g-The electrical installations must comply with the equivalent of the norms in that country.
PRODUCT
MODEL
DATE OF PURCHASE
STATE
TECNOLITE DISTRIBUTOR I OR SERVICE CENTER
ADDRESS
CUSTOMER SERVICE CENTERS:
Tecnolite Mexico
Poniente Industrial Park
Address: Carretera La Venta-Nextipac
No. 3020 Col. Nextipac, Interior Nave 4
C.P. 45220 Zapopan, Jalisco
Tel. No.: (33)3636 7608 / (33)3365 4002
CONNECT Technical Support
Tel. No : 800 777 LITE (5483)
Option 5
www.tecnolite.mx














