biamp SPA-NC100 Desono Ceiling Loudspeaker Accessories

Biamp offers New Construction Brackets (NC) suitable for all Desono CM, C-IC6 and DX ceiling loudspeakers. The brackets are available in two styles – B-style and A-style. The B-style brackets have cleats to easily secure the wiring with cable ties before the ceiling is installed. Please refer to the appropriate Installation and Operation guide for additional information on drywall ceiling installation methods, and preinstallation in a new drywall ceiling.
Product Installation Guide
Follow the steps below to install the DesonoTM Ceiling Loudspeaker Accessories New Construction Bracket:
- Fasten the bracket to the trusses.
- Run wire(s) to the location and secure them to the top of the bracket. Use the cleats on the B-style brackets to easily secure the wiring with cable ties before ceiling is installed.
- Install drywall.
- Cut out the hole.
- Install the ceiling loudspeaker after the ceiling is finished following the installation guide for that model.
product Specifications
- Material / Finish: 1 mm steel / Bright zinc plate
- Quantity per Kit: Sold in 6-packs
To download the appropriate installation guide for your loudspeaker model, scan the QR code provided in the manual or visitbia.mp/DesonoCeiling_pubs. For any further queries, you can contact us through email at [email protected] or visit our website support.biamp.com. Our warranty information is available at biamp.com/legal/warranty-information.
Installation Guide
Biamp offers New Construction Brackets (NC) suitable for all Desono CM, C-IC6 and DX ceiling loudspeakers. The illustrations below are typical installations in a drywall ceiling. Please refer to the appropriate Installation and Operation guide for additional information on drywall ceiling installation methods, and preinstallation in a new drywall ceiling.
Installation
- Fasten the bracket to the trusses. Run wire(s) to the location and secure them to the top of the bracket. B-style brackets have cleats to easily secure the wiring with cable ties before ceiling is installed – see box below
Note: Use of a stretched string or laser to align the brackets, rather than aligning to the truss is recommended. - Install drywall.
- Cut out the hole.
- Install ceiling loudspeaker after the ceiling is finished following installation guide for that model.

New Construction Bracket
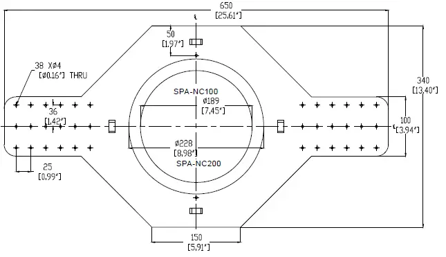
| Model | Fits | Style |
| SPA-NC100 | CM20DTS, CM30DTD | B |
| SPA-NC200 | CM60DTD | B |
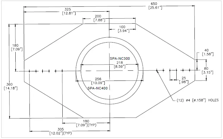
| SPA-NC300 | DX-IC4LP, DX-IC4 | A |
| SPA-NC400 | DX-IC6, DX-IC6-B, C-IC6 | A |
| SPA-NC500 | DX-IC8 | A |
| SPA-NC600 | DX-IC10, DX-IC10SUB | A |
TECHNICAL DRAWINGS
SPA-NC100 / SPA-NC200

SPA-NC300 / SPA-NC400

SPA-NC500 / SPA-NC600

Exterior dimensions and hole placement are shared on the 3 drawings at left. The ID of the hole cutout is noted for each model.
SPECIFICATIONS
- Material / Finish: 1 mm steel. / Bright zinc plate
- Quantity per Kit: Sold in 6-packs
Scan this QR-code and navigate to your loudspeaker model to download the appropriate installation guide

CONTACT US
- Email: [email protected]
- Web: support.biamp.com
- Warranty: biamp.com/legal/warranty-information
A: 9300 S.W. Gemini Drive Beaverton, OR 97008 USA
- www.biamp.com
- 585.0235 21FEB2022















