Nuvoton I16-COB20 COB/Demo Board User Manual


April 2006
Rev 1
DESCRIPTION
The I16-COB20 is used to demonstrate the voice quality of the ISD16B20 ChipCorder series. This board has an empty PDIP socket, so that the desired device can be installed. It can also serve as a prototype board for your initial applications.
| Product supported | Ordering Code |
| ISD1610B/12B/16B/20B | I16-COB20 |
CONTENTS OF THE KIT
- I16-COB20 COB/Demo board
- User’s manual
HARDWARE CONNECTIONS
- Connect a speaker and a power supply to the related terminals. Please ensure the polarity of the power is correct to avoid any damages to the COB and/or the device.
- Speaker (SP)/AUD selection: Default setting is SP output. If AUD output is needed, remove the connection from center pad
to Sp+ (Sp-) pad and re-connect the center pad to AUD (Vcc), respectively, per diagram below.

OPERATIONS
In order to perform the recording and playback functions, just connect a speaker and a power supply to the demo board. Please ensure the polarity of the power is correct for avoiding any damages to the demo board.
To Record, simply press-and-hold the REC button and speak to the microphone. The LED stays on while recording. Release Record button to stop recording.
To Playback the recorded message using PlayE, simply pressing PlayE button once will play the message and it stops automatically when completed. During playback, pressing PlayE button again will halt the playback operation.
To Playback the recorded message using PlayL, simply pressing-and-holding PlayL button will play the message and it stops automatically when completed. During playback, releasing PlayL button will cease the playback operation.
To demonstrate the voice quality and various durations, one can change the Rosc to the desired value with respect to the sampling frequency, as shown in the datasheet.
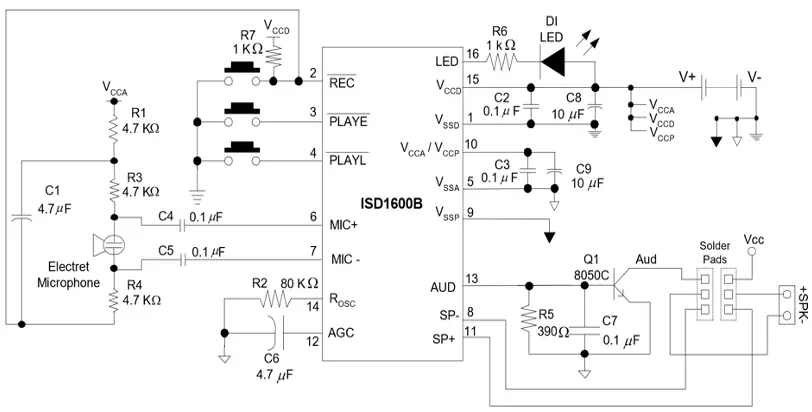
SCHEMATIC

For any technical details of the ISD1600B series, please refer to the datasheet at: http://www.Nuvoton-usa.com
PCB LAYOUT PICTURES


March 12, 2009
Rev 1
















![Planar Hb Series Huddle Board User Manual [hb75, Hb86] Planar Hb Series Huddle Board User Manual [hb75, Hb86]](https://static-data1.manualsee.com/1/img/65/54531/2021/01/Planar-HB-Series-Huddle-Board-User-Manual-HB75-HB86.png.jpg)

