NU-LB-MINI51 Arm Cortex-M0 32-Bit Microcontroller
User Manual
The information described in this document is the exclusive intellectual property of Nuvoton Technology Corporation and shall not be reproduced without permission from Nuvoton.
Nuvoton is providing this document only for reference purposes of NuMicro™ microcontroller-based system design. Nuvoton assumes no responsibility for errors or omissions.
All data and specifications are subject to change without notice.
For additional information or questions, please contact Nuvoton Technology Corporation.
Overview
Nu-LB-Mini51 is the specific development tool for the NuMicro Mini51 series. Users can use Nu-LB-Mini51 to learn easily how to display information, store data, communicate with PC, and interact with humans through the Mini51 series. Besides, it also integrates an ICE controller called Nu-Link-Me and users do not need other additional ICE or debug the equipment.
Nu-LB-Mini51 Introduction
Nu-LB-Mini51 uses the Mini54LAN as the target microcontroller and includes rich functional blocks on board. Figure 2-1 is the positive and negative Nu-LB-Mini51. The positive Nu-LB-Mini51 includes a main chip (Mini54LAN), INT key, reset key, variable resistance, RGB LED, 8 LEDs, 128×64 Dot Matrix LCD and RS232 interface. The negative Nu-LBMini51 includes EEPROM, Flash, and an ICE controller called Nu-Link-Me.
Nu-LB-Mini51 is similar to other development boards. Users can use the functional blocks connected with Mini54LAN to develop and verify applications to emulate the real behavior. The onboard chip covers Mini51 series features. The NuLB-Mini51 can be a real system controller to design users’ target systems.
Nu-Link-Me is a Debug Adaptor. The Nu-Link-Me Debug Adaptor connects your PC’s USB port to your target system (via Serial Wired Debug Port) and allows you to program and debug embedded programs on the target hardware. To use the Nu-Link-Me Debug adaptor with IAR or Keil, please refer to “Nuvoton NuMicroT” IAR ICE driver user manual “or Nuvoton NuMicron‘ Keil ICE driver user manual” in detail. These two documents will be stored in the local hard disk when the user installs each driver.
Functional Block of Nu -LB-Mini51
Nu-LB-Mini51 provides the rich functional blocks connected with Mini54LAN to display information, communicate with PC, store data, and interact with humans. Users can follow the pin assignment at Table 2-1 to control every functional block.
| Functional Block | Pin assignment | Pin Function Description |
| ICE controller(Nu-Link-Me) | ICE_CLK ICE DATA | SWD interface |
| Reset Key | /RST | Reset |
| IN 1′ Key | P3.2 | INTO |
| Variable Resistance | P5.3 | AINO |
| Thermistor | P1.0 | AINI |
| Buzzer | P2.5 | PWM3 |
| ORB LED | P2.2 P2.3 P2.4 | PWMO PWM 1 PWM2 |
| 8 LEDs | P3.1 P3.6 P5.2 P2.6 P1.2 P1.3 P1.4 P1.5 | LEDO LED 1 LED2 LED3 LED4 LEADS LED6 LED7 |
| EEPROM | P3.4 P3.5 | 12C SDA 12C SCL |
| Black Dot Matrix LCD Panel | P0.4 P0.5 P0.6 P0.7 P5.4 | SPI_SS5 SPI_MOSI LCM_RST/SPI_MISO SPI_CLK LCM LED |
Table 2-1 Functional Block for Nu-LB-Mini51
Pin Assignment for Extended Connector
Nu-LB-Mini51 provides Mini54LAN on board and the extended connector for the LQFP-48 pin. Table 2-2 is the pin assignment for Mini54LAN.
| Pin No | Pin Name | Pin No | Pin Name |
| 1 | NC | 25 | P2.5, PWM3 |
| 2 | P1.5, AIN5, CPPO | 26 | P2.6, PWM4, CPO1 |
| 3 | /RESET | 27 | NC |
| 4 | P3.0, AIN6, CPN1 | 28 | NC |
| 5 | AVS | 29 | P4.6, ICE CLK |
| 6 | P5.4 | 30 | P4.7, ICE DAT |
| 7 | P3.I, AIN7, CPPI | 31 | NC |
| 8 | P3.2, INTO, STADC, TOEX | 32 | P0.7, SPICLK |
| 9 | P3.4, TOO, SDA | 33 | P0.6, MISO |
| 10 | P3.5, T1, SCL | 34 | P0.5, MOSI |
| 11 | NC | 35 | P0.4, SPISS, PWMS |
| 12 | NC | 36 | NC |
| 13 | NC | 37 | PO.1, RTS, RX, SPICES |
| 14 | P3.6, CKO, T I EX, CPU | 38 | P0.0, CTS, TX |
| 15 | P5.I, XTAL2 | 39 | NC |
| 16 | P5.0, XTAL I | 40 | NC |
| 17 | VSS | 41 | P5.3, AINO |
| 18 | LDO CAP | 42 | VDD |
| 19 | P5.5 | 43 | ADD |
| 20 | P5.2, INTI | 44 | PI.0, AIN1 |
| 21 | NC | 45 | P1.2, AIN2, RX |
| 22 | P2.2, PWM | 46 | P1.3, AIN3, TX |
| 23 | P2.3, PWM1 | 47 | P1.4, AIN4, CPNO |
| 24 | P2.4, PWM2 | 48 | NC |
Table 2-2 Pin Assignment for Mini54LAN
How to Start Nu-LB-Mini51 on the Keil μVision® IDE
Keil uVision® IDE Software Download and Install
Please visit the Keil company website (http://www.keil.com) to download the Keil μVision® IDE and install the RVMDK.
Nuvoton Nu-Link Driver Download and Install
Please visit the Nuvoton company NuMicro™ website (http://www.nuvoton.com/NuMicro) to download the “NuMicro™ Keil® μVision IDE driver” file. Please refer to Chapter 6.1 for the detailed download flow. When the Nu-Link driver has been well downloaded, please unzip the file and execute the “Nu-Link_Keil_Driver.exe” to install the driver.
Hardware Setup
The hardware setup is shown in Figure 3-1 
Smpl_StartKit Example Program
This example demonstrates the ease of downloading and debugging an application on a Nu-LB-Mini51 board.
It can be found in Figure 3-2 list directory and downloaded from the Nuvoton NuMicro™ website following on Chapter 6.3. 
To use this example:
The LCD will display the result of ADC on the Nu-LB-Mini51 board.
Start μVision®- Project-Open
Open the Smpl_StartKit.uvproj project file
Project – Build
Compile and link the Smpl_StartKit application
Flash – Download
Program the application code into on-chip Flash ROM
Start debug mode
Using the debugger commands, you may:
• Review variables in the watch window
• Single step through code
• Reset the device
• Run the application
How to Start Nu-LB-Mini51 on the IAR Embedded Workbench
IAR Embedded Workbench Software Download and Install
Please connect to the IAR company website (http://www.iar.com) to download the IAR Embedded Workbench and install the EWARM.
Nuvoton Nu-Link Driver Download and Install
Please connect to the Nuvoton Company NuMicro™ website (http://www.nuvoton.com/NuMicro) to download™ the “NuMicro IAR ICE driver user manual” file. Please refer to Chapter 6.2 for the detailed download flow. When the Nu Link driver has been well downloaded, please unzip the file and execute the “Nu-Link_IAR_Driver.exe” to install the driver.
Hardware Setup
The hardware setup is shown in Figure 4-1 
Smpl_StartKit Example Program
This example demonstrates the ease of downloading and debugging an application on a Nu-LB-Mini51 board.
It can be found in Figure 4-2 list directory and downloaded from the Nuvoton NuMicro™ website following Chapter 6.3. 
To use this example:
The LCD will display the result of ADC on the Nu-LB-M051 board.
Start IAR Embedded Workbench- File-Open-Workspace
Open the Smpl_StartKit.eww workspace file
Project – Make
Compile and link the Smpl_StartKit application
Project – Download and Debug
Program the application code into on-chip Flash ROM.
•
Single step through code
•
Reset the device
•
Run the application
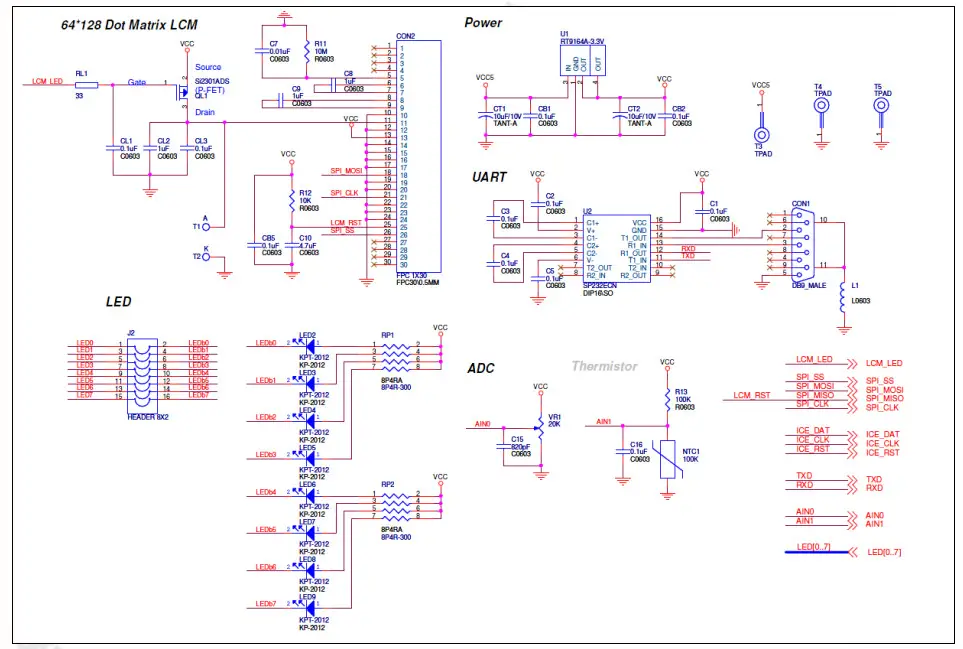
Nu-LB-Mini51 Schematic


To Download NuMicro™ Nu-Link Driver for Keil RVMDK
| Step.1 | To connect to the Nuvoton NuMicro™ Website: http://www.nuvoton.com/NuMicro |
| Step.2 | ![]() |
| Step.3 | ![]() |
| Step.4 | To download the NuMicro ™ Nu-Link Driver for Keil RVMDK |
To Download NuMicro™ Nu-Link Driver for IAR EWARM
| Step.1 | To connect to the Nuvoton NuMicro™ Website: http://www.nuvoton.com/NuMicro |
| Step.2 | ![]() |
| Step.3 | ![]() |
| Step.4 | To download the NuMicro™ Nu-Link Driver for IAR EWARM |
To Download NuMicro™ Mini51 Series BSP Software Library
| Step.1 | To connect to the Nuvoton NuMicro™ Website: http://www.nuvoton.com/NuMicro |
| Step.2 | ![]() |
| Step.3 | ![]() |
| Step.4 | To download the NuMicro™ Mini51 SeriesBSP_CMSIS software library |
Revision History
Important Notice
Nuvoton products are not designed, intended, authorized, or warranted for use as components in systems or equipment intended for surgical implantation, atomic energy control instruments, airplane or spaceship instruments, transportation instruments, traffic signal instruments, combustion control instruments, or other applications intended to support or sustain life. Furthermore, Nuvoton products are not intended for applications wherein failure of Nuvoton products could result or lead to a situation wherein personal injury, death, or severe property or environmental damage could occur.
Nuvoton customers using or selling these products for use in such applications do so at their own risk and agree to fully indemnify Nuvoton for any damages resulting from such improper use or sales.
Please note that all data and specifications are subject to change without notice. All the trademarks of products and companies mentioned in this datasheet belong to their respective owners.

























