suprema BioEntry W2 Fingerprint Access Control Terminal

Safety instructions
Please read this safety instructions before you use the product to prevent injury to yourself and others and to prevent property damage. The term ‘product’ in this manual refers to the product and any items provided with the product.
Instructional icons
- ⚠Warning: This symbol indicates situations that could result in death or severe injury.
- ❗Caution: This symbol indicates situations that may result in moderate injury or property damage.
- ❕Note: This symbol indicates notes or additional information.
Warning
Installation
Do not install or repair the product arbitrarily.
- This may result in electric shock, fire, or product damage.
- Damages caused by any modifications or failure to follow installation instructions can void your manufacturer’s warranty.
Do not install the product in a place with direct sunlight, moisture, dust, soot, or a gas leak.
- This may result in electric shock or fire.
Install the product in a well-ventilated and cool place away from direct sunlight to prevent overheating when installing it outside.
Do not place the product inside the sealed enclosure when installing it outside.
- It increases the internal temperature of the enclosure and this may result in electric shock, fire, or malfunction.
Do not install the product in a location with heat from an electric heater.
- This may result in fire due to overheating.
Install the product in a dry location.
- Humidity and liquids may result in electric shock or product damage.
Do not install the product in a location where it will be affected by radio frequencies.
- This may result in fire or product damage.
Operation
Keep the product dry.
- Humidity and liquids may result in electric shock, fire, or product damage.
Do not use damaged power supply adaptors, plugs, or loose electrical sockets.
- Unsecured connections may cause electric shock or fire.
Do not bend or damage the power cord.
- This may result in electric shock or fire.
Caution
Installation
Do not install the product under direct sunlight or UV light.
- This may result in product damage, malfunction, discoloration, or deformation.
Do not install the power supply cable in a location where people pass by.
- This may result in injury or product damage.
Do not install the product near magnetic objects, such as a magnet, TV, monitor (especially CRT), or speaker.
- The product may malfunction.
Do not seal around the product with silicone, etc. when installing it on the wall.
- The product may malfunction.
Keep the minimum distance between products when installing multiple products.
- The product may be affected by radio frequencies emitted by other products and the product may malfunction.
Use the IEC/EN 62368-1 approved power adaptor that supports higher power consumption than the product. It is highly recommended to use the power adaptor sold by Suprema.
- If the right power supply is not used, the product may malfunction.
Use a separate power supply for the Secure I/O 2, electric lock, and the product.
- If connecting and using the same power supply, the product may malfunction.
Do not connect and use the power supply and Power over Ethernet (PoE) simultaneously.
- The product may malfunction.
Operation
Do not drop the product or cause impacts to the product.
- The product may malfunction.
Do not disconnect the power supply while upgrading the firmware of the product.
- The product may malfunction.
Do not store your product in very hot or very cold places. It is recommended to use your product at temperatures from -20 °C to 50 °C.
- The product may malfunction.
When cleaning the product, mind the following.
- Wipe the product with a clean and dry towel.
- If you need to sanitize the product, moisten the cloth or the wipe with a proper amount of rubbing alcohol and gently clean all exposed surfaces including fingerprint sensor. Use rubbing alcohol (containing 70% Isopropyl alcohol) and a clean, non-abrasive cloth like lens wipe.
- Do not apply liquid directly to the surface of the product.
Do not use the product for anything other than its intended use.
- The product may malfunction.
RTC battery
Discard the battery according to the appropriate regional or international waste regulations. Discard the battery according to the appropriate regional or international waste regulations.
Introduction
Components
- Components may vary according to the installation environment.
- When assembling the product with the bracket, you can use the included bracket fixing screw (Star Shaped) instead of the product fixing screw for enhanced security.
Name and function of each part

| Name | Description |
| LED Indicator | Indicates the operational status of the device with the color of the LED.
|
| RF card and mobile access card authentication unit | Part to scan a RFID card or mobile access card for entrance. |
| Fingerprint authentication unit | Reads fingerprints. |
| Reset button |
|
| LED lamp for Network | Shows the status of the network connection. |
| Cable connector |
|
Cables and connectors

| PIN | Name | Color |
| 1 | RLY NO | Gray (White stripe) |
| 2 | RLY COM | Green (White stripe) |
| 3 | RLY NC | Orange (White stripe) |
| 4 | VB2 | Blue |
| Brown | ||
| 5 | VB1 | Red |
| Green | ||
| 6 | WG D0 | Green |
| 7 | WG D1 | White |
| 8 | WG GND | Black |
| 9 | TTL IN 1 | Brown |
| 10 | TTL IN 0 | Purple |
| 11 | PWR +VDC | Red |
| 12 | Not Connected | Pink |
| 13 | PWR GND | Black (White stripe) |
| 14 | 485 TRXN | Yellow (Black stripe) |
| 15 | 485 TRXP | Blue (White stripe) |
| 16 | 485 GND | White (Black stripe) |
| 17 | ENET TXP | White |
| 18 | ENET TXN | Orange |
| 19 | ENET RXP | Black |
| 20 | ENET RXN | Yellow |
There are several conductors of size of AWG 26 and they shall be covered by a common jacket or the equivalent when field wiring; and the lead shall not be spliced to a conductor larger than 18 AWG (0.82 mm2).
How to enroll a fingerprint
In order to improve the fingerprint authentication rate, register the fingerprint correctly. BioEntry W2 can recognize a fingerprint even if the angle and position of a user’s fingerprint input change. If you register the fingerprint with attention to the following matters, the authentication rate can be improved.
Selecting a finger for fingerprint input
- In preparation for the case that the fingerprint of a specific finger cannot be used, for example if the user is lifting a load with one hand or a finger gets hurt, up to 10 fingerprints for each user can be registered.
- In the case of a user whose fingerprint cannot be recognized well, the authentication rate can be improved by enrolling the same finger twice repeatedly.
- If a finger has a cut or the fingerprint is blurry, select another finger for the fingerprint.
- It is recommended to use the index finger or the middle finger when scanning the fingerprint. The authentication rate can be reduced if it is difficult to place another finger at the center of fingerprint sensor accurately.

Fingerprint enroll method
- When a message saying “Place your finger on the sensor.” is displayed on the LCD screen for enrolling the fingerprint, place the finger with the fingerprint you wish to enroll on the fingerprint authentication unit and press the finger gently for better authentication.

- When the re-input screen is displayed after a beep sound, scan the fingerprint of the enrolled finger again (scan the fingerprint of a finger to be enrolled twice).
Cautions for enrolling a fingerprint
When a fingerprint is recognized, it is compared with the initially registered fingerprint, so the initial fingerprint enroll is the most important. Pay attention to the following matters when enrolling the fingerprint.
- Place the finger deep enough to contact with the sensor completely.
- Place the center of the fingerprint in the center of the sensor.
- If a finger has a cut or the fingerprint is blurry, select another finger for the fingerprint.
- Scan the fingerprint correctly without moving according to the instruction on the screen.
- If you make the finger upright so that the contact area with the sensor is decreased or the angle of finger is warped, fingerprint authentication may not be performed.
When the fingerprint recognition fails
BioEntry W2 can recognize a fingerprint regardless of a change in season or finger condition. However, the authentication rate may vary according to the external environment or fingerprint input method. If the fingerprint authentication cannot be done smoothly, it is recommended to take the following measures. - If the finger is smeared with water or sweat, dry off the finger and then scan the finger.
- If the finger is too dry, blow your breath on the fingertips and then scan the finger.
- If the finger has a cut, register the fingerprint of another finger.
- The initially enrolled fingerprint often may have not been scanned correctly, so enroll the fingerprint again according to ‘Cautions for enrolling a fingerprint’
Installation
Fixing the bracket and the product
- Determine the correct position to install the bracket using the provided drilling template. Fix the bracket firmly using .

- There is no optimal height for installing BioEntry W2 on the wall. Install it to a safe and convenient location for you to use.
- If installing BioEntry W2 on a concrete wall, drill holes, insert PVC anchors, and fix them with fixing screws.
- To avoid RF interference, a minimum separation distance must be maintained
When using a mobile access card, install devices maintaining a minimum distance of 1 m between devices to avoid RF interference.
- Install BioEntry W2 onto the fixed bracket.

- Assemble BioEntry W2 with the bracket by rotating the product fixing screw.

- When assembling the product with the bracket, you can use the included bracket fixing screw(Star Shaped) instead of the product fixing screw for enhanced security.
Power supply connection

- Listed Class 2 power unit shall be recommended to use.
- The unit is powered by external Listed Class 2 power supply with 12VDC or by Listed to UL 294B PoE power source.
- For ULC S319 compliance, connect PSC-100A power supply and Casil CA 1270 battery.
- Use the IEC/EN 62368-1 approved power adaptor that supports higher power consumption than the product. If you wish to connect and use another device to the power supply adapter, you should use an adapter with a current capacity which is the same or larger than the total power consumption required for the terminal and another device.
- Use a separate power supply for Secure I/O 2, the electric lock, and the product respectively. If connecting and using the power supply to these devices together, the devices may malfunction.
- DO NOT connect the device to the DC power supply (or adapter) and PoE power supply at the same time.
- The alarm signal is sent out through AC OK and Battery Low pins in the relay contact type.
Function Description Relay Status AC OK AC power is on Short AC power is off Open Battery Low The voltage of battery is under 11 V Short The voltage of battery is above 11 V Open - An external voltage source is required for the alarm signal function. The maximum applied voltage is 30 V and the maximum sink current is 1 A.
- Statement indicating that “The PoE Power Source needs to comply with National Electrical Code, ANSI/NFPA 70, Article 725.121, Power Sources for Class 2 and Class 3 Circuits”.
- Category 5e cabling is the minimum performance category recommended. The performance category utilized should match the transmission speed required at the installation site.
- The minimum conductor gauge permitted to connect between the PSE or power injector and the PD shall be 26 AWG (0.13 mm2) for patch cords; 24 AWG (0.21 mm2) for horizontal or riser cable.
- When the product is powered via PoE, it must be either UL 294B or UL 294 7th Ed. compliant source.
- Compliance with IEEE 802.3 (at or af) specifications shall not be verified as part of these requirements.
Network connection
TCP/IP
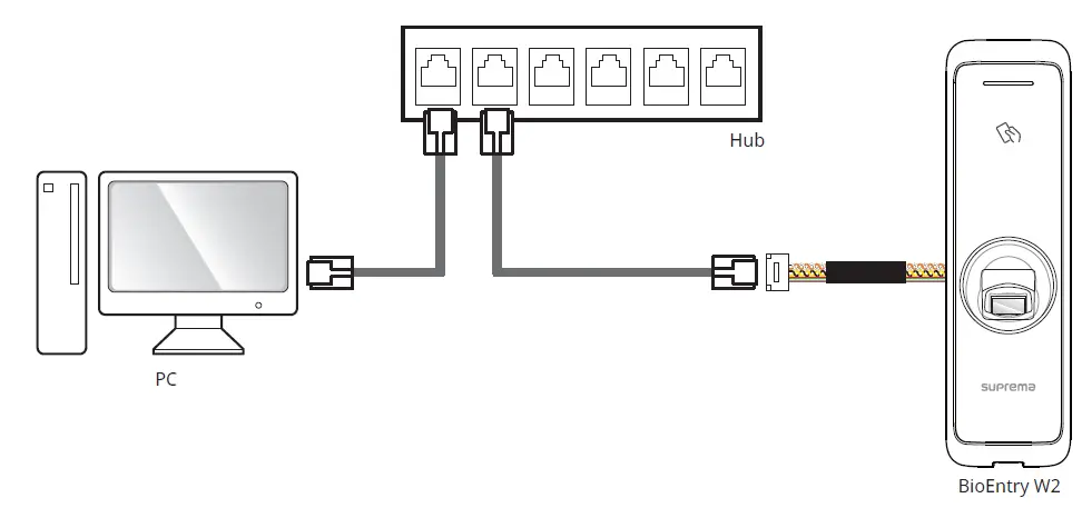
LAN connection (connecting to a hub)
You can connect the product to a hub using a general type CAT-5 cable.

LAN connection (connecting to a PC directly)
BioEntry W2 has an automatic MDI/MDIX function so that it can be connected to a PC directly using a normal straight type CAT-5 cable or a cross cable.
TTL input connection
Relay connection
Fail Safe Lock
In order to use the Fail Safe Lock, connect N/C relay as shown in the figure below. There is normally a current flowing through the relay for the Fail Safe Lock. When the relay is activated, blocking the current flow, the door will open. If the power supply to the product is cut off due to a power failure or an external factor, the door will open.
- Install a diode at both sides of the door lock wire as shown in the figure to protect the relay from the reverse current, which occurs when the door lock operates.
- Use a separate power supply for BioEntry W2 and the door lock.
- Suprema’s standalone intelligent readers contain internal relays that can directly lock/unlock doors without external controllers for added convenience. For access control applications in need of security, however, it is NOT recommended to use the internal relay of a reader to prevent any tampering attacks which can potentially trigger the door unlock. For such applications, it is highly recommended to use a separate relay unit for a lock control such as Suprema’s Secure I/O 2, DM-20 or CoreStation installed at a secure side of a door.
Take caution of the installation direction of the diode. Install the diode close to the door lock.
Fail Secure Lock
In order to use the Fail Secure Lock, connect N/O relay as shown in the figure below There is normally no current flowing through the relay for the Fail Secure Lock. When the current flow is activated by the relay, the door will open. If the power supply to the product is cut off due to a power failure or an external factor, the door will lock.

- Install a diode at both sides of the door lock wire as shown in the figure to protect the relay from the reverse current, which occurs when the door lock operates.
- Use a separate power supply for BioEntry W2 and the door lock.
- Suprema’s standalone intelligent readers contain internal relays that can directly lock/unlock doors without external controllers for added convenience. For access control applications in need of security, however, it is NOT recommended to use the internal relay of a reader to prevent any tampering attacks which can potentially trigger the door unlock. For such applications, it is highly recommended to use a separate relay unit for a lock control such as Suprema’s Secure I/O 2, DM-20 or CoreStation installed at a secure side of a door.
Take caution of the installation direction of the diode. Install the diode close to the door lock.
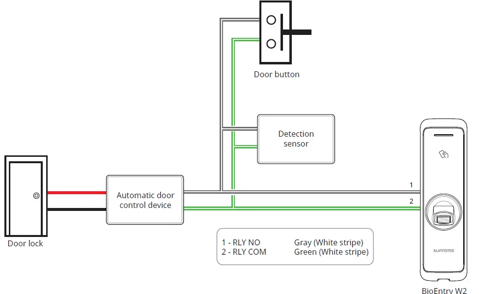
Automatic door connection

Connecting as a standalone
BioEntry W2 can be connected to the door lock, door button, and door sensor directly without connecting a separate I/O device.

Suprema’s standalone intelligent readers contain internal relays that can directly lock/unlock doors without external controllers for added convenience. For access control applications in need of security, however, it is NOT recommended to use the internal relay of a reader to prevent any tampering attacks which can potentially trigger the door unlock. For such applications, it is highly recommended to use a separate relay unit for a lock control such as Suprema’s Secure I/O 2, DM-20 or CoreStation installed at a secure side of a door.
- BioEntry W2 can be used as a multi-door controller with the slave devices with the RS485 cable. The slave devices are used as dummy readers and authentication is performed in the master device.
- If Xpass is connected to the master device, only card authentication can be used.
- The maximum number of slave devices available to connect varies according to the authentication method, number of users, and number of devices. Also note that the number of slave devices affects the fingerprint authentication speed.
- A master device can control 31 slave devices. The bandwidth of RS485 allows for up to 7 fingerprint authentication devices to be connected.
For more information, contact the Suprema technical support team (support.supremainc.com).
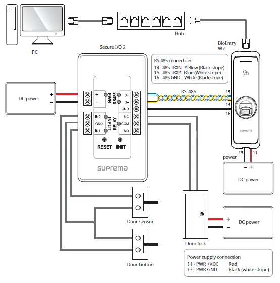
Connecting to Secure I/O 2
Secure I/O 2 is an I/O device, can be connected to BioEntry W2 with the RS-485 cable. Security can be maintained even if the connection between BioEntry W2 and Secure I/O 2 has been lost or the power supply to BioEntry W2 has been shut off due to external factors.
- Use an AWG24 twisted pair with less than 1.2 km in length for the RS-485 cable.
- If connecting with a RS-485 daisy chain, connect the termination resistor (120 Ω) to both ends of the daisy chain connection. If connected to the middle line, the signal level becomes smaller and the communication performance will deteriorate. Make sure to connect it to both ends of the daisy chain connection.

- BioEntry W2 can be used as a multi-door controller with the slave devices with the RS485 cable. The slave devices are used as dummy readers and authentication is performed in the master device.
- If Xpass is connected to the master device, only card authentication can be used.
- The maximum number of slave devices available to connect varies according to the authentication method, number of users, and number of devices. Also note that the number of slave devices affects the fingerprint authentication speed.
- A master device can control 31 slave devices. The bandwidth of RS485 allows for up to 7 fingerprint authentication devices to be connected.
- Access control system configuration with connection to Secure I/O 2 is not Listed to UL 294.
- For more information, contact the Suprema technical support team (support.supremainc.com).
Wiegand connection

Resetting Network Settings
- Turn the power on.
- Press the network reset button on the rear of device until the device restart automatically.
- Connect the device with default values.
- TCP/IP address: DHCP address assignment (If DHCP address assignment is failed, 169.254.x.x will be set.)
- Server mode: Disabled
- RS-485: Default, 115200 bps
- Change the TCP/IP address or RS-485 information.
- Turn the power off later on and then check the network setting is properly.
Restoring the Factory Defaults
This will delete all data and root certificate on the device and reset the settings.
- Turn the power on.
- Press the reset button three times quickly.
- When the green LED is blinking, press the reset button again.
- If there is no root certificate on the device, you cannot restore the factory defaults.
Product specifications
| Category | Feature | Specification |
| Credential | Biometric | Fingerprint |
| RF Option |
| |
| RF read range** | MIFARE/DESFire/EM/HID Prox/iCLASS : 50 mm, FeliCa: 30 mm | |
| Mobile | NFC, BLE | |
| General | CPU | 1.2 GHz Quad Core |
| Memory | 2GB Flash + 256 MB RAM | |
| Crypto chip | Supported | |
| LED | Multi-color | |
| Sound | Multi-tone Buzzer | |
| Operating temperature | -20°C–50°C | |
| Storage temperature | -40°C–70°C | |
| Operating humidity | 0 %–80 %, non-condensing | |
| Storage humidity | 0 %–90 %, non-condensing | |
| Dimension (W x H x D) | 82 mm x 208.5 mm x 25.9 (53) mm | |
| Weight |
| |
| IP rating | IP67 | |
| IK rating | IK09 | |
| Certificates | CE, FCC, KC, RoHS, REACH, WEEE UL294 (Only BEW2-OAP) | |
|
Fingerprint | Image dimension | 272 x 320 pixels |
| Image bit depth | 8bit, 256 grayscale | |
| Resolution | 500 dpi | |
| Template | SUPREMA / ISO 19794-2 / ANSI 378 | |
| Extractor / Matcher | MINEX certified and compliant | |
| Live Fingerprint Detection | Supported (SW-based) | |
| Capacity | Max. User | 500,000*** |
| Max. Credential (1:N) | Fingerprint: 100,000 | |
| Max. Credential (1:1) |
| |
| Max. Text Log | 5,000,000 | |
| Interface | Ethernet | Supported (10/100 Mbps, auto MDI/MDI-X) |
| RS-485 | 1ch Master / Slave (Selectable) | |
| Wiegand | 1ch Input / Output (Selectable) | |
| TTL input | 2 ch Inputs | |
| Relay | 1 Relay | |
| USB | USB 2.0 (Host) | |
| PoE | Supported (Power over Ethernet 44 VDC Max 12 W, IEEE 802.3af) | |
| Tamper | Supported |
| Electrical | Power |
|
| Switch input VIH | Min.: 3 V / Max.: 5 V | |
| Switch input VIL | Max.: 1 V | |
| Switch Pull-up resistance | 4.7 kΩ (The input pots are pulled up with 4.7 kΩ.) | |
| Wiegand output VOH | More than 4.8 V | |
| Wiegand output VOL | Less than 0.2 V | |
| Wiegand output Pull-up resistance | Internally pulled up with 1 kΩ | |
| Relay | 2 A @ 30 VDC Resistive load 1 A @ 30 VDC Inductive load |
- * DESFire EV2 cards are supported by having backward compatibility of DESFire EV1 cards. CSN and smart card functions are compatible with BioEntry W2.
- ** RF read range will vary depending on installation environment.
- *** The number of users registered without any credential data
Dimensions

FCC compliance information
THIS DEVICE COMPLIES WITH PART 15 OF THE FCC RULES.
Operation is subject to the following two conditions:
- This device may not cause harmful interference, and
- This device must accept any interference received, including interference that may cause undesired operation.
This equipment has been tested and found to comply with the limits for a Class A digital device, pursuant to part 15 of the FCC Rules. These limits are designed to provide reasonable protection against harmful interference when the equipment is operated in a commercial environment. This equipment generates, uses, and can radiate radio frequency energy and, if not installed and used in accordance with the instruction manual, may cause harmful interference to radio communications. Operation of this equipment in a residential area is likely to cause harmful interference in which case the user will be required to correct the interference at his own expense.
Any changes or modifications not expressly approved by the party responsible for compliance could void the user’s authority to operate this equipment.
This transmitter must not be co-located or operating in conjunction with any other antenna or transmitter.
This equipment complies with FCC radiation exposure limits set forth for an uncontrolled environment. This equipment should be installed and operated with minimum distance 20 cm between the radiator and your body. This transmitter must not be co-located or operating in conjunction with any other antenna or transmitter.
EU Declaration of Conformity (CE)
This product is CE marked according to the provisions of the Radio Equipment Directive (RED) 2014/53/EU. Hereby, Suprema Inc. declares that this product is in compliance with the essential requirements and other relevant provisions of Radio Equipment Directive (RED) 2014/53/EU.
- Bluetooth Transmit Power: -0.1 dBm
- Bluetooth Frequency: 2402~2480 MHz
- NFC Frequency: 13.56 MHz
- RFID Frequency: 13.56 MHz + 125 kHz
For more information, contact us at the following contact information.
Suprema Inc.
Website: https://www.supremainc.com
Address: 17F Parkview Tower, 248, Jeongjail-ro, Bundang- gu, Seongnam-si, Gyeonggi-do, 13554, Rep. of KOREA
Tel: +82-31-783-4502 /
Fax: +82-31-783-4503
Appendices
Disclaimers
- Information in this document is provided in connection with Suprema products.
- The right to use is acknowledged only for Suprema products included in the terms and conditions of use or sale for such products guaranteed by Suprema. No license, express or implied, by estoppel or otherwise, to any intellectual property is granted by this document.
- Except as expressly stated in an agreement between you and Suprema, Suprema assumes no liability whatsoever, and Suprema disclaims all warranties, express or implied including, without limitation, relating to fitness for a particular purpose, merchantability, or noninfringement.
- All warranties are VOID if Suprema products have been: 1) improperly installed or where the serial numbers, warranty date or quality assurance decals on the hardware are altered or removed; 2) used in a manner other than as authorized by Suprema; 3) modified, altered or repaired by a party other than Suprema or a party authorized by Suprema; or 4) operated or maintained in unsuitable environmental conditions.
- Suprema products are not intended for use in medical, lifesaving, life-sustaining applications, or other applications in which the failure of the Suprema product could create a situation where personal injury or death may occur. Should you purchase or use Suprema products for any such unintended or unauthorized application, you shall indemnify and hold Suprema and its officers, employees, subsidiaries, affiliates, and distributors harmless against all claims, costs, damages, and expenses, and reasonable attorney fees arising out of, directly or indirectly, any claim of personal injury or death associated with such unintended or unauthorized use, even if such claim alleges that Suprema was negligent regarding the design or manufacture of the part.
- Suprema reserves the right to make changes to specifications and product descriptions at any time without notice to improve reliability, function, or design.
- Personal information, in the form of authentication messages and other relative information, may be stored within Suprema products during usage. Suprema does not take responsibility for any information, including personal information, stored within Suprema’s products that are not within Suprema’s direct control or as stated by the relevant terms and conditions. When any stored information, including personal information, is used, it is the responsibility of the product users to comply with national legislation (such as GDPR) and to ensure proper handling and processing.
- You must not rely on the absence or characteristics of any features or instructions marked “reserved” or “undefined.” Suprema reserves these for future definition and shall have no responsibility whatsoever for conflicts or incompatibilities arising from future changes to them.
- Except as expressly set forth herein, to the maximum extent permitted by law, the Suprema products are sold “as is”.
- Contact your local Suprema sales office or your distributor to obtain the latest specifications and before placing your product order.
Copyright notice
The copyright of this document is vested in Suprema. The rights of other product names, trademarks and registered trademarks are vested in each individual or organization that owns such rights.
Open Source License
- The software of this product is based on “Linux Kernel 3.x”, which is licensed under GPL. As for GPL, please refer to the GNU General Public License in this manual.
- This product uses the “glibc” library, which is licensed under LGPL. As for LGPL, please refer to the GNU Lesser General Public License in this manual.
- This product uses the “QT” library, which is licensed under LGPL. As for LGPL, please refer to the GNU Lesser General Public License in this manual.
- This product uses the “OpenSSL”, which is licensed under the OpenSSL and Original SSLeay licenses. As for the and Original SSLeay licenses, please refer to OpenSSL License and Original SSLeay License in this manual.
- To request the modified source code based on Linux Kernel 3.x and the source code of glibc and QT libraries, which are included in this product, please visit at https://support.supremainc.com and contact to Suprema Tech Team.
GNU General Public License
Version 3, 29 June 2007
Copyright © 2007 Free Software Foundation, Inc. <http://fsf.org/>
Everyone is permitted to copy and distribute verbatim copies of this license document, but changing it is not allowed.
Preamble
The GNU General Public License is a free, copyleft license for software and other kinds of works.
The licenses for most software and other practical works are designed to take away your freedom to share and change the works. By contrast, the GNU General Public License is intended to guarantee your freedom to share and change all versions of a program–to make sure it remains free software for all its users. We, the Free Software Foundation, use the GNU General Public License for most of our software; it applies also to any other work released this way by its authors. You can apply it to your programs, too.
When we speak of free software, we are referring to freedom, not price. Our General Public Licenses are designed
to make sure that you have the freedom to distribute copies of free software (and charge for them if you wish), that you receive source code or can get it if you want it, that you can change the software or use pieces of it in new free programs, and that you know you can do these things.
To protect your rights, we need to prevent others from denying you these rights or asking you to surrender the rights. Therefore, you have certain responsibilities if you distribute copies of the software, or if you modify it: responsibilities to respect the freedom of others.
For example, if you distribute copies of such a program, whether gratis or for a fee, you must pass on to the recipients the same freedoms that you received. You must make sure that they, too, receive or can get the source code. And you must show them these terms so they know their rights.
Developers that use the GNU GPL protect your rights with two steps:
- Assert copyright on the software, and
- Offer you this License giving you legal permission to copy, distribute and/or modify it.
For the developers’ and authors’ protection, the GPL clearly explains that there is no warranty for this free software. For both users’ and authors’ sake, the GPL requires that modified versions be marked as changed, so that their problems will not be attributed erroneously to authors of previous versions.
Some devices are designed to deny users access to install or run modified versions of the software inside them, although the manufacturer can do so. This is fundamentally incompatible with the aim of protecting users’ freedom to change the software. The systematic pattern of such abuse occurs in the area of products for individuals to use, which is precisely where it is most unacceptable. Therefore, we have designed this version of the GPL to prohibit the practice for those products. If such problems arise substantially in other domains, we stand ready to extend this provision to those domains in future versions of the GPL, as needed to protect the freedom of users.
Finally, every program is threatened constantly by software patents. States should not allow patents to restrict development and use of software on general-purpose computers, but in those that do, we wish to avoid the special danger that patents applied to a free program could make it effectively proprietary. To prevent this, the GPL assures that patents cannot be used to render the program non-free.
The precise terms and conditions for copying, distribution and modification follow.
TERMS AND CONDITIONS
- 0. Definitions.
“This License” refers to version 3 of the GNU General Public License.
“Copyright” also means copyright-like laws that apply to other kinds of works, such as semiconductor masks.
“The Program” refers to any copyrightable work licensed under this License. Each licensee is addressed as “you”.
“Licensees” and “recipients” may be individuals or organizations.
To “modify” a work means to copy from or adapt all or part of the work in a fashion requiring copyright permission, other than the making of an exact copy. The resulting work is called a “modified version” of the earlier work or a work “based on” the earlier work.
A “covered work” means either the unmodified Program or a work based on the Program.
To “propagate” a work means to do anything with it that, without permission, would make you directly or secondarily liable for infringement under applicable copyright law, except executing it on a computer or modifying a private copy. Propagation includes copying, distribution (with or without modification), making available to the public, and in some countries other activities as well.
To “convey” a work means any kind of propagation that enables other parties to make or receive copies. Mere interaction with a user through a computer network, with no transfer of a copy, is not conveying.
An interactive user interface displays “Appropriate Legal Notices” to the extent that it includes a convenient and prominently visible feature that (1) displays an appropriate copyright notice, and (2) tells the user that there is no warranty for the work (except to the extent that warranties are provided), that licensees may convey the work under this License, and how to view a copy of this License. If the interface presents a list of user commands or options, such as a menu, a prominent item in the list meets this criterion.
- Source Code.
The “source code” for a work means the preferred form of the work for making modifications to it. “Object code” means any non-source form of a work.
A “Standard Interface” means an interface that either is an official standard defined by a recognized standards body, or, in the case of interfaces specified for a particular programming language, one that is widely used among developers working in that language.
The “System Libraries” of an executable work include anything, other than the work as a whole, that (a) is included in the normal form of packaging a Major Component, but which is not part of that Major Component, and (b) serves only to enable use of the work with that Major Component, or to implement a Standard Interface for which an implementation is available to the public in source code form. A “Major Component”, in this context, means a major essential component (kernel, window system, and so on) of the specific operating system (if any) on which the executable work runs, or a compiler used to produce the work, or an object code interpreter used to run it.
The “Corresponding Source” for a work in object code form means all the source code needed to generate, install, and (for an executable work) run the object code and to modify the work, including scripts to control those activities. However, it does not include the work’s System Libraries, or general-purpose tools or generally available free programs which are used unmodified in performing those activities but which are not part of the work. For example, Corresponding Source includes interface definition files associated with source files for the work, and the source code for shared libraries and dynamically linked subprograms that the work is specifically designed to require, such as by intimate data communication or control flow between those subprograms and other parts of the work.
The Corresponding Source need not include anything that users can regenerate automatically from other parts of the Corresponding Source.
The Corresponding Source for a work in source code form is that same work. - Basic Permissions.
All rights granted under this License are granted for the term of copyright on the Program, and are irrevocable provided the stated conditions are met. This License explicitly affirms your unlimited permission to run the unmodified Program. The output from running a covered work is covered by this License only if the output, given its content, constitutes a covered work. This License acknowledges your rights of fair use or other equivalent, as provided by copyright law.
You may make, run and propagate covered works that you do not convey, without conditions so long as your license otherwise remains in force. You may convey covered works to others for the sole purpose of having them make modifications exclusively for you, or provide you with facilities for running those works, provided that you comply with the terms of this License in conveying all material for which you do not control copyright. Those thus making or running the covered works for you must do so exclusively on your behalf, under your direction and control, on terms that prohibit them from making any copies of your copyrighted material outside their relationship with you.
Conveying under any other circumstances is permitted solely under the conditions stated below. Sublicensing is not allowed; section 10 makes it unnecessary. - Protecting Users’ Legal Rights From Anti-Circumvention Law.
No covered work shall be deemed part of an effective technological measure under any applicable law fulfilling obligations under article 11 of the WIPO copyright treaty adopted on 20 December 1996, or similar laws prohibiting or restricting circumvention of such measures.
When you convey a covered work, you waive any legal power to forbid circumvention of technological measures to the extent such circumvention is effected by exercising rights under this License with respect to the covered work, and you disclaim any intention to limit operation or modification of the work as a means of enforcing, against the work’s users, your or third parties’ legal rights to forbid circumvention of technological measures. - Conveying Verbatim Copies.
You may convey verbatim copies of the Program’s source code as you receive it, in any medium, provided that you conspicuously and appropriately publish on each copy an appropriate copyright notice; keep intact all notices stating that this License and any non-permissive terms added in accord with section 7 apply to the code; keep intact all notices of the absence of any warranty; and give all recipients a copy of this License along with the Program.
You may charge any price or no price for each copy that you convey, and you may offer support or warranty protection for a fee. - Conveying Modified Source Versions.
You may convey a work based on the Program, or the modifications to produce it from the Program, in the form of source code under the terms of section 4, provided that you also meet all of these conditions:- The work must carry prominent notices stating that you modified it, and giving a relevant date.
- The work must carry prominent notices stating that it is released under this License and any conditions added under section 7. This requirement modifies the requirement in section 4 to “keep intact all notices”.
- You must license the entire work, as a whole, under this License to anyone who comes into possession of a copy. This License will therefore apply, along with any applicable section 7 additional terms, to the whole of the work, and all its parts, regardless of how they are packaged. This License gives no permission to license the work in any other way, but it does not invalidate such permission if you have separately received it.
- If the work has interactive user interfaces, each must display Appropriate Legal Notices; however, if the Program has interactive interfaces that do not display Appropriate Legal Notices, your work need not make them do so.
A compilation of a covered work with other separate and independent works, which are not by their nature extensions of the covered work, and which are not combined with it such as to form a larger program, in or on a volume of a storage or distribution medium, is called an “aggregate” if the compilation and its resulting copyright are not used to limit the access or legal rights of the compilation’s users beyond what the individual works permit. Inclusion of a covered work in an aggregate does not cause this License to apply to the other parts of the aggregate.
- Conveying Non-Source Forms.
You may convey a covered work in object code form under the terms of sections 4 and 5, provided that you also convey the machine-readable Corresponding Source under the terms of this License, in one of these ways:- Convey the object code in, or embodied in, a physical product (including a physical distribution medium), accompanied by the Corresponding Source fixed on a durable physical medium customarily used for software interchange.
- Convey the object code in, or embodied in, a physical product (including a physical distribution medium), accompanied by a written offer, valid for at least three years and valid for as long as you offer spare parts or customer support for that product model, to give anyone who possesses the object code either (1) a copy of the Corresponding Source for all the software in the product that is covered by this License, on a durable physical medium customarily used for software interchange, for a price no more than your reasonable cost of physically performing this conveying of source, or (2) access to copy the Corresponding Source from a network server at no charge.
- Convey individual copies of the object code with a copy of the written offer to provide the Corresponding Source. This alternative is allowed only occasionally and noncommercially, and only if you received the object code with such an offer, in accord with subsection 6b.
- Convey the object code by offering access from a designated place (gratis or for a charge), and offer equivalent access to the Corresponding Source in the same way through the same place at no further charge. You need not require recipients to copy the Corresponding Source along with the object code. If the place to copy the object code is a network server, the Corresponding Source may be on a different server (operated by you or a third party) that supports equivalent copying facilities, provided you maintain clear directions next to the object code saying where to find the Corresponding Source. Regardless of what server hosts the Corresponding Source, you remain obligated to ensure that it is available for as long as needed to satisfy these requirements.
- Convey the object code using peer-to-peer transmission, provided you inform other peers where the object code and Corresponding Source of the work are being offered to the general public at no charge under subsection 6d.
A separable portion of the object code, whose source code is excluded from the Corresponding Source as a System Library, need not be included in conveying the object code work.
A “User Product” is either (1) a “consumer product”, which means any tangible personal property which is normally used for personal, family, or household purposes, or (2) anything designed or sold for incorporation into a dwelling.
In determining whether a product is a consumer product, doubtful cases shall be resolved in favor of coverage. For a particular product received by a particular user, “normally used” refers to a typical or common use of that class of product, regardless of the status of the particular user or of the way in which the particular user actually uses, or expects or is expected to use, the product. A product is a consumer product regardless of whether the product has substantial commercial, industrial or non-consumer uses, unless such uses represent the only significant mode of use of the product.
“Installation Information” for a User Product means any methods, procedures, authorization keys, or other information required to install and execute modified versions of a covered work in that User Product from a modified version of its Corresponding Source. The information must suffice to ensure that the continued functioning of the modified object code is in no case prevented or interfered with solely because modification has been made.
If you convey an object code work under this section in, or with, or specifically for use in, a User Product, and the conveying occurs as part of a transaction in which the right of possession and use of the User Product is transferred to the recipient in perpetuity or for a fixed term (regardless of how the transaction is characterized), the Corresponding Source conveyed under this section must be accompanied by the Installation Information. But this requirement does not apply if neither you nor any third party retains the ability to install modified object code on the User Product (for example, the work has been installed in ROM).
The requirement to provide Installation Information does not include a requirement to continue to provide support service, warranty, or updates for a work that has been modified or installed by the recipient, or for the User Product in which it has been modified or installed. Access to a network may be denied when the modification itself materially and adversely affects the operation of the network or violates the rules and protocols for communication across the network.
Corresponding Source conveyed, and Installation Information provided, in accord with this section must be in a format that is publicly documented (and with an implementation available to the public in source code form), and must require no special password or key for unpacking, reading or copying.
- Additional Terms.
“Additional permissions” are terms that supplement the terms of this License by making exceptions from one or more of its conditions. Additional permissions that are applicable to the entire Program shall be treated as though they were included in this License, to the extent that they are valid under applicable law. If additional permissions apply only to part of the Program, that part may be used separately under those permissions, but the entire Program remains governed by this License without regard to the additional permissions.
When you convey a copy of a covered work, you may at your option remove any additional permissions from that copy, or from any part of it. (Additional permissions may be written to require their own removal in certain cases when you modify the work.) You may place additional permissions on material, added by you to a covered work, for which you have or can give appropriate copyright permission.
Notwithstanding any other provision of this License, for material you add to a covered work, you may (if authorized by the copyright holders of that material) supplement the terms of this License with terms:- Disclaiming warranty or limiting liability differently from the terms of sections 15 and 16 of this License; or
- Requiring preservation of specified reasonable legal notices or author attributions in that material or in the Appropriate Legal Notices displayed by works containing it; or
- Prohibiting misrepresentation of the origin of that material, or requiring that modified versions of such material be marked in reasonable ways as different from the original version; or
- Limiting the use for publicity purposes of names of licensors or authors of the material; or
- Declining to grant rights under trademark law for use of some trade names, trademarks, or service marks; or
- Requiring indemnification of licensors and authors of that material by anyone who conveys the material (or modified versions of it) with contractual assumptions of liability to the recipient, for any liability that these contractual assumptions directly impose on those licensors and authors.
All other non-permissive additional terms are considered “further restrictions” within the meaning of section 10. If the Program as you received it, or any part of it, contains a notice stating that it is governed by this License along with a term that is a further restriction, you may remove that term. If a license document contains a further restriction but permits relicensing or conveying under this License, you may add to a covered work material governed by the terms of that license document, provided that the further restriction does not survive such relicensing or conveying.
If you add terms to a covered work in accord with this section, you must place, in the relevant source files, a statement of the additional terms that apply to those files, or a notice indicating where to find the applicable terms.
Additional terms, permissive or non-permissive, may be stated in the form of a separately written license, or stated as exceptions; the above requirements apply either way.
- Termination.
You may not propagate or modify a covered work except as expressly provided under this License. Any attempt otherwise to propagate or modify it is void, and will automatically terminate your rights under this License (including any patent licenses granted under the third paragraph of section 11).
However, if you cease all violation of this License, then your license from a particular copyright holder is reinstated (a) provisionally, unless and until the copyright holder explicitly and finally terminates your license, and (b) permanently, if the copyright holder fails to notify you of the violation by some reasonable means prior to 60 days after the cessation.
Moreover, your license from a particular copyright holder is reinstated permanently if the copyright holder notifies you of the violation by some reasonable means, this is the first time you have received notice of violation of this License (for any work) from that copyright holder, and you cure the violation prior to 30 days after your receipt of the notice.
Termination of your rights under this section does not terminate the licenses of parties who have received copies or rights from you under this License. If your rights have been terminated and not permanently reinstated, you do not qualify to receive new licenses for the same material under section 10. - Acceptance Not Required for Having Copies.
You are not required to accept this License in order to receive or run a copy of the Program. Ancillary propagation of
a covered work occurring solely as a consequence of using peer-to-peer transmission to receive a copy likewise does not require acceptance. However, nothing other than this License grants you permission to propagate or modify any covered work. These actions infringe copyright if you do not accept this License. Therefore, by modifying or propagating a covered work, you indicate your acceptance of this License to do so. - Automatic Licensing of Downstream Recipients.
Each time you convey a covered work, the recipient automatically receives a license from the original licensors, to run, modify and propagate that work, subject to this License. You are not responsible for enforcing compliance by third parties with this License.
An “entity transaction” is a transaction transferring control of an organization, or substantially all assets of one, or subdividing an organization, or merging organizations. If propagation of a covered work results from an entity transaction, each party to that transaction who receives a copy of the work also receives whatever licenses to the work the party’s predecessor in interest had or could give under the previous paragraph, plus a right to possession of the Corresponding Source of the work from the predecessor in interest, if the predecessor has it or can get it with reasonable efforts. You may not impose any further restrictions on the exercise of the rights granted or affirmed under this License. For example, you may not impose a license fee, royalty, or other charge for exercise of rights granted under this License, and you may not initiate litigation (including a cross-claim or counterclaim in a lawsuit) alleging that any patent claim is infringed by making, using, selling, offering for sale, or importing the Program or any portion of it. - Patents.
A “contributor” is a copyright holder who authorizes use under this License of the Program or a work on which the Program is based. The work thus licensed is called the contributor’s “contributor version”.
A contributor’s “essential patent claims” are all patent claims owned or controlled by the contributor, whether already acquired or hereafter acquired, that would be infringed by some manner, permitted by this License, of making, using, or selling its contributor version, but do not include claims that would be infringed only as a consequence of further modification of the contributor version. For purposes of this definition, “control” includes the right to grant patent sublicenses in a manner consistent with the requirements of this License.
Each contributor grants you a non-exclusive, worldwide, royalty-free patent license under the contributor’s essential patent claims, to make, use, sell, offer for sale, import and otherwise run, modify and propagate the contents of its contributor version.
In the following three paragraphs, a “patent license” is any express agreement or commitment, however denominated, not to enforce a patent (such as an express permission to practice a patent or covenant not to sue for patent infringement). To “grant” such a patent license to a party means to make such an agreement or commitment not to enforce a patent against the party.
If you convey a covered work, knowingly relying on a patent license, and the Corresponding Source of the work is not available for anyone to copy, free of charge and under the terms of this License, through a publicly available network server or other readily accessible means, then you must either (1) cause the Corresponding Source to be so available, or (2) arrange to deprive yourself of the benefit of the patent license for this particular work, or (3) arrange, in a manner consistent with the requirements of this License, to extend the patent license to downstream recipients. “Knowingly relying” means you have actual knowledge that, but for the patent license, your conveying the covered work in a country, or your recipient’s use of the covered work in a country, would infringe one or more identifiable patents in that country that you have reason to believe are valid.
If, pursuant to or in connection with a single transaction or arrangement, you convey, or propagate by procuring conveyance of, a covered work, and grant a patent license to some of the parties receiving the covered work authorizing them to use, propagate, modify or convey a specific copy of the covered work, then the patent license you grant is automatically extended to all recipients of the covered work and works based on it.
A patent license is “discriminatory” if it does not include within the scope of its coverage, prohibits the exercise of, or is conditioned on the non-exercise of one or more of the rights that are specifically granted under this License. You may not convey a covered work if you are a party to an arrangement with a third party that is in the business of distributing software, under which you make payment to the third party based on the extent of your activity of conveying the work, and under which the third party grants, to any of the parties who would receive the covered work from you, a discriminatory patent license (a) in connection with copies of the covered work conveyed by you (or copies made from those copies), or (b) primarily for and in connection with specific products or compilations that contain the covered work, unless you entered into that arrangement, or that patent license was granted, prior to 28 March 2007.
Nothing in this License shall be construed as excluding or limiting any implied license or other defenses to infringement that may otherwise be available to you under applicable patent law. - No Surrender of Others’ Freedom.
If conditions are imposed on you (whether by court order, agreement or otherwise) that contradict the conditions of this License, they do not excuse you from the conditions of this License. If you cannot convey a covered work so as to satisfy simultaneously your obligations under this License and any other pertinent obligations, then as a consequence you may not convey it at all. For example, if you agree to terms that obligate you to collect a royalty for further conveying from those to whom you convey the Program, the only way you could satisfy both those terms and this License would be to refrain entirely from conveying the Program. - Use with the GNU Affero General Public License.
Notwithstanding any other provision of this License, you have permission to link or combine any covered work with a work licensed under version 3 of the GNU Affero General Public License into a single combined work, and to convey the resulting work. The terms of this License will continue to apply to the part which is the covered work, but the special requirements of the GNU Affero General Public License, section 13, concerning interaction through a network will apply to the combination as such. - Revised Versions of this License.
The Free Software Foundation may publish revised and/or new versions of the GNU General Public License from time to time. Such new versions will be similar in spirit to the present version, but may differ in detail to address new problems or concerns.
Each version is given a distinguishing version number. If the Program specifies that a certain numbered version of the GNU General Public License “or any later version” applies to it, you have the option of following the terms and conditions either of that numbered version or of any later version published by the Free Software Foundation. If the Program does not specify a version number of the GNU General Public License, you may choose any version ever published by the Free Software Foundation.
If the Program specifies that a proxy can decide which future versions of the GNU General Public License can be used, that proxy’s public statement of acceptance of a version permanently authorizes you to choose that version for the Program.
Later license versions may give you additional or different permissions. However, no additional obligations are imposed on any author or copyright holder as a result of your choosing to follow a later version. - Disclaimer of Warranty.
THERE IS NO WARRANTY FOR THE PROGRAM, TO THE EXTENT PERMITTED BY APPLICABLE LAW. EXCEPT WHEN OTHERWISE STATED IN WRITING THE COPYRIGHT HOLDERS AND/OR OTHER PARTIES PROVIDE THE PROGRAM “AS IS” WITHOUT WARRANTY OF ANY KIND, EITHER EXPRESSED OR IMPLIED, INCLUDING, BUT NOT LIMITED TO, THE IMPLIED WARRANTIES OF MERCHANTABILITY AND FITNESS FOR A PARTICULAR PURPOSE. THE ENTIRE RISK AS TO THE QUALITY AND PERFORMANCE OF THE PROGRAM IS WITH YOU. SHOULD THE PROGRAM PROVE DEFECTIVE, YOU ASSUME THE COST OF ALL NECESSARY SERVICING, REPAIR OR CORRECTION. - Limitation of Liability.
IN NO EVENT UNLESS REQUIRED BY APPLICABLE LAW OR AGREED TO IN WRITING WILL ANY COPYRIGHT HOLDER, OR ANY OTHER PARTY WHO MODIFIES AND/OR CONVEYS THE PROGRAM AS PERMITTED ABOVE, BE LIABLE TO YOU FOR DAMAGES, INCLUDING ANY GENERAL, SPECIAL, INCIDENTAL OR CONSEQUENTIAL DAMAGES ARISING OUT OF THE USE OR INABILITY TO USE THE PROGRAM (INCLUDING BUT NOT LIMITED TO LOSS OF DATA OR DATA BEING RENDERED INACCURATE OR LOSSES SUSTAINED BY YOU OR THIRD PARTIES OR A FAILURE OF THE PROGRAM TO OPERATE WITH ANY OTHER PROGRAMS), EVEN IF SUCH HOLDER OR OTHER PARTY HAS BEEN ADVISED OF THE POSSIBILITY OF SUCH DAMAGES. - Interpretation of Sections 15 and 16.
If the disclaimer of warranty and limitation of liability provided above cannot be given local legal effect according to their terms, reviewing courts shall apply local law that most closely approximates an absolute waiver of all civil liability in connection with the Program, unless a warranty or assumption of liability accompanies a copy of the Program in return for a fee.
END OF TERMS AND CONDITIONS
GNU Lesser General Public License
Version 3, 29 June 2007
Copyright © 2007 Free Software Foundation, Inc. <http://fsf.org/>
Everyone is permitted to copy and distribute verbatim copies of this license document, but changing it is not allowed.
This version of the GNU Lesser General Public License incorporates the terms and conditions of version 3 of the GNU General Public License, supplemented by the additional permissions listed below.
- 0. Additional Definitions.
As used herein, “this License” refers to version 3 of the GNU Lesser General Public License, and the “GNU GPL” refers to version 3 of the GNU General Public License.
“The Library” refers to a covered work governed by this License, other than an Application or a Combined Work as defined below.
An “Application” is any work that makes use of an interface provided by the Library, but which is not otherwise based on the Library. Defining a subclass of a class defined by the Library is deemed a mode of using an interface provided by the Library.
A “Combined Work” is a work produced by combining or linking an Application with the Library. The particular version of the Library with which the Combined Work was made is also called the “Linked Version”.
The “Minimal Corresponding Source” for a Combined Work means the Corresponding Source for the Combined Work, excluding any source code for portions of the Combined Work that, considered in isolation, are based on the Application, and not on the Linked Version.
The “Corresponding Application Code” for a Combined Work means the object code and/or source code for the Application, including any data and utility programs needed for reproducing the Combined Work from the Application, but excluding the System Libraries of the Combined Work.
- Exception to Section 3 of the GNU GPL.
You may convey a covered work under sections 3 and 4 of this License without being bound by section 3 of the GNU GPL. - Conveying Modified Versions.
If you modify a copy of the Library, and, in your modifications, a facility refers to a function or data to be supplied by an Application that uses the facility (other than as an argument passed when the facility is invoked), then you may convey a copy of the modified version:- Under this License, provided that you make a good faith effort to ensure that, in the event an Application does not supply the function or data, the facility still operates, and performs whatever part of its purpose remains meaningful, or
- Object Code Incorporating Material from Library Header Files.
The object code form of an Application may incorporate material from a header file that is part of the Library. You
may convey such object code under terms of your choice, provided that, if the incorporated material is not limited to numerical parameters, data structure layouts and accessors, or small macros, inline functions and templates (ten or fewer lines in length), you do both of the following:- Give prominent notice with each copy of the object code that the Library is used in it and that the Library and its use are covered by this License.
- Accompany the object code with a copy of the GNU GPL and this license document.
- Combined Works.
You may convey a Combined Work under terms of your choice that, taken together, effectively do not restrict modification of the portions of the Library contained in the Combined Work and reverse engineering for debugging such modifications, if you also do each of the following:- Give prominent notice with each copy of the Combined Work that the Library is used in it and that the Library and its use are covered by this License.
- Accompany the Combined Work with a copy of the GNU GPL and this license document.
- For a Combined Work that displays copyright notices during execution, include the copyright notice for the Library among these notices, as well as a reference directing the user to the copies of the GNU GPL and this license document.
- Do one of the following:
0) Convey the Minimal Corresponding Source under the terms of this License, and the Corresponding
Application Code in a form suitable for, and under terms that permit, the user to recombine or relink the Application with a modified version of the Linked Version to produce a modified Combined Work, in the manner specified by section 6 of the GNU GPL for conveying Corresponding Source.- Use a suitable shared library mechanism for linking with the Library. A suitable mechanism is one that (a) uses at run time a copy of the Library already present on the user’s computer system, and (b) will operate properly with a modified version of the Library that is interface-compatible with the Linked Version.
- Provide Installation Information, but only if you would otherwise be required to provide such information under section 6 of the GNU GPL, and only to the extent that such information is necessary to install and execute a modified version of the Combined Work produced by recombining or relinking the Application with a modified version of the Linked Version. (If you use option 4d0, the Installation Information must accompany the Minimal Corresponding Source and Corresponding Application Code. If you use option 4d1, you must provide the Installation Information in the manner specified by section 6 of the GNU GPL for conveying Corresponding Source.)
- Combined Libraries.
You may place library facilities that are a work based on the Library side by side in a single library together with other library facilities that are not Applications and are not covered by this License, and convey such a combined library under terms of your choice, if you do both of the following:- Accompany the combined library with a copy of the same work based on the Library, uncombined with any other library facilities, conveyed under the terms of this License.
- Give prominent notice with the combined library that part of it is a work based on the Library, and explaining where to find the accompanying uncombined form of the same work.
- Revised Versions of the GNU Lesser General Public License.
The Free Software Foundation may publish revised and/or new versions of the GNU Lesser General Public License from time to time. Such new versions will be similar in spirit to the present version, but may differ in detail to address new problems or concerns.
Each version is given a distinguishing version number. If the Library as you received it specifies that a certain numbered version of the GNU Lesser General Public License “or any later version” applies to it, you have the option of following the terms and conditions either of that published version or of any later version published by the Free Software Foundation. If the Library as you received it does not specify a version number of the GNU Lesser General Public License, you may choose any version of the GNU Lesser General Public License ever published by the Free Software Foundation.
If the Library as you received it specifies that a proxy can decide whether future versions of the GNU Lesser General Public License shall apply, that proxy’s public statement of acceptance of any version is permanent authorization for you to choose that version for the Library.
OpenSSL License
Copyright (c) 1998-2017 The OpenSSL Project. All rights reserved.
Redistribution and use in source and binary forms, with or without modification, are permitted provided that the following conditions are met:
- Redistributions of source code must retain the above copyright notice, this list of conditions and the following disclaimer.
- Redistributions in binary form must reproduce the above copyright notice, this list of conditions and the following disclaimer in the documentation and/or other materials provided with the distribution.
- All advertising materials mentioning features or use of this software must display the following acknowledgment:
“This product includes software developed by the OpenSSL Project for use in the OpenSSL Toolkit. (http://www.openssl.org/)” - The names “OpenSSL Toolkit” and “OpenSSL Project” must not be used to endorse or promote products derived from this software without prior written permission. For written permission, please contact [email protected].
- Products derived from this software may not be called “OpenSSL” nor may “OpenSSL” appear in their names without prior written permission of the OpenSSL Project.
- Redistributions of any form whatsoever must retain the following acknowledgment: “This product includes software developed by the OpenSSL Project for use in the OpenSSL Toolkit (http://www.openssl.org/)”
THIS SOFTWARE IS PROVIDED BY THE OpenSSL PROJECT “AS IS” AND ANY EXPRESSED OR IMPLIED WARRANTIES, INCLUDING, BUT NOT LIMITED TO, THE IMPLIED WARRANTIES OF MERCHANTABILITY AND FITNESS FOR A PARTICULAR PURPOSE ARE DISCLAIMED. IN NO EVENT SHALL THE OpenSSL PROJECT OR ITS CONTRIBUTORS BE LIABLE FOR
ANY DIRECT, INDIRECT, INCIDENTAL, SPECIAL, EXEMPLARY, OR CONSEQUENTIAL DAMAGES (INCLUDING, BUT NOT LIMITED TO, PROCUREMENT OF SUBSTITUTE GOODS OR SERVICES; LOSS OF USE, DATA, OR PROFITS; OR BUSINESS INTERRUPTION) HOWEVER CAUSED AND ON ANY THEORY OF LIABILITY, WHETHER IN CONTRACT, STRICT LIABILITY, OR TORT (INCLUDING NEGLIGENCE OR OTHERWISE) ARISING IN ANY WAY OUT OF THE USE OF THIS SOFTWARE, EVEN IF ADVISED OF THE POSSIBILITY OF SUCH DAMAGE.
This product includes cryptographic software written by Eric Young ([email protected]). This product includes software written by Tim Hudson ([email protected]).
Original SSLeay License
Copyright (C) 1995-1998 Eric Young ([email protected]) All rights reserved.
This package is an SSL implementation written by Eric Young ([email protected]). The implementation was written so as to conform with Netscapes SSL.
This library is free for commercial and non-commercial use as long as the following conditions are aheared to. The following conditions apply to all code found in this distribution, be it the RC4, RSA, lhash, DES, etc., code; not just the SSL code. The SSL documentation included with this distribution is covered by the same copyright terms except that the holder is Tim Hudson ([email protected]).
Copyright remains Eric Young’s, and as such any Copyright notices in the code are not to be removed. If this package is used in a product, Eric Young should be given attribution as the author of the parts of the library used. This can be in the form of a textual message at program startup or in documentation (online or textual) provided with the package.
Redistribution and use in source and binary forms, with or without modification, are permitted provided that the following conditions are met:
- Redistributions of source code must retain the copyright notice, this list of conditions and the following disclaimer.
- Redistributions in binary form must reproduce the above copyright notice, this list of conditions and the following disclaimer in the documentation and/or other materials provided with the distribution.
- All advertising materials mentioning features or use of this software must display the following acknowledgement: “This product includes cryptographic software written by Eric Young ([email protected])” The word ‘cryptographic’ can be left out if the rouines from the library being used are not cryptographic related :-).
- If you include any Windows specific code (or a derivative thereof) from the apps directory (application code) you must include an acknowledgement: “This product includes software written by Tim Hudson ([email protected])”
THIS SOFTWARE IS PROVIDED BY ERIC YOUNG “AS IS” AND ANY EXPRESS OR IMPLIED WARRANTIES, INCLUDING, BUT NOT LIMITED TO, THE IMPLIED WARRANTIES OF MERCHANTABILITY AND FITNESS FOR A PARTICULAR PURPOSE ARE DISCLAIMED. IN NO EVENT SHALL THE AUTHOR OR CONTRIBUTORS BE LIABLE FOR ANY DIRECT, INDIRECT, INCIDENTAL, SPECIAL, EXEMPLARY, OR CONSEQUENTIAL DAMAGES (INCLUDING, BUT NOT LIMITED TO, PROCUREMENT OF SUBSTITUTE GOODS OR SERVICES; LOSS OF USE, DATA, OR PROFITS; OR BUSINESS INTERRUPTION) HOWEVER CAUSED AND ON ANY THEORY OF LIABILITY, WHETHER IN CONTRACT, STRICT LIABILITY, OR TORT (INCLUDING NEGLIGENCE OR OTHERWISE) ARISING IN ANY WAY OUT OF THE USE OF THIS SOFTWARE, EVEN IF ADVISED OF THE POSSIBILITY OF SUCH DAMAGE.
The license and distribution terms for any publicly available version or derivative of this code cannot be changed. i.e. this code cannot simply be copied and put under another distribution license [including the GNU Public License.]
FCC compliance information
THIS DEVICE COMPLIES WITH PART 15 OF THE FCC RULES.
Operation is subject to the following two conditions:
- This device may not cause harmful interference, and
- This device must accept any interference received, including interference that may cause undesired operation.
This equipment has been tested and found to comply with the limits for a Class A digital device, pursuant to part 15 of the FCC Rules. These limits are designed to provide reasonable protection against harmful interference when the equipment is operated in a commercial environment. This equipment generates, uses, and can radiate radio frequency energy and, if not installed and used in accordance with the instruction manual, may cause harmful interference to radio communications. Operation of this equipment in a residential area is likely to cause harmful interference in which case the user will be required to correct the interference at his own expense.
FCC Caution
Any changes or modifications not expressly approved by the party responsible for compliance could void the user’s authority to operate this equipment. This transmitter must not be co-located or operating in conjunction with any other antenna or transmitter.
FCC Radiation Exposure Statement (Part 2.1091)
This equipment complies with FCC radiation exposure limits set forth for an uncontrolled environment. This equipment should be installed and operated with minimum distance 20 cm between the radiator and your body. This transmitter must not be co-located or operating in conjunction with any other antenna or transmitter.
EU Declaration of Conformity (CE)
This product is CE marked according to the provisions of the Radio Equipment Directive (RED) 2014/53/EU. Hereby, Suprema Inc. declares that this product is in compliance with the essential requirements and other relevant provisions of Radio Equipment Directive (RED) 2014/53/EU.
- Bluetooth Transmit Power: -5.96dBm
- Bluetooth Frequency: 2402~2480 MHz
- NFC Frequency: 13.56 MHz
- RFID Frequency: 13.56 MHz + 125 kHz
For more information, contact us at the following contact information.
Suprema Inc.
Website: https://www.supremainc.com
Address: 17F Parkview Tower, 248, Jeongjail-ro, Bundang- gu, Seongnam-si, Gyeonggi-do, 13554, Rep. of KOREA
Tel: +82-31-783-4502 /
Fax: +82-31-783-4503
IC compliance information
Industry Canada Statement
This device complies with RSS-247 of the Industry Canada Rules. Operation is subject to the following two conditions:
- This device may not cause harmful interference, and
- This device must accept any interference received, including interference that may cause undesired operation.
Industry Canada Radiation Exposure Statement
This equipment complies with IC radiation exposure limits set forth for an uncontrolled environment. This equipment should be installed and operated with minimum distance 20 cm between the radiator & your body.
Suprema Inc.
17F Parkview Tower, 248, Jeongjail-ro, Bundang-gu, Seongnam-si, Gyeonggi-do, 13554, Rep. of KOREA
Tel: +82 31 783 4502
Fax: +82 31 783 4503
Inquiry: [email protected]
For more information about Suprema’s global branch offices, visit the webpage below by scanning the QR code.
https://supremainc.com/en/about/global-office.asp
© 2022 Suprema Inc. Suprema and identifying product names and numbers herein are registered trade marks of Suprema, Inc. All non-Suprema brands and product names are trademarks or registered trademarks of their respective companies.
Product appearance, build status and/or specifications are subject to change without notice.


When the fingerprint recognition fails
When using a mobile access card, install devices maintaining a minimum distance of 1 m between devices to avoid RF interference.



















