GrapeSolar 100 Watt Off-Grid Basic Charging Kit GS-100-BASIC User Guide
IMPORTANT: Please read GS-PWM-20A charge controller owner’s manual and GS-STAR-100W connection guide (both included with products) before assembling kit..
included parts
- GS-PWM-20A Charge Controller

- GS- STAR-100W Solar Panel

- 5-foot Bare to Ring-lug Cable Pair

- Black 15-foot MC4 Extension Cable

Additional tools and equipment you will need
- Screwdriver– Philips Head
- Wire Stripper/Cutter
- 12-Volt Deep-Cycle Battery Bank
- Voltmeter (for Troubleshooting)
Mount the 100-watt solar panel so that it is facing due South at approximately the same angle as your latitude. The ideal area has full sun and no shading. If the following connections are made during daylight, cover the panel with cardboard, cloth, or a similar opaque material so that the panel does not output power.
Connect the wire
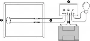
Connect the wire end of the red battery cable 3 to the “+BATTERY” terminal on the back of the GS-PWM-20A charge controller 1. Connect the wire end of the 5-foot black cable 3 to the “-BATTERY” terminal. A Phillips head screwdriver can be used to loosen and tighten the screw clamps onto the wires.
Attach the ring lug end of the red cable 3 to the positive terminal of a 12V deep cycle battery. Attach the ring lug end of the black cable 3 to the negative terminal.

- 12V deep cycle battery not included with kit.
Using wire cutters
Using wire cutters, snip the 10-gauge, 15ft. MC4 extension cable 4 into two equal halves (7.5ft each.) On the cut ends, strip off ¼-inch of insulation, revealing bare wire.

Connect the MC4
Connect the MC4 ends of the halved cable 4 to the compatible MC4 ends of the solar panel 2 cables. (Mark the end of the positive panel cable with a piece of tape to help distinguish polarity during connection.)

Connect the bare wire
Connect the bare wire end of the positive cable 4 to the “SOLAR +” input of the charge controller 1. Connect the negative bare end to the “SOLAR -” input. Now, you can mount the GS-PWM-20A charge controller to an indoor wall or within a NEMA-3R rated enclosure.

Remove the panel covering
Remove the panel covering. In good sunlight, the charge controller’s 1 ”BAT %” should increase to 100%. Once the battery is fully charged and the controller is set to “LOAD ON,” the system will provide power through the load control output or through the two USB ports. If an inverter is added to the system, it must be connected to the battery bank, and not to the charge controller.
DISCLAIMER:
Installations of this kit could be subject to national and local building and electrical codes. Installers should have adequate knowledge of national and local code to ensure the installation passes inspection by the local electric authority.
Proper fuses or breakers should be used whenever possible. Contact Grape Solar for specific recommendations.
- All batteries used for this system should be identical.
- Do not mix battery types or sizes.
- Do not mix old batteries with new batteries.
- Performance and charging anomalies can occur if types, sizes, or age of batteries are not identical.
- Grape Solar does not warrant the accuracy, sufficiency, or suitability to all customers of any technical or other information provided in product manuals.
- Grape Solar does not claim any responsibility or liability for losses, damages, costs or other expenses whether special, indirect, consequential or incidental, which might arise out of the use of such information.
Contact Us
For additional information about Grape Solar products:
email [email protected], or
call 1-877-264-1014 for live telephone support
Web: www.GrapeSolar.com
Tel. 1-877-264-1014 (toll free), 1-541-349-9000























