
Raspberry Pi 4 Computer
Model B
Published in May 2020 by Raspberry Pi Trading Ltd. www.raspberrypi.org
Overview

Raspberry Pi 4 Model B is the latest product in the popular Raspberry Pi range of computers. It offers ground-breaking increases in processor speed, multimedia performance, memory, and connectivity compared to the prior-generation
Raspberry Pi 3 Model B+, while retaining backwards compatibility and similar power consumption. For the end-user, Raspberry Pi 4 Model B provides desktop performance comparable to entry-level x86 PC systems.
This product’s key features include a high-performance 64-bit quad-core processor, dual-display support at resolutions up to 4K via a pair of micro-HDMI ports, hardware video decode at up to 4Kp60, up to 8GB of RAM, dual-band 2.4/5.0 GHz wireless LAN, Bluetooth 5.0, Gigabit Ethernet, USB 3.0, and PoE capability (via a separate PoE HAT add-on).
The dual-band wireless LAN and Bluetooth have modular compliance certification, allowing the board to be designed into end products with significantly reduced compliance testing, improving both cost and time to market.
Specification
| Processor: | Broadcom BCM2711, quad-core Cortex-A72 (ARM v8) 64-bit SoC @ 1.5GHz |
| Memory: | 2GB, 4GB or 8GB LPDDR4 (depending on model) |
| Connectivity | 2.4 GHz and 5.0 GHz IEEE 802.11b/g/n/ac wireless LAN, Bluetooth 5.0, BLE Gigabit Ethernet 2 × USB 3.0 ports 2 × USB 2.0 ports. |
| GPIO: | Standard 40-pin GPIO header (fully backwards-compatible with previous boards) |
| Video & Sound: | 2 × micro HDMI ports (up to 4Kp60 supported) 2-lane MIPI DSI display port 2-lane MIPI CSI camera port 4-pole stereo audio and composite video port |
| Multimedia: | H.265 (4Kp60 decode); H.264 (1080p60 decode, 1080p30 encode); OpenGL ES, 3.0 graphics |
| SD card support: | Micro SD card slot for loading operating system and data storage |
| Input power: | 5V DC via USB-C connector (minimum 3A 1 ) 5V DC via GPIO header (minimum 3A1) Power over Ethernet (PoE)–enabled (requires separate PoE HAT) |
| Environment: | Operating temperature 0–50ºC |
| Compliance: | For a full list of local and regional product approvals, please visit https://www.raspberrypi.org/documentation/hardware/raspberrypi/conformity.md |
| Production lifetime: | The Raspberry Pi 4 Model B will remain in production until at least January 2026. |
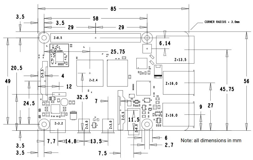
Physical Specifications

WARNINGS
This product should only be connected to an external power supply rated at 5V/3A DC or 5.1V/ 3A DC minimum Any external power supply used with the Raspberry Pi 4 Model B shall comply with relevant regulations and standards are applicable in the country of intended use.
- This product should be operated in a well-ventilated environment and, if used inside a case, the case should not be covered.
- This product should be placed on a stable, flat, non-conductive surface in use and should not be contacted by conductive items.
- The connection of incompatible devices to the GPIO connection may affect compliance and result in damage to the unit and invalidate the warranty.
- All peripherals used with this product should comply with relevant standards for the country of use and be marked accordingly to ensure that safety and performance requirements are met. These articles include but are not limited to keyboards, monitors and mice when used in conjunction with the Raspberry Pi.
- Where peripherals are connected that do not include the cable or connector, the cable or connector must offer adequate insulation and operation in order that the relevant performance and safety requirements are met.
SAFETY INSTRUCTIONS
To avoid malfunction or damage to this product please observe the following:
- Do not expose to water, moisture or place on a conductive surface whilst in operation.
- Do not expose it to heat from any source; Raspberry Pi 4 Model B is designed for reliable operation at normal ambient room temperatures.
- Take care whilst handling to avoid mechanical or electrical damage to the printed circuit board and connectors.
- Avoid handling the printed circuit board whilst it is powered and only handle by the edges to minimise the risk of electrostatic discharge damage.
A good quality 2.5A power supply can be used if downstream USB peripherals consume less than 500mA in total.

HDMI®, the HDMI® logo, and High-Definition Multimedia Interface are trademarks or registered trademarks of HDMI® Licensing LLC.
MIPI DSI and MIPI CSI are service marks of MIPI Alliance, Inc.
Raspberry Pi and the Raspberry Pi logo are trademarks of the Raspberry Pi Foundation. www.raspberrypi.org




















