PARKSIDE PPHA 20-Li B2 Cordless Planer

Smart battery support
This appliance supports advanced functions when using special smart batteries. For more information, please refer to the accompanying material provided by the respective manufacturer. If smart battery functions are supported, the Ready2Connect LED v lights up in the following manner:




Ready2Connect LED
Connect the battery pack LED flashes 3 times
Connect to the app LED stays on
Not connected to the app LED stays off
Tool in update mode LED flashes continuously
Tool update successful The LED flashes for 5 seconds
Tool update failed LED flashes rapidly alternately
Introduction
Congratulations on the purchase of your new appliance. You have selected a high-quality product. The operating instructions are part of this product. They contain important information about safety, usage and disposal. Before using the product, please familiarise yourself with all operating and safety instructions. Use the product only as described and for the specified range of applications. Please also pass these operating instructions on to any future owner.
Intended use
The appliance is designed for planning workpieces such as beams or planks that are firmly held in place. The appliance is also suitable for chamfering edges and for grooving. Any other uses of or modifications to the appliance are deemed to be improper usage and may result in serious physical injury. The manufacturer accepts no responsibility for damage(s) attributable to misuse. This appliance is not intended for commercial use.
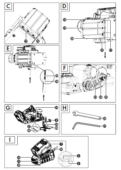
Features
- Safety lock-out
- ON/OFF switch
- Chip ejector (optionally right/left)
- Belt cover
- Battery display LED
- Battery charge level button
- Release button for the battery pack Screws for belt cover
- Fastening screw for the rip fence/fold depth stop
- Plane sole
- V grooves
- Marking for cut depth scale
- Cut depth scale
- Dial for setting the cut depth (additional handle)
- Adapter for external extraction
- Parking shoe
- Cutter block
- Clamping element
- Fastening screw for the planing blade
- Planing blade
- Tensioning plate groove
- Hex screws
- Lateral cutter block guard
- Drive belt
- Large belt wheel
- Small belt wheel
- Open-ended spanner
- Hex key
- Fold depth stop (not supplied)
- Rip fence (not supplied)
- Battery pack*
- High-speed charger*
- Red charge control LED
- Green charge control LED
- Ready2Connect LED
- Accessory compartment
Package contents
- 1 cordless planer 20V
- 1 hex key (see fig. G)
- 1 open-ended spanner (see fig. G)
- 1 adapter for external extraction 1 carrying case
- 1 set of operating instructions
Technical details
Cordless Planer 20V PPHA20-Li B2 Rated voltage (DC)
- Rated voltage 20 V (DC)
- Rated idle speed n0 = 14000 rpm
- Plane width 82 mm
- Cut depth 0–2 mm
- Fold depth max. 17 mm
- Maximum high-frequency output 10 dBm
- Battery PAP 20 B3*
- Type LITHIUM ION
- Rated voltage 20 V (DC)
- Capacity 4.0 Ah
- Cells 10
- High-speed battery charger PLG 20 C3*
- INPUT
- Rated voltage 230–240 V ∼ 50 Hz (AC)
- Rated power
- consumption 120 W
- Fuse (internal) 3.15 A T3.15A
- OUTPUT
- Rated voltage 21.5 V (DC)
- Rated current 4.5 A
- Charging time approx. 120 min.
- Protection class II / (double insulation)
- * BATTERY AND CHARGER ARE NOT SUPPLIED
- Noise and vibration data
- Noise measurement value determined in accordance with EN 62841. The A-rated noise level of the power tool is typically:
- Noise emission value
- Sound pressure level LPA = 88.3 dB (A)
- Sound power level LWA = 99.3 dB (A)
- Uncertainty K = 3 dB
- Total vibration value
- Handle ah = 3.944 m/s2
- Additional handle ah = 5.950 m/s2
- Uncertainty K = 1.5 m/s2
NOTE
- For an accurate estimate of the vibration load during a specific working period, the periods during which the appliance is switched off or is running but not actually being used must also be taken into consideration. This can significantly reduce the vibration load over the total working period.
- The vibration emission values and the noise emission values given in these instructions have been measured in accordance with a standardised test procedure and can be used for comparison of the power tool with another tool.
- The specified total vibration values and the noise emission values can also be used to make a provisional load estimate.
WARNING!
- Depending on the manner in which the power tool is being used and, in particular, the kind of workpiece being worked, the vibration and noise emission values can deviate from the values given in these instructions during actual use of the power tool. Try to keep the vibra-tion loads as low as possible. Measures to reduce the vibration load are, e.g. wearing gloves and limiting the working time. Wherein all states of operation must be included (e.g. times when the power tool is switched off and times where the power tool is switched on but running without load).
General power tool safety warnings
WARNING!
- Read all safety warnings, instructions, illustrations and specifications provided with this power tool. Failure to follow all instructions listed below may result in electric shock, fire and/or serious injury.
Save all warnings and instructions for future reference.
The term “power tool” in the warnings refers to your mains-operated (corded) power tool or battery- operated (cordless) power tool.
- Work area safety
- Keep work area clean and well lit.
Cluttered or dark areas invite accidents. - Do not operate power tools in explosive atmospheres, such as in the presence of flammable liquids, gases or dust. Power tools create sparks which may ignite the dust or fumes.
- Keep children and bystanders away while operating a power tool. Distractions can cause you to lose control.
- Keep work area clean and well lit.
- Electrical safety
- Power tool plugs must match the outlet. Never modify the plug in any way. Do not use any adapter plugs with earthed (grounded) power tools. Unmodified plugs and matching outlets will reduce risk of electric shock.
- Avoid body contact with earthed or grounded surfaces, such as pipes, radiators, ranges and refrigerators. There is an increased risk of electric shock if your body is earthed or grounded.
- Do not expose power tools to rain or wet conditions. Water entering a power tool will increase the risk of electric shock.
- Do not abuse the cord. Never use the cord for carrying, pulling or unplugging the power tool. Keep cord away from heat, oil, sharp edges or moving parts. Damaged or entangled cords increase the risk of electric shock.
- When working outdoors with an electrical power tool always use extension cords that are also suitable for use outdoors. Use of a cord suitable for outdoor use reduces the risk of electric shock.
- If operating a power tool in a damp location is unavoidable, use a residual current device (RCD) protected supply. Use of an RCD
re duces the risk of electric shock.
- Personal safety
- Stay alert, watch what you are doing and use common sense when operating a power tool. Do not use a power tool while you are tired or under the influence of drugs, alcohol or medication.
A moment of inattention while operating a power tool may result in serious personal injury. - Use personal protective equipment. Always wear safety goggles. Protective equipment such as a dust mask, non-skid safety shoes, hard hat or hearing protection used for appropriate conditions will reduce personal injuries.
- Prevent unintentional starting. Ensure the switch is in the off-position before connecting to power source and/or battery pack, picking up or carrying the tool. Carrying power tools with your finger on the switch or energizing power tools that have the switch on invites accidents.
- Remove any adjusting key or wrench before turning the power tool on. A wrench or a key left attached to a rotating part of the power tool may result in personal injury.
- Do not overreach. Keep proper footing and balance at all times. This enables better control of the power tool in unexpected situations.
- Dress properly. Do not wear loose clothing or jewellery. Keep your hair and clothing away from moving parts. Loose clothes, jewellery or long hair can be caught in moving parts.
- If devices are provided for the connection of dust extraction and collection facilities, ensure these are connected and properly used. Use of dust collection can reduce dust-related hazards.
- Do not allow yourself to get lulled into a false sense of security and do not ignore the safety regulations for power tools, even if you are familiar with the power tool after repeated use. A careless action can cause severe injury within a fraction of a second.
- Stay alert, watch what you are doing and use common sense when operating a power tool. Do not use a power tool while you are tired or under the influence of drugs, alcohol or medication.
- Power tool use and care
- Do not force the power tool. Use the correct power tool for your application. The correct power tool will do the job better and safer at the rate for which it was designed.
- Do not use the power tool if the switch does not turn it on and off. Any power tool that cannot be controlled with the switch is dangerous and must be repaired.
- Disconnect the plug from the power source and/or remove the battery pack, if detachable, from the power tool before making any adjustments, changing accessories, or storing power tools. Such preventive safety measures reduce the risk of starting the power tool acci-dentally.
- Store idle power tools out of the reach of children and do not allow persons unfamiliar with the power tool or these instructions to operate the power tool. Power tools are dangerous in the hands of untrained users.
- Maintain power tools and accessories. Check for misalignment or binding of moving parts, breakage of parts and any other condition that may affect the power tool’s operation. If damaged, have the power tool repaired before use. Many accidents are caused by poorly maintained power tools.
- Keep cutting tools sharp and clean. Properly maintained cutting tools with sharp cutting edges are less likely to bind and are easier to control.
- Use the power tool, accessories and tool bits, etc. in accordance with these instructions, taking into account the working conditions and the work to be performed. Use of the power tool for operations different from those intended could result in a hazardous situation. clean and free from oil and grease. Slippery handles and grasping surfaces do not allow for safe handling and control of the tool in unexpected situations.
- Use and handling of the cordless electrical power tool
- Only charge rechargeable batteries using the chargers that are recommended by the manufacturer. Chargers are often designed for a particular type of rechargeable battery unit. There is a risk of fire if other types of rechargeable battery units are used.
- Only the rechargeable battery units supplied are to be used with an electrical power tool. The use of other rechargeable battery units may lead to the danger of injury or fire.
- When they are not being used, store rechargeable battery units away from paper-clips, coins, keys, nails, screws or other small metal objects that could cause the contacts to be bridged. Short-circuiting the contacts of a rechargeable battery unit may result in heat damage or fire.
d) Fluids may leak out of rechargeable battery units if they are misused. If this happens, avoid contact with the fluid. If contact occurs, flush the affected area with water. Seek additional medical help if any of the fluid gets into your eyes. Escaping battery fluid may cause skin irritation or burns. - Do not use a damaged or modified battery. Damaged or modified batteries may behave unexpectedly and cause fires, explosions or pose a risk of injury.
- Do not expose a battery to fire or excessively high temperatures. Fire or temperatures in excess of 130°C (265°F) can cause an explosion.
- Follow all instructions regarding charging and never charge the battery or the cordless tool outside the temperature range given in the operating instructions. Incorrect charging or charging outside of the permissible temperature range can destroy the battery and increase the risk of fire.
CAUTION! RISK OF EXPLOSION! Never charge non-rechargeable batteries.
Protect the recharge-able battery from heat; for example, from continuous exposure to sunlight, fire, water and moisture. There is a risk of explosion.
Service
- Have your power tool serviced by a qualified repair person using only identical replacement parts. This will ensure that the safety of the power tool is maintained.
- Never try to repair damaged batteries. Batteries should only be maintained by the manufacturer or an approved customer service centre.
Appliance-specific safety instructions for power planers
- Wait until the cutter block comes to a complete standstill before putting down the power tool. An exposed, rotating cutter block can catch in the surface and cause a loss of control which could result in serious injuries.
- Fix and secure the workpiece to a sturdy work surface using clamps or other methods. If you hold the workpiece only with your hand or against your body, it will remain unstable. This can lead to a loss of control.
- Do not insert your fingers into the chip ejector . You can injure yourself on rotating parts.
- Always switch the appliance on before applying it to the workpiece. Otherwise, there is a risk of a kickback if the planning blade catches in the workpiece.
- The plane sole must lie flat on the work-piece when working. Otherwise, there is a risk of injury due to the plane jamming.
- Never plane over metal objects. Otherwise, the planning blade/cutter block could be damaged.
- Do not process materials containing asbestos. Asbestos is a known carcinogen.
- Dusts can be produced while working that are hazardous to health, inflammable or explosive. Wear a dust mask and use a suitable dust/chip extractor. Some dusts are carcinogenic.
- When working for extended periods of time on wood and, in particular, materials that produce dust which is hazardous to health, connect the appliance to an appropriate external dust extraction appliance. Do not use the power planer if the battery is dam-aged. Damaged cables increase the risk of electric shock.
- Do not rest your hands next to or in front of the appliance and the area being worked. Otherwise, there is a risk of injury if you slip.
- In the event of danger, remove the mains plug from the socket immediately.
- Always remove the plug from the power socket in event of danger, during work breaks, when working on the appliance
(e.g. when changing planing blade). - Always route the power cord towards the rear, away from the appliance.
- Use only sharp planing blades.
- Do not soak the materials or the area to be processed with liquids containing solvents.
- Avoid all contact with rotating parts.
- Never use the appliance for purposes other than those for which it was designed, and only use original parts/accessories.
- Hold the appliance firmly while working. Ensure that your stance is secure and stable.
- The appliance must always be kept clean, dry and free from oil or grease.
Safety guidelines for battery chargers
- This tool may be used by children aged 8 years and above and by persons with limited physical, sensory or mental capabilities or lack of experience and knowl-edge, provided that they are under supervision or have been told how to use the tool safely and are aware of the potential risks. Do not allow children to use the tool as a toy. Cleaning and user maintenance tasks may not be carried out by children unless they are supervised.
- To avoid potential risks, if the appliance power cable is dam-aged, it must be replaced by the manufacturer, its customer service or by a qualified technician.
The charger is suitable for indoor use only. - WARNING! If the mains cable requires replacement, this should be carried out by the manufacturer or an approved representative to avoid safety hazards.
ATTENTION!
- This charger can only charge the following batteries: PAP 20 A1/PAP 20 A2/ PAP 20 A3/PAP 20 B1/PAP 20 B3/PAPS 204 A1/PAPS 208 A1.
- A current list of battery compatibility can be found at www.Lidl.de/Akku.
Original accessories/attachments
- Use only the accessories and additional equipment that are specified in the operating instructions and are compatible with the appliance. Using attachments or accessory tools other than those recommended in the operating instructions can lead to a risk of injury.
Before use
Charging the battery pack (see fig. I)
CAUTION!
Always unplug the charger before you remove the battery pack from or connect it to the charger.
NOTE
Never charge the battery pack when the ambient temperature is below 10°C or above 40°C. If a lithium-ion battery is to be stored for an extended period, the charge level should be checked regularly. The opti-mum charge level is between 50% and 80%. The storage climate should be cool and dry, and the ambient temperature should be between 0°C and 50°C.
- Insert the battery pack into the high-speed charger (see fig. I).
- Insert the power plug into the socket.
The control LED lights up red. - The green control LED indicates that the charging process is complete and the battery pack is ready for use.
ATTENTION!
- If the red control LED flashes, this means that the battery pack has overheated and cannot be charged.
- If the red and green control LEDs both flash, this means that the battery pack is defective.
- Push the battery pack into the appliance.
- Switch off the charger for at least 15 minutes between successive charging sessions. Also disconnect the power plug from the mains power socket.
Inserting/removing the battery pack
Inserting the battery pack
- Allow the battery pack to click into place in the appliance.
Removing the battery pack
- Press the release button and remove the battery pack .
Checking the battery charge level
- Press the battery charge level button to check the status of the battery (see also main diagram). The status will be shown on the battery display LED as follows:
RED/ORANGE/GREEN = maximum charge RED/ORANGE = medium charge
RED = low charge – charge the battery
Using the appliance
Switching on/off
Switching on
- First, press the safety lock-out
- Then press and hold the ON/OFF switch You can now release the safety lock-out
Switching off
- Release the ON/OFF switch
- NOTE For safety reasons, the ON/OFF switch cannot be locked.
Setting the cut depth
- Use the dial to adjust the cutting depth (0–2 mm) in 1/10 mm increments using the cutting depth scale . This can then be read via the marking.
Vacuuming dust/chips (see fig. A)
WARNING!
Always wear a dust mask!
RISK OF INJURY!
Always switch the appliance off and remove the battery before carrying out any work on the appliance.
Adjustable chip ejector (left/right)
- Unlock the chip ejector by turning it in the opposite direction to the arrow (from the “LOCK” position).
- Pull the chip ejector out of the appliance.
- The chip ejector can be attached to the plane on the left or the right. Make sure that the tab on the chip ejector fits into the corresponding recess on the housing.
- Push the chip ejector into the appliance.
- Lock the chip ejector by turning it to the position “LOCK”.
External extraction
When using a workshop extractor, for example, it may be necessary to use the adapter for external extraction . The workshop vacuum cleaner must be suitable for the material being processed.
Connection
- Push the adapter for external extraction firmly onto the chip ejector .
- Push the hose of a suitable workshop vacuum cleaner onto the chip ejector or the adapter for external extraction , as applicable.
Removal
- Pull the hose of the workshop vacuum cleaner off the chip ejector or the adapter.
- Pull off the adapter for external extraction if attached.
Disposal
Do not dispose of power tools in your normal domestic waste!
The adjacent symbol of a crossed-out dustbin means that this appliance is subject to Directive 2012/19/EU. This directive states that this appliance may not be disposed of in the normal household waste at the end of its useful life, but must be taken to specially set-up collection locations, recycling depots or disposal companies. The disposal is free of charge for the user. Protect the environment and dispose of this appliance properly.
If your old appliance has stored any personal data, you are responsible for deleting it yourself before returning it.
If it is possible to do so without destroying the old appliance, remove the old batteries or rechargea-ble batteries before returning the appliance for disposal and take them to a separate collection point. In the case of permanently installed rechargeable batteries, you must indicate during disposal that the appliance contains a battery.
Your local community or municipal authorities can provide information on how to dispose of the worn-out product.
Do not dispose of batteries in your normal household waste!
Defective or worn-out rechargeable batteries must be recycled according to Directive 2006/66/EC. Batteries/rechargeable batteries must be treated as hazardous waste and must therefore be disposed of in an environmentally sound manner by appropriate bodies (dealers, specialist dealers, public municipal bodies, commercial disposal companies). Batteries/recharge-able batteries may contain toxic heavy metals.
For this reason, do not dispose of batteries/rechargeable batteries in domestic waste. Take them to a specialist collection point. Only return batteries that are fully discharged.
PPHA 20-Li B2
The packaging is made from environ-mentally friendly material and can be disposed of at your local recycling plant.
Dispose of the packaging in an environmentally friendly manner. Note the labelling on the packaging and separate the packaging material components for disposal if necessary. The packaging material is labelled with abbreviations (a) and numbers (b) with the following meanings:
1–7: plastics, 20–22: paper and cardboard, 80–98: composites.
Kompernass Handels GmbH warranty
Dear customer,
This appliance comes with a 5-year warranty valid from the date of purchase. In the event that this product has any defects, you, the buyer, have certain statutory rights. Your statutory rights are not limited in any way by the warranty described below.
Warranty conditions
The warranty period starts on the date of purchase. Please keep your receipt in a safe place. This will be required as proof of purchase.
If any material or manufacturing fault occurs within 5 years of the product’s date of purchase, we will either repair or replace the product for you
or refund the purchase price (at our discretion). This warranty service requires that you present the defective appliance and the proof of pur-chase (receipt) within the 5-year warranty period, together with a brief written description of the fault and of when it occurred.
If the defect is covered by the warranty, your product will either be repaired or replaced by us. The repair or replacement of a product does not signify the beginning of a new warranty period.
The X 20 V Team Series battery pack comes with a 3-year warranty valid from the date of purchase.
Warranty period and statutory claims for defects
The warranty period is not prolonged by repairs effected under the warranty. This also applies to replaced and repaired components. Any damage and defects present at the time of purchase must be reported immediately after unpacking. Repairs carried out after expiry of the warranty period shall be subject to a fee.
Scope of the warranty
This appliance has been manufactured in accordance with strict quality guidelines and inspected meticulously prior to delivery.
The warranty covers material faults or production faults. The warranty does not extend to product parts subject to normal wear and tear or to fragile parts which could be considered as consumable parts such as switches or parts made of glass.
The warranty does not apply if the product has been damaged, improperly used or improperly maintained. The directions in the operating instructions for the product regarding proper use of the product are to be strictly followed. Uses and actions that are discouraged in the operating instructions or which are warned against must be avoided.
This product is intended solely for private use and not for commercial purposes. The warranty shall be deemed void in cases of misuse or improper handling, use of force and modifications / repairs which have not been carried out by one of our authorised Service centres.
The warranty period does not apply to
- Normal reduction of the battery capacity over time
- Commercial use of the product
- Damage to or alteration of the product by the customer
- Non-compliance with safety and maintenance instructions, operating errors
- Damage caused by natural hazards
Warranty claim procedure
To ensure quick processing of your case, please observe the following instructions:
- Please have the till receipt and the item number (IAN) 402247_2201 available as proof of purchase.
- You will find the item number on the type plate on the product, an engraving on the product, on the front page of the operating instructions (below left) or on the sticker on the rear or bottom of the product.
- If functional or other defects occur, please contact the service department listed either by telephone or by e-mail.
- You can return a defective product to us free of charge to the service address that will be pro-vided to you. Ensure that you enclose the proof of purchase (till receipt) and information about what the defect is and when it occurred.
You can download these instructions along with many other manuals, product videos and installation software at www.lidl-service.com.
This QR code will take you directly to the Lidl service page (www.lidl-service.com) where you can open your operating instructions by entering the item number (IAN) 402247_2201.
WARNING!
- Have your appliances repaired by the Service Centre or a trained electrician, and use only original spare parts. This will ensure that the safety of the appliance is maintained.
- If the appliance’s mains cable is damaged, it must be replaced with a special cable that is available from the manufacturer or its customer service.
Service
- Service Great Britain
Tel.: 0800 404 7657
E-Mail: [email protected] - Service Cyprus
Tel.: 8009 4241
E-Mail: [email protected]
Importer
Please note that the following address is not the service address. Please use the service address provided in the operating instructions.
KOMPERNASS HANDELS GMBH BURGSTRASSE 21
44867 BOCHUM
GERMANY
www.kompernass.com
Original declaration of conformity
We, KOMPERNASS HANDELS GMBH, document officer: Mr Semi Uguzlu, BURGSTR. 21, 44867 BOCHUM, GERMANY, hereby declare that this product complies with the following standards, normative documents and EC directives:
Machinery Directive
(2006/42/EC)
EMC (Electromagnetic Compatibility)
(2014/30/EU)
RoHS Directive
(2011/65/EU)*
- * The manufacturer bears the sole responsibility for compliance with this conformity declaration. The subject of the declaration described above meets the requirements of Directive 2011/65/EU of the European Parliament and Council of 8 June 2011 on the limitations of use of certain dangerous substances in electrical and electronic appliances.
Related harmonised standards
EN 62841-1:2015
EN 62841-2-14:2015
EN IEC 55014-1:2021
EN IEC 55014-2:2021
EN IEC 63000:2018
Type designation of the machine: Cordless Planer 20V PPHA 20-Li B2
Year of manufacture: 06–2022
Serial number: IAN 402247_2201
Bochum, 14/06/2022
Semi Uguzlu
– Quality Manager –
We reserve the right to make technical changes in the context of further product development.
Ordering a replacement battery
If you want to order a replacement battery for your appliance, you can do so easily via the Internet on www.kompernass.com or by telephone.
NOTE
Online ordering of replacement parts is not possible in all countries. If this is the case, please contact the Service Hotline.
Telephone ordering
Service Great Britain Tel.: 0800 404 7657 Service Cyprus Tel.: 8009 4241
To ensure fast processing of your order, have the article number of your appliance (IAN 402247_2201) to hand in case of questions. The article number can be found on the type plate or the title page of these instructions.
KOMPERNASS HANDELS GMBH BURGSTRASSE 21
44867 BOCHUM
GERMANY
www.kompernass.com
Last Information Update · Stanje informacija · Versiunea informaţiilor
Актуалност на информацията · Έκδοση των πληροφοριών · Stand der Informationen:
06 / 2022 · Ident.-No.: PPHA20-LiB2-062022-1

Connect the battery pack LED flashes 3 times
Not connected to the app LED stays off

















