Outdoor Mechanical Timer Box
SKU: HOMT01B
[Instruction Manual]
Please pay attention to the warning signs
Read the instructions with caution before operating and keep it properly
HOMT01B Pool Pump Mechanical Timer Box
Warning: This timer should be installed by a licensed electrician.
Turnover off at main panel before servicing this switch or the equipment it controls.
IMPORTANT: For outdoor use. Rain-tight or wet location conduit, hubs, tubing, and cable fittings that comply with requirements of UL 514B mustbe used for installation.
READ ALL INSTRUCTIONS before using the Timer Box.
Product Illustration

Specifications
Input: 120-277VAC 60Hz
Output: 40A Resistive 120 to 277 VAC;
30A General purpose 120 to 277 VAC;
20A Resistive, 30VDC;
1HP, 120 VAC;
2HP, 240VAC;
20A Ballasted load 120 to 277 VAC;
15A Tungsten, 120 VAC;
5A Tungsten, 250VAC;
800VA, Pilot Duty, 120VAC;
720VA, Pilot Duty, 240 VAC;
TV-5, 120VAC
Installation Instructions
- Read Important Safety Information below before beginning installation.
- Open outer cover by pressing the clip.
- Remove the interior protective cover by removing the two screws holding the cover in place (Figure 1).
- Select the knockouts to be used. If you use the 1/2″ knockout, carefully cut off the inner ring of the rubber plug with a knife (Figure 2). If you use the 3/4″ knockout, please remove the entire rubber plug (Figure 3).
- Place and mark the timer box in the desired mounting position. Install two screws at the mark and partially drive into place. Attach Timer Box by placing screws over keyholes, then tighten screws.
- Remove the screw to demount the motherboard(Figure 4).
- Wire in accordance with national and local codes (see wiring diagrams below). Use copper wire AWG 8-18 suitable for 90°C(194 F ). Tighten all connections to minimum 10.6 Ib. in. torque.
- Grounding: Connect all grounding wires to the grounding lug at the bottom of the enclosure.
- Reassemble the motherboard and interior protection cover.
- Close outer cover.


Important Safety Information
WARNING: Risk of Fire or Electric Shock. Read instructions thoroughly before installation and preserve for future reference.
Disconnect power at circuit breaker and test if power is off before installing (or servicing) the Timer Box (more than one circuit breaker or disconnect switch may be required to fully disconnect power).
Wiring must be in accordance with all national and local electrical code requirements. Inspect all terminals and wires with voltage meter before touching. The maximum total load to be controlled must not exceed Timer Box capacity.
The Timer Box enclosure does not provide grounding between conduit connectors. When metallic conduit is used, you must also install grounding type bushings and jumper wires in accordance with National Electrical Code (NEC) requirements.
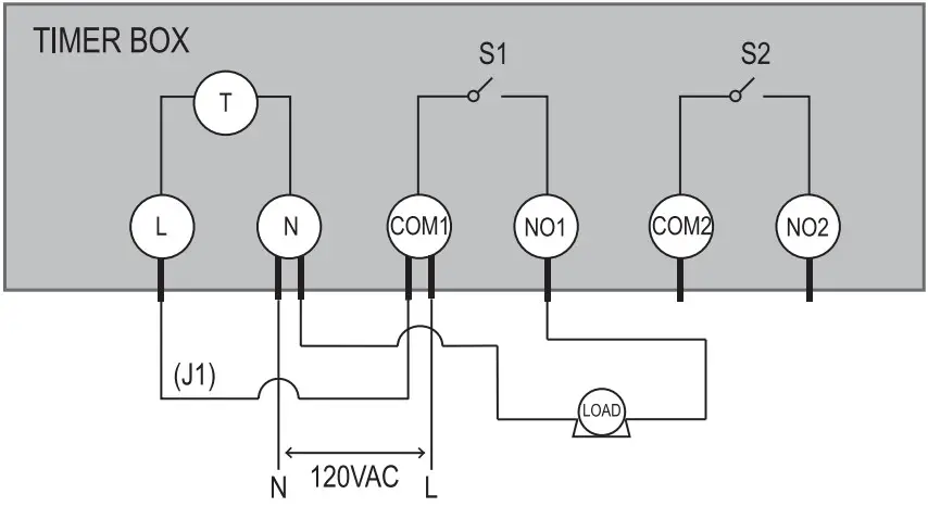
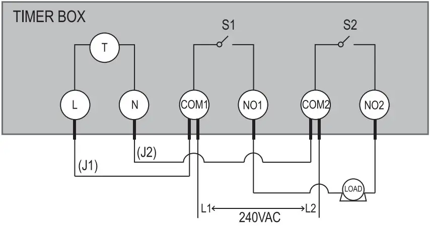
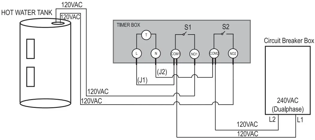
TIMER BOX TERMINAL DESIGNATIONS

L = Line | N = Neutral | NO = Normally Open |COM = Common Terminal | J = Jumper Wire | T = Timer
TIMER BOX TYPICAL APPLICATION WIRING DIAGRAMS
Note: Timer Box is capable of being configured for 120 VAC, 240VAC or 277VAC.
*J1 & J2 are jumper wire for the timer power supply.
120VAC Application Controlling One 120VAC Load

120VAC Application Controlling Two 120VAC Loads

Note: (A) The wire connecting COM1 with COM2 should use the same gauge as the load wire.
240VAC Application Controlling One 240VAC Load

277VAC Application Controlling Two 277VAC Loads

Note: (A) The wire connecting COM1 with COM2 should use the same gauge as the load wire.
HOT WATER HEATER TYPICAL WIRING DIAGRAM

IMPORTANT: Please refer to INSTALLATION INSTRUCTION SHEET.
Timer Box must be installed before programming.
Operating Instruction
- Set the current time: Turning the dial clockwise until the arrow indicates current time.
- Begin with all pins in inner ring. Push the pins out for the setting duration you want the timer to be ON. Pins in outer ring represents ON and inner ring represents OFF.
Note: Pins indicated by the arrow can not be push out, rotate the dial to make it work. - Push the manual override switch to position. You may override operation of the timer by setting the switch to “I” position, the power supply will always be ON. You may override operation of the timer by setting the switch to “O” position, the power supply will always be OFF. Be sure to set switch back to the for proper timer function.
- Make sure the electronic device is ON so the timer box can control it to work properly.
- If blackout, reset the present time as indicated above.
One Year Limited Warranty
Supported by our professional R&D team and QC team, we provide One Year Warranty for materials and workmanship from the purchase date.
Please note that the warranty does not cover damage caused by personal misuse or improper installation.
Please attach your Order ID and Name so that our dedicated customer service team can help you better.

















