
CyTime™ SER-32e
Option Module
Quick Start Guide
– eXM-DI-08 – Digital Input Module
– eXM-RO-08 – Solid State Relay Module
Introduction
The CyTime™ SER-32e Sequence of Events Recorder provides precise time-stamped event reporting for 32 input channels to enable root-cause analysis and advanced system diagnostics.
The SER-32e provides two (2) option slots allowing you to add up to 16 additional inputs or up to 16 additional outputs.
Two (2) option modules are available:
- eXM-DI-08 – (8 – Digital inputs)
- eXM-RO-08 – (8 – Solid-state relay outputs)
Any combination of these option modules can be used in the SER-32e expansion slots.
Package Contents*:
- Digital Input Module or Relay Output Module
- Quick Start Guide
* SER-32e sequence of events recorder (Sold Separately)
DANGER
HAZARD OF ELECTRIC SHOCK, EXPLOSION, OR ARC FLASH
- Only qualified workers should install this equipment. Such work should be performed only after reading this entire set of instructions.
- NEVER work alone.
- Before performing visual inspections, tests, or maintenance on this equipment, disconnect all sources of electric power. Assume that all circuits are live until they have been completely de-energized, tested, and tagged. Pay particular attention to the design of the power system. Consider all sources of power, including the possibility of backfeeding.
- Apply appropriate personal protective equipment (PPE) and follow safe electrical practices. For example, in the USA, see NFPA 70E.
- Turn off all power supplying the equipment in which the device is to be installed before installing and wiring the device.
- Always use a properly rated voltage sensing device to confirm that power is off .
- Beware of potential hazards, wear personal protective equipment, and carefully inspect the work area for tools and objects that may have been left inside the equipment.
- The successful operation of this equipment depends upon proper handling, installation, and operation. Neglecting fundamental installation requirements may lead to personal injury as well as damage to electrical equipment or other property.
Failure to follow these instructions can result in death or serious injury.
SER-32e Input and Output Modules

| 1. Ethernet 2. Time Sync IN or OUT 3. Expansion Module Slot #1 4. Expansion Module Slot #2 5. Power Control Module | 6. Touchscreen 7. Inputs (32) 8. Trigger OUT /RS-485 9. Control Power |
SER-32e option modules are designed to be mounted in one (1) of the two (2) expansion module option slots provided (see illustration above, #3 – #4). To install an option module, follow the steps below:
- Refer to Safety Precautions above for electrical safety guidance, proper PPE and procedures.
- Remove control power from the SER.
- Monitor the LED indicators on the Power Control module until they are all OFF.
- Remove the blank cover from the desired option module slot by pressing the two latches on the top and bottom of the cover and pull out. We recommend retaining the cover for future use. (Scan QR code below for installation video)
- Align the module in the guide rails with the connector on the right side of the module.
- Insert the module into the option slot by pressing it into the SER until the latches “click” into place.
- Reapply control power to the SER.
- Confirm the SER recognizes the option module by viewing the Monitoring Status screen on either the SER display or web page.
SER-32e Expansion Module Installation Video

Wiring Overview
Detailed instructions for wiring and installation of Input/Output modules are provide in their respective User Guides.
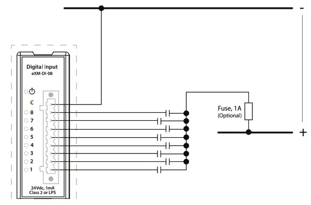
Digital Input Wiring
The Digital Input Module has 8 isolated digital inputs, each sharing a common return, wired as shown.
Control power for the module is provided by the SER.

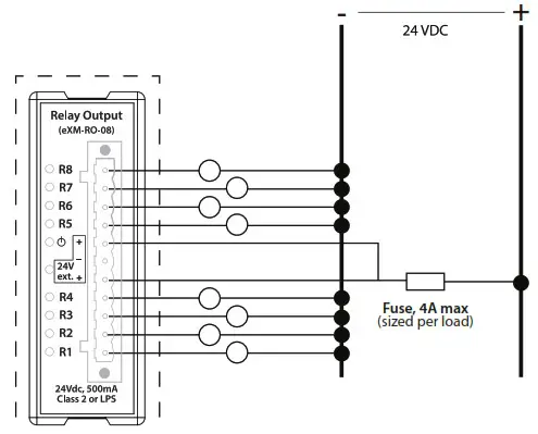
Relay Output Wiring
The Relay Output Module has 8 solid-state relay outputs, each sharing a common return and requiring a 24 Vdc wetting source, wired as shown below. Control power for the module is provided by the SER-32e. Each output is rated for 24 Vdc, 500 mA, max load.

18 AWG (Belden 8760) shielded twisted pair cable is recommended for all input and output connections.
Configuration – Web Interface
Configuration of the CyTime SER-32e Digital Inputs and Relay Outputs can be accomplished using the device’s secure web server.
To connect a PC to the SER-32e:
- Connect your PC to the SER using a standard Ethernet patch cable.
- Set PC to use static IP address 169.254.0.11.
- Apply power to the SER.
- Open a standard web browser, such as Microsoft ™ Edge or Google™ Chrome.
- Type the SER’s default IP address (169.254.0.10) or the assigned IP address into your web browser.
- Enter the default user name (admin) and pasword (csi_serial number) and click “Login”.
- Click the Setup tab to configure Inputs, Outputs, and Groups.
Technical Specifications
A summary of technical specifications for the input and output modules is provided below. Detailed technical specifications are provided for each option module in their respective User Guide.
Digital Input Module
| Voltage, operating | 24 Vdc, (-15% to +10%) Class 2 / LPS |
| Input impedance | 10K ohms resistive |
| Current draw (max.) | 1 mA |
| Must turn ON voltage | 20 Vdc |
| Must turn OFF voltage | 9 Vdc |
| Turn ON/OFF time (max.) | 0.5 ms |
| Isolation | 2.5 kV (capacitive isolation) |
| Wire size supported | # 24 to # 12 AWG |
| Operating temperature | -13F to 158o F (-25 to +70o C) |
| Signal type | Form A, normally open |
| Voltage, operating | 17.5 to 36 Vdc, (24 Vdc nominal), Class 2 / LPS |
| Current capacity | 0.5 A per relay output (2 A per group, 4 A total) |
| Surge current | 2 A for 10 seconds, (max.) |
| Leakage current | < 2µ mA at 24 Vdc |
| ON-state voltage drop | < 0.5 volts at 0.5A |
| Response time | < 0.1 ms OFF to ON/ON to OFF |
| Fault sensing | Overload, over-temp. |
| Fault reporting | Status LED, LCD, web page |
| Isolation | 2 kV Output to output, Input to output, Output to Earth 5 kV Output to communications |
| Wire size supported | # 24 to # 12 AWG |
| Operating temperature | -13F to 140 oF (-25 to +60 oC) |
![]() Digital Input Module | Relay Output ModuleUsers Guide |
Cyber Sciences, Inc. (CSI)
229 Castlewood Drive, Suite E
Murfreesboro, TN 37129 USA
Tel: +1 615-890-6709
Fax: +1 615-439-1651
IB-eXM-03
May -2023
The service marks, CyTime, and the Cyber Sciences stylized logo are trademarks of Cyber Sciences.
All other trademarks are the property of their respective owners.

Relay Output Module














