hansgrohe 27370000 Raindance E Overhead Shower

Safety Notes
Gloves should be worn during installation to prevent crushing and cutting injuries.
The shower system may only be used for bathing, hygienic and body cleansing purposes.
Children as well as adults with physical, mental and/or sensoric impairments must not use this shower system without proper supervision. Persons under the influence of alcohol or drugs are prohibited from using this shower system.
Do not allow the streams of the shower touch sensitive body parts (such as your eyes). An adequate distance must be kept between the shower and you.
The arm of the shower head is intended only to hold the shower head. Do not load it down with other objects!
Installation Instructions
- The fitting must be installed, flushed and tested after the valid norms!
- Where the contractor mounts the product, he should ensure that the entire area of the wall to which the mounting plate is to be fitted, is flat (no projecting joints or tiles sticking out), that the structure of the wall is suitable for the installation of the product and has no weak points. The enclosed screws and dowels are only suitable for concrete. For another wall constructions the manufacturer’s indications of the dowel manufacturer have to be taken into account.
- The filter insert must be use to protect the shower against incoming dirt by pipework. Incoming dirt leads to defects or/and can damage parts of the shower; such caused faults voids all liability and guarantee claims.
Technical Data
Operating pressure: max. 0,6 MPa
Recommended operating pressure: 0,15 – 0,4 MPa
(1 MPa = 10 bar = 147 PSI)
Hot water temperature: max. 60°C
![]() | Do not use silicone containing acetic acid! |

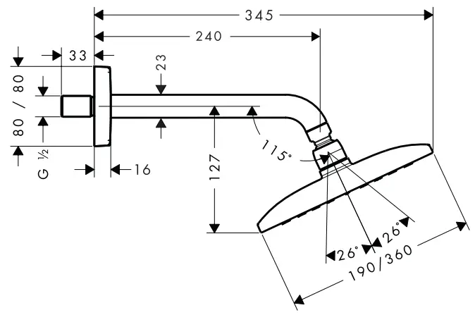
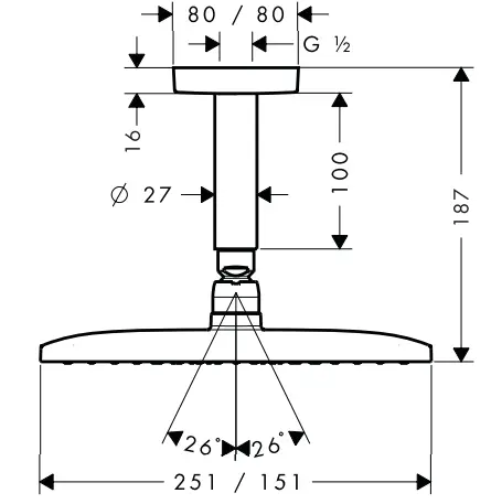
Dimension and Flow diagram
Raindance E 27370000

Raindance E 27371000


Raindance E 27380000


Raindance E 27381000


Wall mount
Raindance E 27370000 / 27371000




Ceiling mount
Raindance E 27380000 / 27381000





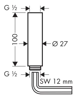
Raindance 27479000
extension 100 mm

Cleaning






Just clean: simply rub over the spray nozzles to remove lime scale.



![]()
| DVGW | SVGW | WRAS | KIWA | NF | ACS | ETA | ||
| 27370000 | P-IX 19239/IB | X | X | |||||
| 27371000 | X | |||||||
| 27380000 | P-IX 19239/IB | X | X | |||||
| 27381000 | X |

Spare parts

Other Model
Raindance E
27380000 / 27381000
Raindance E
27370000 / 27371000
Hansgrohe · Postfach 1145 · D-77761 Schiltach · Telefon +49 (0) 78 36/51-1282 · Telefax +49 (0) 7836/511440
E-Mail: [email protected] · Internet: www.hansgrohe.com



Dimension and Flow diagram
Cleaning

















