
DUO D60 (AC/DC) – AUTOMATIC
60 liters/hour – 12 (or 24V) and 230 (or 120V)
ASSEMBLY AND USER MANUAL
Copyright / Disclaimer
Dessalator®
ZI des 3 Moulins, 282 rue des Cistes
Bâtiment Euro 92
06600 Antibes, France
www.dessalator.com
[email protected]
+33 4 93 95 04 55
List of Components
Hull Valve

- Must be placed as low as possible in the boat so as to avoid drawing in any air
- Must be installed towards the back for a motorboat, or centered near the keel for a sailboat. The ribs of the strainer should be placed towards the front the boat to force the entry of water by scooping during navigation.
- The strainer of the hull valve helps stop large particles at the entrance of the system.
Prefilter

- Must be placed as close as possible to the hull valve and, if possible, beneath the waterline to ensure a better yield/output. If this is not possible, you must install a pre-pump (optional).
- Helps stop solid particles in seawater at the inlet of the motor/pump block. Up to 5 microns.
- Comes with a tool for screwing / unscrewing the tank.
- Comes equipped with a solenoid valve for automated rinsing.
- Comes equipped with a 3-way valve.
Front Control Panel

Composed of the following elements:
- A high-pressure manometer
- A flowmeter
- A start switch
- A know for pressure adjustment
- An operating hours counter
- Three indicator lights
Motor/Pump Block

- Must ideally be placed beneath the waterline for optimal yield/output.
➥Note: If it is not possible to install the motor block beneath the waterline, it is necessary to install the optional booster pump. - Composed of the 12 or 24 Volt motor and the 120 or 230 Volt motor.
- Must be installed in a ventilated space.
- A fuse holder is provided.
WARNING!
For the 12V model, you must ensure significant ventilation of the motor block.
Membrane Block

- The membrane block includes 2 seawater membranes mounted together in a compact block.
Piping (supplied by Dessalator®)
- High-pressure piping from the pump to the membranes and from the membranes to the control panel. An 8-meter pipe is provided, it should be cut into two parts. The length of each part is to be determined according to the distance of the different elements.
- 4 special DESSALATOR® fittings* for high-pressure piping (see assembly procedure in Appendix A2).
- * Including one 90° elbow fitting for the back of the control panel, which can swivel 360°.
- Fresh water production piping going from the outlet of the membrane block to the dashboard (6 meters long).
Assembly
1) List of supplies necessary for assembly
- Screws (self-tapping and more).
- Stainless steel ties, Ø 8-16mm and Ø 12-22mm.
- ‘Electrician’ plastic ties.
- Teflon tape.
- Loctite 542 liquid or Loctite 577 paste.
- Polyurethane sealant, Sicaflex or equivalent.
- Corrugated sheath for electric cables and high-pressure tubes.
- Braided-core flexible hose, Ø 10mm and Ø 12mm inner diameter (Tricoflex) and 3mm thick.
- Power cable: 35 to 50mm² for 12 volts; 35mm² for 24 volts depending on the cable length.
- Various tools (drills, saws, Ø 21mm hole saws, etc.).
2) Seawater inlet
Seawater inlet valve
- The strainer should be placed as low as possible beneath the waterline so that it does not draw in any air. It should be placed far from the discards.
- Pierce the hull with a Ø 21mm hole saw.
- The streaks of the strainer must be placed towards the front of the boat to allow the water to naturally enter by scooping during navigation.
- Seal the junction with the hull properly using polyurethane sealant or Sicaflex. Do not forget to paint the submerged part with special underwater paint.
- The hull valve must remain accessible for maintenance operations.
- Seal the valve/strainer and valve/hose connections with Loctite 577.
Cartridge prefilter
- Seawater position:
For use in desalinization mode - Fresh water position:
For manual rinsing or sterilization when needed
(see Appendix A3) - Closed position:
For changing the filter cartridge (see Appendix A4)

- The prefilter must also be installed beneath the waterline to ensure a better yield/output. It must be easy to access.
- The fixing bracket is reversible to allow you to adjust the installation height.
- Piping connections must be made with Tricoflex Ø 12 mm (inside diameter), for the entire seawater system as well as the pressurized rinsing system.
- Do not forget to fasten 2 stainless steel collars on each fitting.
- Allow a minimum of 3 cm below the filter body for the clearance of the tank when opening it. A screw is provided for screwing / unscrewing it.
- The connection for fresh water rinsing must be done with water from the pressurized freshwater system.
- A solenoid valve is mounted behind the prefilter for automatic rinsing.
- The valve handle must be in seawater position (see diagram above with the 3 positions of the 3-way valve).
For manual rinsing, put the valve handle in fresh water position (see diagram above with the 3 positions of the 3-way valve) and follow the instructions in Appendix A3.
To replace the filter cartridge, follow the procedure in Appendix A4.
During this procedure, be careful not to lose the tank’s O-ring. Fill the system with fresh water for 30 seconds to 1 minute before putting the valve handle back into the seawater position (see diagram above with the 3 positions of the 3-way valve).
Connections
- Use Tricoflex Ø 12mm (inside diameter) for the seawater system and for pressurized rinsing.
- Fasten two stainless steel collars on each connection, with the clamping heads positioned opposite one another.
- Connect the pressurized fresh water from the outlet of the water unit to the 3-way valve.
- Connection can be made under a sink, a washbasin or on the path of the pressurized cold water piping.
- The valve handle must be aligned with the filter.
Tip: If the pipes are to pass through walls or be in contact with sharp corners, provide protection against wear and friction by inserting them into a sheath or pipe of greater diameter.
Motor/Pump Block
- To ensure optimal production, the assembly of the high-pressure motor block must be completed as low as possible in the boat, in a horizontal position and in an area protected from water sprays.
- Use the 2 stainless steel legs (1) under the 2 motors to fix the motor block. Leave a few centimetres of wiggle room around it.
- Provide sufficient airflow for the ventilation of the motors.
- The connection of the prefilter outlet 2 to the inlet of the pump on the suction-side pump 3) should be done using Tricoflex piping Ø 12mm (inside diameter) and 2 stainless steel collars at each connection.
- The connection of the pump’s high-pressure head to the membrane inlet (red mark) should be done using a high-pressure hose that is cut to size (follow closely the assembly instructions in Appendix A2).
- Put a little liquid Loctite or threadlock on the male and female cones before each connection.

1 : Stainless steel legs for fixing the motor/pump block
2 and 3 : Connect the prefilter outlet to the pump intake
: Tricoflex piping Ø 12mm (inside diameter) for the water system
Electric connections
WARNING!
Never work with the power on! Turn off the power of your entire system.
- Respect the polarity when making the electrical connection on the 12V or 24V motor: positive on the relay with the brown wire 3 and negative on the 12V or 24V motor with the green/yellow wire 2.
- Depending on the voltage, mount the 12V fuse holder or the 24V circuit breaker (supplied).
- Make sure to have cable with a sufficient section: 35 to 50 mm² for 12V and 35mm² for 24V.
- The watermaker’s control cable is 5-meter long and comes with an electric spit with coded pin 1 (see page 12, cable 5)
- The control panel must always be supplied with direct current.
- The 230V (or 120V) motor connection is made with the cable coming from the control panel (see page 12, cable 5) and respecting the connections on the terminal block: phase wire on terminal 4 , neutral wire on terminal 5 and ground wire on terminal 6 .

Connection pin- Connect the battery’s negative cable
- Connect the battery’s positive cable (do not forget to install the fuse holder)

- Connect the phase cable (brown wire)
- Connect the neutral cable (blue wire)
- Connect the ground wire (yellow/green wire)
Membrane Block
- The membrane block should preferably be mounted horizontally (on the base or side).
- A vertical position might lead to a yield/output loss over time.
- Fastening is done using self-tapping screws in the stainless steel brackets .
- It is necessary to sheath the pipe connecting the output of the high pressure pump to the inlet of the membranes 2 because of the vibrations, which might lead to leaks if the pipe is attached or in direct contact with something.
- The installation of the high-pressure nozzles must be carried out according to their assembly instructions (see Appendix A2).
- Put some Loctite or threadlock on the 2 male and female cones before tightening.
- Available as an option: 90° elbow high-pressure nozzle for the inlet and outlet of the membranes .

- Stainless steel legs to fix the membrane block
- Connection of the high pressure pump to the inlet of the membrane block
- Membrane heads (optional 90° elbow connection for membrane heads)
Hose for the high-pressure water system (supplied)
Control panel
The control panel must be mounted on a vertical panel.
Ensure unrestricted access to the back of the control panel, this will make connections easier. You should place it in a place where the light indicators are visible. Example: below or on the sides of cupboards, under the chart or centre table, on the front panel of a rear berth etc.

Hose for connecting the high-pressure membrane outlet to the high-pressure control valve on the back of the front panel. (Black high-pressure hose supplied)
Hose for connecting the water outlet of the membranes to the inlet of the probe of the panel. (Outside diameter Ø 10mm pipe supplied)
Hose for connecting the fresh water outlet of the panel to the tanks, dispensing clarinet or water inlet or with a tee provided that there is no valve on the outlet of the water tank. (Outside diameter Ø 10mm pipe not supplied, use preferably Tricoclair)
Hose to connect the discharge of panel. To be connected preferably to a water disposal system like the evacuation of a sink, washbasin, cockpit etc. In this case, do not forget to open the drain valves during use. (Ø 12mm inside diameter pipe not supplied)- Cables to be connected:
– 230V (or 120V) power supply. The provided circuit breaker must be placed on this line, if you do not already have one available on your 230V switchboard
– 12V (or 24V) power supply with a foolproof plug coming from the 12V (or 24V) motor.
See instructions for connection on page 10
– Motor power supply 230V (or 120V). See instructions for connection on page 10
Micro Remote Control for DUO (optional)
General presentation:
The Dessalator® Micro Remote Control for DUO allows you to restart, stop, perform a rinse and monitor the watermaker.
The Mini Remote is very intuitive, which is why this quick guide only describes the basic functions and is meant to serve as a convenient reference
RED LIGHT – ALARM- YELLOW LIGHT – POOR QUALITY
- GREEN LIGHT – GOOD QUALITY
- BLU LIGHT – STATUS LIGHT
- ON / OFF BUTTON

➥Note : in the event of an alarm, the machine must be restarted from the control panel (and not from the Micro-Command).
Start-Up
1) Precautions before start-up
WARNING!
Before starting-up, check that the valves are open.
Mandatory:
- When using the device for the first time, after changing the filter, after the boat has been grounded or stopped for a long time, you should flush the system using fresh water by operating the three-way valve on the prefilter (see Appendix A3).
- Purge the system for 1 minute: watermaker must be stopped and the pressure regulator open (counterclockwise).
- Once the system is filled, put the valve back in seawater position (see Appendix A3).
- It is important to take into account the ampere capacity of the battery as well as the operating time. When using the system in 12 or 24V, you should not run it for more than 5 minutes without starting the boat engine.
➥Note: If you are not going to use the watermaker at all for a month or more, we recommend to either sterilize the membranes for storage (for a maximum duration of 6 months) or to rinse it out at least once a month. Before starting the system back up, we recommend rinsing it out for two minutes (see Appendix A3).
2) Starting-up the watermaker
Automatic mode:
The AUTOMATIC product range is equipped with a motorized knob regulator to adjust the pressure. Simply set the switch 1 to 12/24V or 230V (or 120V), the pressure regulator dial 2 will automatically go in the orange 3 zone of the pressure gauge, then gradually adjust it until it reaches the green zone 4 on the pressure gauge.
This procedure takes about 3 minutes.
Once this procedure is done, your watermaker will start producing fresh water, whose quality will be checked.
Manual mode:
If you prefer, you can build the pressure manually. Manual mode can only be activated within the 10 seconds following the starting-up of the device. This will temporarily deactivate Automatic mode.
Set the switch 1 to 12 / 24V or 230V (or 120V). Once the engine has started, gradually turn the pressure regulator knob 2 to the right to increase the pressure towards the middle of the orange zone 3 then continue gradually increasing the pressure until it reaches the green zone 4 on the pressure gauge.
This pressure build-up procedure should last approximately 1 minute.
Once this procedure is done, your watermaker will start producing fresh water, whose quality will be checked. The device will then reset back to Automatic mode for the next time you use it.

➥Note: The fresh water yield depends on the temperature and salinity of the sea water.
3) Stopping the watermaker: without rinsing of the membranes
It is not necessary to rinse your membranes if you use your watermaker regularly.
Set the switch 1 to OFF, the watermaker will stop.

Beyond 10 days without use, it is best to rinse the membranes before the watermaker is started-up again (see manual rinse procedure in Appendix A3).
4) Stopping the watermaker: with automatic rinsing of the membranes
A rinsing must be carried out if the watermaker is not going to be used for more than 10 days.
After using the watermaker, do not turn it off. Start turning the knob of the pressure regulator 1 (counterclockwise) to engage the rinsing mechanism, the pressure of the manometer will drop 2 .
The watermaker will then start the rinsing procedure. The green and yellow LEDs 3 on the control panel will illuminate, indicating that the flushing procedure is started. The procedure lasts 30 seconds. Once it is complete, the green and yellow LEDs 3 will turn off and the only remaining light will be the flashing blue LED on the switch 4. If you do not have a Mini Remote Control, you can turn off the system by position the switch 4 to OFF.

5) Using the Micro Remote Control (optional)
STARTING YOUR WATERMAKER :
![]() | To start the watermaker from STANDBY and run it on DC power, press and hold To start the watermaker from STANDBY and run it on AC power, press and hold The BLUE LED of the button pressed will start to blink and the buzzer will acknowledge the operation with 2 ‘beeps’. Upon release of the button, the watermaker will start. | ![]() |
![]() | The RED, YELLOW and GREEN LEDs will show the same indication as on the control panel of the watermaker. The blinking speed of the YELLOW LED provides feedback of the water pressure in the system : faster blinking means higher pressure. The BLUE LED that is lit shows if the machine is running on DC or AC power. Once the production water is of good quality, the GREEN LED will light up. | ![]() |
Note : It is best practice to slowly build up water pressure inside the system in order to prolong the lifetime of your membranes.
For that reason, should you plan to start your watermaker frequently using the Micro-Command we highly recommend to consider a machine with Automatic Pressure Regulation, like the DESSALATOR Navigator, Automatic or Pro-Auto series.
| Note : LEDs are on | LEDs are flashing | LEDs are off |
STOPPING YOUR WATERMAKER :
![]() | To STOP your watermaker normally : If you run on DC power press and hold the button If you run on AC power press and hold the button Upon release of the button, the watermaker will STOP and go to STANDBY | ![]() |
STOPPING YOUR WATERMAKER WITH AN AUTOMATIC RINCE CYCLE :
Note : Whilst the automatic rinse function is present on all DESSALATOR watermakers, this function should only be initiated remotely on a watermaker equipped with Automatic Pressure Regulation.
![]() | To STOP your watermaker and terminate the process with an automatic rinse cycle : If you run on DC power press and hold the button If you run on AC power press and hold the button Upon release of the button, the watermaker will STOP and initiatean automatic rinse cycle before going to STANDBY. | ![]() |
| Note : LEDs are on | LEDs are flashing | LEDs are off |
Operation
Membranes are delicate components
Reverse osmosis membranes must be carefully maintained as they are the most sensitive parts of your system. Follow the instructions given to avoid damaging them and voiding the warranty. The nominal production capacity of the watermaker is given for a temperature of 25°C for seawater and depend on the salinity of the seawater in your navigation area. Each degree below this given temperature decreases the flow rate by 2.5 to 5%.
Extremes temperatures
The membranes should not be exposed to temperatures below 0°C. Overpressure, caused by expansion resulting from freezing, can rupture the membranes and prevent the salt from being filtered out.
The membranes must not be exposed to temperatures above 60°C, as high temperatures may also prevent salt from being removed.
Drying out of the membranes
After the first use, the membranes should be kept immersed in liquid, either in treated seawater, in a mix of fresh water and sterilizing solution or, temporarily, in fresh water (see Sterilization methods, Appendix A4).
Recommendations for use
The different quality and salinity level of seawater influence the yield of the membranes.
WARNING!
Do not use this system in areas where the water is muddy or polluted and at the mouth of rivers or brackish water. This will prevent clogging the prefilter and damaging the membranes.
WARNING!
In case of risk of frost, we recommend emptying the flowmeter located on the control panel, disconnect the output pipe (blue) and blow or inject air into this pipe while alternating pressing on the small button of the solenoid valve located at the back of the control panel. You should also protect your membranes against the cold using blankets or insulation.
- Membranes maintenance
Over time, it is normal for the flow to drop by 10 to 15%.
If yield/output is no longer satisfactory, you should consider replacing the membranes. The output volume of your watermaker is established within the first 24 to 48 hours of operation. The fresh water output depends on the salinity and temperature of the seawater, as well as on the working pressure of the membranes. Rinsing the membranes can improve the yield/output. - Rinsing frequency of the membranes
It is therefore not necessary to rinse the membranes after each use. Rinsing them too often can lead to premature deterioration of the membranes.
There are two methods to flush the system: one manual and the other automatic.
Both methods use the water in the boat’s tanks.
It is necessary to rinse the watermaker if it is not going to be used for several days.
➥Reminder: All flushing procedures should be done with the motor/pump block off.
The biggest enemy of membranes is pressurized fresh water.
Manual Rinsing
There is a valve next to the prefilter. This valve is connected to the freshwater tank of the boat. When turned, it will automatically start the boat’s freshwater system and send fresh water from the tank to the watermaker.
- Do not put the watermaker on “ON”; leave it in its “OFF” position.
- Turn the pressure regulator all the way in the counterclockwise direction.
- Turn the fresh water inlet valve, located next to the prefilter, for 2 minutes. The boat pump will start and fresh water will flow into the watermaker.
Automatic Rinsing
See page 16 “Stopping the watermaker: with automatic rinsing of the membranes”
3) Sterilizing the membranes
When should the membranes be sterilized?
Under normal circumstances, a monthly and regular rinsing of the membranes is enough for their maintenance. If you do no use the watermaker for a while and cannot perform a monthly rinsing, membrane sterilization is necessary. The protective effect of sterilizing does not exceed 6 months. The sterilization should never be renewed more than twice a year but should include, between these two operations, a mandatory rinse with fresh water.
An excessive concentration of sterilizing solution can corrode the membrane heads.
We recommend the sterilizing cartridge ST2 and our specified dose of sterilizing solution, adapted to your system. Failure to comply with these recommendations or use of another sterilizing solution void the warranty.
Membranes sterilizing procedure
- Easy method using the ST2 sterilization cartridge (reusable):
We have developed a sterilization cartridge that greatly facilitates handling. The instructions for this cartridge are given in Appendix 4. - Manual method without the ST2 sterilization cartridge:
With the watermaker turned off, thoroughly rinse it for 10 minutes with fresh water using the 3-way valve on the prefilter. Pour the sterilizing product (whole bag) into a bucket containing 8 litres of water. Uncouple the seawater inlet pipe and immerse it in
the bucket. Start the watermaker without increasing the pressure until the bucket is empty. Once the bucket is empty and the operation completed, reconnect the pipe. - Method using a garden sprayer:
Pour the sterilizing product (whole bag) into a bucket containing 8 litres of fresh water and mix everything together. Fill the garden sprayer with this mixture and increase the pressure to 3 or 4 bar. Then inject the sterilizing solution at the inlet of the membranes (red mark side).
➥Note: Before using the watermaker again simply rinse it with fresh water for a few seconds, using the 3-way valve located on the pre-filter, in order to eliminate the sterilant.
4) High-pressure pump
The high-pressure pump is half filled with oil to the level indicated on the gauge. The oil used in the pump is a 15W40 or 20W40 multigrade oil. You not exceed the level (as shown on the gauge). The oil does not need to be change over time.
Spare Parts
DESSALATOR® devices, which have a high reliability and long lifetime, generally do not require costly servicing. An accident is always possible (operation with low water level,accidental overpressure, impact, etc.).
We keep the following spare and maintenance parts at your disposal:
- 5µm 10-inch filter
- Transmission belt
- Electronic card
- Membranes head
- Nozzle for high-pressure piping
- Flowmeter tube, sold by the meter
Accessories:
- Mini Remote Control
- Micro Remote Control
- Complete ST2 sterilizing cartridge
- Sterilizer in sachet
- Mineralizer cartridge
- Mineralizer in sachet
- Nipple for high pressure tube
- HP nozzle elbow
How do watermakers work?
How does reverse osmosis work?
Pressurized seawater enters the membranes which, similarly to “molecular sieves”, only let the fresh water molecules pass.
Most of the dissolved solid particles do not cross the membranes. These residues are evacuated with the discharge water.
Reverse osmosis extracts 99% of impurities.
The drinking water produced by your reverse osmosis system can be consumed. If stored in your tanks you can, if needed, treat this water with commercially available products. Make sure to follow the manufacturer’s dosage instructions.
We sell a mineralizing cartridge if you plan to drink the produced fresh water long-term.
How does your watermaker work?
Seawater is draw in through the inlet valve of the thru-hull. It then passes through the 5micron prefilter. The filtered water is then pressurized in the membrane tube by the highpressure pump (operating pressure is in the green zone of the pressure gauge). The pressurized water passes through the orifices of the membrane surface, freed from the salt and bacteria, which are poured back into the sea along with the remainder of the solution used to self-clean the membranes. The now fresh water goes through a probe measuring the salt content: if the water is sufficiently desalinated, the 3-way valve is automatically switched to direct the fresh water to the tanks. On the other hand, if the salinity sensor registers a salt content that is too high (conductivity greater than 1,000 μSiemens), the valve will reject the output water at sea.
The amount of drinking water being produced is controlled by a flowmeter located on the control panel. The fresh water production capacity is given for a seawater temperature of 25°C. Yield is reduced by 2.5 to 5% per degree Celsius of temperature drop.
Mounting of the DESSALATOR® high-pressure nozzles
- Screw the brass fitting onto the high-pressure hose counter-clockwisela all the way to the vertical mark on the outside of the fitting.

- Place the brass plug in the stainless steel nut and tighten it firmly:

- Put a little grease on the tip of the stainless steel cone and screw it by placing it straight in the brass fitting. Stop as soon as the stainless steel thread has disappeared in the brass nozzle, i.e. about 7 mm of space between the nut and the brass fitting.

- Unscrew the nut of the conical adapter. The nozzel is ready for the pipe from the pump to the membrane. Sheathing is with another pipe is a good idea to protect it against vibration.

- IMPORTANT: Make sure that the nozzle has not clogged the pipe :
• Either by blowing into the pipe,
• Or by inserting a screwdriver to check that the passage is free.
Do not forget to put Loctite or threadlock on the male and female cones when reassembling.
Manual Rinsing Procedure
Your DESSALATOR® system comes equipped with an automatic rinsing feature, here is the procedure to follow if you choose to do manual rinsing:
Normal position
Manual rinsing position
Instructions for the Sterilizing Cartridge
With the watermaker OFF:
- Close the seawater inlet valve.
- Open the sterilizing cartridge: be careful not to lose the O-ring.
- Remove the top screen.
- Place the foam at the bottom of the filter.
- Pour the sterilizing powder into the cartridge.
- Replace the top screen and close the cartridge.
- Check that the seal is correctly in place.
- Remove the 5-micron cartridge from the prefilter.

- Replace it with the sterilizing cartridge

- Turn the rinsing valve to the fresh water position (see Appendix A3) so that the sterilizing powder mixes with the water, the valve must be closed before all of the powder disappears (there must be a little left inside the bowl).
- Please note that this procedure is very quick. The watermaker should not be turned on
- Duration of sterilization: 6 months maximum (to be repeated beyond that)
➥Important: Before the next start-up, rinse the system out using fresh water for 10 minutes.
Remove the ST2 sterilizing cartridge and replace it with a 5-micron cartridge.
WARNING!
The ST2 cartridge can be reused.
Troubleshooting
| PROBLEM | POSSIBLE CAUSES | SOLUTIONS |
| Leak on the pressure regulator located behind the control panel | Control cable gland is loosened | – Tighten the cable gland with a 17 mm open-end wrench |
| The high-pressure pump is noisy | -Reduced water inlet or air inlet – Not at the right pressure | – Check the diameter of the pipes, the tightening of the clamps and the cleanliness of the filter. – Set the pressure in the green zone |
| Oil leak on the high-pressure pump | Gaskets on connecting rods are wom | – Replace the gaskets |
| Insufficient water flow | Water is too cold | – N/A |
| Pre-filter is dirty | – Replace the pre-filter. | |
| Power supply is too weak | – Recharge the batteries. – Check the connections. | |
| Voltage drop in the electric cable | – Install a cable with a larger section | |
| Water leaks under the high pressure head | Wom gaskets | – Replace the piston gaskets |
| Pressure is not rising | Dirty pump valves | – Remove and dean the valves in the clean pump head |
Guide of the Indicator Lights of the Micro Remote Control
| INDICATOR LIGHTS | DESCRIPTIONS AND ACTIONS |
| Test upon starting-up the test When these indicator lights remain on, please open the regulator (-) to lower the pressure. | |
| The pumps are started, waiting for working pressure Slowly turn the pressure regulator clockwise (+) until the needle of the pressure gauge is in the green area. | |
| Working pressure reached, waiting for good water quality Please wait, once the water quality is good the machine will automatically start to produce water. | |
| Water production The water quality is good, drinking water is being produced | |
| Automatic rinsing Pleasewait, the rinsing takes 30 seconds | |
| Low pressure The pressure is too low | |
| Alarm 1-1: down time – low pressure Did this alarm ring after the pump started first? If so check the seawater inlet valve and the pre-filter. Restart and try again. Alarm 1-2: No power to the pressure sensor If this alarm sets off after the machine start, it could be a failure of the pressure sensor or the system voltage could be too low. Alarm 2-1: Pressure too high Switch off the watermaker, fully open the regulator (-) and restart the machine. |
| Legend: Indicator lightsare on | Indicator lightsare flashing | Indicator lightsare off |
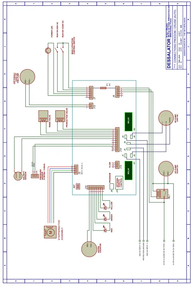
Circuit diagram of the electronic board

Schematic drawing

DUO AUTO-60 v2.4 (04/2021)
Dessalator®
ZI des 3 Moulins, 282 rue des Cistes
Bâtiment Euro 92
06600 Antibes, France
www.dessalator.com
[email protected]
+33 4 93 95 04 55n


























