VPF1080318 Pro-Force 3-Gallon Hot Dog Air Compressor with Inflation Kit
Owner’s Manual
The product style and configuration may vary.
Specification Chart
| MODEL NO. | RUNNING H.P.(CV) | TANK CAPACITY GALLONS | VOLTAGE/AMPS/ PHASE | KICK-IN PRESSURE | KICK-OUT PRESSURE |
| VPF1080318 | 1.0 | 3 (11,4) | 120/12/1 | 95 (6,55 bar) | 125 (8,62 bar) |
WARNING: Read and understand all safety precautions in this manual before operating. Failure to comply with instructions in this manual could result in personal injury, property damage, and/or voiding of your warranty. The manufacturer WILL NOT be liable for any damage because of failure to follow these instructions.
Questions? See the back page.
SAFETY GUIDELINES
The following information relates to protecting YOUR SAFETY and PREVENTING EQUIPMENT PROBLEMS. To help you recognize this information, we use the following symbols. Please read the manual and pay attention to these sections.
DANGER: – A POTENTIAL HAZARD THAT WILL CAUSE SERIOUS INJURY OR LOSS OF LIFE.
WARNING: – A POTENTIAL HAZARD THAT COULD CAUSE SERIOUS INJURY OR LOSS OF LIFE.
CAUTION: – A POTENTIAL HAZARD THAT MAY CAUSE MODERATE INJURY OR DAMAGE TO EQUIPMENT.
WARNING
| 1. RISK OF FIRE OR EXPLOSION. Never spray flammable liquids in a confined area. It is normal for the motor and pressure switch to produce sparks while operating. If sparks come into contact with vapors from gasoline or other solvents, they may ignite, causing fire or explosion. Always operate the compressor in a well–ventilated area. Do not smoke while spraying. Do not spray where sparks or flames are present. Keep the compressor as far from the spray area as possible. | |
| 2. RISK OF BURSTING. Rust can weaken the tank. Drain the condensed water from the tank after each use to reduce rusting. If a leak is detected in the tank, replace the tank immediately. Do not weld, drill, or modify the air tank of this compressor. Welding or modifications on the air compressor tank can severely impair tank strength and cause an extremely hazardous condition. Welding or modifying the tank in any manner will void the warranty. | |
| 3. RISK OF ELECTRICAL SHOCK. A licensed electrician in accordance with all local and national codes must install all wiring. Never use an electric air compressor outdoors when it is raining or on a wet surface, as it may cause an electric shock. | |
| 4. RISK OF INJURY. This unit starts automatically. ALWAYS shut off the compressor, remove the plug from the outlet, and bleed all pressure from the system before servicing the compressor, and when the compressor is not in use. Do not use the unit with the shrouds or belt guard removed. Serious injury could occur from contact with moving parts. | |
| 5. RISK OF BURSTING. Check the manufacturer’s maximum pressure rating for air tools and accessories. Compressor outlet pressure must be regulated so as to never exceed the maximum pressure rating of the tool. Relieve all pressure through the hose before attaching or removing accessories. | |
| 6. RISK OF BURNS. High temperatures are generated by the pump and manifold. To prevent burns or other injuries, DO NOT touch the pump, manifold, or transfer tube while the pump is running. Allow them to cool before handling or servicing. Keep children away from the compressor at all times. | |
| 7. RISK TO BREATHING. Be certain to read all labels when you are spraying paints or toxic materials, and follow the safety instructions. Use a respirator mask if there is a chance of inhaling anything you are spraying. Read all instructions and be sure that your respirator mask will protect you. | |
| 8. RISK OF EYE INJURY. Always wear ANSI Z87.1 approved safety goggles when using an air compressor. Never point any nozzle or sprayer toward a person or any part of the body. Equipment can cause serious injury if the spray penetrates the skin. | |
| 9. RISK OF BURSTING. Do not adjust the pressure switch or relief valve for any reason. Doing so voids all warranties. They have been preset at the factory for the maximum pressure of this unit. Personal injury and/or property damage may result if the pressure switch or the relief valve are tampered with. | |
| 10. RISK OF BURSTING. Do not use plastic or pvc pipe for compressed air. Use only galvanized steel pipe and fittings for compressed air distribution lines. | |
| 11. RISK TO HEARING. Always wear hearing protection when using an air compressor. Failure to do so may result in hearing loss. | |
| 12. RISK TO BREATHING. Never directly inhale the compressed air produced by a compressor. It is not suitable for breathing purposes. | |
| 13. The power cord on this product contains lead, a chemical known to the State of California to cause cancer, birth defects, or other reproductive harm. Wash hands after handling. |
CAUTION
- Drain the moisture from the tank on a daily basis. A clean, dry tank will help prevent corrosion.
- Pull the pressure relief valve ring daily to ensure that the valve is functioning properly, and to clear the valve of any possible obstructions.
- To provide proper ventilation for cooling, the compressor must be kept a minimum of 12 inches (31 cm) from the nearest wall, in a well–ventilated area.
- Fasten the compressor down securely if the transport is necessary. Pressure must be released from the
OVERVIEW
BASIC AIR COMPRESSOR COMPONENTS
Oilless air compressors are factory lubricated for life and do not require any oil.
The basic components of the air compressor are the electric motor, pump, pressure switch, and tank.
The electric motor (see A) powers the pump. The electric motor is equipped with an overload protector and an automatic reset. If the motor becomes overheated, the overload protector will shut it down to prevent damage to the motor. When the motor sufficiently cools, it will automatically reset.
The pump (see A) compresses the air and discharges it into the tank.
The tank (see B) stores the compressed air.
The pressure switch (see C) shuts down the motor when the air pressure in the tank reaches the kick–out pressure. As compressed air is used and the pressure level in the tank drops to the kick–in pressure, the pressure switch restarts the motor automatically, without warning, and the pump resumes compressing air. 
ASSEMBLY
ASSEMBLING THE COMPRESSOR
- Unpack the air compressor. Inspect the unit for damage. If the unit has been damaged in transit, contact the carrier and complete a damage claim. Do this immediately because there are time limitations to damage claims.
- Check the compressor’s serial label to ensure that you have received the model ordered and that it has the required pressure rating for its intended use.
- Locate the compressor according to the following guidelines:
a. Position the compressor near a grounded electrical outlet (see GROUNDING INSTRUCTIONS, page 9). Avoid using an extension cord; use a longer hose instead.
b. The compressor must be at least 12 inches (31 cm) from any wall or obstruction, in a clean, well-ventilated area, to ensure sufficient airflow and cooling.
c. In cold climates, store portable compressors in a heated building when not in use. This will reduce problems with motor starting and freezing of water condensation.
d. Remove the compressor from the carton and place it on the floor or a hard, level surface. - Connect an air hose to the compressor hose outlet (A).

COMPRESSOR CONTROLS
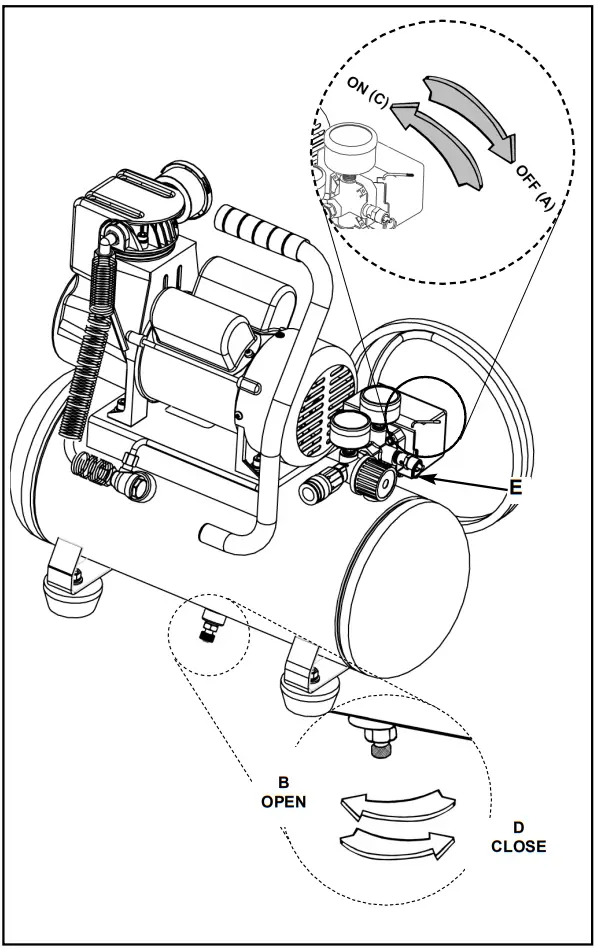
ON/OFF Switch (see A)
This switch turns on the compressor. It is operated manually, but when in the ON position, it allows the compressor to start up or shut down automatically, without warning, upon air demand. ALWAYS set this switch to OFF when the compressor is not being used, and before unplugging the compressor.
Pressure Relief Valve (see B)
If the pressure switch does not shut down the motor when the pressure reaches the preset level, this valve will pop open automatically to prevent over-pressurization. To operate manually, pull the ring on the valve to relieve air pressure in the tank.
Tank Pressure Gauge (see C)
This gauge measures the pressure level of the air stored in the tank. It is not adjustable by the operator and does not indicate line pressure.
Air Pressure Regulator (see D)
This air pressure regulator enables you to adjust line pressure to the tool you are using.
WARNING:
Never exceed the maximum working pressure of the tool.
Turn the knob clockwise to increase pressure, and counterclockwise to decrease pressure.
Regulated pressure gauge (see E)
This gauge measures the regulated outlet pressure.
Airline outlet (see F)
Connect an air hose to this outlet. 
ELECTRICAL POWER REQUIREMENTS
ELECTRICAL WIRING
Refer to the air compressor’s serial label for the unit’s voltage and amperage requirements.
EXTENSION CORDS
NOTE: Avoid the use of extension cords.
For optimum performance, plug the compressor power cord directly into a grounded wall socket. Do not use an extension cord unless absolutely necessary. Instead, use a longer air hose to reach the area where the air is needed.
If the use of an extension cord cannot be avoided, the cord should be no longer than 50 feet and be a minimum wire size of 12 gauge (AWG). Do not use a 16 or 14 gauge extension cord.
Use only a 3-wire extension cord that has a 3-blade grounding plug, and a 3-slot receptacle that will accept the plug on the product. Make sure your extension cord is in good condition. An undersized cord will cause a drop in line voltage, resulting in loss of power and overheating. The smaller the gauge number, the heavier the cord.
GROUNDING INSTRUCTIONS
This product should be grounded. In the event of an electrical short circuit, grounding reduces the risk of electric shock by providing an escape wire for the electric current.
This product is equipped with a cord having a grounding wire with an appropriate grounding plug. The plug must be plugged into an outlet that is properly installed and grounded in accordance with all local codes and ordinances.
DANGER
Improper installation of the grounding plug can result in a risk of electric shock. If repair or replacement of the cord or plug is necessary, do not connect the grounding wire to either flat blade terminal. The wire insulation having an outer surface that is green with or without yellow stripes is the grounding wire.
This product is for use on a nominal 115-volt circuit. A cord with a grounding plug, as shown here, shall be used. Make sure that the product is connected to an outlet having the same configuration as the plug (see Figure 1). No adapter should be used with this product.
Check with a licensed electrician if the grounding instructions are not completely understood, or if in doubt as to whether the product is properly grounded. Do not modify the plug provided; if it will not fit the outlet, have the proper outlet installed by a licensed electrician. 
OPERATING INSTRUCTIONS
DAILY STARTUP
- Turn the ON/OFF switch to the OFF position (see A).
- Close the tank drain valve (see D). Turn in the clockwise direction.
- Plug in the power cord.
WARNING:
High temperatures are generated by the electric motor and the pump. To prevent burns or other injuries, DO NOT touch the compressor while it is running. Allow it to cool before handling or servicing. Keep children away from the compressor at all times. - Turn the ON/OFF switch to the ON position (see C).
WARNING:
When adjusting from a higher to a lower pressure, turn the knob counterclockwise past the desired setting, then turn clockwise to reach the desired pressure. Do not exceed the operating pressure of the tool or accessory being used. - If a pressure regulator is present on your compressor, adjust it to the working pressure of the tool.
SHUTDOWN
- Turn the On/OFF switch to the OFF position (see A).
- Unplug the power cord.
- Reduce pressure in the tank through the outlet hose. You can also pull the relief valve ring (see E) and keep it open to relieve pressure in the tank.
CAUTION:
Escaping air and moisture can propel debris that may cause eye injury. Wear safety goggles when opening the drain valve. - Tip the compressor (if necessary for your model) so the drain valve is at the bottom of the tank. Then open the drain valve to allow moisture to drain from the tank.

MAINTENANCE
WARNING:
To avoid personal injury, always shut off and unplug the compressor and relieve all air pressure from the system before performing any service on the air compressor.
Regular maintenance will ensure trouble-free operation.
Your electric-powered air compressor represents high-quality engineering and construction; however, even high-quality machinery requires periodic maintenance. The items listed below should be inspected on a regular basis.
DRAINING THE TANK
WARNING:![]()
Condensation will accumulate in the tank. To prevent corrosion of the tank from the inside, this moisture must be drained at the end of every workday. Be sure to wear protective eyewear. Relieve the air pressure in the system and open the drain valve on the bottom of the tank and tilt the tank to drain.
NOTE: In cold climates, drain the tank after each use to reduce problems with freezing of water condensation. 
CHECKING THE RELIEF VALVE
Pull the relief valve daily to ensure that it is operating properly and to clear the valve of any possible obstructions.
TESTING FOR LEAKS
Check that all connections are tight. A small leak in any of the hoses, transfer tubes, or pipe connections will substantially reduce the performance of your air compressor. If you suspect a leak, spray a small amount of soapy water around the area of the suspected leak with a spray bottle. If bubbles appear, repair or replace the faulty component. Do not overtighten any connections.
STORAGE
Before storing the compressor for a prolonged period, use an air blow gun to clean all dust and debris from the compressor. Disconnect the power cord and coil it up. Pull the pressure relief valve to release all pressure from the tank. Drain all moisture from the tank. Cover the entire unit to protect it from moisture and dust.
SERVICE INTERVAL
Perform the following maintenance at the intervals indicated below.
Operate the pressure relief valve . . . . . . . . . Daily
Drain tank . . . . . . . . . . . . . . . . . . . . . . . . . . . . Daily
PARTS LIST

| Item | Part No | Qty | Description |
| 1 | Order item #59 | 1 | Air Filter, Cap |
| 2 | Order item #59 | 1 | Air Filter, Element |
| 3 | Order item #59 | 1 | Air Filter, Base |
| 4 | 040-0418 | 1 | Motor/Pump Asm |
| 5 | 145-0585 | 1 | Tube, Relief |
| 6 | N/A | 2 | Nut, Comp, 1/4″ |
| 7 | N/A | 2 | Ferrule, 1/4″ |
| 9 | ** | 1 | Power Cord |
| 10 | N/A | 1 | Strain Relief |
| 11 | 136-0098 | 1 | Safety Valve |
| 12 | 034-0224 | 1 | Pressure Switch |
| 13 | N/A | 1 | Nipple, 1/4″ mnpt x 25mm |
| 14 | N/A | 1 | Nipple, 1/4″ mnpt x 35mm |
| 15 | 019-0264 | 1 | Regulator |
| 16 | 036-0084 | 1 | Quick Connect, Steel |
| 17 | ** | 1 | Tank Asm |
| 18 | N/A | 8 | Nut, m8 x 1.25 |
| 19 | N/A | 8 | Washer, Lock, m8 |
| 20 | N/A | 12 | Washer, Flat, m8 |
| 21 | 094-0183 | 4 | Isolator |
| 22 | N/A | 4 | Bolt, m8 x 1.25 x 25mm |
| 23 | 072-0018 | 1 | Drain valve |
| 24 | N/A | 2 | Ferrule, 3/8″ |
| 25 | N/A | 2 | Nut, Comp, 3/8″ |
| 26 | 145-0586 | 1 | Tube, Outlet |
| 27 | 031-0091 | 1 | Check Valve, 90 degrees, Right |
| 28 | N/A | 4 | Screw, m8 x 15mm |
| 29 | ** | 1 | Handle Grip, Rubber |
| 30 | 032-0109 | 2 | Gauge, 1.5″ |
| 31 | N/A | 4 | Screw, m6 x 1 x 30mm |
| 32 | N/A | 4 | Washer, Lock, m6 |
| 33 | 042-0128 | 1 | Head |
| 34 | Order item #60 | 1 | Gasket, Cylinder Head |
| 35 | Order item #60 | 1 | Valve Plate assembly |
| 36 | Order item #60 | 2 | Reed Valve |
| 37 | Order item #60 | 1 | Gasket, Valve Plate |
| 38 | Order item #60 | 1 | Valve Plate |
| 39 | Order item #60 | 1 | Gasket, Cylinder |
| 40 | Order item #61 | 1 | Cylinder |
| 41 | ** | 1 | Motor Shroud |
| 42 | ** | 1 | Eccentric |
| 43 | Order item #61 | 1 | Screw, m6 x 1 x 16mm |
| 44 | Order item #61 | 1 | Piston Cap |
| 45 | Order item #61 | 1 | Piston Ring |
| 46 | Order item #61 | 1 | Piston |
| 47 | 027-0049 | 1 | Fan, Crankcase |
| 48 | ** | 1 | Shroud, F1, Black |
| 49 | N/A | 7 | Screw, m4 x 0.7 x 8 |
| 50 | N/A | 1 | Screw, m5 x 0.8 x 10 |
| 51 | Order item #61 | 2 | Washer, Lock, m5 |
| 52 | Order item #61 | 1 | Screw, m5 x 0.8 x 15 |
| 53 | ** | 1 | Bearing |
| 54 | N/A | 1 | Nut, m6 x 1 |
| 55 | N/A | 1 | Screw, m6 x 1 x 20mm |
| 56 | ** | 1 | Fan, Motor |
| 57 | N/A | 1 | Snap Ring, 15mm |
| 58 | N/A | 3 | Washer, Flat, m4 |
| 59 | 019-0265 | 1 | Air Filter Kit; incl 1-3 |
| 60 | 043-0219 | 1 | Valve plate assy (includes items 34-39) |
| 61 | 048-0129 | 1 | Piston/Cylinder assembly (includes items 40, 43-46, and 51-52) |
TROUBLESHOOTING CHART
Note: Troubleshooting problems may have similar causes and solutions.
| PROBLEM | POSSIBLE CAUSE | SOLUTION |
| Low pressure or not enough air or The compressor does not stop | The tank drain valve is open | Close drain valve |
| Fittings Leak | Check fittings with soapy water. Tighten or reseal leaking fittings. DO NOT OVER-TIGHTEN. | |
| Restricted air intake | Clean or replace the air filter element. | |
| Prolonged excessive use of air | Decrease the amount of air used. | |
| The compressor is not large enough | Check air requirement of accessory. If it is higher than CFM and the pressure is supplied by the compressor, you need a larger compressor. Most accessories are rated at 25% of actual CFM while running continuously. | |
| Hole in the air hose | Check and replace if necessary. | |
| Tank leaks | ||
| Blown seals | Replace compressor assembly. | |
| Valve leaks | Replace compressor assembly. | |
| Leaking or worn piston | Replace compressor assembly. | |
| Air leaks from regulators, or regulators do not regulate pressure | Dirty or damaged regulator internal parts. | Replace regulator or internal parts. |
| Regulated pressure gauge reading drops when air accessory is being used | This is normal | If pressure drops too low, adjust the regulator while the accessory is used. |
| The compressor is not large enough | Check air requirement of accessory. If it is higher than CFM and pressure is supplied by the compressor, you need a larger compressor. Most accessories are rated at 25% of actual CFM while running continuously. | |
| The pressure relief valve opens | Tank pressure exceeded normal operating pressure | Replace pressure switch |
| Pressure switch stuck | Replace pressure switch | |
| The motor will not run | Tank pressure exceeds preset pressure switch limit | The motor will start automatically when tank pressure drops below the kick-in pressure of the pressure tank. |
| Motor overload protection has tripped | Let the motor cool off and the overload switch will automatically reset. This may take several minutes. | |
| Fuse has blown or circuit breaker tripped | • Replace blown fuse or reset circuit breaker. Do not use a fuse or circuit breaker with a higher rating than specified for your branch circuit. | |
| • Check for proper fuse; “Fusetron” type T is acceptable. | ||
| • Check for low voltage and proper extension cord size. | ||
| • Disconnect other applications from the circuit. Operate compressor on a dedicated circuit. | ||
| Check valve stuck open | Remove and clean or replace. | |
| The pressure bleeder valve on the pressure switch has not unloaded head pressure | Bleed line by moving pressure switch lever to OFF Position before restarting. If the bleeder valve does not open, replace the bleeder valve. | |
| Wrong wire gauge in the cord or excessive extension cord length | Check for proper gauge and extension cord length. | |
| Loose electrical connections | Contact the authorized service center. | |
| Possible defective capacitor | Contact the authorized service center. | |
| Paint spray on internal motor parts | Have checked at a service center. Do not operate the compressor in the paint spray area | |
| Possible defective motor | Have checked at a service center. |
PARTS AND SERVICE
Replacement parts and services are available from your nearest authorized Service Center. If the need arises, contact Product Service as listed at right.
When consulting with a Service Center or Product Service, refer to the model number and serial number located on the serial label of the compressor. Proof of purchase is required for all transactions and a copy of your sales receipt may be requested.
Record the model number, serial number, and date purchased in the spaces provided below. Retain your sales receipt and this manual for future reference.
When needing service, please contact the nearest authorized Service Center or call:
PRODUCT SERVICE
In the U.S.A. or Canada
Toll-Free 1-888-895-4549
Fax 1-507-723-5013
Model No. —————————
Serial No. —————————-
Date Purchased ———————

Product Service
Sanborn Mfg., Division of MAT Industries, LLC.
118 West Rock Street
Springfield, MN 56087
Manufactured in China for
Sanborn Mfg. Division of MAT Industries, LLC., Springfield, MN 56087
© 2008 Sanborn Mfg.
1-888-895-4549
All Rights Reserved



















