MODENA GI 6A V Gas Instant Water Heater

IMPORTANT SAFETY INFORMATION
When the water heater is operated, gas combustion will consume a large amount of oxygen and exhaust much carbon monoxide. To avoid the great harm for human health or even death caused by excessive carbon monoxide inhalation, MODENA sincerely advise all users to:
- Read this manual book carefully before installing and operating the water heater for the first time.
- Do not install the water heater in the bathroom.
- Fit out a good quality of gas pressure reducer and the special gas hose
- Installing and using the water heater must be in accordance with the requirements stipulated in these usage instructions.
- Install a smoke exhaust duct to exhaust waste gases out of the room.
- Make sure that the room where the water heater is installed has enough fresh air and is well-ventilated.
- Once the outer wrapping and the inner wrappings of the various parts have been removed, check and make sure that the appliance is in perfect condition. If you have any doubts regarding to the quality and the completion of the appliance accessories, do not use this appliance yet and contact MODENA Customer Care.
- This water heater must be installed by a qualified technician.
- In the case of a failure and/or malfunction, all repairs or settings must be done with maximum care and attention by qualified technicians. For this reason, we recommend you to contact
- MODENA Customer Care; explaining the trouble in detail; and mention the name of the model.
- The packaging materials used (such as cardboard, bags, polystyrene foam, nails, etc.) must not be left anywhere in easy reach for children because the packaging materials could potentially cause a hazard. To safeguard the environment, all packaging materials are environment-friendly and recyclable.
- If there any questions about the operation procedure & the safety instruction of this water heater, contact MODENA Customer Care.
NAME OF PARTS
GI 6A V

GI 0632 V

Characteristics and Usage
This gas instant water heater can supply hot water quickly and continuously, so it is suitable to provide hot water bathing, washing and another cleaning. This type of water heater includes the following features:
Simple Operation
- Ignition: Only by turning on the hot water valve, the heater will ignites at once, and hot water flows out immediately.
- Extinguishment: Only by turning off the hot water valve, the hot water will stop to flow at once, and the flame extinguishes immediately.
- Setting: Both the temperature of the water and the fire can be adjusted as needed.
Advanced Design
- Possessing the excellent low-water-pressure starting function.
- Designed and manufactured with high technology.
- Designed as an up-to-date appliance model with thin structure and small volume.
- Can be used conveniently with the ignition device that is automatically integrated with a water pressure controller.
Keeping Safe and Reliable
- Equipped with Water Control Automatic Ignition that ignites automatically. In case of the fire goes out unexpectedly, the gas supply will be cut off within one second.
- Safety devices are completed and reliable, including several protections for over-low water pressure, slow ignition, freezing, unsteady water flow, unexpected extinguishment, etc.
INSTALLATION
Installation Requirement
The installation and use of the water heater greatly affect on the user’s safety. Therefore, please pay attention to the following instructions:
- The water heater should be installed in a well-ventilated place out of the bathroom.
- Use the proper gas based on the nameplate of the water heater (look forward to the table specifications).
- Before installing this water heater, use gas exhaust pipe and install it strictly according to the picture shown below.
- The exhaust fan should be Air Hole on Brick Wall installed on the wall or over a window of the room Air Inlet in which the cross-section (wall) must not be less than 0.02 m for the air ventilating area. Please see the illustration above and the following matters:

- For the sake of user safety, the smoke exhaust duct must be fitted to other parts as shown in the left side picture.
- The water heater should be installed in a well-ventilated place outside the bathroom.
- This water heater must matches to the exhaust pipe with Ø 110 mm size.
- The heat insulation (flameproof) plate should be 100 mm larger than the size of this water heater (in each side).
- The water heater must not be installed in a place near the flammable objects. All the required distances for installation are shown below:

- Do not install the water heater near to the exhaust holes of air conditioner.
- Do not install the water heater under a dangerous shelf, nor near curtain and the other flammable things.
- Do not store or use the flammable objects or materials in the room where the water heater is used.
- Do not put the water heater in a dusty place.
- There should be no any electric cord or other electric appliances near or over the water heater. The distance between the water heater and other electric appliances should be more than 300 mm.
Water Heater Body Installation
- The installation height: it is the best that the flame observation window of the water heater is on the same level with human eyes.
- Installation: drill holes on the wall with the distance as shown in the picture below, and install the bracket along with the screw or hook bolt in the upper part.Hang the water heater on the installed bracket and hook bolt by the holes in the backside of the water heater (2 holes in the middle-upper part and the other 2 holes in the middle-lower of the water heater).

Cold Water Pipe Connection
- G ½threaded pipe should be used.
- Before the installation process, please pay attention to the water pressure. The water pressure will turns on or turns off the gas valve automatically. Make sure the minimum of water pressure is 0.015 MPa. If the pressure of the water supply is less than 0.015 MPa, the water heater will not wok normally.
- When connecting the water inlet, the metal hose and rigid pipe are needed to be used. The control valve (the main valve of the water supply) must be installed in front of the water inlet pipe.

Hot Water Pipe Connection
- Use G ½ threaded pipe.
- The length of the hot water inlet pipe should be as short as possible.
- The hot water supply pipe can be connected with metal hose or rigid pipe, (as shown in the picture below). The rigid pipe is used because the hot water pipe will be heated and under pressure, so the aluminum pipes and plastic pipes are not suitable; while the zinc-coat pipe will get rusty sometimes. The oxygen-free copper pipe and stainless steel pipes are better if the long-distance supply is needed. A control valve or tap is best installed in front of the hot water outlet pipe.

- If the installation position of the hot water outlet valve is higher than the appliance, the water will not be able to wholly flow out, so another valve should be installed in a lower position than the appliance.

Gas Pipe Connection
- The connection of the gas inlet pipe should use G ½ threaded tube.
- When liquidated petroleum gas (LPG) is used, first connected the gas inlet hose joint (in the accessory package) to the gas supply pipe joint of the water heater. A rubber seal ring must be fitted up . Then, connect it to a special gas rubber hose with Ø9.5 mm inner diameter. Connect each one of the hosen ends onto the pressure reducer of a liquidated gas tank, while connecting another end covers hose to the gas inlet of the water heater. Then, tighten both ends with pipe clips.
- The diagrammatic picture about the connection of all pipes is shown below:


Battery Installation
This water heater uses two batteries with R20S type and D1.5V size. During the installation, open the cover of battery box first; install the batteries according to the positive and negative poles; then, re-cover the box.
NOTE
T tighten the batteries fast unless they would fa ll down.
HOW TO USE
Water Flow Trial
Turn off the gas switch, fully open the cold water valve and hot water valve. If cold water flows out of the hot water valve, close both hot and cold water valves.

Supplying Hot Water
- Turn on the gas switch.
- Open the valves of both cold and hot water supply lines. The burner ignites at once, and the hot water will flows out. If the pressure of the water supply are too low, then turn the water volu controller knob to high (maximum) position.
- Hot water temperature adjustment

- By rotating the water volume controller knob; you can get different water pressure that causes the different water temperatures. When the water Controller v
- By rotating the water temperature controller knob, the fire volume in the burner can be set, so you can control the water temperature.
- By adjusting the water volume controller knob and temperature controller knob, the user can get the more economically proper temperature and amount of hot water.
- Close the water supply valve, and then the flame on the burner will extinguish at once.
NOTE
Before going out or going to bed, the gas switch must be turned off!
- Wait for 5 seconds or more to turn on the water heater afterturning it off at once.
Note in Using the Gas Instant Water Heater
Gas Leakage Prevention
The gas switch must be shut off after use.
Fire Prevention
- Do not store the flammable and volatile objects around the water heater.
- Do not put flammable objects such as towels and cloth on the exhaust hole or air inlet.
- Strongly forbid to go out or go to bed when the water heater is still turning on.
Scald Prevention
- During the use of the water heater, adjust first the temperature of the hot water that is about to flows out and is exposed on the human skin to avoid scald.
During or after the use, the temperature of the water heater is rather high, especially the dust-proof cover and observation windows. Do not touch any parts except the knob.
Assure the Air Circulation in a Good Condition
- The water heater must be installed and used in a well-ventilated place outside bathroom. During use, the exhaust fan should be operated to assure the air ventilation in a good condition.
- To assure normal air circulation, do not block the air supply pipe or the exhaust holes.
Accident Prevention
- When you smell the odor, turn off the gas supply switch at once; open the door and windows to let the gas out. At this time, do not turn on any electric switches or any tools that make any fire or spark. After that, find the problem and contact MODENA Customer Care.
Handle the Abnormal Burning and Other Emergency
- In the case of abnormal burning or other emergency occurs, do not panic; immediately turn off the main gas switch.
- If an abnormal odor is detected during use, you should immediately stop using it, and contact MODENA Customer Care.
The Following Conditions are Normal (not Trouble)
- Minimum used water pressure: the gas valve of this water heater will be active according to the water pressure. If the water pressure is below than 0.015 MPa, the main burner cannot catch fire (turn on).
- Supplying hot water to several places: try not to supply the hot water to several places at one time. Otherwise, when several valves are turned on at the same time, the amount of flown water from a single valve will be lessened, sometimes even difficult to supply the hot water.
- White and turbid hot water: it is caused by a small air bubble formed in the water that makes the water seems white. The bubble is formed when the water is heated, and automatically the water pressure increase. When it flows out, the water pressure decreases quickly – creating a bubble that makes water seems white.
- Water drops appear on the exhaust valve: the exhaust valve (safety valve) at the bottom of the water heater also functions as a depressurization valve, so when the pressure of the water supply is higher than the assigned range, the water may flow out from it.
Cannot be Used as Drinking Water
- Because there is long-pending water within the heater, the supplied water cannot be used as drinking water. It is only for general use.
Using Hard Water
- When the hard water is used, the crust may appear within the water heater that causes the heat efficiency to decrease. To clean the appliance up, you can do as following: after using the hot water, turn off the gas valve; drain all the hot water in the heater out; and when the cold water flows out from the hot water valve, turn off the inlet cold water valve.
Treatment when the Safety Valve Operates
- A safety valve is installed within this water heater. When the fire extinguish unexpectedly, the electromagnetic valve will automatically cut off the gas circuit, so the gas leakage will not occurs.
NOTE
If the fire often extinguishes during use, there may be some defects. Please contact MODENA Customer Care.
MAINTENANCE
- This gas instant water heater must be checked by professionals every 6-12 months. Parts of the water heater that need to be checked are in the following:
Seal of the gas and water track system.
The flexibility of the water and gas piping connection.
Functions of all the operating parts.
Burner of the flame (for combustion).
Air loading and releasing/relief system inside of the room where the water heater is installed.
Gas pressure reducer.
Apply the lubricants to the gas valve and on its middle part. - Parts of water heater that must be cleaned by professional:
Filter at the edge of the water supply line to prevent congestion.
Carbon crust on the buckled part of the heat exchanger.
The disturbing carbon accumulation and oxidation layer in the igniter - Water heater maintenance by the user :
Clean off the dirt and dust accumulation on the surface of the water heater with the cloth regularly. Do not use chemicals that can change the color of the surface.
Clean off the dust and the carbon accumulation inside of the ventilation pipe and the heat exchanger regularly to smooth out the smoke line.
NOTE
Remove the ventilation pipe; and clean the heat exchanger part with a soft brush. During the cleaning, do not let the dirt and dust enter the fire hole of the burner and also into the part of electric tools. Do not eliminate or damage the tools. When re-install ventilation pipe after cleaning, make sure to fasten all parts of the connector.
TROUBLESHOOTING
| Problem | Possible Cause | Recommended Actions |
| Over-high water pressure. | If the water pressure exceeds 0.5 MPa, the water outlet valve will release the water and lower the water pressure. | Increase the limit of the valve pressure in accordance with the local water supply pressure. |
| The water heater automatically turns off after 20 minutes continuous operation. | After it has been used for 20 minutes, the water heater will turns off automatically | Turn on the water heater again after 5 seconds. |
| Over-low water pressure. | If the water pressure is under 0.015 MPa, the water heater cannot be turned on. | Use the water heater after the pressure is higher. |
|
Low battery. | The battery power will reduce after some time of use, so that the water heater cannot be turned on. |
Change the battery. |
| Excessive heat protection. | Water heater will turn off automatically when the temperature is above 77 o C. | Turn on the water heater again after the water becomes cold. |
SPECIFICATION
| Model | GI 6A V | GI 0632 V |
| Type | Instant | Instant |
| Color | Silver | Dark Silver |
| Heat Source | LPG | LPG |
| Exhaust type | Flue style | Flue style |
| Rated hot water capacity | 6 L | 6 L |
| Battery D1.5V | 2 pcs | 2 pcs |
| Installation | Vertical | Vertical |
| Thermostat | Double | Double |
| Suitable water pressure | 0.015 MPa-0.8 MPa | 0.015 MPa-0.8 MPa |
| Cool water connection | G½ tube | G½ tube |
| Hot water connection | G½ tube | G½ tube |
Specifications of this appliance may change without notice to improve the quality of the product. Pictures in this manual are schematic and may not match your product exactly. Values stated on the machine labels or in the documentation accompanying it are obtained in laboratory in accordance with the relevant standards. Depending on the operational and environmental conditions of the appliance, values may vary.
APPENDIX
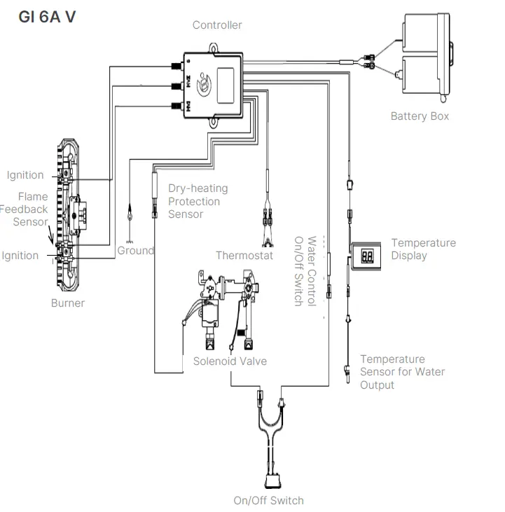
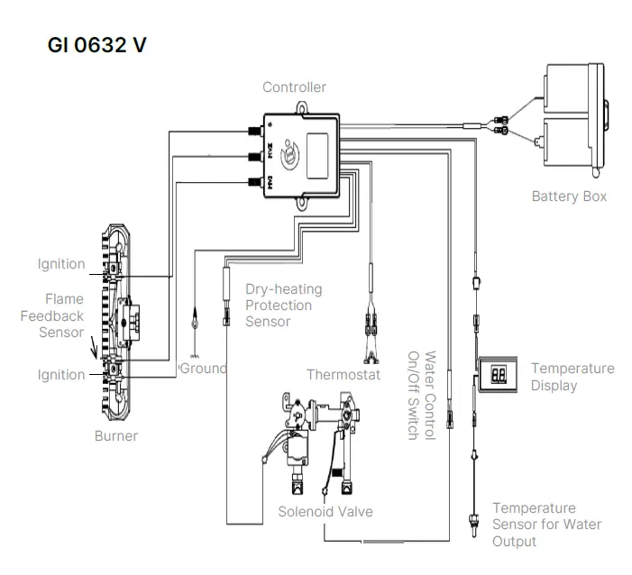
WIRING DIAGRAM
GI 6A V

GI 0632 V

HOW TO USE


















