Dy-con FS17B Floor Scrubber

Please read this manual carefully and make sure fully understand before using. Please keep this Manual for future reference.
Summary
Note: please read this manual carefully before operating.
FS17B / C folding mini floor scrubber is a kind of hard floor fast cleaning machine, specially designed for small and medium-sized places. It has all the functions of a conventional floor scrubber. The device is more compact, and it is convenient to work in less spacious areas. It is a good helper for cleaning small supermarkets, shops, restaurants and other places. The machine integrates the functions of floor washing and floor drying, and the floor can be cleaned only once. The machine is usually used indoors, unsuitable for rain use. It is strictly forbidden to use the device to collect dangerous dust or flammable liquid in a flammable and explosive environment. In addition, the machine is not a transportation tool.
Summary of safety issues
Note: please read this manual carefully.
- Be familiar with all design, control methods and functions of this machine before starting work.
- For first time using, operator should place it in an open area to understand its various functions.
- Before starting any operation, check whether the machine and its parts are in normal condition.
- If the machine is not working normally, it can not be used.
- The operator can only use the machine for hard floor cleaning, not for other purposes.
- Pay attention to the obstacles in the workplace, such as stairs and shelves, and pay attention to the surrounding people, especially children.
- Use the appropriate detergent (only use the detergent according to the detergent manufacturer’s instructions, proper dosage and limit requirements when using the detergent for floor scrubber.)
- Only properly trained personnel use the right tools to maintain and repair the floor washer.
- Turn off the power or remove the battery when cleaning or maintaining the machine.
- It is forbidden to use high-pressure water or steam equipment to clean the machine.
- Do not allow water into electrical components.
Warning
- Washing powder or detergent should not be used as cleaning agent to join the machine. They will remain on the floor and produce a lot of bubbles in the machine, which will directly damage the suction motor, this kind of damage is not within the scope of warranty.
Note: it is forbidden to use this machine to clean flammable liquid, solvent, fuel oil, active metal water vapor or combustible dust.
Technical parameter

Machine packing

The machine adopts special packaging which is convenient for forklift loading and unloading, wooden pallet + cardboard box, and can not be heavy load and impacted.
Packing dimension
- Length: 890mm
- Width: 630mm
- Height: 770mm
Instruction for use
Control handle diagram:

- angler pull rod: the angle of handle can be adjusted when pulling up, and it can be positioned at a certain angle after releasing.
- power switch
- suction motor switch
- brush motor switch
Folding handle operation

- Adjust the handle angle, first please lift the operating lever upward.
- When the handle is adjusted to a proper position, release the operating lever.
- Do not pull the operating lever or the operating lever does not pull in place, forcibly pull the handle, all these will cause damage to the handle!
Rear view of machine

- 5 Battery power indicator (red)
- 6 Battery power indicator (yellow)
- 7 Battery power indicator (green)
- When the red, yellow and green lights are on, it means that the electricity is sufficient.
- When the green light is off and the red and yellow lights are on, it means that the power consumption has been more than half.
- When the red indicator light is on and flashing, it means that the power is insufficient, so it should be charged in time.
- 8 water adjustment knob
- 9 charging port
Machine head view

- 10 12 Balance adjusting screw–When the machine is working, it can be adjusted when there is an obvious deviation to the left or right, for example, when the loss of new brush bristles is about 1 / 3, the machine will run to the right. At this time, the screw 12 should be adjusted appropriately, then adjust screw 10, until it’s balanced. To reversed adjust to change brush.
- 11 Supporting plate adjusting screw — it is used to adjust the machine when it is hard to push forward or when it runs forward too fast.
Maintenance
Daily maintenance
- Remove the pad holder/ brush and clean with a specific detergent.
- Drain the water in the solution and recovery tank, and rinse with clean water. Check whether there are debris in the recovery tank, if any, please remove them immediately.
- Lift the squeegee away from the floor and wipe the rubber with a wet towel.
- Remove the vacuum suction filter screen device and rinse with water.
- Clean the machine with a specific cleaner.
- Charge the battery.
- Check whether the rubber edge is sharp. If it is damaged, please replace it.
Monthly maintenance
- Check that the top of the battery is clean to prevent corrosion.
- Check whether the battery connecting wire is loose or corroded.
- Check the sealing strip of the recovery tank cover. If it is damaged, please replace it.
- Lubricate all lubricating parts and shafts with special lubricating oil.
- Check that the machine fasteners are loose.
- Check the tank is leakage.
Motor maintenance
- Please contact the floor scrubber manufacturer.
- Check the motor carbon brush after every 250 hours of use. If the carbon brush is seriously worn, please contact the manufacturer for replacement.
Battery maintenance
- Please follow the battery charging section in the operation manual.
- The top of the battery and the electrode must be protected against corrosion.
- Regularly check whether the battery connecting wire is worn and whether the contact is loose. If necessary, please replace it.
Machine storage
- Store indoors and in a dry place.
- Store upright.
- Lift the brush away from the floor.
- Lift the squeegee assembly off the floor.
- Keep the machine completely dry before storage in a cold place.
- Drain the recovery and solution tank.
Common faults and treatment methods


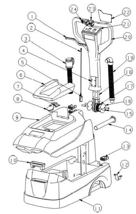
Parts


Contact
TOOLOTS American warehouse:
- 16300 Shoemaker Ave. Cerritos, CA 90703
TOOLOTS Houston warehouse:
- 2523 Fairway Park Dr #510, Houston, TX 77092
- https://www.toolots.com
- Dycon Cleantec Co.,Ltd.


















