CAT C20E Walk-Behind Corded Auto Floor Scrubber

WARNINGS
PLEASE READ THE INSTRUCTIONS CAREFULLY PRIOR TO USING THIS PRODUCT.
WARNING – to reduce the risk of fire, electrical shock, and/or injury/damage to persons or property:
- DO NOT operate the machine unless trained and authorized.
- This unit must be plugged into a 3-prong grounded outlet.
- DO NOT use flammable materials in the tank or as a cleaning agent in the machine.
- DO NOT use the machine to clean up flammable or combustible spills.
- Always turn off and unplug the machine prior to setting up the machine, performing routine maintenance, or when not using the machine.
- DO NOT operate the unit if the cord/plug is damaged.
- DO NOT place objects on the unit or allow objects to obstruct the inlets or outlets.
- DO NOT expose unit or power cord to moisture.
- DO NOT attempt to fix the machine by yourself. All repairs must be made by authorized personnel.
- DO NOT modify the machine.
- DO NOT touch moving parts. DO NOT wear loose fitting clothing while using or servicing the machine.
- DO NOT operate on inclines.
- DO NOT use an extension cord.
- DO NOT use your fingers to remove debris from the squeegee rubber blades, as injuries may occur.
- Foam must not enter the float shut-off screen, or damage can occur to the vacuum motor. Foam will not activate the machine’s float shut-off device.
- This machine is intended for commercial and indoor use only.
- Empty the Solution and Recovery tank before storing the machine.
- Always empty Recovery tank before filling solution tank.
- Store the machine indoors only.
TECHNICAL SPECIFICATIONS
| Cleaning width | 20” |
| Squeegee width | 30.7” |
| Work capacity | 18800sq.ft/hr. |
| Brush pressure | 99.2lbs |
| Brush RPM | 180 |
| Brush motor | 120V/375W/6.25Amp/60HZ |
| Suction motor | 120V/1200W/10Amp/60HZ |
| Solution tank | 11.9 gallon |
| Recovery tank | 14.53 gallon |
| Machine dimensions(Excluding squeegee) | 46” x 21.5“ x 38.39 “(L x W x H) |
| Packing size | 50.47” x 26” x 45.67”(L x W x H) |
| Cord | 12AWG ST Cord, 82ft with GFCI plug |
| Total Weight (Machine and Charger) | 253 lbs. |
| Replacement Parts | |
| Model # | Item |
| 262000 | Front Rubber Squeegee Blade |
| 262001 | Rear Rubber Squeegee Blade |

MACHINE COMPONENTS
- Recovery tank cover
- Body/Solution Tank
- Solution Tank Cap
- Head Assembly
- Rubber Skirt
- Pad Driver/Brush
- Solution Tank Filter
- Water Flow Lever
- Recovery Tank Drain
- Water Level Indicator
- Power Cord
- Squeegee Assembly
- Vacuum hose
- Head Assembly Pedal
- Squeegee assembly Lever
- Pad/Brush ON/OFF button
- ON/OFF Key
- Vacuum ON/OFF button
- Vacuum hole
- Recovery tank
- Vacuum Intake
MACHINE SET UP
Package Contents:
- Machine
- Squeegee Assembly
- Pad Driver/Brush
Machine Set-up/Operation Prior to each use:
- Always plug into grounded outlet rated 120V/60Hz.
- Check that squeegee assembly is properly installed.
- Check that Pad Driver is properly installed.
- Ensure the working surface can support the weight of the machine.
- Always close Recovery Tank cover fully before use.
GFCI (Ground Fault Circuit Interrupter) plug 
- Connect the GFCI plug to the wall outlet.
- Press the “Reset” button. The plug indicator light will turn on. Then press the “Test” button. The indicator light will turn off with a “click” (trip) sound. The power is now off.
- Then press the “Reset” button again. The plug indicator light will turn on. The power is now on.

- Confirm that the power cord plug and the GFCI plug are locked by the plug lock before using the machine. The GFCI is ready to be used.
SQUEEGEE ASSEMBLY INSTALLATION
- Disconnect the power.
- Loosen the 2 knobs on the squeegee assembly.
- Connect the vacuum hose to the vacuum hole in the squeegee assembly.
- Align the knobs with the slots and tighten the knobs.
PAD DRIVER/BRUSH INSTALLATION
WARNING – The Pad Driver has sharp hook and loop-type surface grips for attaching scrubbing pads. Wear leather work gloves while setting up the Pad Driver/Brush.
- Turn the Key to the OFF position and disconnect the power cord from a power source.
- Attach Scrubbing Pad to the Pad Driver if Pad Driver is used.
- Place the Pad Driver/Brush under the head assembly.
- Lower the Pad Driver/Brush Head Assembly to the floor by stepping on the Head Assembly Foot Pedal, guiding the pedal to the left, and letting it rise up to disengage it.
Remove your foot from the pedal. - Line up three studs on top of the Pad Driver/Brush to the holes on the head assembly. Lift up the Pad
Driver/Brush to insert the three studs into the holes of the head assembly and turn clockwise to lock them. - Power on the machine by connecting the power cord to a power source and turning the Key to the ON position.
- Turn on the Pad Driver/Brush with the pad driver/brush button so that the Pad Driver/Brush locks in completely.
- To remove the Pad Driver/Brush, disconnect the power and wiggle the pad driver/brush back and forth clockwise/counterclockwise until it becomes loose.

Guide pedal to this position to raise the Pad Driver/Brush Head off floor. Guide pedal out of this position to lower the Pad Drive/Brush Head.
SOLUTION TANK
Remove the solution tank cap and fill with clean water for regular cleaning. Contact
Global Industrial (1-800-645-1232) for recommendations on proper cleaning solutions for dirtier surfaces. Check water level indicator for water level.
SQUEEGEE RUBBER BLADE REPLACEMENT
Remove the squeegee assembly from the unit (refer to squeegee assembly installations). Unlock the spring lock and slide out the blades. Replace with new blades and re-assemble.
OPERATION
WARNING – Ensure scrubbing pads are attached before using the pad driver to avoid scratching the floor.
- Turn the Key to the ON position.
- Lower the Pad Driver/Brush Head Assembly to the floor by stepping on the Head Assembly Foot Pedal, guiding the pedal to the left, and letting it rise up to disengage it. Remove your foot from the pedal.
- Lower the Squeegee Assembly by lowering the squeegee assembly lever.
- Press the Vacuum ON/OFF button to turn on the Vacuum.
- Press the Brush ON/OFF button on to turn on the Brush.
- Set the yellow Water Flow Lever to the horizontal position to allow water to flow.

- When finished, turn off both the Brush and Vacuum buttons.
- Raise the Pad Driver/Brush Head Assembly from the floor by stepping on the Head Assembly Foot Pedal, guiding it to the right, and letting it rise up to engage it.
- Raise the squeegee assembly by raising the squeegee lever.
Machine Storage
- Store the machine indoor in a dry location.
- Always store the machine with the squeegee and pad/driver raised off the floor.
- Always drain the solution and recovery tank fully before storing, especially when storing in a cold location.
DAILY MAINTENANCE
WARNING
Before performing any maintenance on the machine, make sure that the power is turned off or the batteries are disconnected. Repairs are to be completed by authorized service centers only.
- Wipe the whole machine with clean/damp cloth.
WARNING – Check local regulations for properly disposing wastes before emptying tanks.
- Empty the solution tank by opening the Solution Drain Plug located at the bottom-left corner of the back of the machine.
- Empty the recovery tank by removing the Recovery Tank Drain Hose from the hook on the back of the machine and opening the hose lid. Rinse out the Recovery Tank with clean water.
- Remove the Pad Driver/Brush and Squeegee Assembly and clean with clean water.
- Remove the Shut-off Float and rinse with water. Ensure there is no foam in or on the float.
MONTHLY MAINTENANCE
- Flush out solution tank with clean water.
- Remove the clear cap and the solution tank filter. Clean the filter with clean water.
- Clean rubber skirt on the brush head assembly by removing the spring lock.
- Turn on and off the Pad/Brush and Vacuum motors to ensure the motors are still working properly.
TROUBLESHOOTING
| Problem | Cause | Solution |
| No Power | · Unit not plugged in. · Tripped circuit breaker. | · Plug in the unit. · Reset the circuit breaker. |
| Little or no solution flow | · Water flow tap closed. · Clogged solution tank filter. · Empty solution tank. | · Open water flow tap. · Clean solution tank filter. · Fill the solution tank. |
| Poor water pickup | · Squeegee Assembly is not lowered.
· Squeegee clogged.
· Squeegee blades worn. · Squeegee not mounted correctly.
· Vacuum hoses have a hole or are loose.
· Vacuum hose may be clogged. · Drain hose stopper is loose. · Recovery tank is opened.
· Recovery tank is full · Float shut off is clogged
· Vacuum motor is loose | · Lower the Squeegee Assembly by pulling the Squeegee Assembly Lever down towards the floor. · Clean debris off squeegee with a damp towel. · Install new squeegee blades. · Confirm that the squeegee assembly is securely fastened to the machine and isn’t loose.
· Check hose connections and make sure they are tight. Replace hose if damaged. · Check hose for debris and remove any clog. · Tighten the drain plug. · Ensure the clear recovery tank lid is securely in place
· Drain recovery tank · Remove float shut off from inside recovery tank and remove any debris · Tighten the vacuum motor mounting screws. DO NOT overtighten the screws as this could damage the machine. |
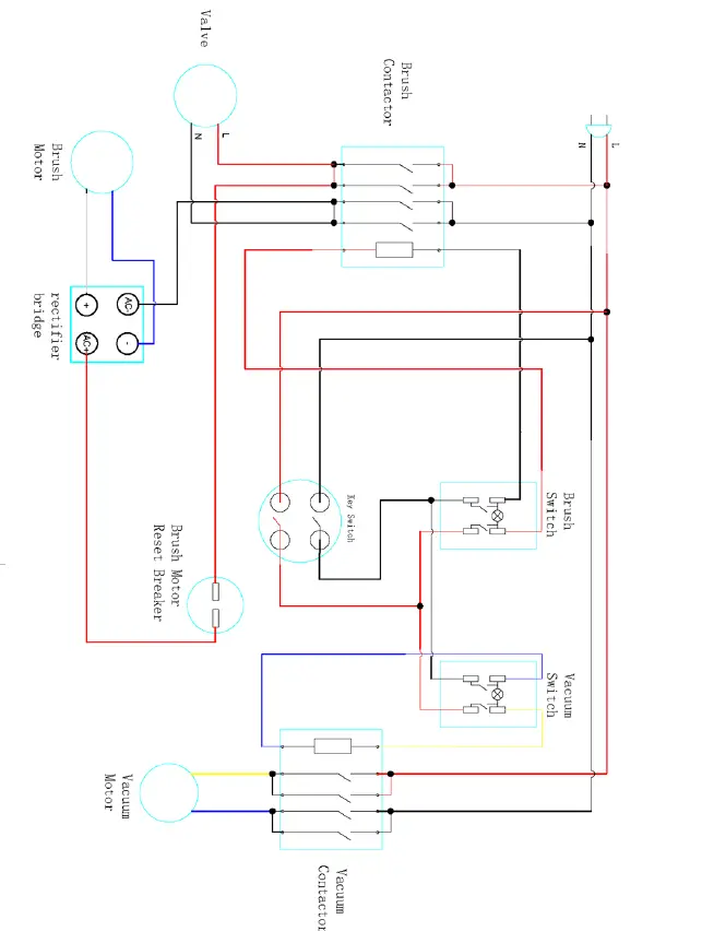
Wiring Diagram
WARRANTY
GLOBAL EQUIPMENT COMPANY INC. FLOOR CARE EQUIPMENT LIMITED WARRANTY
Global Equipment Company Inc. (DBA Global Industrial) (“Global”) hereby warrants to you, the original purchaser and end user (“you” or “your”), that the product that you purchased which accompany this Limited Warranty (“Product”) shall be free from defects in materials and workmanship under normal use consistent with the accompanying documentation for the specified warranty duration set forth below and commencing upon the date of purchase (the “Warranty Period”):
| Product | Plastic Housing | Motor | All Other Parts | Battery | Labor | Travel |
| Electric Corded Floor Scrubbers | 8 Years | 2 Years | 1 Year | n/a | 1 Year | 6 Months |
| Battery Operated Floor Scrubbers | 8 Years | 2 Years (or 2000 hrs.) | 1 Year (or 1000 hrs.) | 1 Year | 1 Year | 6 Months |
| Ride-On Battery Operated Floor Scrubbers & Sweepers | 8 Years | 2 Years (or 2000 hrs.) | 1 Year (or 1000 hrs.) | 1 Year | 1 Year | 6 Months |
WARRANTY SERVICE
Pursuant to this Limited Warranty, Global will, at its option, (i) repair the Product using new or reconditioned parts or (ii) replace the Product with a new or reconditioned product. For warranty service, you must first contact Global, by telephone at (800) 645-2986 (US) or (888) 645-0878 (Canada) to confirm that such Products are covered by this Limited Warranty.
Repaired and replaced Products shall be subject to the balance of the Warranty Period otherwise applicable. Any reconditioned parts used by Global shall be subject to all the same provisions as otherwise applicable to new parts.
If Global determines that you should return a Product, you shall obtain from Global a return materials authorization (“RMA”) number and shipping instructions prior to any shipment of such Product to Global, and you must include such RMA number with any corresponding Product shipment, along with a true and correct copy of the original receipt showing the date of Product purchase by you, and a detailed, written description of any associated Product problems.
Please note that you are responsible for all shipping charges incurred in returning a Product for exchange or repair. For one year from date of purchase, Global shall pay for return shipping of repaired and/or replaced Products to addresses within the continental United States and Canada only. If Global determines that any Product is not covered by this Limited Warranty, you must pay all parts, labor charges and return shipping for such Product.
THE FOREGOING DESCRIBES THE SOLE LIABILITY OF GLOBAL, AND YOUR SOLE REMEDY, FOR ANY BREACH OF THIS LIMITED WARRANTY.
WARRANTY EXCLUSIONS AND LIMITATION OF LIABILITY
This Limited Warranty does not cover (i) defects or damages resulting from acts of God, casualty, freight damage, accident, misuse, abuse, negligence, overloading, usage of non-approved chemicals or cleaning agents, engine oil and pump lubricant, modification, service or repair by other than Global or its independent third party service providers; (ii) any Product for which the serial numbers have been removed, modified or defaced.; (iii) normal wear and tear; (iv) damage to or loss of repaired or replaced products during shipping by Global except when such damage or loss is caused by poor or inadequate packaging by Global; or (v) products purchased or transported or exported outside the continental United States or Canada. For the avoidance of doubt, this Limited Warranty shall be null and void for any product exported or transported outside the continental United States and Canada.
UNDER NO CIRCUMSTANCES WILL GLOBAL BE LIABLE FOR ANY LOSS OF USE, INTERRUPTION OF BUSINESS OR ANY INDIRECT, SPECIAL, INCIDENTAL, PUNITIVE OR CONSEQUENTIAL DAMAGES OF ANY KIND (INCLUDING LOST PROFITS) REGARDLESS OF THE FORM OF ACTION WHETHER IN CONTRACT, TORT (INCLUDING NEGLIGENCE), STRICT PRODUCT LIABILITY OR OTHERWISE, EVEN IF GLOBAL HAS BEEN ADVISED OF THE POSSIBILITY OF SUCH DAMAGES. IN NO EVENT SHALL THE TOTAL LIABILITY OF GLOBAL HEREUNDER EXCEED THE GREATER OF $50 OR THE AMOUNT YOU ACTUALLY PAID FOR THE PRODUCT GIVING RISE TO SUCH LIABILITY, REGARDLESS OF THE CAUSE OF ACTION, IN CONTRACT, TORT, STRICT LIABILITY OR OTHERWISE. NOT ALL JURISDICTIONS ALLOW SUCH LIMITATIONS OF DAMAGES SO THE FOREGOING LIMITATIONS MAY NOT APPLY TO YOU.
WARRANTY DISCLAIMER AND LIMITATIONS
EXCEPT AND TO THE EXTENT EXPRESSLY SET FORTH ABOVE THERE ARE NO WARRANTIES, EXPRESS OR IMPLIED, INCLUDING BUT NOT LIMITED TO, ANY WARRANTIES OF MERCHANTABILITY OR FITNESS FOR A PARTICULAR PURPOSE AND GLOBAL EXPRESSLY DISCLAIMS ALL WARRANTIES NOT STATED HEREIN.
EXCEPT AND TO THE EXTENT EXPRESSLY SET FORTH ABOVE, THE PRODUCTS ARE PROVIDED ON AN “AS IS” BASIS, AND GLOBAL MAKES NO ADDITIONAL WARRANTIES, EXPRESS, IMPLIED, ARISING FROM COURSE OF DEALING OR USAGE OF TRADE, OR STATUTORY, AS TO THE PRODUCTS OR ANY MATTER WHATSOEVER. THIS IS A LIMITED WARRANTY AND IS THE ONLY WARRANTY MADE BY GLOBAL. THE AGENTS, EMPLOYEES, DISTRIBUTORS, AND DEALERS OF GLOBAL ARE NOT AUTHORIZED TO MAKE MODIFICATIONS TO THIS LIMITED WARRANTY, OR MAKE ADDITIONAL WARRANTIES BINDING ON GLOBAL. ACCORDINGLY, ADDITIONAL STATEMENTS SUCH AS DEALER ADVERTISING OR PRESENTATION, WHETHER ORAL OR WRITTEN, DO NOT CONSTITUTE WARRANTIES BY GLOBAL AND SHOULD NOT BE. ALLOW SUCH WARRANTY LIMITATIONS SO THE FOREGOING LIMITATIONS MAY NOT APPLY TO YOU.
CHOICE OF LAW AND JURISDICTION
FOR PURCHASES WITHIN THE CONTINENTAL US -This Limited Warranty shall be subject solely to the laws of the State of New York as applied to contracts entered into in the State of New York between New York residents. Any dispute arising hereunder shall be subject to the sole jurisdiction of the State and Federal Courts located in Nassau County, New York. The parties hereby consent to the personal jurisdiction of such courts.
FOR PURCHASES WITHIN CANADA – This Limited Warranty shall be subject solely to the laws of the Province of Ontario. Any dispute arising hereunder shall be subject to the sole jurisdiction of Ontario, Canada. The parties hereby consent to the personal jurisdiction of such courts.
GLOBALINDUSTRIAL.COM 1-800-645-1232
© 2021 Caterpillar. All rights reserved. CAT, CATERPILLAR, LET’S DO THE WORK, their respective logos, “Caterpillar Yellow”, the “Power Edge” and Cat “Modern Hex” trade dress as well as corporate and product identity used herein, are trademarks of Caterpillar and may not be used without permission. Global Industrial™ a licensee of Caterpillar Inc.






















