Cistermiser VST Vecta+ Sensor Tap

Product Information
Vecta+ Sensor Taps Installation Guide
This guide provides information on the installation and usage of the Vecta+ Sensor Taps.
Supplied Parts
- Tap Body
- *3.5 lpm Nozzle – Blue (pre-fitted)
- Aerator Housing
- *5 lpm Nozzle – Orange
- Aerator Gasket
- Fixing Rod
- Fixing Plate
- White Fixing Gasket
- Fixing Rod Nut
- Tap Body O-ring
- Inlet Hose
- Control Box
- Control Box mounting bracket
- Power Transformer
- Mounting Screw x 4
- Wall fixing x 4
- Sticky Pad (Power Transformer)
Optional Extras
- Copper inlet tube
- Multi-product power supply unit (PSUC)
- Low flow rate options include one flow regulator.
Product Usage Instructions
Installation
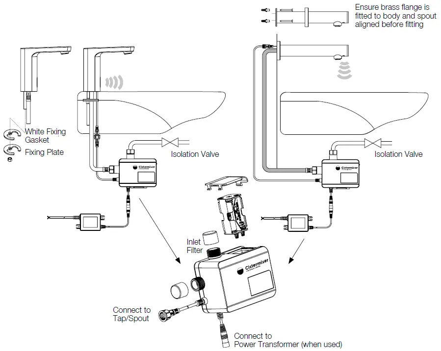
Single Vecta+ Sensor Tap
The tap can be mounted on any horizontal surface 10-40mm thick. It requires a hole of 28-32mm in diameter.
Single Vecta+ Sensor Spout
A spout can be mounted on a secure vertical surface. It requires a hole of 26-32mm diameter. Ensure brass flange is fitted to body and spout aligned before fitting.
Single Vecta+ Sensor MixerTap
The tap can be mounted on any horizontal surface 10-40mm thick. It requires a hole of 28-32mm in diameter.
Battery Powered
- Battery Pack
- Check Valve Inlet Filter
- Isolation Valve
- White Fixing Gasket Fixing Plate
- Power Transformer
Mains Powered
- Check Valve Inlet Filter
- Isolation Valve
- Power Junction Cable
Changing the nozzle
Use the nozzle tool (Vecta+ Sensor Spout) or a 22mm spanner (Vecta+ Sensor Tap) to unscrew the 3.5 litre (blue) nozzle. Insert the 5 litre (orange) nozzle and tighten until flush with tap body; no part should be protruding from the end of the tap. Ensure the nozzle is not over-tightened as this may pinch the O ring and cause the tap to leak.
Contact Information
If you have any questions, please call our customer support team on 0118 969 1611 or visit our website at cistermiser.co.uk.
Introduction
Cistermiser’s Vecta+ infrared tap range offers internal valve configurations with the Vecta+ Sensor Mixer Tap, and external valve configurations with the Vecta+ Sensor Spout and Vecta+ Sensor Tap. The full range uses infrared technology which ensures maximum hygiene and water efficiency. The Vecta+ Sensor Tap and Vecta+ Sensor Mixer Tap are supplied configured with the 3.5 litres per minute laminar nozzle installed but also include a 5 litres per minute aerator. The Vecta+ Sensor Spout is supplied configured with the 3.5 litres per minute laminar nozzle installed but also includes a 5 litres per minute aerator.
Supplied parts
Vecta+ Sensor Tap
- Tap Body
- *3.5 lpm Nozzle – Blue (pre-fitted) 3 Aerator Housing
- *5 lpm Nozzle – Orange
- Aerator Gasket
- Fixing Rod
- Fixing Plate
- White Fixing Gasket
- Fixing Rod Nut
- Tap Body O-ring
- Inlet Hose
- Control Box
- Control Box mounting bracket
- 14 Power Transformer
- Mounting Screw x 4
- Wall fixing x 4
- Sticky Pad (Power Transformer)

Vecta+ Sensor Mixer Tap
- Mixer Tap Body
- *3.5 lpm Nozzle – Blue (pre-fitted)
- Aerator Housing
- *5 lpm Nozzle – Orange
- Aerator Gasket
- Fixing Rod
- Fixing Plate
- White Fixing Gasket
- Fixing Rod Nut
- Tap Body O-ring
- Inlet Hose x 2
- Inlet filter x 2
- Check Valve & fitting x2
- Power Junction Cable
- Battery box
- Battery box bracket
- Power Transformer
- Mounting Screw x 4
- Wall fixing x 4
- Sticky Pad (Power Transformer)
- Sticky Pad (Battery box)

Vecta+ Sensor Spout
- Spout Body
- 3.5 lpm Nozzle – Blue (pre-fitted)
- Aerator Key
- 5 lpm Nozzle – Orange
- Fixing Flange
- Fixing Cover
- Spout Fixing Screw x 3
- Inlet Hose
- Control Box
- Control Box mounting bracket
- Power Transformer
- Mounting Screw x 4
- Wall fixing x 7
- Sticky Pad (Power Transformer)

Installation
Single Vecta+ Sensor Tap
The tap can be mounted on any horizontal surface 10-40mm thick. It requires a hole of 28-32mm diameter.
Single Vecta+ Sensor Spout
A spout can be mounted on a secure vertical surface. It requires a hole of 26-32mm diameter.

NOTES:
- Flush pipework prior to installation
- Ensure filter in Control Box is clean
- Do not install opposite a mirror
- Minimum 0.5 Bar dynamic pressure
- Install an accessible isolating valve and TMV upstream of the tap
- IMPORTANT. Prior to marking and drilling fixing holes for the Vecta+ Sensor Spout, installers must Assemble ‘Fixing Flange’ (5) and ‘Fixing Cover’ (6) to the spout to ensure the Spout is aligned when secured to a wall.
How to change the nozzle
Use the nozzle tool (Vecta+ Sensor Spout) or a 22mm spanner (Vecta+ Sensor Tap) to unscrew the 3.5 litre (blue) nozzle. Insert the 5 litre (orange) nozzle and tighten until flush with tap body; no part should be protruding from the end of the tap. Ensure the nozzle is not over-tightened as this may pinch the “O” ring and cause the tap to leak.
Single Vecta+ Sensor MixerTap
The tap can be mounted on any horizontal surface 10-40mm thick. It requires a hole of 28-32mm diameter.

NOTES:
- Flush pipework prior to installation
- Ensure filters in hoses are fitted and clean
- Do not install opposite a mirror
- Minimum 0.5 Bar dynamic pressure
- Install an accessible isolating valve and TMV upstream of the tap
- Ensure electrical connections correlate to their matching colours. i.e. black to black or red to red
- Ensure pre-fitted filter is retained within flexible hose – the tap’s perfromance will be reduced without the filter
How to change the nozzle
Use a 22mm spanner to unscrew the 3.5 litre (blue) nozzle. Insert the 5 litre (orange) nozzle and tighten until flush with tap body; no part should be protruding from the end of the tap. Ensure the nozzle is not over-tightened as this may pinch the “O” ring and cause the tap to leak.

Power connections
CAUTION:
Risk of electric shock. Isolate supply before working on wiring.
Vecta+ Sensor Tap and Vecta+ Sensor Spout
If using the battery case, remove battery lid and battery compartment from the control box. Fit 4 Alkaline AA (LR-6) batteries as indicated. Replace the battery compartment in the control box and replace the lid.
If using the mains power, connect the power transformer to the control box. Secure the power transformer in a dry location using screws or sticky pad provided and connect the un-terminated mains cable to a 230V AC supply via a fused spur.
Both batteries and mains power can be connected at the same time to provide battery backup in the event of loss of power.

Vecta+ Sensor Mixer Tap
If using the battery case, remove battery compartment lid and fit 4 Alkaline AA (LR-6) batteries as indicated and replace the lid. Mount the battery case in the bracket and secure with the screws or sticky pad provided. If using the mains power, secure the power transformer in a dry location using screws or sticky pad provided and connect the un-terminated mains cable to a 230V supply via a fused spur. Use the Power Junction Cable to connect the power source to the tap. Ensure the colours match red to red and black to black. Both batteries and mains power can be connected at the same time to provide battery backup in the event of loss of power.

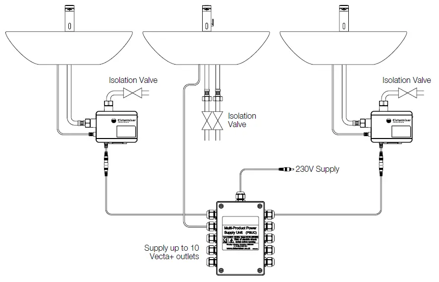
Multiple power connections for Vecta+ Sensor Taps & Spouts
If installing multiple Cistermiser products the PSUC Multi Product Power Supply Unit is available as an accessory. Contact Cistermiser for more details.

Usage advice & specification
- Minimum operating pressure: 0.5 bar (dynamic)
- Maximum operating pressure: 6 bar (dynamic or static – whichever is highest)
Factory settings
- Range: ~18cm
- Run-on time: 2 sec
- Battery life: 2 years in normal conditions with recommended batteries. A single red flashing of the LED indicates that the batteries are low and need to be replaced.
- Cleaning: Clean with non-abrasive cleaner and water only.
- Lens care: Infrared lens can be polished with a soft cloth.
Electronic specification
- Power transformer: 100-250V AC 50/60Hz 0.2A MAX
- Control Box / Mixer Tap: Supply: 6VDC 1A MAX (batteries or power transformer)
- Ambient temperature range: Operating: 0 to 40°C
- Storage: -25 to 40°C
Features
- Non touch: The water is activated when hands are presented in front of the infrared sensor.
- Safety shutoff: After 60 seconds of continuous water activation via sensor detection, the tap will automatically stop to reduce the risk of flooding.
- Smart shutoff: During a power cut, the device will automatically switch off the water flow to reduce the risk of a flooding event.
Component dimensions
Vecta+ Sensor Tap & Vecta+ Sensor Spout

Flow rate chart

NOTE:
Valve may fail to operate at under 0.5 bar dynamic pressure.
Vecta+ Sensor Mixer Tap

Flow rate chart

NOTE:
Valve may fail to operate at under 0.5 bar dynamic pressure.
Frequently asked questions
Normal operation
During normal operation, when the user brings their hand within 18cm of the sensor it will flash red once and water will flow from the nozzle. When the user removes their hand from the sensing distance, the water flow will stop.
| Fault | Observation | Action |
| No water from tap | The sensor is flashing red continuously after hand is placed in sensing range | Low battery. Change batteries. |
| The sensor is not flashing at all when hands are in sensing range | Battery power: Low battery. Change batteries. Mains power: Poor DC contact. Check power transformer connection. | |
|
The sensor flashes red once when hands are in sensing range | Water supply. Ensure water supply has been turned on and there is good working pressure. Minimum dynamic pressure 0.5 bar. Filter blockage Vecta+ Sensor Tap or Vecta+ Sensor Spout: Check filter in flexible hose. Vecta+ Sensor Mixer Tap: Check filter in inlet to solenoid valve. | |
| The sensor is covered | Anti-vandal mode has been triggered. The object/debris needs to be removed and the tap will resume normal functionality. | |
| Continuous flow of water or dripping from the tap | Water is flowing when no user is present | Water supply. Ensure water pressure is between 0.5 bar and 6 bar. Filters: Ensure filters are clear, clean if required. Vecta+ Sensor Tap and Spout filter is in inlet to control box. Vectra+ Mixer Tap filter is in flexi- hose fitting. Debris in solenoid valve: Contact Cistermiser. |
| Water flow diminishes | The sensor flashes red once when hands are in sensing range | Filter is blocked with scale or debris. Vecta+ Sensor Tap or Vecta+ Sensor Spout: Check filter in the inlet to the solenoid. Vecta+ Sensor Mixer Tap: Check filter within the flexible connector. Aerator is blocked with scale or debris. Vecta+ Sensor Spout: Remove aerator from the tap using the key supplied, clean and reinstall. Vecta+ Sensor Tap or Vecta+ Sensor Mixer Tap: Remove aerator with appropriate tools, clean and reinstall. |
| Inconsistent flow rate | The sensor flashes red once when hands are in sensing range | TMV / water pressure issue: Ensure water supply to TMV is balanced and pressure is suitable for TMV specification. |
| Water is always cold | The sensor flashes red once when hands are in sensing range | TMV / water pressure issue: Ensure water supply to TMV is balanced and pressure is suitable for TMV specification. Ensure hot water pipes are insulated to minimise cold dead legs. |
Cistermiser product warranty and extended warranty
Cistermiser products are guaranteed for 12 months from the date of manufacture. The guarantee is for faulty products and parts only: there is no labour warranty. If you believe your product is faulty, please either contact Cistermiser directly on 0118 969 1611 or at [email protected], with a photograph and the serial number, to help diagnose the cause of the problem. The warranty on Cistermiser products can be extended within one year of date of manufacture, at no cost, to three years from the date of installation. Please make a note of the serial number and take a photograph of the installation before you leave site.
Commissioning check-list
3 YEAR extended warranty
The warranty on Cistermiser products can be extended within one year of date of manufacture, at no cost, to three years from the date of installation. Once the valve has been installed, complete the product commissioning checklist below to demonstrate compliance with the installation instructions. Email a photograph of this completed form to [email protected] or post to Cistermiser, Unit 1, Woodley Park Estate, 59-69 Reading Road, Woodley, Berks, RG5 3AN.
- Product serial number
- Installation address
- Installer’s name
- Telephone number
- Email address
No. Activity
- Flush pipework prior to installation.
- Ensure filters are fitted to the supplied pipe work.
- Ensure water supply working/dynamic pressure is between 0.5 – 6 bar.
- Check product flow-rate suitability to application.
- Check all connections for leaks; ensure isolation valve is installed.
- Check flexible hose is not kinked/twisted.
- Vecta+ Sensor Mixer Tap and Vecta+ Sensor Spout: check flow direction of solenoid valve.
- Check electrical connections. Ensure either mains or battery power or multi product power supply unit is connected.

Cistermiser range
Urinal flushing
- Hydraulic Control Valve
An automatic urinal flush control valve which reduces water consumption. The valve uses a simple patented mechanism which prevents water waste by ensuring that the auto-flush cistern is only filled, and can only flush, when the washroom is used. - Infrared Control (IRC™) Valve
This valve automatically manages the water supply to the urinal cistern and reduces water consumption by up to 80%. The PIR sensor detects movement and activates the solenoid valve, allowing water into a urinal cistern. - Direct Flush Valve
An infrared sensor controlled urinal valve. It automatically flushes individual urinals after use, ensuring the highest level of hygiene from the minimum volume of water.
WC flushing
- Easyflush Wave
An infrared, hands-free and water-conserving WC cistern flush valve suitable for concealed or exposed cisterns. Easy to install in retrofits or new installations, its no-touch dual flush WC cistern valve promotes water economy and hygiene in domestic and commercial washrooms. - Easyflush Direct
An infrared electronic flushing system that removes the need for a WC cistern by taking its water feed straight from the mains supply. Ideal for high traffic areas as the system allows for a second flush without a delay.
Infrared Taps
- Novatap
A contemporary deck-mounted chrome tap. The infrared control reduces water and energy usage and eliminates the risk that the tap may be left running. - Vectatap
An elegantly designed infrared tap with the benefit of hygienic hands-free operation. Vectatap improves water and energy efficiency and includes auto-shut off and hygiene flush features.
Washroom control systems
- Sensazone
An innovative system to conserve water and energy. Occupancy is monitored by sensors; when someone enters the washroom all services controlled by Sensazone are activated – the hot and cold water, lighting and extractor fans. - LinkThru
LinkThru TMU delivers remote real-time monitoring of water temperatures on a 24/7 basis. LinkThru TMU harnesses the power of the Internet of Things to monitor water temperatures and helps to ensure Building Owner compliance with HSG274, reducing the risk of Legionella.
Davidson Holdings’ brands
Salamander Pumps
Salamander is one of the UK’s leading manufacturers of pumps for boosting water pressure for showers, bathrooms and whole house supply in domestic and small commercial tank-fed systems. salamanderpumps.co.uk.
Talon
Talon is the UK market leader in the manufacture and supply of plastic pipe clips, pipe collars and fixing plugs, plus a range of cover profiles for concealing pipework. talon.co.uk.
Keraflo OUR WORLD IS WATER
Keraflo manufacture delayed action float valves, which provide an accurate and effective method of controlling the level of stored cold water in tanks both with and without raised float valve chambers. The range is used in domestic, commercial and industrial applications worldwide. keraflo.co.uk.
Combimate GUARANTEED LIMESCALE PREVENTION
Combimate is a domestic limescale prevention device that prevents limescale build-up and soft water corrosion in combination boilers and other domestic hot water appliances. combimate.co.uk.
Cistermiser Limited
Unit 1, Woodley Park Estate, 59-69 Reading Road, Woodley, Reading, Berkshire RG5 3AN
t: +44 (0) 118 969 1611
e: [email protected]
w: cistermiser.co.uk
A Davidson Holdings company.



























