VERIS PX3 Series Pressure Monitoring

NOTICE
- This product is not intended for life or safety applications.
- Do not install this product in hazardous or classified locations.
- Read and understand the instructions before installing this product.
- Turn off all power-supplying equipment before working on it.
- The installer is responsible for conformance to all applicable codes.
If this product is used in a manner not specified by the manufacturer, the protection provided by the product may be impaired. No responsibility is assumed by the manufacturer for any consequences arising out of the use of this material.
This device complies with part 15 of the FCC Rules. Operation is subject to the following two conditions: (1) This device may not cause harmful interference, and (2) this device must accept any interference received, including interference that may cause undesired operation.
Changes or modifications not expressly approved by the party responsible for compliance could void the user’s authority to operate the equipment.
This device complies with Industry Canada license-exempt RSS standard(s). Operation is subject to the following two conditions: (1) this device may not cause interference, and (2) this device must accept any interference, including interference that may cause undesired opera-tion of the device.
Cet appareil est conforme aux normes d’ex-emption de licence RSS d’Industry Canada. Son fonctionnement est soumis aux deux conditions suivantes : (1) cet appareil ne doit pas causer d’interférence et (2) cet appareil doit accepter toute interférence, notamment les interférenc-es qui peuvent affecter son fonctionnement.
Product Overview
The PX3 transducer can measure either air pressure or velocity with the flip of a switch. The PX3 is available in three installation configurations: duct, panel or universal. Duct and panel models have two pressure and velocity options: 0-1 in. WC / 0-3,000 ft/min or 1-10 in. WC / 3,000-6,000 ft/min with four field-selectable sub-ranges. The universal model comes in one pressure/velocity range: 0-10 in. WC / 0-7,000 ft/min with seven field-selectable sub-ranges for pressure and eight for velocity. All variants are available with and without display. The PX3 has an IP65/NEMA 4 environmental rating and a 5-year limited warranty.
The Veris Sensors App provides the ability to connect to a device and configure a variety of field-selectable parameters remotely from a smartphone via Bluetooth wireless technology. The app allows users to create and store commonly used parameters that will reduce commissioning time and provide assurance that all parameters are properly configured with no callbacks. The app can also create a trend log while connected, providing critical data for troubleshooting purposes. iOS® users can download the app through the iOS App Store on their smart device. Android users can download the app through the Google Play™ store. For instructions on downloading and operating the app, see the Veris Sensors App User’s Guide and Veris Sensors App Quick Start Guide available on the Veris website.
Product Identification

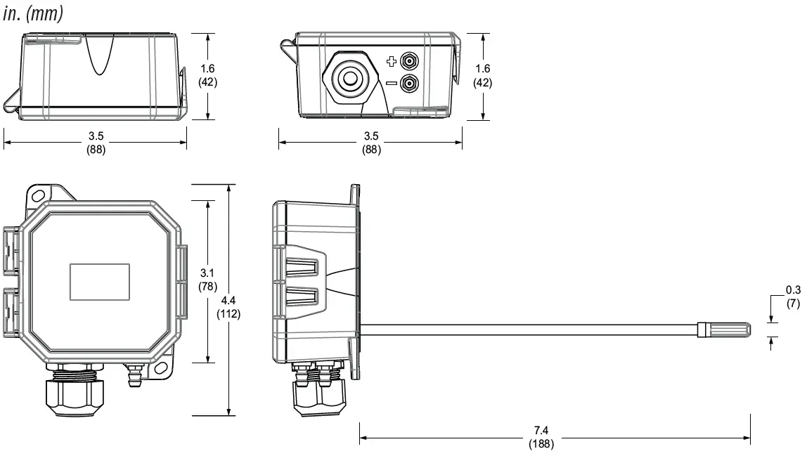
Dimensions

Specifications
| Media Compatibility | Dry air or inert gas | |
| Input Power | Three-wire Volt mode: 24 Vac or 12-30 Vdc* Two-wire mA mode: 12-30 Vdc* | |
| Output Power | Field-selectable: 2-wire, loop-powered 4-20 mA Minimum input voltage for 4 to 20 mA operation: 250 Ω loop = 12 Vdc; 500 Ω loop = 19 Vdc (DC only, clipped and capped), 24 Vac/dc or 3-wire 0-5V/0-10V Minimum load resistance for Volt operation: 5 kΩ | |
| 01 Pressure Range | Pressure Mode | Unidirectional: 0.1/0.25/0.5/1.0 in. WC, switch selectable Bidirectional: ±0.1/±0.25/±0.5/±1.0 in. WC, switch selectable Unidirectional: 25 Pa/50 Pa/100 Pa/250 Pa, switch selectable Bidirectional: ±25 Pa/±50 Pa/±100 Pa/±250 Pa, switch selectable |
| Velocity Mode | 500/1,000/2,000/3,000 ft/min 2.5/5/10/15 m/s | |
| 02 Pressure Range | Pressure Mode | Unidirectional: 1.0/2.5/5/10 in. WC, switch selectable Bidirectional: ±1.0/±2.5/±5/±10 in. WC, switch selectable Unidirectional: 250/500/1,000/2,500 Pa, switch selectable Bidirectional: ±250/±500/±1,000/±2,500 Pa, switch selectable |
| Velocity Mode | 3,000/4,000/5,000/6,000 ft/min 15/20/25/30/35 m/s | |
| 05 Pressure Range | Pressure Mode | Unidirectional: 0.1/0.25/0.5/1/2.5/5/10 in. WC, switch selectable Bidirectional: ±0.1/±0.25/±0.5/±1/±2.5/±5/±10 in. WC, switch selectable Unidirectional: 25/50/100/250/500/1,000/2,500 Pa, switch selectable Bidirectional: ±25/±50/±100/±250/±500/±1,000/±2,500 Pa, switch selectable |
| Velocity Mode | 500/1000/2000/3000/4000/5000/6000/7000 ft/min 2.5/5/10/15/20/25/30/35 m/s | |
| Response Time | Standard: T95 in 20 sec, Fast: T95 in 2 sec, DIP switch selectable | |
| Mode | Unidirectional or bidirectional, DIP switch selectable | |
| Display (Option) | Pressure mode: Signed 3-1/2 digit LCD, indicates pressure, overrange indicator Velocity mode: Signed 4-1/2 digit LCD, indicates velocity, overrange indicator | |
| Proof Pressure | 3 psid (20, 600 Pa) | |
| Burst Pressure | 5 psid (34, 500 Pa) | |
| Pressure Mode Accuracy | ±1% FS (combined linearity and hysteresis) | |
| Velocity Mode Accuracy | ±90 ft/min (±0.45 m/s) plus 5% of measured value** | |
| Temperature Effect | 1 in. WC (250 Pa) models: 0.05%/°C; 10 in. WC (2,500 Pa) models: 0.01%/°C (Relative to 25 °C) 0 to 50 °C (32 to 122 °F) | |
| Zero Drift (1-year) | 1 in. WC (250 Pa) models: 2.5% FS typ.; 10 in. WC (2,500 Pa) models: 0.25% FS typ. |
| Zero Adjust | Pushbutton auto-zero and digital input (2-pos terminal block) |
| Operating Environment | -20 to 60 °C (-4 to 140 °F)*** |
| Altitude of Operation | 0 to 3000 m |
| Pollution Degree | 2 |
| Humidity Range | 100% RH, non-condensing |
| Mounting Location | For indoor or outdoor use (display will not function below 0 °C (32 °F)) |
| Fittings | Brass barb; 0.24” (6.1 mm) o.d. |
| Suggested Cable | Shielded: Belden #9939 (22 AWG) 3-wire multi-conductor (or similar) Belden #9940 (22 AWG) 4-wire multi-conductor (or similar) Belden #9939 (22 AWG) 5-wire multi-conductor (or similar) Unshielded: Belden #8443 (22 AWG) 3-wire multi-conductor (or similar) Belden #8444 (22 AWG) 4-wire multi-conductor (or similar) Belden #8445 (22 AWG) 5-wire multi-conductor (or similar) |
| Bluetooth Frequency Range | 2.402 to 2.480 GHz (Bluetooth version 4.2), enabled by DIP switch, enabled by DIP switch |
| Maximum Output Power | 0 dBm |
| Limited Warranty | 5 years |
| Environmental Rating | IP65, NEMA 4 |
| Flammability Rating | UL 94 5VA fire retardant ABS, plenum rated |
EMC Conformance: EN 61000-6-3 and A1, Class B, EN 61000-6-1, EN61326-1 and EN61326-2-3.
- Class 2/II power source.
- For measured values between 200 and 7000 ft/min (1 and 35 m/s).
- Display will not function below 0 °C (32 °F).
Installation, Wiring & Configuration
- Plan the installation. Panel or duct mount?

For velocity applications, use the VFXP Series air velocity/measurement probe or AA18, AA19 or AA20 velocity pitot tubes. For use with the PX3P (panel) and PX3U (universal) models in Velocity mode only. Sold separately. - For duct mount applications, thread the probe into the back of the device housing, as shown in the dimensional drawing.
- Configure the internal tubing for the selected installation method as described below. Duct mount tubing configuration:
a. Connect the right-side tube to the rear brass barb marked as “-” on the underside of the device housing.
b. Connect the left-side tube to the probe in the back of the device housing.
Panel mount tubing configuration:
a. Connect the right-side tube to the rear brass barb marked as “-” on the underside of the device housing.
b. Connect the left-side tube to the front brass barb marked as “+” on the underside of the device housing.
- Mount the transducer (see the screw hole diagram below).

- For applications using conduit, remove the cable gland nut on the bottom of the unit. Thread a standard 1/2-inch NPT female threaded coupler onto the body of the cable gland. Connect the opposite end of the coupler to the conduit.

- Set DIP switches to desired settings.

- DIP switches are all set to OFF by the factory.
- Velocity mode is unidirectional regardless of DIP switch setting
DIP Switch Settings
- Set rotary switch to the desired setting. Align the arrow (not the slot) on the rotary switch to the desired full-scale range. LCD models momentarily indicate the selected range.
Rotary Switch Settings
Range 01 Model, Field Selectable (WC / ft/min or Pa / m/s)
Range 02 Model, Field Selectable (WC / ft/min or Pa / m/s)
Range 05 Model, Field Selectable (P) Pressure or (V) Velocity Mode,Field Selectable (WC / ft/min or Pa / m/s)
- Connect the transmitter to the control system and power supply as indicated below. Optional: Connect the ZERO terminals to the digital output (contact closure) of the control system.
2-wire, 4-20 mA Current Loop Output
3-wire, 0-5 V/0-10 V Voltage Output
- Wait five seconds, then press and hold the ZERO pushbutton for two seconds or provide contact closure on the AUX ZERO terminal. This will reset the output and display to zero pressure. For best accuracy, press the ZERO button while both ports are open to atmospheric pressure. To protect the unit from accidental zero, this feature is enabled only when the detected pressure is within about 0.5 in. WC (125 Pa) of factory calibration.
Operation
Connect desired external tubing to the PX3.
PX3 Series devices employ high-performance sensors and sophisticated temperature compensation circuitry. The sensor achieves its best accuracy after an initial warm-up period. During the first few minutes of operation, readings at zero pressure and the lowest pressure ranges appear erroneous. Following this initial warm-up period, the PX3 device maintains its specified accuracy and stability.
The LCD momentarily indicates range ‘SET’ when a selection is made. Pressure is normally indicated on the display. Units are in inches water column (in. WC), Pascals (Pa) or kilopascals (kPa) as indicated on the display. The display shows ‘OVER’ when the pressure is over range.
China RoHS Compliance Information
Environment-Friendly U
| Hazardous Substa | nces | |||||
| Part Name | (Pb) | (Hg) | (Cd) | (VI)) | (PBB) | (PBDE) |
| Electronic | X | O | O | O | O | O |
This table is made according to SJ/T 11364.
O: indicates that the concentration of hazardous substance in all of the homogeneous materials for this part is below the limit as stipulated in GB/T 26572.
X: indicates that concentration of hazardous substance in at least one of the homogeneous materials used for this part is above the limit as stipulated in GB/T 26572
Alta Labs, Enercept, Enspector, Hawkeye, Trustat, Aerospond, Veris, and the Veris ‘V’ logo are trademarks or registered trademarks of Veris Industries, L.L.C. in the USA and/or other countries. Other companies’ trademarks are hereby acknowledged to belong to their respective owners.
The Bluetooth word mark and logos are registered trademarks owned by Bluetooth SIG, Inc. and any use of such marks is under license.







Range 02 Model, Field Selectable (WC / ft/min or Pa / m/s)
Range 05 Model, Field Selectable (P) Pressure or (V) Velocity Mode,Field Selectable (WC / ft/min or Pa / m/s)
3-wire, 0-5 V/0-10 V Voltage Output



















