Gas-Fired Condensing Boilers
Instruction Manual
Gas-Fired Condensing Boilers
WARNING:
- The instructions described below must be performed by qualifi ed personnel.
Product Information
- For use with Singular Series Boilers only.
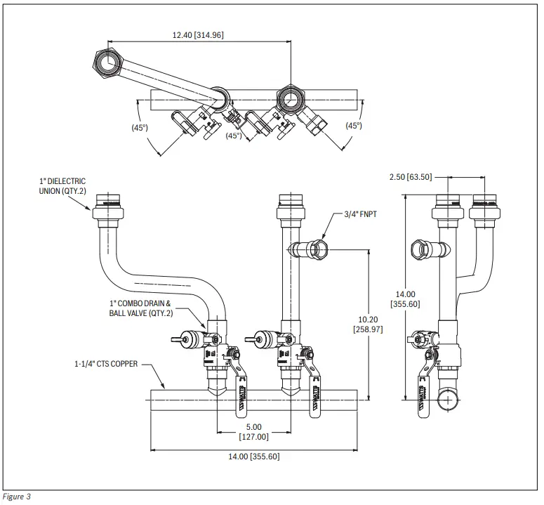
- Provides 1” NPT boiler connections and 1.25” sweat system connections.
- Isolation valves enable the boiler to be isolated from the heating system for maintenance.
- Part number: 7738007396

Installation Instructions
- Mount the boiler to the wall following the instructions found in the boiler Installation Manual.
- Remove the dielectric union on the manifold and secure them to the supply and return on the boiler.
- Pre fitall DHW piping to verify it will fi t properly behind the manifold.
- Mount the rest of the manifold to the boiler and connect the rest of the piping. Ensure manifold and piping are properly supported.

- Manifold
- Boiler/ System Supply side
- Boiler/ System Return Side
- Isolation Valves
- Dielectric Unions
- Service Drain Ports
- PRV Connection (PRV Not Included with Manifold)
Product Dimensions

BTC 439003303 A | 03.2022
www.bosch-thermotechnology.us
Tel: 866-642-3198
Fax: 603-965-7581
Singular

















