
SS-24 / S-28 / S-32
22 Gallon Mid-Size Autoscrubber
PARTS & OPERATING MANUAL
Thank you for purchasing a Pacific Floorcare product. Carefully inspect all components for freight damage.
If such damage is discovered, file a “CONCEALED DAMAGE REPORT” immediately with the delivering carrier.
Read this manual carefully and keep it near the machine, protected from liquids and other damaging substances. Failure to follow the instructions may result in injury or damage to equipment and property.
The contents of this manual are based on the latest product information available at the time of publication.
Pacific Floorcare reserves the right to make changes or improvements without being obliged to apply changes to the machines previously sold.
New manuals can be downloaded from: www.pacificfloorcare.com/manuals
22 GALLON AUTOSCRUBBER SPECIFICATIONS | ||
Features | Specifications | |
Model: | S-24 (Disk) | S-28 (Orbital) |
| Solution Delivery System | ||
| Solution capacity: | 22 gal / 83 l | 22 gal / 83 l |
| Solution control: (Standard) | 0-.55 gpm / 0-2.1 lpm, Variable knob adjustment | 0-.55 gpm / 0-2.1 lpm, Variable knob adjustment |
| Solution control: (w/ Chemical Injection) | Low, Med & High flow settings (.10, .25 & .45 gpm / .38, .95 & 1.7 lpm) Speed Sensitive Flow or Constant Output Flow Control | Low, Med & High flow settings (.10, .25 & .45 gpm / .38, .95 & 1.7 lpm) Speed Sensitive Flow or Constant Output Flow Control |
| Scrubbing System | ||
| Cleaning path: | 24 in / 610 mm | 28 in / 711 mm |
| Pad/brush size: | (2) 12 in / 305 mm | (1) 28 x 14 in / 711 x 356 mm |
| Productivity (per hour)- Theoretical max: | 26,400 ft | 30,800 ft |
| Productivity (per hour)-Average coverage rate:* | 19,525 ft | 22,425 ft |
| Brush Drive System | ||
| Brush motor horsepower (each): | (1) 1 hp / 750 W | (1) 1 hp / 750 W |
| Brush rpm: | 360 rpm | 2,200 rpm |
| Brush/pad pressure: | 50, 100 & 140 lb / 23, 45 & 64 kg | 70, 110 & 160 lb / 32, 50 & 73 kg |
| Brush/pad attachment/removal: | Automatic on/off | Manual |
| Recovery System | ||
| Recovery tank accessibility: | Full cleanout access | Full cleanout access |
| Recovery tank capacity: | 25 gal / 95 l (3 gal / 11.4 l demisting chamber) | 25 gal / 95 l (3 gal / 11.4 l demisting chamber) |
| Vacuum motor: | .7 hp / 522 W, 3-stage | .7 hp / 522 W, 3-stage |
| Vac motor cfm / cmm: | 71 cfm / 2.0 cmm | 71 cfm / 2.0 cmm |
| Vac motor water-lift: | 71 in / 180 cm | 71 in / 180 cm |
| Standard / Narrow Aisle Squeegee width: | 35 / 30 in (89 / 76 cm) | 40 / 35 in (102 / 89 cm) |
| Drive System | ||
| Drive Type: | Transaxle Drive | Transaxle Drive |
| Motor horsepower: | .5 hp / 373 W | .5 hp / 373 W |
| Battery System | ||
| System voltage: | 24 V | 24 V |
| Battery amp hour rating: | (4) 6V: 260 AH (wet) / 250 AH (MF) | (4) 6V: 260 AH (wet) / 250 AH (MF) |
| Battery run time: | Up to 5.5 hours | Up to 5.5 hours |
| Charger description: | On-board (standard) Off-board (optional) | On-board (standard) Off-board (optional) |
| Machine specifications | ||
| Product length: | 54 in / 137 cm | 52 in / 132 cm |
| Product width (without squeegee): | 26 in / 66 cm | 28 in / 71 cm |
| Product height: | 44 in / 112 cm | 44 in / 112 cm |
| Product weight (with batteries): | 650 lb / 295 kg | 665 lb / 302 kg |
| Sound level (operator’s ear): | 65 dBA | 63 dBA |
| Construction: | Rotationally molded polyethylene tanks, powder-coated steel frame | Rotationally molded polyethylene tanks, powder-coated steel frame |
| *Productivity calculations utilize key factors from ISSA 540 cleaning times handbook | ||
| Note: Specifications subject to change without notice | ||
22 GALLON AUTOSCRUBBER SPECIFICATIONS | ||
Features | Specifications | |
| Model: | S-28 (Disk) | S-32 (Disk) |
| Solution Delivery System | ||
| Solution capacity: | 22 gal / 83 l | 22 gal / 83 l |
| Solution control: (Standard) | 0-.55 gpm / 0-2.1 lpm, Variable knob adjustment | 0-.55 gpm / 0-2.1 lpm, Variable knob adjustment |
| Solution control: (w/ Chemical Injection) | Low, Med & High flow settings | Low, Med & High flow settings |
| Scrubbing System | ||
| Cleaning path: | 28 in / 711 mm | 32 in / 813 mm |
| Pad/brush size: | (2) 14 in / 356 mm Disks | (2) 16 in / 406 mm Disks |
| Productivity (per hour)-Theoretical max: | 30,800 ft | 35,200 ft |
| Productivity (per hour)-Average coverage rate:* | 22,425 ft | 25,125 ft |
| Brush Drive System | ||
| Brush motor horsepower (each): | (2) 1 hp / 750 W | (2) 1 hp / 750 W |
| Brush rpm: | 300 rpm | 300 rpm |
| Brush/pad pressure: | 70, 110 & 150 lb / 32, 50 & 68 kg | 70, 110 & 150 lb / 32, 50 & 68 kg |
| Brush/pad attachment/removal: | Automatic on/off | Automatic on/off |
| Recovery System | ||
| Recovery tank accessibility: | Full cleanout access | Full cleanout access |
| Recovery tank capacity: | 25 gal / 95 l (3 gal / 11.4 l demisting chamber) | 25 gal / 95 l (3 gal / 11.4 l demisting chamber) |
| Vacuum motor: | .7 hp / 522 W, 3-stage | .7 hp / 522 W, 3-stage |
| Vac motor cfm / cmm: | 71 cfm / 2.0 cmm | 71 cfm / 2.0 cmm |
| Vac motor water-lift: | 71 in / 180 cm | 71 in / 180 cm |
| Standard / Narrow Aisle Squeegee width: | 40 / 35 in (102 / 89 cm) | 44.5 / 40 in (113 / 102 cm) |
| Drive System | ||
| Drive Type: | Transaxle Drive | Transaxle Drive |
| Motor horsepower: | .5 hp / 373 W | .5 hp / 373 W |
| Battery System | ||
| System voltage: | 24 V | 24 V |
| Battery amp hour rating: | (4) 6V: 260 AH (wet) / 250 AH (MF) | (4) 6V: 260 AH (wet) / 250 AH (MF) |
| Battery run time: | Up to 4.5 hours | Up to 4.0 hours |
| Charger Description: | On-board (standard) Off-board (optional) | On-board (standard) Off-board (optional) |
| Machine specifications | ||
| Product length: | 56 in / 142 cm | 58 in / 147 cm |
| Product width (without squeegee): | 30 in / 76 cm | 34 in / 86 cm |
| Product height: | 44 in / 112 cm | 44 in / 112 cm |
| Product weight (with batteries): | 660 lb / 299 kg | 665 lb / 302 kg |
| Sound level (operator’s ear): | 65 dBA | 65 dBA |
| Construction: | Rotationally molded polyethylene tanks, powder-coated steel frame | Rotationally molded polyethylene tanks, powder-coated steel frame |
| *Productivity calculations utilize key factors from ISSA 540 cleaning times handbook | ||
| Note: Specifications subject to change without notice | ||
SAFETY INFORMATION 
This machine is intended for commercial use. Only use recommended pads or brushes and commercially approved floor cleaning chemicals intended for machine application.
WARNING: A potentially hazardous situation that, if not avoided, could result in death or serious injury.
CAUTION: A potentially hazardous situation that, if not avoided, could result in moderate injury or serious property damage.
NOTE: Information that will prevent premature equipment failure or minor property damage.
WARNING: This product can expose you to chemicals including lead and lead compounds which are known to the State of California to cause cancer and birth defects or other reproductive harm. For more information go to www.P65Warnings.ca.gov.
WARNING: This machine is not equipped with explosion-proof motors. Never use near flammable or reactive materials, liquids, vapors, or combustible dust. Electric motors spark internally during operation and could cause a flash fire or explosion.
WARNING: Batteries emit hydrogen and oxygen gas.
– Keep sparks and open flame away. Do not smoke near the machine
– Charge batteries in a well-ventilated area with the battery compartment open
WARNING: Do not plug in the charger cable if the wall cord or battery harness is damaged.
WARNING: Disconnect battery cables before servicing.
WARNING: Do not wear jewelry when working near moving or electrical components.
WARNING: Do not use the machine as a means of transport.
WARNING: Never allow children to play on or around machines.
WARNING: Do not bump into shelves or scaffoldings, especially where there is a risk of falling objects.
WARNING: Support the machine on safety stands before working underneath.
CAUTION: Keep hands away from spinning brushes.
CAUTION: Do not operate machines unless trained and authorized.
CAUTION: Do not modify the machine from its original design.
CAUTION: Do not operate the machine if it is not in proper operating condition.
CAUTION: Wear non-slip shoes when operating the machine.
CAUTION: Reduce speed when turning or operating on inclines and slippery surfaces.
CAUTION: Use Bromine only in your tank treatment system! Do not use chlorine. Chlorine can interact with ammonia-based detergents and cause harmful fumes.
CAUTION: Follow mixing and handling instructions on chemical containers.
CAUTION: Remove the batteries and get assistance before lifting the machine manually.
CAUTION: Park and service the machine on a level surface and remove the key.
CAUTION: Always wear protective clothing, gloves, and goggles when handling and charging batteries.
CAUTION: Avoid moving parts and do not wear loose jackets, shirts, or sleeves when servicing.
NOTE: Do not power spray or hose off the machine. Electrical malfunction may occur.
NOTE: All repairs must be performed by a qualified service technician using approved replacement parts.
NOTE: To avoid damaging the floor, do not allow the brush/pad to operate while the machine is stationary.
NOTE: Use a ramp with no more than a 12° incline when loading or unloading the machine.
NOTE: Use tie-down straps to secure the machine to the truck or trailer during transport.
NOTE: Turn the power off and put the scrub head in the lowered position during transport.
NOTE: Discontinue use and report machine damage or faulty operation immediately.
NOTE: Store the machine indoors where the temperature is between 32º and 104ºF (0º and 40ºC).
NOTE: Do not lower the orbital head without a pad. Doing so damages the Mighty-Lok ® face.
NOTE: Failure to clean the HydroLink ® light pipe will limit BatteryShield’s® ability to read the water level and will reduce battery life.
NOTE: Do not use an extension cord. This will void the warranty on the charger.
NOTE: Batteries designed for automotive or marine and RV use are not suited for use in floor scrubbers.
NOTE: Ensure battery charging and storage locations comply with OSHA and any governing agencies’ standards based on your particular location and application.
UNPACKING THE MACHINE
NOTE: Use a ramp with no more than a 12° incline when loading or unloading the machine.
- Remove the outer packaging
- Remove the four cleats and two tie-down brackets holding the machine to the pallet
- Raise the scrub head into the transport position.
- Use a suitable ramp or platform and carefully pull the machine backward down from the pallet.

TRANSPORTING THE MACHINE
CAUTION: Remove the batteries and get assistance before lifting the machine manually.
NOTE: Use a ramp with no more than a 12° incline when loading or unloading the machine.
NOTE: Turn the power off and put the scrub head in the lowered position during transport.
NOTE: Do not rest the orbital head on a hard surface without a pad. Doing so damages the Mighty-Lok® face.
TIE-DOWN PROCEDURE
The S-Series Scrubber was designed for easy transport on a route cleaning program. Two options are available for tying the machine down to a truck or trailer during transport.
![]() | |
| Tie-down holes are located on both sides of the mainframe | Run tie-down straps between the recovery tank and solution tank |
BATTERIES
| SHIELD EYES EXPLOSIVE GASES CAN CAUSE BLINDNESS OR INJURY | NO
| SULFURIC ACID CAN CAUSE BLINDNESS OR SEVERE BURNS |
WARNING: Battery posts, terminals, and related accessories contain lead and lead compounds, chemicals known to the State of California to cause cancer and reproductive harm, and during charging, strong inorganic acid mists containing sulfuric acid are involved, a chemical known to the State of California to cause cancer. Wash hands after handling. For more information go to www.P65Warnings.ca.gov.
WARNING: Batteries emit hydrogen and oxygen gas.
-Keep sparks and open flame away. Do not smoke near the machine.
-Charge batteries in a well-ventilated area with the battery compartment open.
WARNING: Do not wear jewelry when working near moving or electrical components.
CAUTION: Remove the batteries and get assistance before lifting the machine manually.
CAUTION: Park and service the machine on a level surface and remove the key.
CAUTION: Always wear protective clothing, gloves, and goggles when handling and charging batteries.
NOTE: All repairs must be performed by a qualified service technician using approved replacement parts.
NOTE: Batteries designed for automotive or marine and RV use are not suited for use in floor scrubbers.
SELECTION
The machine requires four 6 VDC Lead Acid or AGM Deep Cycle batteries designed for floor scrubber use with the following maximum dimensions:
- Width: 7 1/8 in (181 mm)
- Length: 12 15/16 in (264 mm)
- Height: 10 5/8 in (295 mm)
INSTALLATION

- Open the recovery tank.
- Use a lifting device capable of transferring the batteries safely.
- Slide the batteries forward.
- Connect the batteries in a series to obtain an overall voltage of 24V on the lugs.
- Fully charge the batteries before using the machine.
SERVICING LEAD ACID BATTERIES (NON-HYDROLINK® MODELS)
WARNING: Battery posts, terminals, and related accessories contain lead and lead compounds, chemicals known to the State of California to cause cancer and reproductive harm, and during charging, strong inorganic acid mists containing sulfuric acid are involved, a chemical known to the State of California to cause cancer. Wash hands after handling. For more information go to www.P65Warnings.ca.gov.
WARNING: Batteries emit hydrogen and oxygen gas.
-Keep sparks and open flame away. Do not smoke near the machine.
-Charge batteries in a well-ventilated area with the battery compartment open.
WARNING: Do not wear jewelry when working near moving or electrical components.
CAUTION: Always wear protective clothing, gloves, and goggles when handling and charging batteries.
REQUIRED EQUIPMENT
- Eye protection
- Acid-resistant gloves
- Distilled water
- Baking soda (neutralizes acid spills)
SAFETY
NEVER:
- Add acid to a battery.
- Smoke near batteries.
- Charge a frozen battery.
- Leave an acid spill unattended.
- Store batteries unless they are fully charged.
- Charge a battery when the temperature is above 122°F (50°C).
- Charge a flooded battery without securing vent caps on the cells.
- Place objects on top of batteries, which can cause a short circuit.
ALWAYS:
- Neutralize acid spills with baking soda and water.
- Use insulated tools and check that connections are tight.
WATERING
- If contact with an electrolyte (sulfuric acid) occurs, flush with large amounts of water.
- Use only distilled water (tap water can contain contaminants that will damage the battery).
- Remove the caps and place them upside down to check electrolyte levels.
- For discharged or partially charged batteries, add just enough water to cover the plates.
- Fully charge the batteries.
- Add distilled water to a level of 1/8” below the vent well.
CLEANING & INSPECTION
- Fluid on the top of a battery may mean it is being over-watered or overcharged.
- Check the cleanliness and keep terminals and connectors free of corrosion.
- Clean with a solution of 1 cup baking soda to 1 gallon of water.
- Do not allow cleaning solution to get inside the battery.
- Rinse with water and dry with a clean cloth.
- Keep the area around batteries clean and dry.
- Properly secure all vent caps.
- Check battery cables and connections. Replace any damaged cables and tighten any loose connections.
SERVICING LEAD ACID BATTERIES WITH HYDROLINK® WATERING SYSTEM
WARNING: Battery posts, terminals, and related accessories contain lead and lead compounds, chemicals known to the State of California to cause cancer and reproductive harm, and during charging, strong inorganic acid mists containing sulfuric acid are involved, a chemical known to the State of California to cause cancer. Wash hands after handling. For more information go to www.P65Warnings.ca.gov.
- Position the container of distilled water below the level of the top of the batteries to prevent siphoning.
- Place the end of the watering system hose in the distilled water and squeeze the bulb to fill the system.

- Remove the dust cover from the Hydrolink® snake connected to the batteries.
- Connect the coupler on the Hydrolink® snake to the coupler on the watering system using the quick disconnect fittings.

- While squeezing the hand pump, observe the flow indicator (spinning red balls). As the batteries begin to fill, the spinning of the flow indicator balls will slow. Batteries are full when the flow indicators completely stop spinning.
NOTE: Battery systems may take more than 1/2 gallon of water once the BatteryShield® light has illuminated. Failure to actuate the hand pump until the flow indicator stops spinning will result in batteries being under or unevenly serviced which will reduce battery life. - When the flow indicator stops, and not before, immediately disconnect the couplers by depressing the push button on the watering system coupler.
NOTE: Leaving the watering system connected could result in the batteries being overfilled. Disconnecting the watering system before the flow indicator stops spinning will result in batteries being under-serviced and battery life will be reduced. - Replace the dust cover on the Hydrolink® snake.

BATTERYSHIELD® AUTOMATED WET BATTERY PROTECTION SYSTEM
Scrubbers equipped with BatteryShield® technology have a sensor on the battery pack and a red LED indicator on the control panel which monitors and communicates low water conditions.
- When batteries are fully charged and the key is turned on, BatteryShield ® will check the water level.
• If the LED remains off, there is sufficient water in the batteries.
• A solid red LED means BatteryShield ® senses a low-water level. The brush motor will be disabled to prevent battery damage.
• A blinking red LED means the BatteryShield ® light pipe needs to be cleaned (see below).
NOTE: Failure to clean the HydroLink ® light pipe will limit the BatteryShield’s ® ability to read the water level and will reduce battery life.
- Turn the key off and use the HydroLink ® single-point battery watering system to fill the batteries.
NOTE: Battery packs equipped with BatteryShield ® may take more than 1/2 gallon of water after the BatteryShield ® LED has been illuminated. Failure to pump the HydroLink ™ bulb until it will no longer compress may result in uneven battery servicing and premature battery failure. - After completing the HydroLink ® watering procedure, cycle the key to verify the LED stays off.
CLEANING THE BATTERYSHIELD® SENSOR LIGHT PIPE
WARNING: Battery posts, terminals, and related accessories contain lead and lead compounds, chemicals known to the State of California to cause cancer and reproductive harm, and during charging, strong inorganic acid mists containing sulfuric acid are involved, a chemical known to the State of California to cause cancer. Wash hands after handling. For more information go to www.P65Warnings.ca.gov.
WARNING: Do not wear jewelry when working near moving or electrical components.
WARNING: Batteries emit hydrogen and oxygen gas.
-Keep sparks and open flame away. Do not smoke near the machine.
-Charge batteries in a well-ventilated area with the battery compartment open.
CAUTION: Always wear protective clothing, gloves, and goggles when handling and charging batteries.
NOTE: Failure to clean the HydroLink® light pipe will limit the BatteryShield’s® ability to read the water level and will reduce battery life.
- Remove the cap with the black sensor module, being careful not to damage the yellow floats. Do not remove the black module from the cap assembly.
- Thoroughly wipe the clear light pipe next to the middle yellow float, paying attention to the tip of the pipe.
- While the cap is still removed, cycle the key and verify the LED stays on steady. Turn the key off.
- Carefully align the cap and press it firmly onto the battery making sure it is fully seated.
- Complete the battery servicing procedures above, cycle the key, and verify the light stays off.
- The machine is ready for use.
CHARGING
CHARGING
WARNING: Battery posts, terminals, and related accessories contain lead and lead compounds, chemicals known to the State of California to cause cancer and reproductive harm, and during charging, strong inorganic acid mists containing sulfuric acid are involved, a chemical known to the State of California to cause cancer. Wash hands after handling. For more information go to www.P65Warnings.ca.gov.
WARNING: Do not plug in the charger cable if the wall cord or battery harness is damaged.
NOTE: Do not use an extension cord. This will void the warranty on the charger.
NOTE: Ensure battery charging and storage locations comply with OSHA and any governing agencies’ standards based on your particular location and application.
ON-BOARD CHARGER
The on-board charger has three LEDs to indicate the status of the charging cycle when it is plugged in:
| LED INDICATION | MEANING |
| GREEN flashing (2 seconds) | The charger is set for AGM batteries |
| YELLOW flashing (continuous) | Unsuitable battery connected or output short circuit |
| RED flashing (2 seconds) | The charger is set for Lead Acid batteries |
| RED flashing (continuous) | Safety timer exceeded or internal short circuit |
| Solid GREEN | The unit is fully charged |
| Solid YELLOW | Phase 2 of charging is in progress |
| Solid RED | The charging cycle has begun |
NOTE: Do not use an extension cord. This will void the warranty on the charger.
SETTING THE CHARGER ON MACHINES PURCHASED WITHOUT BATTERIES
Configure the charging profile to the type of batteries installed on the machine. Switch banks SW1 and SW2 are located behind the label on the lower right corner of the charger next to the green LED.
SW2: Set the charge current according to the battery amp hour rate (Reference CHARGE CURRENT AND BATTERY AMP HOURS table below).
| DP2 | DP1 | CHARGING CURRENT |
| ON | ON | 15A |
| ON | OFF | 20A |
| OFF | ON | 25A |
| OFF | OFF | 25A |
SW1: Set the current profile according to the battery installed.
| DP2 | DP1 | CHARGING CURRENT |
| OFF | ON | Lead-Acid (Wet) Batteries |
| OFF | OFF | AGM FULLRIVER |
| ON | OFF | AGM DISCOVER |
| ON | ON | Gel |
| CHARGING CURRENT | BATTERY AMP-HOUR RANGE | |
| (5h) | (20h) | |
| 15A | 100-150 Ah | 130-180 Ah |
| 20A | 120-195 Ah | 150-240 Ah |
| 25A | 180-258 Ah | 220-315 Ah |
OFF-BOARD CHARGER
WARNING: Battery posts, terminals, and related accessories contain lead and lead compounds, chemicals known to the State of California to cause cancer and reproductive harm, and during charging, strong inorganic acid mists containing sulfuric acid are involved, a chemical known to the State of California to cause cancer. Wash hands after handling. For more information go to www.P65Warnings.ca.gov.
WARNING: Do not plug in the charger cable if the wall cord or battery harness is damaged.
NOTE: Ensure battery charging and storage locations comply with OSHA and any governing agencies’ standards based on your particular location and application.
Set the Battery Type switch to match the battery configuration of the machine.
- Up for Lead Acid batteries.
- Down for sealed, maintenance-free AGM batteries
- Connect the charger to the wall outlet.
- Connect the red plug (pictured below) to the battery harness below the control panel at the rear of the machine.
Off-board status LEDs:
- Primary (green) LED:
- Blinking slowly: Batteries are below 80% of full charge.
- Blinking rapidly: Batteries are above 80% of full charge.
- Solid: Batteries are fully charged.
- Fault (red) LED:
- See the charger manual for fault information.

PRE-USE SETUP
TURNING THE UNIT ON/OFF
The key switch is located on the control panel. When the machine is not in use, remove the key and store it in a secure location.
CIRCUIT BREAKERS
The circuit breakers on the control panel protect the components from high amp-draw. In particular, the scrub head circuit will draw too many amps when overloaded by improper application setup. Solution flow, floor surface, and down-pressure should be considered when operating the machine (example: high down-pressure on a rough floor with no solution flow will overload the circuit). Repeatedly tripping the breaker will cause the need for replacement.
BATTERY POWER LEVEL & FAULT INDICATOR
When switched to the ON position, the Battery Power Level Indicator illuminates indicating the battery charge level. A full charge is indicated when all LEDs are lit. As the power level decreases, the LEDs go out from right to left.
When the battery charge is depleted, the last red LED will flash and the brush motor will turn off. The vacuum and traction drive will continue to function allowing final water recovery and transport to the charging station.
NOTE: Using AGM battery-equipped units after the last yellow LED goes out can reduce the life of the batteries.
NOTE: After a fill charge, operate the machine for at least 30 minutes before recharging the batteries again. Do not leave the batteries discharged overnight.
A flashing Battery Power Level Indicator indicates a detected fault. The following is a list of fault codes:
| The battery needs to be changed or there is a faulty connection to the battery. | |
| Check the connection to the motor. | |
| The motor has a short circuit. | |
| The controller is being inhibited from driving. | |
| Throttle fault, check the connection. | |
| Controller fault, check connections | |
| Parking brake fault, check the motor connections. | |
| Excessive voltage, check the battery connections. |
DRIVE SYSTEM
DRIVING OPERATION
- Bail: Squeezing the Bail activates solution flow, the brush motor, and the traction drive.
- Speed Control: Rotate the Speed Control with either thumb.
• Clockwise: Faster
• Counter-Clockwise: Slower - Reverse Button: Depress Reverse Button and squeeze the Bail for reverse operation.

SOLUTION DISTRIBUTION
FILLING THE SOLUTION TANK
Use liquid detergent in the concentration and manner specified by the manufacturer for a 22-gallon solution tank. Excess foam will damage the vacuum motor. In addition to properly-mixed low-foam detergent, use a small amount of de-foaming liquid in the recovery tank. Never use pure acids.
NOTE: The front fill port strainer blocks debris from falling into the tank. Keep the solution tank free from debris to prevent filter clogs and reduce solution flow.
- Add water and cleaning agent via the front or rear fill port. Water temperature should not exceed 120°F (50°C).
- Monitor the solution level through the sight tube and the marks on the tank at the rear of the machine.
- To drain the tank, slide the solution sight tube off of the upper fitting and lower it to a drain or mop sink.

SOLUTION FLOW: NON-CHEMICAL INJECTION MODELS
The Solution Control Knob is located on the top left corner of the control panel. The valve electrically turns on and off with the Scrub Head. The knob controls how much solution passes through the valve when activated.
OPTIONAL CHEMICAL INJECTION MODELS
- Place a 1-gallon chemical container in the holder in the battery compartment and remove the cap.
- Insert the leader hose so that the end is resting on the bottom of the container and screw on the cap.

- Match the mix ration dial on the control panel to the setting (in ounces per gallon) prescribed on the chemical container.
- Set the solution flow rate to low, medium, or high.
- A solid green LED indicates that the system is automatically mixing the chemical while the machine operates.
NOTE: If the detergent is not priming, temporarily select a higher setting until detergent appears on the floor.
NOTE: To purge old detergent, set the mixture dial to the highest ratio and run until the leader hose line is empty.
INSPECTION & CLEANING
NOTE: If excessive debris is present, drain and flush the solution tank.

- Close the shutoff valve.
- Remove the filter bowl and screen.
- Clean and rinse any debris in the filter assembly.
SCRUB DECK SETUP
HEAD LIFT
- Depress the foot lever (located at the lower right rear corner of the machine) and shift it to the right.
- Once clear of the notch, allows the lever to rise while the head lowers into the operating position.
- Disk machines are equipped with a self-adjusting shroud and bristle skirt that virtually eliminates overspray.
SELECTING DOWN PRESSURE
- Standard: For daily cleaning of normal soils.
- Heavy: For toughest soils or chemical-free finish removal.

| SCRUB HEAD DOWN PRESSURE | |||
| 24” DISK | 28” ORBITAL | 28” & 32” DISK | |
| STANDARD | 50 lbs (23kgs) | 70 lbs (32 kgs) | 70 lbs (32 kgs) |
| MEDIUM | 100 lbs (45 kgs) | 110 lbs (50 kgs) | 110 lbs (50 kgs) |
| HEAVY | 140 lbs (64 kg) | 160 lbs (73 kgs) | 150 lbs (68 kgs) |
ORBITAL PADS & CHEMICAL-FREE FINISH REMOVAL (CFR)
NOTE: Do not lower the orbital head without a pad installed. Doing so may damage the Mighty-Lok® face.
STANDARD CLEANING OPERATIONS
- Align the corners of the pad to the corners of the aluminum plate and press to attach.
- Lower the scrub deck onto the pad.
- Ensure the pad is properly aligned front-to-back and left-to-right.
CHEMICAL-FREE FINISH REMOVAL (CFR) PAD ASSEMBLY
A specialized surface preparation pad, in addition to the traditional cleaning pad, is required for chemical-free finish removal. The traditional pad acts as a “backer pad” and compensates for variances in the floor.
- Place the black retainer pad 2” back from the front of the red scrub pad and the maroon CFR pad to allow water saturation.
- Align and assemble the pads with the red pad on top and the maroon pad on the bottom facing the floor.
- Ensure the gap mentioned in step 1 is facing forward and refer to steps 1-3 of “Standard Cleaning Operations” above to install the CFR Pad Assembly.
MACHINE SETUP
- Install the CFR Pad Assembly as described above.
- Fill the solution tank with clean water.
- Set the down pressure to Heavy (see “Selecting Down Pressure” above).
- Set the solution flow to midrange. Adjust as needed for maximum finish removal, using the least amount of water needed for effective rinsing.
- Adjust the machine speed as required.
DISK MACHINE PAD DRIVERS & BRUSHES PAD & BRUSH REMOVAL
NOTE: Using a pad driver without a pad will damage the floor surface.
- Toggle the “Brush On/Off” switch to position “A” for 1 second and then immediately to position “B”. The brush will spin in position “A” and abruptly stop in position “B”, releasing the pad drivers.
- Remove the center lock fitting by squeezing the wires inward and pulling the center lock away.
- To connect the cleaning pad to the drivers, center the pad on the driver, squeeze the center lock wires inward, and press down (tab side first). Press the pad and release the wires so that they lock in place.

PAD & BRUSH INSTALLATION
- Turn the key switch on and rotate the speed control knob to the full slow position.
- Place the pad drivers or brushes on the floor in front of the scrub head.
- Push or drive the machine into position centering the scrub head over the pad drivers or brushes.
- Lower the scrub deck onto the pad drivers or brushes.
NOTE: When properly aligned, the scrub deck shroud bristle skirt should almost be touching the floor. - Quickly pulse and release the activation trigger to “CLICK ON” the pad drivers or brushes.
NOTE: If the pad drivers or brushes do not quickly engage, return to step two and try again.
RECOVERY SYSTEM
RECOVERY TANK
To drain and rinse the recovery tank:
- Lift the hose off the holder and lower the hose end to the desired drain location.
- Remove the press-fit cap from the drain hose and squeeze the restriction collar to control the flow.
- As the tank drains, lift the recovery tank lid to the fully open position.
- Thoroughly clean and rinse out the sediment from the bottom of the tank with a clean water hose.
• Periodically use cleaner and sanitizer with a cloth or sponge to prevent mold and mildew. - Inspect and clean the debris tray and the vacuum mesh filter screen and the ball float system.
- Leave the lid open to dry

OPTIONAL TANK TREATMENT
The Tank Treatment System (TTS) utilizes Bromine tablets (typically used in pools and spas) to kill the odor-causing bacteria in the tank. To ensure that the TTS is prepared to treat your recovery tank:
- Lift the debris tray out and pinch the two tabs sticking through the underside of the tray.
- Check the size of the Bromine puck. Replace it when it is approximately 25% of its original size.
- Press the TTS holder and bromine puck back into the debris tray.
CAUTION: Use Bromine only! Do not use chlorine! Chlorine can interact with ammonia-based detergents to cause harmful fumes.
SQUEEGEE SYSTEM
SQUEEGEE ASSEMBLY SETUP
Inspect and maintain the squeegee system to achieve peak machine performance.
REMOVAL & INSTALLATION
- Install: Align the assembly, attach the vacuum hose, and tighten the easy-grip knobs.
- Remove: Loosen the easy-grip knobs and detach the recovery hose (reverse of installation).

SQUEEGEE USE
- Lower: Lift the squeegee lever, shift it left, and lower. The vacuum motor will activate.
- Raise: Lift the lever and shift it right. The vacuum motor will run for 10 seconds to prevent the recovered solution from running back out of the hose.

HEIGHT ADJUSTMENT
If the squeegee blade height requires adjustment, turn the button screws on the squeegee frame assembly clockwise to raise and counter-clockwise to lower the wheels until proper blade deflection is achieved.
CLEAN & INSPECT
- Inspect both squeegee blades. If the blade edges are not clearly defined or are worn halfway through the thickness of the blade, flip the blades to another edge or replace as required.

- Thoroughly clean and rinse the underside of the squeegee frame, blades, and neck.

REMOVE & INSTALL SQUEEGEE BLADES
- Release the over-center latch and slide the band clamp off the hook on the other side.
- Blades can be flipped length-wise or top to bottom to utilize another blade edge.
- Blade installation is the reverse of the removal.

RECOMMENDED MAINTENANCE
| SYSTEM | REFERENCE SECTION | DAILY | WEEKLY | MONTHLY | BIANNUALLY |
| CONTROL PANEL | |||||
INSPECT ALL CONTROLS AND HARDWARE FOR SECURITY AND SERVICEABILITY | PARTS DIAGRAMS | X | |||
VERIFY PROPER OPERATION OF ALL CONTROLS | ALL | X | |||
| SOLUTION DISTRIBUTION | |||||
VERIFY SOLUTION FLOWS AND ADJUSTS AS EXPECTED | SOLUTION DISTRIBUTION | X | |||
| CLEAN AND INSPECT IN-LINE FILTER | SOLUTION DISTRIBUTION | X | |||
| FLUSH TANK WITH FRESH WATER | SOLUTION DISTRIBUTION | X | |||
| SCRUB DECK | |||||
| RINSE BRUSHES & PADS | SCRUB DECK SETUP | X | |||
| RINSE & DRY SCRUB DECK | SCRUB DECK SETUP | X | |||
| CLEAN MOTOR VENTS | PARTS DIAGRAMS | X | |||
| INSPECT ISOLATORS *(ORBITAL ONLY) | PARTS DIAGRAMS | X | |||
| INSPECT LIFT LINKAGE & PIVOT BLOCKS | SCRUB DECK SETUP | X | |||
| RECOVERY SYSTEM | |||||
| RINSE & AIR DRY RECOVERY TANK | RECOVERY SYSTEM | X | |||
| CLEAN & INSPECT DEBRIS TRAY | RECOVERY SYSTEM | X | |||
| VERIFY DRAIN HOSE CAP IS SEALED TIGHT WHEN INSTALLED | RECOVERY SYSTEM | X | |||
| INSPECT LID SEAL | RECOVERY SYSTEM | X | |||
| INSPECT / REPLACE BROMINE PUCK *(IF EQUIPPED) | RECOVERY SYSTEM | X | |||
| INSPECT HEPA FILTER *(IF EQUIPPED) | RECOVERY SYSTEM | X | |||
| CLEAN & SANITIZE THE RECOVERY TANK | RECOVERY SYSTEM | X | |||
| BATTERIES AND CHARGER | |||||
| INSPECT TERMINALS & CABLES FOR SECURITY, CORROSION, OR DAMAGE | BATTERIES | X | |||
| SERVICE LEAD-ACID BATTERIES *(IF EQUIPPED) | BATTERIES | X | |||
| CLEAN ONBOARD CHARGER VENTS *(IF EQUIPPED) | PARTS DIAGRAMS | X | |||
| CLEAN BATTERYSHIELD® LIGHT PIPE *(IF EQUIPPED) | BATTERIES | X | |||
| PERFORM BATTERYSHIELD® OPERATIONAL CHECKS *(IF EQUIPPED) | BATTERIES | X | |||
| SQUEEGEE ASSEMBLY | |||||
| CLEAN & INSPECT SQUEEGEE ASSEMBLY & BLADES | RECOVERY SYSTEM | X | |||
| INSPECT VACUUM HOSE | RECOVERY SYSTEM | X | |||
| CHASSIS AND UNDERCARRIAGE | |||||
| CLEAN & INSPECT WHEELS & CASTERS | PARTS DIAGRAMS | X | |||
| CLEAN & INSPECT LINKAGES, CHASSIS & HARDWARE | PARTS DIAGRAMS | X | |||
| CLEAN & INSPECT VISIBLE WIRES FOR DAMAGE & SECURITY | PARTS DIAGRAMS | X | |||
RECOMMENDED SERVICE PARTS
| PART NUMBER | DESCRIPTION | DIAGRAM CATEGORY | WEAR ITEM | S-24 | S-28 DISK | S-32 | S-28 ORB | OPTIONAL |
| 903046 | BELT, V-GROOVE, STRETCH | SCRUB HEAD | X | X | ||||
| 870702 | BLADE, FRONT, 35INCH (LINATEX) | SQUEEGEE | X | X | ||||
| 870708 | BLADE, FRONT, 35INCH (URETHANE) | SQUEEGEE | X | X | ||||
| 870704 | BLADE, FRONT, 40INCH (LINATEX) | SQUEEGEE | X | X | X | |||
| 870710 | BLADE, FRONT, 40INCH (URETHANE) | SQUEEGEE | X | X | X | |||
| 870706 | BLADE, FRONT, 44.5INCH (LINATEX) | SQUEEGEE LINK | X | X | X | X | X | |
| 870712 | BLADE, FRONT, 44.5INCH (URETHANE) | SQUEEGEE LINK | X | X | X | X | X | |
| 870701 | BLADE, REAR, 35INCH (LINATEX) | SQUEEGEE | X | X | ||||
| 870707 | BLADE, REAR, 35INCH (URETHANE) | SQUEEGEE | X | X | ||||
| 870703 | BLADE, REAR, 40INCH (LINATEX) | SQUEEGEE | X | X | X | |||
| 870709 | BLADE, REAR, 40INCH (URETHANE) | SQUEEGEE | X | X | X | |||
| 870705 | BLADE, REAR, 44.5INCH (LINATEX) | SQUEEGEE LINK | X | X | X | X | X | |
| 870711 | BLADE, REAR, 44.5INCH (URETHANE) | SQUEEGEE LINK | X | X | X | X | X | |
| 911681 | BREAKER, CIRCUIT, 35 AMPS | CONTROLS | X | X | ||||
| 850906 | BRUSH CARBON KIT 4 PC 855204 & 875201 | SCRUB HEAD | X | X | X | X | X | |
| 870919 | BRUSH KIT REPLY FOR TRANSAXLE 879203 | FRAME ASSEMBLY | X | X | X | X | X | |
| 870909 | BRUSH, GRIT, 12 INCH | SCRUB HEAD | X | X | ||||
| 870906 | BRUSH, GRIT, 14 INCH | SCRUB HEAD | X | X | ||||
| 870907 | BRUSH, GRIT, 16 INCH | SCRUB HEAD | X | X | ||||
| 870908 | BRUSH, NYLON, 12 INCH | SCRUB HEAD | X | X | ||||
| 870904 | BRUSH, NYLON, 14 INCH | SCRUB HEAD | X | X | ||||
| 870905 | BRUSH, NYLON, 16 INCH | SCRUB HEAD | X | X | ||||
| 870902 | BRUSH, POLY, 12 INCH | SCRUB HEAD | X | X | ||||
| 870901 | BRUSH, POLY, 14 INCH | SCRUB HEAD | X | X | ||||
| 852401 | CABLE, LIFT, CLEVIS | CONTROLS | X | X | X | X | ||
| 871501 | CAP, 38MM, WITH HOLE | CHEMICAL INJECTION | X | X | ||||
| 911622 | CIRCUIT BREAKER, 30 AMPS | CONTROLS | X | X | X | X | ||
| 912401 | CONTACTOR, 24V, 100A | ELECTRONICS | X | X | X | X | ||
| 912402 | CONTACTOR, 24VDC, 70A | ELECTRONICS | X | X | X | X | ||
| 875902 | DRIVER, PAD, 14 INCH | SCRUB HEAD | X | X |
| PART NUMBER | DESCRIPTION | DIAGRAM CATEGORY | WEAR ITEM | S-24 | S-28 DISK | S-32 | S-28 ORB | OPTIONAL |
| 875910 | DRIVER, PAD, 16 INCH | SCRUB HEAD | X | X | ||||
| 873304 | FILTER, HEPA, MID | RECOVERY TANK | X | X | X | X | X | |
| 843319 | FILTER, SCREEN, BOWL | FRAME ASSEMBLY | X | X | X | X | X | |
| S764P2 | FILTER, STRAINER | CHEMICAL INJECTION | X | X | ||||
| 223370 | FLOAT, SHUTOFF | RECOVERY TANK | X | X | X | X | ||
| 873314 | GASKET, FOAM, VACUUM | RECOVERY TANK | X | X | X | X | ||
| 853803 | GUIDE, DRIVER | SCRUB HEAD | X | X | X | X | ||
| 873802 | GUIDE, DRIVER, RH | SCRUB HEAD | X | X | X | X | ||
| 853804 | GUIDE, PAD, PLASTIC | SCRUB HEAD | X | X | X | |||
| 873801 | GUIDE, PAD, PLASTIC | SCRUB HEAD | X | X | ||||
| 854101 | HOSE, DRAIN, CAPPED | RECOVERY TANK | X | X | X | X | X | |
| 874101 | HOSE, SQUEEGEE, 90 CUFF | RECOVERY TANK | X | X | X | X | X | |
| 854103 | HOSE, VACUUM, 1.5INCH | RECOVERY TANK | X | X | X | X | ||
| 854302 | HUB, DRIVER, BRUSH | SCRUB HEAD | X | X | X | |||
| 874305 | HUB, PULLEY, MACH FLAT | SCRUB HEAD | X | X | ||||
| 874306 | HUB, PULLEY, MACH GROOVED | SCRUB HEAD | X | X | ||||
| 875017 | KIT CASTER 4 INCH REPLACEMENT | FRAME ASSEMBLY | X | X | X | X | X | |
| 875010 | KIT, BEARING, REPLY, ORBIT | SCRUB HEAD | X | X | ||||
| 875009 | KIT, PLATE, REPLY, ORBIT | SCRUB HEAD | X | X | ||||
| 875202 | MOTOR, VACUUM, 24VDC, 3-STAGE | RECOVERY TANK | X | X | X | X | ||
| 555901 | PAD 12” BLACK STRIP CASE 5 | SCRUB HEAD | X | X | ||||
| 555941 | PAD 12” RED SCRUB CASE 5 | SCRUB HEAD | X | X | ||||
| 555951 | PAD 12” WHITE POLISH CASE 5 | SCRUB HEAD | X | X | ||||
| 555902 | PAD 14” BLACK STRIP CASE 5 | SCRUB HEAD | X | X | ||||
| 555942 | PAD 14” RED SCRUB CASE 5 | SCRUB HEAD | X | X | ||||
| 555952 | PAD 14” WHITE POLISH CASE 5 | SCRUB HEAD | X | X | ||||
| 555909 | PAD 14” X28” BLACK STRIP CASE 5 | SCRUB HEAD | X | X | ||||
| 555929 | PAD 14” X28” MAROON CFR CASE 10 | SCRUB HEAD | X | X | ||||
| 555949 | PAD 14” X28” RED SCRUB CASE 5 | SCRUB HEAD | X | X |
| PART NUMBER | DESCRIPTION | DIAGRAM CATEGORY | WEAR ITEM | S-24 | S-28 DISK | S-32 | S-28 ORB | OPTIONAL |
| 555969 | PAD 14” X28” TURF CASE 4 | SCRUB HEAD | X | X | ||||
| 555959 | PAD 14” X28” WHITE POLISH CASE 5 | SCRUB HEAD | X | X | ||||
| 555903 | PAD 16” BLACK STRIP CASE 5 | SCRUB HEAD | X | X | ||||
| 555943 | PAD 16” RED SCRUB CASE 5 | SCRUB HEAD | X | X | ||||
| 555953 | PAD 16” WHITE POLISH CASE 5 | SCRUB HEAD | X | X | ||||
| 875903 | PAD, MIGHTYLOK ADH UNIVERSAL | SCRUB HEAD | X | X | ||||
| 875906 | PAD, RETAINER, 12X28 | SCRUB HEAD | X | X | ||||
| 857003 | PUMP ASSY HAND HYDRO LINK | BATTERIES | X | X | ||||
| 858503 | SKIRT, BRISTLE | SCRUB HEAD | X | X | ||||
| 878502 | SKIRT, BRISTLE | SCRUB HEAD | X | X | X | |||
| 911647 | SWITCH, KEY | CONTROLS | X | X | X | X | ||
| 911649 | SWITCH, ROCKER, AUTO ON-OFF | CONTROLS | X | X | X | |||
| 911653 | SWITCH, ROUND, ON – MOM | CONTROLS | X | X | X | X | ||
| 911682 | SWITCH, SNAP, BENT LEVER | FRAME ASSEMBLY | X | X | X | X | ||
| 911646 | SWITCH, SNAP, WITH ROLLER | CONTROLS | X | X | X | X | ||
| 879201 | TRAY, DEBRIS | RECOVERY TANK | X | X | X | X | X | |
| 879202 | TRAY, PUCK | RECOVERY TANK | X | X | X | X | X | |
| 855022 | KIT-GUIDE WHEEL REPLY, ANTI-RATTLE | SCRUB HEAD | X | X | X | X | X | |
| 879705 | WHEEL, URETHANE, 222MM | FRAME ASSEMBLY | X | X | X | X |
TROUBLESHOOTING GUIDE
| ISSUE | POTENTIAL CAUSE | PROPOSED SOLUTION | MANUAL SECTION |
| INSUFFICIENT WATER TO SCRUB HEAD | THE SOLUTION FLOW SETTING IS TOO LOW | ADJUST SOLUTION CONTROL | SOLUTION DISTRIBUTION |
| THE SOLUTION TANK IS EMPTY | ADD WATER/SOLUTION TO THE TANK | SOLUTION DISTRIBUTION | |
| THE IN-LINE SOLUTION FILTER IS CLOGGED | REMOVE AND CLEAN THE FILTER | SOLUTION DISTRIBUTION | |
| THE SOLUTION TUBE IS CLOGGED, KINKED, OR DAMAGED | INSPECT TUBES | PARTS DIAGRAMS | |
| SOLUTION SHUT OFF VALVE IS CLOSED | OPEN VALVE | SOLUTION DISTRIBUTION | |
| THE SOLUTION SOLENOID VALVE MAY BE FAULTY | VERIFY OPERATION AND REPLACE IF NECESSARY | PARTS DIAGRAMS | |
| POOR WATER RECOVERY | THE RECOVERY TANK IS FULL | EMPTY RECOVERY TANK | RECOVERY SYSTEM |
| DIRTY OR WORN SQUEEGEE BLADES | INSPECT AND ROTATE OR REPLACE AS REQUIRED | RECOVERY SYSTEM | |
| RECOVERY HOSE LOSE OR DAMAGED | INSPECT AND REPAIR | PARTS DIAGRAMS | |
| THE RECOVERY HOSE OR SQUEEGEE ASSEMBLY HAS AN OBSTRUCTION | CLEAR OBSTRUCTIONS FROM THE RECOVERY SYSTEM | PARTS DIAGRAMS | |
| SQUEEGEE ASSEMBLY MAY BE OUT OF ADJUSTMENT | ADJUST AS NECESSARY | RECOVERY SYSTEM | |
| STUCK OR DAMAGED BALL FLOAT | INSPECT AND REPAIR/REPLACE | RECOVERY SYSTEM | |
| THE RECOVERY TANK LID IS NOT SEALING PROPERLY | INSPECT RECOVERY LID GASKET. REPAIR OR REPLACE IF NEEDED | PARTS DIAGRAM | |
| THE DRAIN HOSE CAP IS NOT INSTALLED PROPERLY | INSTALL DRAIN HOSE SECURELY | RECOVERY SYSTEM | |
| LOW BATTERY VOLTAGE | CHARGE BATTERIES | CHARGING | |
| THE MACHINE WILL NOT TURN ON | FAULTY KEY SWITCH | DIAGNOSE AND REPLACE | WIRING DIAGRAMS |
| DISCHARGED BATTERIES | CHARGE BATTERIES | CHARGING | |
| LOOSE OR DAMAGED WIRE | REPAIR | WIRING DIAGRAMS | |
| MACHINE NOT CLEANING FLOOR PROPERLY | WORN PAD OR BRUSH | INSPECT AND REPLACE AS REQUIRED | SCRUB DECK SETUP |
| WRONG PAD OR BRUSH FOR APPLICATION | CONTACT YOUR LOCAL DISTRIBUTOR FOR RECOMMENDED APPLICATION | SCRUB DECK SETUP | |
| INSUFFICIENT CLEANING SOLUTION FOR APPLICATION | ADJUST THE MIXTURE AS REQUIRED | SOLUTION DISTRIBUTION | |
| EXCESSIVE FOAM IN RECOVERY TANK | IMPROPER DETERGENT TYPE | USE A LOW-FOAM DETERGENT OR ADD A DEFOAMING AGENT TO THE RECOVERY TANK. READ ALL CHEMICAL LABELS THOROUGHLY BEFORE USE | RECOVERY SYSTEM |
| MIXTURE SETTING TOO HIGH ON OPTIONAL CHEMICAL INJECTION SYSTEM | USE A LOW-FOAM DETERGENT OR ADD A DEFOAMING AGENT TO THE RECOVERY TANK. READ ALL CHEMICAL LABELS THOROUGHLY BEFORE USE | RECOVERY SYSTEM | |
| THE VACUUM MOTOR WILL NOT RUN | SQUEEGEE LIFT LEVER IS STILL RAISED | LOWER SQUEEGEE LEVER | RECOVERY SYSTEM |
| THE VACUUM RELAY MAY BE FAULTY | CONTACT SERVICE TECHNICIAN TO TROUBLESHOOT AND ISOLATE | WIRING DIAGRAMS | |
| THE VACUUM SWITCH OR WIRING MAY BE FAULTY | CONTACT SERVICE TECHNICIAN TO TROUBLESHOOT AND ISOLATE | WIRING DIAGRAMS | |
| THE VACUUM MOTOR WILL NOT TURN OFF | STILL IN DELAY MODE | ALLOW 10 SECONDS FOR THE VACUUM TO SHUT DOWN | RECOVERY SYSTEM |
| THE VACUUM RELAY MAY BE FAULTY | CONTACT SERVICE TECHNICIAN TO TROUBLESHOOT AND ISOLATE | WIRING DIAGRAM |
| ISSUE | POTENTIAL CAUSE | PROPOSED SOLUTION | MANUAL SECTION |
| THE SCRUB HEAD WILL NOT RUN | THE SCRUB HEAD IS STILL RAISED | LOWER SCRUB HEAD | SCRUB DECK SETUP |
| BATTERYSHIELD® LED IS ILLUMINATED AND HAS DISABLED THE SCRUB HEAD (IF EQUIPPED) | SERVICE THE BATTERIES | BATTERIES | |
| BATTERIES ARE DISCHARGED BELOW THRESHOLD VOLTAGE | CHARGE BATTERIES | CHARGING | |
| BRUSH MOTOR CIRCUIT BREAKER HAS TRIPPED | SEE THE NEXT TOPIC ON THIS TABLE | TROUBLESHOOTING TABLE | |
| THE SCRUB HEAD LIFT ARM SWITCH MAY BE STUCK OR FAULTY | INSPECT AND REPAIR SWITCH AS REQUIRED | PARTS DIAGRAMS | |
THE TRIGGER SWITCH IN THE HANDLE MAY BE FAULTY | INSPECT AND REPAIR AS REQUIRED | PARTS DIAGRAMS | |
| SOLUTION SOLENOID VALVE MAY HAVE AN INTERNAL SHORT | DISCONNECT WIRES FROM THE SOLENOID VALVE AND TRY RUNNING THE SCRUB HEAD AGAIN. REPLACE SOLENOID IF REQUIRED | WIRING DIAGRAM | |
| BATTERYSHIELD® RELAY MAY BE FAULTY (IF EQUIPPED) | CONTACT SERVICE TECHNICIAN TO TROUBLESHOOT AND ISOLATE | WIRING DIAGRAM | |
| THE SCRUB HEAD CIRCUIT BREAKER IS TRIPPED | INADEQUATE SOLUTION FOR APPLICATION | INCREASE SOLUTION TO SCRUB HEAD | PRE-USE SETUP |
| THE SCRUB HEAD IS SET TO HEAVY DOWN PRESSURE | REDUCE DOWN PRESSURE SETTING | PRE-USE SETUP | |
| PAD IS TOO AGGRESSIVE FOR APPLICATION | CONTACT YOUR LOCAL DISTRIBUTOR FOR RECOMMENDED APPLICATION | PRE-USE SETUP | |
| FAULTY OR SHORTED WIRE | REPAIR | WIRING DIAGRAM | |
| WEAK CIRCUIT BREAKER | CONTACT SERVICE TECHNICIAN TO TROUBLESHOOT AND ISOLATE. BREAKER SHOULD NOT TRIP BELOW ITS STATED RATING | PARTS DIAGRAMS | |
| THE MACHINE WILL NOT DRIVE | THE CIRCUIT BREAKER MAY BE TRIPPED | INSPECT AND RESET. IF THE PROBLEM PERSISTS CONTACT THE SERVICE TECHNICIAN | PRE-USE SETUP |
| THE BATTERY METER IS FLASHING A FAULT CODE | REFERENCE FAULT CODE AND TROUBLESHOOT AS REQUIRED | PRE-USE SETUP | |
| BATTERIES DISCHARGED TOO LOW | CHARGE BATTERIES | CHARGING | |
| SPEED CONTROL KNOB TURNED ALL THE WAY DOWN | INCREASE SPEED SETTING | DRIVE SYSTEM | |
| FAULTY CONTROLLER | CONTACT SERVICE TECHNICIAN TO TROUBLESHOOT AND ISOLATE | WIRING DIAGRAM | |
| FAULTY WIRING | CONTACT SERVICE TECHNICIAN TO TROUBLESHOOT AND ISOLATE | WIRING DIAGRAM | |
| RUN TIME IS SHORT | BATTERIES ARE LOW ON WATER (LEAD-ACID ONLY) | SERVICE BATTERIES | BATTERIES |
| THE CHARGER IS NOT SET PROPERLY FOR BATTERY TYPE | SET CHARGER TO BATTERY SPECIFICATIONS | CHARGING | |
| SCRUB HEAD IS IN HEAVY DOWN PRESSURE | REDUCE SCRUB HEAD PRESSURE | PRE-USE SETUP | |
| THE BATTERY CHARGER IS NOT ABLE TO FINISH THE CHARGE CYCLE | CONFIRM A STEADY GREEN LED AFTER THE CHARGE CYCLE (BEFORE UNPLUGGING FROM THE OUTLET) | CHARGING | |
| BATTERIES ARE DEFECTIVE OR AT THE END OF THEIR LIFE | CONTACT SERVICE TECHNICIAN TO TROUBLESHOOT AND ISOLATE | BATTERIES |
BATTERIES, BATTERY SHIELD® & HYDROLINK®
7 COMES WITH 4 MANIFOLDS (BATT CAPS), SERVICING TUBE (NOT PICTURED), AND A HAND PUMP
| ITEM | QTY | PART NUMBER | DESCRIPTION |
| 1 | 4 | 871301 | BATTERY, 6V, 260AH, LA |
| 2 | 4 | 871302 | BATTERY, 6V, 250AH, MF (NOT SHOWN, OPTIONAL) |
| 3 | 1 | 858202 | FOAM, SPACER, BATTERY |
| 4 | 3 | 911640 | HARNESS, CONN, BATTERY |
| 5 | 1 | 911641 | HARNESS, CONN, BATTERY |
| 6 | 1 | 878520 | SENSOR ASSY BATTERYSHIELD FIELD REPLACE |
| 7 | 1 | 879002 | COMPLETE SETS MANIFOLDS (BATT CAP), SERVICE TUBE & PUMP |
| 8 | 1 | 857003 | PUMP ASSY HAND HYDRO LINK |
| 9 | 1 | 855605 | MANIFOLD INDIV HYDROLINK (BATT CAP) |
OPTIONAL ONBOARD CHARGER

| ITEM | QTY | PART NUMBER | DESCRIPTION |
| 1 | 1 | 852407 | CHARGER, 24V, ONBRD, CULUS |
| 2 | 1 | 850805 | BRACKET, MTG, CORD |
| 3 | 1 | 870817 | BRACKET, MTG, CHARGER |
| 4 | 4 | 962186 | SCREW, PAN, #10-32 X 1.0, SS |
| 5 | 6 | W401D | WASHER, FLAT, #10 |
| 6 | 4 | 920666 | NUT, NYLON, #10-32, SS |
| 7 | 2 | W104D | WASHER, FLAT, .25 |
| 8 | 2 | 980002 | WASHER, LOCK, SPLIT, .25 |
| 9 | 1 | 920034 | NUT, NYLON, #6-32, SS |
| 10 | 2 | 962263 | SCREW, BUTT, SOCK, .25-20X.62, SS BO |
| 11 | 1 | 911645 | HARNESS, CHARGER, POST |
| 12 | 1 | W323D | SCREW, PAN, #6-32 X 1.0, ZINC |
| 14 | 2 | W189D | SCREW, HEX, 1/4-20 X .75, SS, PATCH |
| 15 | 2 | 501210 | BUMPER |
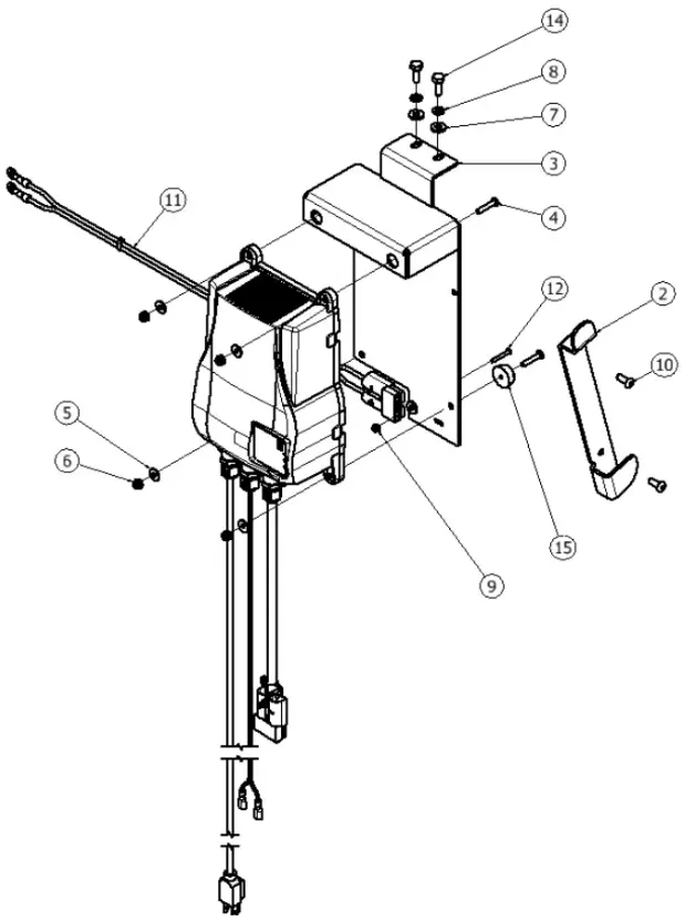
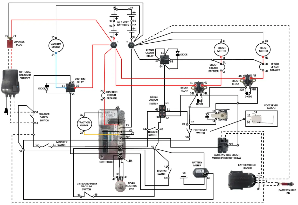
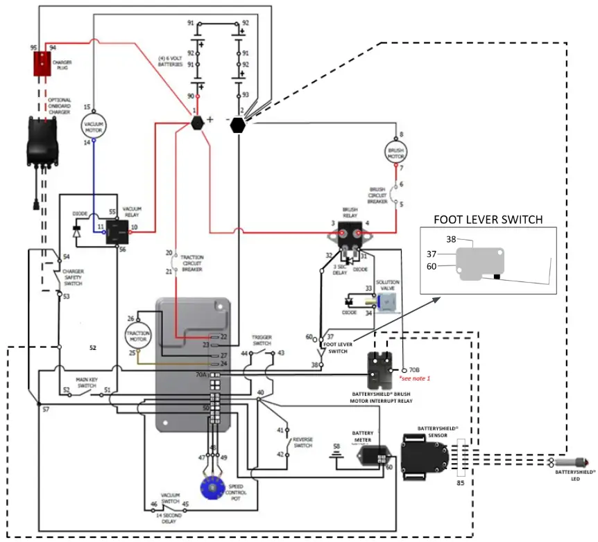
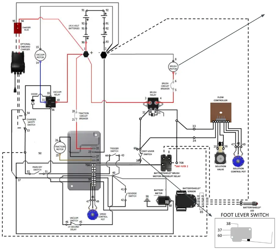
CONTROLS
S-24 DISK
(SEE ADDITIONAL DIAGRAM FOR MODELS EQUIPPED WITH BATTERYSHIELD® OR CHEMICAL INJECTION)
| ITEM | QTY | PART NUMBER | DESCRIPTION | ITEM | QTY | PART NUMBER | DESCRIPTION |
| 1 | 4 | 855601 | MOUNT, BEARING, PLASTIC | 26 | 1 | 911661 | METER, HOUR, DIGITAL |
| 2 | 1 | 877101 | PANEL, CONTROLS | 27 | 2 | 911664 | POTENTIOMETER ASSY, 5K |
| 3 | 3 | 911646 | SWITCH, SNAP, WITH ROLLER | 28 | 1 | 852401 | CABLE, LIFT, CLEVIS |
| 4 | 1 | 911621 | METER, BATTERY | 29 | 1 | 920038 | NUT, HEX, .31-24, SS |
| 5 | 1 | 855106 | LEVER, LIFT, SQUEEGEE | 30 | 1 | 911645 | HARNESS, CHARGER, POST |
| 6 | 1 | 902050 | BEARING, ROD END, .31-24 | 31 | 2 | 980033 | WASHER, FLAT, #6, SS |
| 7 | 2 | 911622 | CIRCUIT BREAKER, 30 AMPS | 32 | 2 | 855001 | KNOB, ADJUST, .25 BORE |
| 8 | 1 | 851301 | BAIL, MOLDED | 33 | 4 | 962264 | SCREW, BUTTON, SOCKET, .25 X 1.75, SS |
| 9 | 1 | 911647 | SWITCH, KEY | 34 | 2 | 962455 | SCREW, TRUSS, .25-20 X 1.0 |
| 10 | 1 | 855012 | KEY REPLMNT SCRUB 2-SET FOR 911647 | 35 | 2 | W132D | SCREW, PAN, #6-32 X 1.0, ZINC |
| 11 | 1 | 855004 | KNOB, OVAL, .31-18 | 36 | 1 | 920013 | NUT, #10-32, ZINC |
| 12 | 2 | 858302 | SPRING, EXTENSION | 37 | 1 | 850806 | BRACKET, PLUG |
| 13 | 4 | W104D | WASHER, FLAT, .25 | 38 | 4 | 980029 | WASHER, LOCK, STAR, EXTERNAL |
| 14 | 6 | 920011 | NUT, NYLOCK, 1/4-20, ZINC | 39 | 1 | 856608 | PLATE, MOUNTING |
| 15 | 1 | 962146 | SCREW, PAN, #10-32 X 1.5, FULL, ZINC | 40 | 1 | 911674 | HARNESS, POWER, 24 INCH |
| 16 | 4 | 920034 | NUT, NYLON, #6-32, SS | 41 | 1 | 911677 | HARNESS, SIGNAL, 24 INCH |
| 17 | 2 | 920666 | NUT, NYLON, #10-32, SS | 42 | 1 | 962279 | SCREW, SOCKET CAP, .31X1.0, SS |
| 18 | 4 | 962263 | SCREW, BUTT, SOCK, .25-20X.62, SS BO | 43 | 2 | W243D | WASHER, FLAT, 5/16, SS |
| 19 | 6 | 962273 | SCREW, PAN, #4-40 X .88, ZINC | 44 | 1 | 855115 | LABEL BATTERYSHIELD WITH QR CODE |
| 20 | 6 | 980682 | WASHER, FLAT, #4, ZINC | 45 | 1 | 872413 | CONTROLLER FLOW WATER |
| 21 | 6 | W385D | NUT, NYLOCK, #4-40, ZINC | 46 | 1 | 911722 | HARNESS SOLUTION FLOW S-SERIES |
| 22 | 1 | 920012 | NUT, NYLOCK, 5/16-18, ZINC | 47 | 1 | 980003 | WASHER, FLAT, .38 |
| 23 | 1 | 911653 | SWITCH, ROUND, ON – MOM | 48 | 1 | 878208 | SPACER PLASTIC #10 X .25 THICK |
| 24 | 1 | 875124 | LABEL CONTROL 22GAL DISK | 49 | 1 | 920001 | NUT, NYLON, #10-32, ZINC |
| 25 | 1 | 911649 | SWITCH, ROCKER, AUTO ON-OFF | 50 | 1 | W401D | WASHER, FLAT, #10 |
S-28 & S-32 DISK
(SEE ADDITIONAL DIAGRAM FOR MODELS EQUIPPED WITH BATTERYSHIELD® OR CHEMICAL INJECTION)
| ITEM | QTY | PART NUMBER | DESCRIPTION | ITEM | QTY | PART NUMBER | DESCRIPTION |
| 1 | 4 | 855601 | MOUNT, BEARING, PLASTIC | 26 | 1 | 911661 | METER, HOUR, DIGITAL |
| 2 | 1 | 877101 | PANEL, CONTROLS | 27 | 2 | 911664 | POTENTIOMETER ASSY, 5K |
| 3 | 3 | 911646 | SWITCH, SNAP, WITH ROLLER | 28 | 1 | 852401 | CABLE, LIFT, CLEVIS |
| 4 | 1 | 911621 | METER, BATTERY | 29 | 1 | 920038 | NUT, HEX, .31-24, SS |
| 5 | 1 | 855106 | LEVER, LIFT, SQUEEGEE | 30 | 1 | 911645 | HARNESS, CHARGER, POST |
| 6 | 1 | 902050 | BEARING, ROD END, .31-24 | 31 | 2 | 980033 | WASHER, FLAT, #6, SS |
| 7 | 1 | 911622 | CIRCUIT BREAKER, 30 AMPS | 32 | 2 | 855001 | KNOB, ADJUST, .25 BORE |
| 8 | 1 | 851301 | BAIL, MOLDED | 33 | 4 | 962264 | SCREW, BUTTON, SOCKET, .25 X 1.75, SS |
| 9 | 1 | 911647 | SWITCH, KEY | 34 | 2 | 962455 | SCREW, TRUSS, .25-20 X 1.0 |
| 10 | 1 | 855012 | KEY REPLMNT SCRUB 2-SET FOR 911647 | 35 | 2 | W132D | SCREW, PAN, #6-32 X 1.0, ZINC |
| 11 | 1 | 855004 | KNOB, OVAL, .31-18 | 36 | 1 | 920013 | NUT, #10-32, ZINC |
| 12 | 2 | 858302 | SPRING, EXTENSION | 37 | 1 | 850806 | BRACKET, PLUG |
| 13 | 4 | W104D | WASHER, FLAT, .25 | 38 | 2 | 911681 | BREAKER, CIRCUIT, 35 AMPS |
| 14 | 6 | 920011 | NUT, NYLOCK, 1/4-20, ZINC | 39 | 4 | 980029 | WASHER, LOCK, STAR, EXTERNAL |
| 15 | 1 | 962146 | SCREW, PAN, #10-32 X 1.5, FULL, ZINC | 40 | 1 | 856608 | PLATE, MOUNTING |
| 16 | 4 | 920034 | NUT, NYLON, #6-32, SS | 41 | 1 | 911675 | HARNESS, POWER, 28 & 32 INCH |
| 17 | 2 | 920666 | NUT, NYLON, #10-32, SS | 42 | 1 | 911678 | HARNESS, SIGNAL, 28 & 32 INCH |
| 18 | 4 | 962263 | SCREW, BUTT, SOCK, .25-20X.62, SS BO | 43 | 1 | 962279 | SCREW, SOCKET CAP, .31X1.0, SS |
| 19 | 6 | 962273 | SCREW, PAN, #4-40 X .88, ZINC | 44 | 2 | W243D | WASHER, FLAT, 5/16, SS |
| 20 | 6 | 980682 | WASHER, FLAT, #4, ZINC | 45 | 1 | 872413 | CONTROLLER FLOW WATER |
| 21 | 6 | W385D | NUT, NYLOCK, #4-40, ZINC | 46 | 1 | 980003 | WASHER, FLAT, .38 |
| 22 | 1 | 920012 | NUT, NYLOCK, 5/16-18, ZINC | 47 | 1 | 911722 | HARNESS SOLUTION FLOW S-SERIES |
| 23 | 1 | 911653 | SWITCH, ROUND, ON – MOM | 48 | 1 | 878208 | SPACER PLASTIC #10 X .25 THICK |
| 24 | 1 | 875124 | LABEL CONTROL 22GAL DISK | 49 | 1 | 920001 | NUT, NYLON, #10-32, ZINC |
| 25 | 1 | 911649 | SWITCH, ROCKER, AUTO ON-OFF | 50 | 1 | W401D | WASHER, FLAT, #10 |
S-28 ORBITAL
(SEE ADDITIONAL DIAGRAM FOR MODELS EQUIPPED WITH BATTERYSHIELD® OR CHEMICAL INJECTION)
| ITEM | QTY | PART NUMBER | DESCRIPTION | ITEM | QTY | PART NUMBER | DESCRIPTION |
| 1 | 4 | 855601 | MOUNT, BEARING, PLASTIC | 26 | 1 | 852401 | CABLE, LIFT, CLEVIS |
| 2 | 1 | 877101 | PANEL, CONTROLS | 27 | 1 | 920038 | NUT, HEX, .31-24, SS |
| 3 | 3 | 911646 | SWITCH, SNAP, WITH ROLLER | 28 | 1 | 911645 | HARNESS, CHARGER, POST |
| 4 | 1 | 911621 | METER, BATTERY | 29 | 2 | 980033 | WASHER, FLAT, #6, SS |
| 5 | 1 | 855106 | LEVER, LIFT, SQUEEGEE | 30 | 2 | 855001 | KNOB, ADJUST, .25 BORE |
| 6 | 1 | 902050 | BEARING, ROD END, .31-24 | 31 | 4 | 962264 | SCREW, BUTTON, SOCKET, .25 X 1.75, SS |
| 7 | 2 | 911622 | CIRCUIT BREAKER, 30 AMPS | 32 | 2 | 962455 | SCREW, TRUSS, .25-20 X 1.0 |
| 8 | 1 | 851301 | BAIL, MOLDED | 33 | 2 | W132D | SCREW, PAN, #6-32 X 1.0, ZINC |
| 9 | 1 | 911647 | SWITCH, KEY | 34 | 1 | 920013 | NUT, #10-32, ZINC |
| 10 | 1 | 855012 | KEY REPLMNT SCRUB 2-SET FOR 911647 | 35 | 1 | 850806 | BRACKET, PLUG |
| 11 | 1 | 855004 | KNOB, OVAL, .31-18 | 36 | 1 | 875125 | LABEL CONTROL 22GAL ORB |
| 12 | 2 | 858302 | SPRING, EXTENSION | 37 | 4 | 980029 | WASHER, LOCK, STAR, EXTERNAL |
| 13 | 4 | W104D | WASHER, FLAT, .25 | 38 | 1 | 856608 | PLATE, MOUNTING |
| 14 | 6 | 920011 | NUT, NYLOCK, 1/4-20, ZINC | 39 | 1 | 911676 | HARNESS, POWER, 28 ORBITAL |
| 15 | 1 | 962146 | SCREW, PAN, #10-32 X 1.5, FULL, ZINC | 40 | 1 | 911679 | HARNESS, SIGNAL, 28 ORBITAL |
| 16 | 4 | 920034 | NUT, NYLON, #6-32, SS | 41 | 1 | 962279 | SCREW, SOCKET CAP, .31X1.0, SS |
| 17 | 2 | 920666 | NUT, NYLON, #10-32, SS | 42 | 2 | W243D | WASHER, FLAT, 5/16, SS |
| 18 | 4 | 962263 | SCREW, BUTT, SOCK, .25-20X.62, SS BO | 43 | 1 | 855115 | LABEL BATTERYSHIELD WITH QR CODE |
| 19 | 6 | 962273 | SCREW, PAN, #4-40 X .88, ZINC | 44 | 1 | 872413 | CONTROLLER FLOW WATER |
| 20 | 6 | 980682 | WASHER, FLAT, #4, ZINC | 45 | 1 | 911722 | HARNESS SOLUTION FLOW S-SERIES |
| 21 | 6 | W385D | NUT, NYLOCK, #4-40, ZINC | 46 | 1 | 980003 | WASHER, FLAT, .38 |
| 22 | 1 | 920012 | NUT, NYLOCK, 5/16-18, ZINC | 47 | 1 | 878208 | SPACER PLASTIC #10 X .25 THICK |
| 23 | 1 | 911653 | SWITCH, ROUND, ON – MOM | 48 | 1 | 920001 | NUT, NYLON, #10-32, ZINC |
| 24 | 1 | 911661 | METER, HOUR, DIGITAL | 49 | 1 | W401D | WASHER, FLAT, #10 |
| 25 | 2 | 911664 | POTENTIOMETER ASSY, 5K | ||||
OPTIONAL BATTERYSHIELD & CHEMICAL INJECTION CONTROLS

| ITEM | QTY | PART NUMBER | DESCRIPTION |
| 1 | 1 | 872401 | CONTROLLER, DISPENSING |
| 2 | 2 | 875001 | KNOB, .25 BORE, SMALL |
| 3 | 1 | 875104 | LABEL, CONTROL, SOLUTION |
| 4 | 1 | 875107 | LED, RED, 24VDC |
| 5 | 1 | 855115 | LABEL BATTERYSHIELD WITH QR CODE |
| 6 | 1 | 911684 | HARNESS, BATTERYSHIELD |
| 7 | 1 | 911680 | HARNESS, SOLUTION CONTROL |
| 8 | 1 | 855012 | KEY REPLMNT SCRUB 2-SET FOR 911647 |
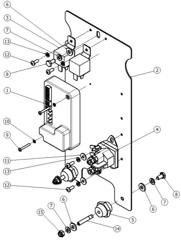
ELECTRONICS
S-24
(SEE ADDITIONAL DIAGRAM FOR MODELS EQUIPPED WITH BATTERYSHIELD® OR CHEMICAL INJECTION)
| ITEM | QTY | PART NUMBER | DESCRIPTION |
| 1 | 1 | 879101 | CONTROLLER, I-DRIVE, MID |
| 2 | 1 | 879801 | PANEL, ELECTRONICS |
| 3 | 1 | 912402 | CONTACTOR, 24VDC, 70A |
| 4 | 2 | 912401 | CONTACTOR, 24V, 100A |
| 5 | 2 | 858501 | STAND-OFF, INSULATED, .25-20 |
| 6 | 6 | W104D | WASHER, FLAT, .25 |
| 7 | 6 | 980002 | WASHER, LOCK, SPLIT, .25 |
| 8 | 4 | W169D | SCREW, HEX, .25-20 X .50 |
| 9 | 2 | W323D | SCREW, PAN, #6-32 X 1.0, ZINC |
| 10 | 2 | 980025 | WASHER, SPLIT LOCK, #6, ZINC |
| 11 | 4 | W401D | WASHER, FLAT, #10 |
| 12 | 6 | 962363 | SCREW, PAN, #10-32 X .50, SS |
| 13 | 6 | 980022 | WASHER, LOCK, SPLIT, #10 |
| 14 | 2 | 962276 | SCREW, SET, .25-20 X 1.25, ZINC, PATCH |
| 15 | 2 | 924083 | NUT .25-20 FLEX LOCK ZINC |
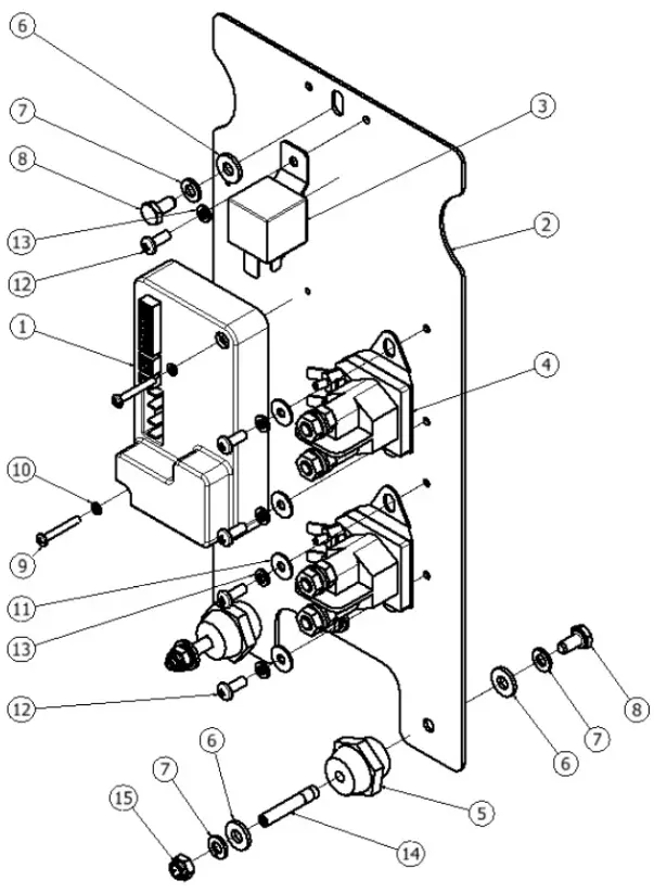
S-28 & S-32 DISK
(SEE ADDITIONAL DIAGRAM FOR MODELS EQUIPPED WITH BATTERYSHIELD® OR CHEMICAL INJECTION)
| ITEM | QTY | PART NUMBER | DESCRIPTION |
| 1 | 1 | 879101 | CONTROLLER, I-DRIVE, MID |
| 2 | 1 | 879801 | PANEL, ELECTRONICS |
| 3 | 1 | 912402 | CONTACTOR, 24VDC, 70A |
| 4 | 2 | 912401 | CONTACTOR, 24V, 100A |
| 5 | 2 | 858501 | STAND-OFF, INSULATED, .25-20 |
| 6 | 6 | W104D | WASHER, FLAT, .25 |
| 7 | 6 | 980002 | WASHER, LOCK, SPLIT, .25 |
| 8 | 4 | W169D | SCREW, HEX, .25-20 X .50 |
| 9 | 2 | W323D | SCREW, PAN, #6-32 X 1.0, ZINC |
| 10 | 2 | 980025 | WASHER, SPLIT LOCK, #6, ZINC |
| 11 | 4 | W401D | WASHER, FLAT, #10 |
| 12 | 6 | 962363 | SCREW, PAN, #10-32 X .50, SS |
| 13 | 6 | 980022 | WASHER, LOCK, SPLIT, #10 |
| 14 | 2 | 962276 | SCREW, SET, .25-20 X 1.25, ZINC, PATCH |
| 15 | 2 | 924083 | NUT .25-20 FLEX LOCK ZINC |
S-28 ORBITAL
(SEE ADDITIONAL DIAGRAM FOR MODELS EQUIPPED WITH BATTERYSHIELD® OR CHEMICAL INJECTION)
| ITEM | QTY | PART NUMBER | DESCRIPTION |
| 1 | 1 | 879101 | CONTROLLER, I-DRIVE, MID |
| 2 | 1 | 879801 | PANEL, ELECTRONICS |
| 3 | 1 | 912402 | CONTACTOR, 24VDC, 70A |
| 4 | 2 | 912401 | CONTACTOR, 24V, 100A |
| 5 | 2 | 858501 | STAND-OFF, INSULATED, .25-20 |
| 6 | 6 | W104D | WASHER, FLAT, .25 |
| 7 | 6 | 980002 | WASHER, LOCK, SPLIT, .25 |
| 8 | 4 | W169D | SCREW, HEX, .25-20 X .50 |
| 9 | 2 | W323D | SCREW, PAN, #6-32 X 1.0, ZINC |
| 10 | 2 | 980025 | WASHER, SPLIT LOCK, #6, ZINC |
| 11 | 4 | W401D | WASHER, FLAT, #10 |
| 12 | 6 | 962363 | SCREW, PAN, #10-32 X .50, SS |
| 13 | 6 | 980022 | WASHER, LOCK, SPLIT, #10 |
| 14 | 2 | 962276 | SCREW, SET, .25-20 X 1.25, ZINC, PATCH |
| 15 | 2 | 924083 | NUT .25-20 FLEX LOCK ZINC |
OPTIONAL BATTERSHIELD® ELECTRONICS
| ITEM | QTY | PART NUMBER | DESCRIPTION |
| 1 | 2 | 980025 | WASHER, SPLIT LOCK, #6, ZINC |
| 2 | 1 | 911685 | RELAY, 24VDC, BATTERYSHIELD |
| 3 | 2 | W315D | SCREW, PAN, #6-32 X .50, BLK |
| 4 | 2 | 980033 | WASHER, FLAT, #6, SS |
FRAME ASSEMBLY

| ITEM | QTY | PART NUMBER | DESCRIPTION |
| 1 | 1 | 873201 | FRAME, SCRUBBER, 20 TRACT |
| 2 | 4 | W243D | WASHER, FLAT, 5/16, SS |
| 3 | 8 | 980094 | WASHER, SPLIT LOCK, .31, SS |
| 4 | 4 | 962269 | SCREW, HEX, .31-18 X .75, SS |
| 5 | 1 | 855014 | KIT VALVE SCRUBBER REPLMNT |
| 6 | 1 | 859402 | VALVE SOLENOID 24V NON ADJ |
| 7 | 14 | W189D | SCREW, HEX, 1/4-20 X .75, SS, PATCH |
| 8 | 1 | 980029 | WASHER, LOCK, STAR, EXTERNAL |
| 9 | 14 | 920011 | NUT, NYLOCK, 1/4-20, ZINC |
| 10 | 8 | W104D | WASHER, FLAT, .25 |
| 11 | 1 | 852101 | CLAMP, WIRE, P-SHAPED |
| 12 | 1 | 224130 – 20.0” | TUBING, 1/2” |
| 13 | 4 | S453P | CLAMP, HOSE, WORM |
| 14 | 1 | 224130 – 14.0” | TUBING, 1/2” |
| 15 | 1 | 843319 | FILTER, SCREEN, BOWL |
| 16 | 1 | 224130 – 5.12” | TUBING, 1/2” |
| 17 | 2 | 850807 | BRACKET, RETAINING, TRANS |
| 18 | 1 | 879203 | TRANSAXLE, 24VDC |
| 19 | 1 | 870919 | BRUSH KIT REPLY FOR TRANSAXLE 879203 |
| 20 | 1 | 875204 | MOTOR REPL FOR TRANSAXLE 879203 |
| 21 | 2 | 915007 | KEY, WOODRUFF, 5MM |
| 22 | 2 | 879705 | WHEEL, URETHANE, 222MM |
| 23 | 2 | 920648 | NUT, M12, NYLOCK |
| 24 | 2 | 875017 | KIT CASTER 4 INCH REPLACEMENT |
| 25 | 2 | 877502 | RIG CASTER 4INCH WITH AXLE |
| 26 | 2 | 879711 | WHEEL CASTER 4INCH |
| 27 | 1 | 911682 | SWITCH, SNAP, BENT LEVER |
| 28 | 1 | 856608 | PLATE, MOUNTING |
| 29 | 2 | W385D | NUT, NYLOCK, #4-40, ZINC |
| 30 | 2 | 962273 | SCREW, PAN, #4-40 X .88, ZINC |
| 31 | 1 | 873804 | GROMMET .50ID .81HOLE .25THK |
HEAD LIFT ASSEMBLY

| ITEM | QTY | PART NUMBER | DESCRIPTION |
| 1 | 1 | 870801 | BRACKET, LIFT, HEAD |
| 2 | 6 | 875601 | MOUNT, BEARING, PLASTIC |
| 3 | 1 | 875106 | LEVER, DOWN PRESSURE |
| 4 | 1 | 875105 | LABEL, FOOT, GRIP, LARGE |
| 5 | 1 | 980108 | WASHER, FLAT, .31ID, 1.25OD, .12THK, SS |
| 6 | 1 | 980094 | WASHER, SPLIT LOCK, .31, SS |
| 7 | 1 | 962279 | SCREW, SOCKET CAP, .31X1.0, SS |
| 8 | 4 | 980612 | WASHER, NYL, .50 X 1.25 X .062 |
| 9 | 3 | 980093 | WASHER, WAVE, .50INCH |
| 10 | 1 | 878301 | SPRING, EXTENSION |
| 11 | 3 | 920035 | NUT, NYLON, .38-16, SS |
| 12 | 2 | 871101 | BUSHING, FLANGE, .50IN |
| 13 | 3 | 962465 | SCREW, SHOULDER, .50 X .50 |
| 14 | 1 | 875002 | KNOB, PLASTIC, LARGE |
| 15 | 6 | 920012 | NUT, NYLOCK, 5/16-18, ZINC |
| 16 | 6 | W243D | WASHER, FLAT, 5/16, SS |
| 17 | 6 | 962463 | SCREW, HEX, .31-18 X 2.5, SS, FULL THD |
| 18 | 1 | 858205 | SPACER, RUBBER |
| 19 | 2 | W104D | WASHER, FLAT, .25 |
| 20 | 1 | 962028 | SCREW, HX, .38-24X.75,SS,PTCH |
| 21 | 1 | 980009 | WASHER, SPLIT LOCK, 3/8, SS |
| 22 | 1 | 962221 | SCREW, HEX, .25-20 X 1.0, SS |
| 23 | 1 | 920037 | NUT, THIN JAM, 1/4-20, ZINC |
| 24 | 1 | 980002 | WASHER, LOCK, SPLIT, .25 |
| 25 | 1 | 878207 | SPACER LIFT ARM |
| 26 | 1 | 964256 | SCREW .38-16X.88 BUTT SCK ZNC PTCH |
| 27 | 1 | 980785 | WASHER WAVE 1.0INCH SS |
SOLUTION TANK

| ITEM | QTY | PART NUMBER | DESCRIPTION |
| 1 | 1 | 878601 | TANK, SOLUTION, 22 GAL |
| 2 | 1 | 870805 | BRACKET, SUPPORT, LEVER |
| 3 | 1 | 879004 | TUBE, SIGHT, REPLACEMENT |
| 4 | 2 | 853303 | FITTING, STR, BM12, PM08 |
| 5 | 1 | W189D | SCREW, HEX, 1/4-20 X .75, SS, PATCH |
| 6 | 1 | 920037 | NUT, THIN JAM, 1/4-20, ZINC |
| 7 | 1 | 962455 | SCREW, TRUSS, .25-20 X 1.0 |
| 8 | 4 | 225670 | PAD, WIRE TIE |
| 9 | 1 | S453P | CLAMP, HOSE, WORM |
| 10 | 4 | 962271 | SCREW, PAN, #10 X .38L, ZINC |
| 11 | 1 | 875103 | LABEL, INSTRUCTION, BATTERY |
| 12 | 1 | 879401 | VALVE, SHUT-OFF, BALL |
| 13 | 1 | 875011 | KIT, STRAINER, PORT, FILL |
| 14 | 1 | 872304 | COVER, PORT, FILL |
| 15 | 1 | 874501 | HINGE, TANK, RECOVERY |
| 16 | 5 | 962269 | SCREW, HEX, .31-18 X .75, SS |
| 17 | 5 | 980094 | WASHER, SPLIT LOCK, .31, SS |
| 18 | 5 | W243D | WASHER, FLAT, 5/16, SS |
| 19 | 1 | W401D | WASHER, FLAT, #10 |
| 20 | 4 | 962460 | SCREW, #8X.75, PHIL TRUSS SS |
| 21 | 1 | 980002 | WASHER, LOCK, SPLIT, .25 |
| 22 | 1 | 870819 | BRACKET, RETENTION, HANGER |
RECOVERY TANK AND VACUUM

| ITEM | QTY | PART NUMBER | DESCRIPTION |
| 1 | 2 | 223370 | FLOAT, SHUTOFF |
| 2 | 2 | 853304 | FITTING, STR, BM24, PM20 |
| 3 | 1 | 873401 | GASKET, COVER, PRESS-IN |
| 4 | 1 | 854103 | HOSE, VACUUM, 1.5INCH |
| 5 | 1 | 874101 | HOSE, SQUEEGEE, 90 CUFF |
| 6 | 1 | 874102 | HOSE SQUEEGEE MID-CHEM RESIST |
| 7 | 1 | 852101 | CLAMP, WIRE, P-SHAPED |
| 8 | 4 | 855603 | MOUNT, RUBBER, .25-20 |
| 9 | 2 | 962462 | SCREW, SHOULDER, .38 X 1.75, SS |
| 10 | 1 | 878602 | TANK, RECOVERY, 22 GAL |
| 11 | 3 | W104D | WASHER, FLAT, .25 |
| 12 | 12 | 980002 | WASHER, LOCK, SPLIT, .25 |
| 13 | 9 | 920037 | NUT, THIN JAM, 1/4-20, ZINC |
| 14 | 1 | 870806 | BRACKET, MTG, ISOLATOR |
| 15 | 4 | S611A | CLAMP, HOSE, WORM |
| 16 | 1 | 854101 | HOSE, DRAIN, CAPPED |
| 17 | 1 | 851501 | CAP HOSE DRAIN – REPL FOR 854101 |
| 18 | 1 | 854104 | HOSE DRAIN CAPPED CHEM RESIST |
| 19 | 1 | 872412 | CABLE RETENTION MID-LONG |
| 20 | 4 | W189D | SCREW, HEX, 1/4-20 X .75, SS, PATCH |
| 21 | 8 | 964224 | SCREW, PAN, #10 X .5, SELF TAPPING |
| 22 | 1 | 853308 | FITTING, MODIFIED |
| 23 | 1 | 872301 | COVER, TANK, RECOVERY |
| 24 | 1 | 879201 | TRAY, DEBRIS |
| 25 | 1 | 877007 | PUCK, BROMINE (4-PACK) |
| 26 | 1 | 873304 | FILTER, HEPA, MID |
| 27 | 1 | 879202 | TRAY, PUCK |
| 28 | 2 | 875202 | MOTOR, VACUUM, 24VDC, 3-STAGE |
| 29 | 2 | 980106 | WASHER, FLAT, .25ID, 1.0OD, .12THK, SS |
| 30 | 3 | 962269 | SCREW, HEX, .31-18 X .75, SS |
| 31 | 3 | W243D | WASHER, FLAT, 5/16, SS |
| ITEM | QTY | PART NUMBER | DESCRIPTION |
| 32 | 3 | 980094 | WASHER, SPLIT LOCK, .31, SS |
| 33 | 1 | 875110 | LABEL, INSTRUCT, BROMINE |
| 34 | 1 | 872303 | COVER, MTG, VACUUM |
| 35 | 1 | 873314 | GASKET, FOAM, VACUUM |
| 36 | 1 | 853305 | FOAM, NOISE, VACUUM |
| 37 | 1 | 874501 | HINGE, TANK, RECOVERY |
| 38 | 2 | 856803 | PLUG HOLE 1 INCH BLACK |
| 39 | 1 | 873315 | FOAM BARRIER NOISE |
| 40 | 1 | 858506 | STRAP SUPPORT HOSE |
AVAILABLE VACUUM MOTOR KIT – #875023
| ITEM | DESCRIPTION | QTY |
| 877802 | SHEET INSTR MID-SCRUBBER VAC MTR REPLY | 1 |
| 873314 | GASKET, FOAM, VACUUM | 1 |
| 875202 | MTR, VAC, 24VDC, 3STG – KIT 875023 AVAIL | 1 |
| 873315 | FOAM BARRIER NOISE MID | 1 |
| 853305 | FOAM, NOISE, VACUUM | 1 |
OPTIONAL CHEMICAL INJECTION

| ITEM | QTY | PART NUMBER | DESCRIPTION |
| 1 | 1 | 877002 | PUMP, 24VDC, SOLENOID, EMX08 |
| 2 | 1 | 870810 | BRACKET, HEAT SINK |
| 3 | 1 | 870811 | BRACKET, MTG, HEAT SINK |
| 4 | 1 | S764P2 | FILTER, STRAINER |
| 5 | 1 | 871501 | CAP, 38MM, WITH HOLE |
| 6 | 1 | 879402 | VALVE, CHECK, .188 X .50 BARB |
| 7 | 1 | 873308 | FITTING, TEE, 0.50 INCH |
| 8 | 2 | 853301 | FITTING, REDUCER, BM08, BM04 |
| 9 | 2 | 980002 | WASHER, LOCK, SPLIT, .25 |
| 10 | 3 | W189D | SCREW, HEX, 1/4-20 X .75, SS, PATCH |
| 11 | 2 | 962363 | SCREW, PAN, #10-32 X .50, SS |
| 12 | 2 | 980022 | WASHER, LOCK, SPLIT, #10 |
| 13 | 1 | 879003 – 42.0” | TUBING, 3/16” |
| 14 | 1 | 879003 – 10.0” | TUBING, 3/16” |
| 15 | 1 | 224130 – 1.62” | TUBING, 1/2” |
| 16 | 1 | 224130 – 3.38” | TUBING, 1/2” |
| 17 | 1 | 877005 | PUMP, GEAR, 24VDC |
| 18 | 1 | 872001 | CLAMP, P-SHAPED, 1.5 DIA |
| 19 | 1 | 224130 | TUBING, 1/2” |
| 20 | 1 | 224130 | TUBING, 1/2” |
| 21 | 1 | 920011 | NUT, NYLOCK, 1/4-20, ZINC |
| 22 | 2 | 224130 | TUBING, 1/2” |
| 23 | 3 | 872002 | CLAMP, HOSE, .31, WIRE |
| 24 | 1 | 224130 | TUBING, 1/2” |
| 25 | 2 | 980107 | WASHER, FLAT, .31ID, 1.0OD, .12THK, SS |
| 26 | 2 | S453P | CLAMP, HOSE, WORM |
| 27 | 4 | 872003 | CLAMP, HOSE, .38, WIRE |
35” SQUEEGEE ASSEMBLY
LINATEX: 878526
URETHANE: 878511
| ITEM | QTY | PART NUMBER | DESCRIPTION |
| 1 | 1 | 873203 | FRAME, SQUEEGEE, 35 INCH |
| 2 | 1 | 870701 | BLADE, REAR, 35INCH (LINATEX) |
| 2 | 1 | 870707 | BLADE, REAR, 35INCH (URETHANE) |
| 3 | 1 | 870702 | BLADE, FRONT, 35INCH (LINATEX) |
| 3 | 1 | 870708 | BLADE, FRONT, 35INCH (URETHANE) |
| 4 | 1 | 877203 | RETAINER, REAR, 35 INCH |
| 5 | 1 | 877204 | RETAINER, FRONT, 35 INCH |
| 6 | 2 | 859703 | WHEEL, GUIDE |
| 7 | 3 | 962465 | SCREW, SHOULDER, .50 X .50 |
| 8 | 4 | 920034 | NUT, NYLON, #6-32, SS |
| 9 | 3 | 920035 | NUT, NYLON, .38-16, SS |
| 10 | 2 | 852002 | CLAMP, OVER-CENTER, BAND |
| 11 | 1 | 878516 | NARROW AISLE SQUEEGEE ASSY, 30INCH WIDE |
| 12 | 2 | 980093 | WASHER, WAVE, .50INCH |
40” SQUEEGEE ASSEMBLY
LINATEX: 878527
URETHANE: 878512
| ITEM | QTY | PART NUMBER | DESCRIPTION |
| 1 | 1 | 873204 | FRAME, SQUEEGEE, 40 INCH |
| 2 | 1 | 870703 | BLADE, REAR, 40INCH (LINATEX) |
| 2 | 1 | 870709 | BLADE, REAR, 40INCH (URETHANE) |
| 3 | 1 | 870704 | BLADE, FRONT, 40INCH (LINATEX) |
| 3 | 1 | 870710 | BLADE, FRONT, 40INCH (URETHANE) |
| 4 | 1 | 877201 | RETAINER, REAR, 40 INCH |
| 5 | 1 | 877202 | RETAINER, FRONT, 40 INCH |
| 6 | 2 | 859703 | WHEEL, GUIDE |
| 7 | 3 | 962465 | SCREW, SHOULDER, .50 X .50 |
| 8 | 4 | 920034 | NUT, NYLON, #6-32, SS |
| 9 | 3 | 920035 | NUT, NYLON, .38-16, SS |
| 10 | 2 | 852002 | CLAMP, OVER-CENTER, BAND |
| 11 | 2 | 980093 | WASHER, WAVE, .50INCH |
45” SQUEEGEE ASSEMBLY
LINATEX: 878528
URETHANE: 878513
| ITEM | QTY | PART NUMBER | DESCRIPTION |
| 1 | 1 | 873205 | FRAME SQUEEGEE 45 INCH |
| 2 | 1 | 870705 | BLADE REAR 45 INCH LATEX |
| 2 | 1 | 870711 | BLADE REAR 45 INCH URETHANE |
| 3 | 1 | 870706 | BLADE FRONT 45 INCH LINARD |
| 3 | 1 | 870712 | BLADE FRONT 45 INCH URETHANE |
| 4 | 1 | 877205 | RETAINER, REAR, 45 INCH |
| 5 | 1 | 877206 | RETAINER, FRONT, 45 INCH |
| 6 | 2 | 859703 | WHEEL, GUIDE |
| 7 | 3 | 962465 | SCREW, SHOULDER, .50 X .50 |
| 8 | 4 | 920034 | NUT, NYLON, #6-32, SS |
| 9 | 3 | 920035 | NUT, NYLON, .38-16, SS |
| 10 | 2 | 852002 | CLAMP, OVER-CENTER, BAND |
| 11 | 2 | 980093 | WASHER, WAVE, .50INCH |
SQUEEGEE LINK

| ITEM | QTY | PART NUMBER | DESCRIPTION |
| 1 | 2 | 849709 | WHEEL, 2 OD, .31 ID |
| 2 | 2 | 962464 | SCREW, BUTTON, .31-18 X 1.25, ZINC |
| 3 | 1 | 850501 | AXLE, WHEEL, SQUEEGEE |
| 4 | 1 | 902051 | BEARING, ROD END, .38 FEM |
| 5 | 1 | 870802 | BRACKET, LINK, SQUEEGEE |
| 6 | 8 | 980105 | WASHER, PLASTIC, THRUST |
| 7 | 3 | 920035 | NUT, NYLON, .38-16, SS |
| 8 | 1 | 962075 | SCREW, HEX, 3/8-16 X 1.5, SS |
| 9 | 1 | 962028 | SCREW, HEX, .38-24X.75,SS,PTCH |
| 10 | 1 | 870803 | BRACKET, SWING, SQUEEGEE |
| 11 | 1 | 877501 | GUIDE, ROLLER, SQUEEGEE |
| 12 | 2 | 962465 | SCREW, SHOULDER, .50 X .50 |
| 13 | 2 | 871101 | BUSHING, FLANGE, .50IN |
| 14 | 1 | 962270 | SCREW, HEX, 5/16-18X1.75,SS |
| 15 | 1 | 878504 | STRAP, GROUNDING, STATIC |
| 16 | 1 | 878204 | SPACER, GUIDE, SQUEEGEE |
| 17 | 1 | 980003 | WASHER, FLAT, .38 |
| 18 | 2 | 875003 | KNOB, THREADED, .31-18 X 1.5 |
| 19 | 1 | 980107 | WASHER, FLAT, .31ID, 1.0OD, .12THK, SS |
| 20 | 2 | 877207 | RETAINER, FRAME, SQUEEGEE |
| 21 | 9 | 920040 | NUT, .31-18, NYLOCK, SS, LOW |
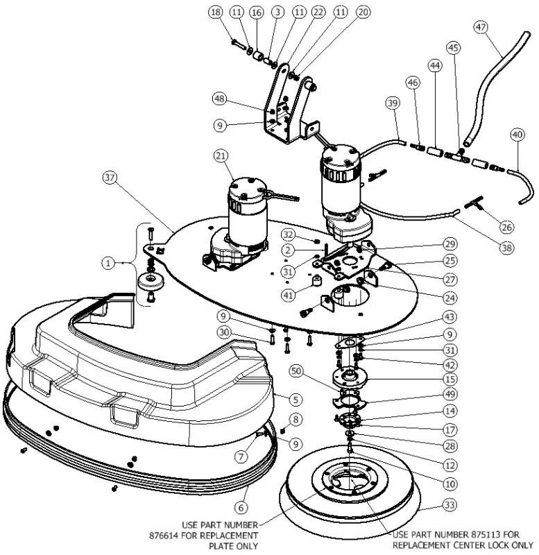
SCRUB HEAD
S-24

| ITEM | QTY | PART NUMBER | DESCRIPTION |
| 1 | 2 | 870902 | BRUSH, POLY, 12 INCH |
| 2 | 2 | 870908 | BRUSH, NYLON, 12 INCH |
| 3 | 2 | 870909 | BRUSH, GRIT, 12 INCH |
| 4 | 1 | 859703 | WHEEL, GUIDE |
| 5 | 1 | 875019 | KIT SKIRT REPLACEMENT (ITEMS 6 – 10) |
| 6 | 4 | 962263 | SCREW, BUTT, SOCK, .25-20X.62, SS BO |
| 7 | 4 | 920665 | NUT, NYLOCK, 1/4-20, SS |
| 8 | 8 | W104D | WASHER, FLAT, .25 |
| 9 | 1 | 872305 | SHROUD, HEAD, 24INCH |
| 10 | 1 | 858503 | SKIRT, BRISTLE |
| 11 | 13 | 962274 | SCREW, FLAT, SOCK, .25-20X.62, SS, PATCH |
| 12 | 2 | 873302 | FITTING, TEE, PM02XBM04 |
| 13 | 2 | 875901 | DRIVER, PAD, 12INCH, BRISTLE |
| 14 | 1 | 204179 – 16.0” | TUBING, 1/4” |
| 15 | 1 | 204179 – 9.75” | TUBING, 1/4” |
| 16 | 1 | 204179 – 8.25” | TUBING, 1/4” |
| 17 | 1 | 873308 | FITTING, TEE, 0.50 INCH |
| 18 | 2 | 853301 | FITTING, REDUCER, BM08, BM04 |
| 19 | 2 | 224130 – 1.75” | TUBING, 1/2” |
| 20 | 1 | 878205 | SPACER, WHEEL, GUIDE |
| 21 | 1 | 224130 – 20.0” | TUBING, 1/2” |
AVAILABLE PADS
| PART NUMBER | DESCRIPTION |
| 555901 | PAD 12” BLACK STRIP CASE 5 |
| 555941 | PAD 12” RED SCRUB CASE 5 |
| 555951 | PAD 12” WHITE POLISH CASE 5 |

| ITEM | QTY | PART NUMBER | DESCRIPTION |
| 1 | 1 | 876602 | PLATE, MTG, 24 INCH |
| 2 | 3 | 858203 | SPACER, WHEEL, GUIDE |
| 3 | 8 | W104D | WASHER, FLAT, .25 |
| 4 | 9 | W243D | WASHER, FLAT, 5/16, SS |
| 5 | 1 | 853803 | GUIDE, DRIVER |
| 6 | 2 | 873801 | GUIDE, PAD, PLASTIC |
| 7 | 3 | 857501 | ROLLER, PLASTIC |
| 8 | 13 | 962274 | SCREW, FLAT, SOCK, .25-20X.62, SS, PATCH |
| 9 | 3 | 962270 | SCREW, HEX, 5/16-18X1.75,SS |
| 10 | 3 | 920012 | NUT, NYLOCK, 5/16-18, ZINC |
| 11 | 1 | 855204 | MOTOR, 24V, 2200 RPM, 1HP |
| 12 | 1 | 850906 | BRUSH CARBON KIT 4 PC 855204 & 875201 |
| 13 | 1 | 903046 | BELT, V-GROOVE, STRETCH |
| 14 | 1 | 876606 | PLATE, COVER, 24 INCH |
| 15 | 2 | 877701 | SHAFT, PULLEY, HEAD |
| 16 | 6 | 902035 | BEARING, .5 ID, 1.1875 OD |
| 17 | 3 | 876901 | PULLEY, IDLER |
| 18 | 3 | 877302 | RING, RETAINING, INT, 1.12 DIA |
| 19 | 6 | 878201 | SPACER, IDLER |
| 20 | 3 | 878202 | SPACER, IDLER, PLAIN |
| 21 | 1 | 876902 | PULLEY, MOTOR, DRIVE |
| 22 | 1 | 980108 | WASHER, FLAT, .31ID, 1.25OD, .12THK, SS |
| 23 | 1 | 915006 | KEY, 8MM X 7MM X 28MM |
| 24 | 4 | 902053 | BEARING, .75 ID, DBL SEAL |
| 25 | 2 | 980003 | WASHER, FLAT, .38 |
| 26 | 2 | 878203 | SPACER, BEARING |
| 27 | 1 | 874306 | HUB, PULLEY, MACH GROOVED |
| 28 | 1 | 874305 | HUB, PULLEY, MACH FLAT |
| 29 | 1 | 870807 | BRACKET, SUPPORT, HEAD 24 |
| 30 | 4 | 964008 | SCREW, HEX, M6 X 25, SS, PATCH |
| 31 | 1 | 964060 | SCREW, HEX, M8-1.25 X 20, SS |
| ITEM | QTY | PART NUMBER | DESCRIPTION |
| 32 | 2 | 920039 | NUT, .62-18, NYLOCK, LOW |
| 33 | 1 | 870814 | BRACKET, SUPPORT, 24XM |
| 34 | 2 | 920035 | NUT, NYLON, .38-16, SS |
| 35 | 1 | 873802 | GUIDE, DRIVER, RH |
| 36 | 1 | 878206 | SPACER, MOTOR, 24INCH |
| 37 | 6 | W189D | SCREW, HEX, 1/4-20 X .75, SS, PATCH |
| 38 | 6 | 980002 | WASHER, LOCK, SPLIT, .25 |
| 39 | 2 | 857009 | PLUNGER BALL PRESS-IN |
S-28 DISK
*** PRIOR TO SERIAL NUMBER 121567 ***
| ITEM | QTY | PART NUMBER | DESCRIPTION | ITEM | QTY | PART NUMBER | DESCRIPTION |
| 1 | 2 | 870901 | BRUSH, POLY, 14 INCH | 26 | 4 | 962465 | SCREW, SHOULDER, .50 X .50 |
| 2 | 2 | 870904 | BRUSH, NYLON, 14 INCH | 27 | 2 | 873301 | FITTING, TEE, .25INCH |
| 3 | 2 | 870906 | BRUSH, GRIT, 14 INCH | 28 | 2 | 876604 | PLATE, MOUNTING, GIMBLE |
| 4 | 2 | 875902 | DRIVER, PAD, 14 INCH | 29 | 2 | 980107 | WASHER, FLAT, .31ID, 1.0OD, .12THK, SS |
| 5 | 1 | 855022 | KIT GUIDE WHEEL REPLACEMENT ANIT-RAT | 30 | 4 | 920035 | NUT, NYLON, .38-16, SS |
| 6 | 2 | 915008 | KEY, SQUARE, 5MM X 5 X 40MM | 31 | 4 | 962221 | SCREW, HEX, .25-20 X 1.0, SS |
| 7 | 3 | 858203 | SPACER, WHEEL, GUIDE | 32 | 12 | 980002 | WASHER, LOCK, SPLIT, .25 |
| 8 | 1 | 875020 | KIT SHROUD S28 REPLACEMENT (ITEMS 9 – 13) | 33 | 4 | 920037 | NUT, THIN JAM, 1/4-20, ZINC |
| 9 | 1 | 872302 | SHROUD, HEAD, 28INCH | 34 | 2 | 875203 | MOTOR GEAR BRUSH MRP15 SERVICE |
| 10 | 1 | 878502 | SKIRT, BRISTLE | 35 | 1 | 850906 | BRUSH CARBON KIT 4 PC 855204 & 875201 |
| 11 | 4 | 962263 | SCREW, BUTT, SOCK, .25-20X.62, SS BO | 36 | 1 | 876601 | PLATE, MTG, 28INCH |
| 12 | 4 | 920665 | NUT, NYLOCK, 1/4-20, SS | 37 | 1 | 873802 | GUIDE, DRIVER, RH |
| 13 | 20 | W104D | WASHER, FLAT, .25 | 38 | 1 | 204179 – 15.2” | TUBING, 1/4” |
| 14 | 2 | 962466 | SCREW, HEX, M8-1.25 X 25, SS, PATCH | 39 | 1 | 204179 – 6.0” | TUBING, 1/4” |
| 15 | 6 | W243D | WASHER, FLAT, 5/16, SS | 40 | 1 | 204179 – 5.5” | TUBING, 1/4” |
| 16 | 2 | 980094 | WASHER, SPLIT LOCK, .31, SS | 41 | 4 | 875603 | BUMPER, RUBBER, WITH STUD |
| 17 | 1 | 853803 | GUIDE, DRIVER | 42 | 1 | 873308 | FITTING, TEE, 0.50 INCH |
| 18 | 2 | 853804 | GUIDE, PAD, PLASTIC | 43 | 2 | 853301 | FITTING, REDUCER, BM08, BM04 |
| 19 | 2 | 857501 | ROLLER, PLASTIC | 44 | 2 | 224130 – 1.75” | TUBING, 1/2” |
| 20 | 6 | 962274 | SCREW, FLAT, SOCK, .25-20X.62, SS, PATCH | 45 | 8 | 964448 | SCREW, HEX, M6 X 16, SS, PATCH |
| 21 | 2 | 962270 | SCREW, HEX, 5/16-18X1.75,SS | 46 | 2 | 870818 | BRACKET, RETAINING, SEAL |
| 22 | 2 | 920012 | NUT, NYLOCK, 5/16-18, ZINC | 47 | 1 | 224130 – 20.0” | TUBING, 1/2” |
| 23 | 1 | 870804 | BRACKET, SUPPORT, HEAD | 48 | 4 | 920011 | NUT, NYLOCK, 1/4-20, ZINC |
| 24 | 4 | 871101 | BUSHING, FLANGE, .50IN | 49 | 2 | 854302 | HUB, DRIVER, BRUSH |
| 25 | 50 | 2 | 857009 | PLUNGER BALL PRESS-IN |
AVAILABLE PADS
| PART NUMBER | DESCRIPTION |
| 555902 | PAD 14” BLACK STRIP CASE 5 |
| 555942 | PAD 14” RED SCRUB CASE 5 |
| 555952 | PAD 14” WHITE POLISH CASE 5 |
S-28 DISK
*** AFTER SERIAL NUMBER 121567 ***
| ITEM | QTY | PART NUMBER | DESCRIPTION |
| 1 | 1 | 876612 | PLATE, MTG, 28INCH, TORNADO |
| 2 | 1 | 855022 | KIT WHEEL GUIDE REPLACEMENT |
| 3 | 2 | 875203 | MOTOR GEAR BRUSH MRP15 SERVICE |
| 4 | 20 | W104D | WASHER, FLAT, .25 |
| 5 | 4 | 920011 | NUT, NYLOCK, 1/4-20, ZINC |
| 6 | 2 | 962270 | SCREW, HEX, 5/16-18X1.75,SS |
| 7 | 6 | W243D | WASHER, FLAT, 5/16, SS |
| 8 | 2 | 857501 | ROLLER, PLASTIC |
| 9 | 2 | 858203 | SPACER, WHEEL, GUIDE |
| 10 | 1 | 870804 | BRACKET, SUPPORT, HEAD |
| 11 | 2 | 920012 | NUT, NYLOCK, 5/16-18, ZINC |
| 12 | 1 | 204179 – 6.0” | TUBING, 1/4” |
| 13 | 2 | 853301 | FITTING, REDUCER, BM08, BM04 |
| 14 | 2 | 224130 – 1.75” | TUBING, 1/2” |
| 15 | 1 | 873308 | FITTING, TEE, 0.50 INCH |
| 16 | 1 | 224130 – 20.0” | TUBING, 1/2” |
| 17 | 1 | 204179 – 5.5” | TUBING, 1/4” |
| 18 | 2 | 873301 | FITTING, TEE, .25INCH |
| 19 | 1 | 204179 – 15.2” | TUBING, 1/4” |
| 20 | 2 | 915008 | KEY, SQUARE, 5MM X 5 X 40MM |
| 21 | 8 | 980002 | WASHER, LOCK, SPLIT, .25 |
| 22 | 8 | 964448 | SCREW, HEX, M6 X 16, SS, PATCH |
| 23 | 2 | 854302 | HUB, DRIVER, BRUSH |
| 24 | 2 | 857009 | PLUNGER BALL PRESS-IN |
| 25 | 6 | 962274 | SCREW, FLAT, SOCK, .25-20X.62, SS, PATCH |
| 26 | 2 | 853804 | GUIDE, PAD, PLASTIC |
| 27 | 2 | 980107 | WASHER, FLAT, .31ID, 1.0OD, .12THK, SS |
| 28 | 2 | 980094 | WASHER, SPLIT LOCK, .31, SS |
| 29 | 2 | 962466 | SCREW, HEX, M8-1.25 X 25, SS, PATCH |
| 30 | 2 | 870901 | BRUSH, POLY, 14 INCH |
| 31 | 1 | 878502 | SKIRT, BRISTLE |
| ITEM | QTY | PART NUMBER | DESCRIPTION |
| 32 | 4 | 962263 | SCREW, BUTT, SOCK, .25-20X.62, SS BO |
| 33 | 4 | 920665 | NUT, NYLOCK, 1/4-20, SS |
| 34 | 1 | 872302 | SHROUD, HEAD, 28INCH |
| 35 | 1 | 873802 | GUIDE, DRIVER, RH |
| 36 | 1 | 853803 | GUIDE, DRIVER, LH (NOT SHOWN) |
| 37 | 4 | 962221 | SCREW, HEX, .25-20 X 1.0, SS |
| 38 | 1 | 875020 | ASSY SHROUD S28 REPLACEMENT (ITEMS 31-34 & 4) |
| 39 | 1 | 850906 | BRUSH CARBON KIT 4 PC 855204 & 875201 |
AVAILABLE PADS
| PART NUMBER | DESCRIPTION |
| 555902 | PAD 14” BLACK STRIP CASE 5 |
| 555942 | PAD 14” RED SCRUB CASE 5 |
| 555952 | PAD 14” WHITE POLISH CASE 5 |
| 870904 | BRUSH NYLON 14” |
| 870906 | BRUSH GRIT 14” |
| 875902 | DRIVER PAD 14” |
S-32 SCRUB HEAD
*** PRIOR TO SERIAL NUMBER 121567 ***
| ITEM | QTY | PART NUMBER | DESCRIPTION |
| 1 | 1 | 855022 | KIT GUIDE WHEEL REPLACEMENT ANTI-RATTLE |
| 2 | 2 | 915008 | KEY, SQUARE, 5MM X 5 X 40MM |
| 3 | 2 | 858203 | SPACER, WHEEL, GUIDE |
| 4 | 1 | 875021 | KIT SHROUD S32 REPLACEMENT (ITEMS 4 – 8) |
| 5 | 1 | 872306 | SHROUD, HEAD, 32INCH |
| 6 | 1 | 878502 | SKIRT, BRISTLE |
| 7 | 4 | 962263 | SCREW, BUTT, SOCK, .25-20X.62, SS BO |
| 8 | 4 | 920665 | NUT, NYLOCK, 1/4-20, SS |
| 9 | 20 | W104D | WASHER, FLAT, .25 |
| 10 | 2 | 962466 | SCREW, HEX, M8-1.25 X 25, SS, PATCH |
| 11 | 6 | W243D | WASHER, FLAT, 5/16, SS |
| 12 | 2 | 980094 | WASHER, SPLIT LOCK, .31, SS |
| 13 | 1 | 853803 | GUIDE, DRIVER |
| 14 | 2 | 853804 | GUIDE, PAD, PLASTIC |
| 15 | 2 | 854302 | HUB, DRIVER, BRUSH |
| 16 | 2 | 857501 | ROLLER, PLASTIC |
| 17 | 6 | 962274 | SCREW, FLAT, SOCK, .25-20X.62, SS, PATCH |
| 18 | 2 | 962270 | SCREW, HEX, 5/16-18X1.75,SS |
| 20 | 2 | 920012 | NUT, NYLOCK, 5/16-18, ZINC |
| 21 | 2 | 875203 | MOTOR GEAR BRUSH MRP15 SERVICE |
| 22 | 1 | 870804 | BRACKET, SUPPORT, HEAD |
| 23 | 1 | 850906 | BRUSH CARBON KIT 4 PC 855204 & 875201 |
| 24 | 4 | 871101 | BUSHING, FLANGE, .50IN |
| 25 | 4 | 962465 | SCREW, SHOULDER, .50 X .50 |
| 26 | 2 | 873301 | FITTING, TEE, .25INCH |
| 27 | 2 | 876604 | PLATE, MOUNTING, GIMBLE |
| 28 | 2 | 980107 | WASHER, FLAT, .31ID, 1.0OD, .12THK, SS |
| 29 | 4 | 920035 | NUT, NYLON, .38-16, SS |
| 30 | 4 | 962221 | SCREW, HEX, .25-20 X 1.0, SS |
| 31 | 12 | 980002 | WASHER, LOCK, SPLIT, .25 |
| 32 | 4 | 920037 | NUT, THIN JAM, 1/4-20, ZINC |
| 33 | 2 | 870903 | BRUSH, POLY, 16 INCH |
| 33 | 2 | 870905 | BRUSH, NYLON, 16 INCH |
| 33 | 2 | 870907 | BRUSH, GRIT, 16 INCH |
| 33 | 2 | 875910 | DRIVER, PAD, 16 INCH |
| ITEM | QTY | PART NUMBER | DESCRIPTION |
| 37 | 1 | 876603 | PLATE, MTG, 32INCH |
| 38 | 1 | 204179 – 17.2” | TUBING, 1/4” |
| 39 | 1 | 204179 – 7.0” | TUBING, 1/4” |
| 40 | 1 | 204179 – 6.5” | TUBING, 1/4” |
| 41 | 4 | 875603 | BUMPER, RUBBER, WITH STUD |
| 42 | 8 | 964448 | SCREW, HEX, M6 X 16, SS, PATCH |
| 43 | 2 | 870818 | BRACKET, RETAINING, SEAL |
| 44 | 2 | 224130 – 1.75” | TUBING, 1/2” |
| 45 | 1 | 873308 | FITTING, TEE, 0.50 INCH |
| 46 | 2 | 853301 | FITTING, REDUCER, BM08, BM04 |
| 47 | 1 | 224130 – 20.0” | TUBING, 1/2” |
| 48 | 4 | 920011 | NUT, NYLOCK, 1/4-20, ZINC |
| 49 | 1 | 873802 | GUIDE DRIVER RH |
| 49 | 1 | 853803 | GUIDE DRIVER LH |
| 50 | 2 | 857009 | PLUNGER BALL PRESS-IN |
AVAILABLE PADS
| PART NUMBER | DESCRIPTION |
| 555903 | PAD 16” BLACK STRIP CASE 5 |
| 555943 | PAD 16” RED SCRUB CASE 5 |
| 555954 | PAD 16” WHITE POLISH CASE 5 |
S-32 SCRUB HEAD
*** AFTER SERIAL NUMBER 121567 ***
| ITEM | QTY | PART NUMBER | DESCRIPTION |
| 1 | 1 | 876613 | PLATE, MTG, 32INCH, RIGID |
| 2 | 1 | 855022 | KIT GUIDE WHEEL REPLY ANTI-RATTLE |
| 3 | 1 | 870804 | BRACKET, SUPPORT, HEAD |
| 4 | 20 | W104D | WASHER, FLAT, .25 |
| 5 | 4 | 920011 | NUT, NYLOCK, 1/4-20, ZINC |
| 6 | 2 | 962270 | SCREW, HEX, 5/16-18X1.75,SS |
| 7 | 6 | W243D | WASHER, FLAT, 5/16, SS |
| 8 | 2 | 857501 | ROLLER, PLASTIC |
| 9 | 2 | 858203 | SPACER, WHEEL, GUIDE |
| 10 | 2 | 920012 | NUT, NYLOCK, 5/16-18, ZINC |
| 11 | 1 | 872306 | SHROUD, HEAD, 32INCH |
| 12 | 1 | 878502 | SKIRT, BRISTLE |
| 13 | 4 | 962263 | SCREW, BUTT, SOCK, .25-20X.62, SS BO |
| 14 | 4 | 920665 | NUT, NYLOCK, 1/4-20, SS |
| 15 | 2 | 962466 | SCREW, HEX, M8-1.25 X 25, SS, PATCH |
| 16 | 2 | 980094 | WASHER, SPLIT LOCK, .31, SS |
| 17 | 2 | 980107 | WASHER, FLAT, .31ID, 1.0OD, .12THK, SS |
| 18 | 2 | 853804 | GUIDE, PAD, PLASTIC |
| 19 | 6 | 962274 | SCREW, FLAT, SOCK, .25-20X.62, SS, PATCH |
| 20 | 1 | 873802 | GUIDE, DRIVER, RH |
| 21 | 1 | 853803 | GUIDE, DRIVER, LH |
| 22 | 2 | 854302 | HUB, DRIVER, BRUSH |
| 23 | 2 | 857009 | PLUNGER BALL PRESS-IN |
| 24 | 4 | 962221 | SCREW, HEX, .25-20 X 1.0, SS |
| 25 | 8 | 964448 | SCREW, HEX, M6 X 16, SS, PATCH |
| 26 | 8 | 980002 | WASHER, LOCK, SPLIT, .25 |
| 27 | 2 | 915008 | KEY, SQUARE, 5MM X 5 X 40MM |
| 28 | 2 | 875203 | MOTOR GEAR BRUSH MRP15 SERVICE |
| 29 | 1 | 204179 – 17.2” | TUBING, 1/4” |
| 30 | 2 | 873301 | FITTING, TEE, .25INCH |
| 31 | 1 | 204179 – 6.5” | TUBING, 1/4” |
| ITEM | QTY | PART NUMBER | DESCRIPTION |
| 32 | 2 | 853301 | FITTING, REDUCER, BM08, BM04 |
| 33 | 2 | 224130 – 1.75” | TUBING, 1/2” |
| 34 | 1 | 873308 | FITTING, TEE, 0.50 INCH |
| 35 | 1 | 224130 – 20.0” | TUBING, 1/2” |
| 36 | 1 | 204179 – 7.0” | TUBING, 1/4” |
| 37 | 1 | 875021 | ASSY SHROUD S32 REPLACEMENT (ITEMS 11 – 14) |
| 38 | 1 | 850906 | BRUSH CARBON KIT 4 PC 855204 & 875201 |
AVAILABLE PADS
| PART NUMBER | DESCRIPTION |
| 555903 | PAD 16” BLACK STRIP CASE 5 |
| 555943 | PAD 16” RED SCRUB CASE 5 |
| 555954 | PAD 16” WHITE POLISH CASE 5 |
| 870905 | BRUSH NYLON 16” |
| 870907 | BRUSH GRIT 16” |
| 875910 | DRIVER PAD 16” |
S-28 ORBITAL SCRUB HEAD
| ITEM | QTY | PART NUMBER | DESCRIPTION |
| 1 | 1 | 870812 | BRACKET, MTG, HEAD, ORBITAL |
| 2 | 2 | 855022 | KIT GUIDE WHEEL REPLACEMENT ANTI-RATTLE |
| 3 | 1 | 876609 | PLATE, MOUNTING, MOTOR |
| 5 | 4 | 858203 | SPACER, WHEEL, GUIDE |
| 6 | 8 | W243D | WASHER, FLAT, 5/16, SS |
| 7 | 4 | 964009 | SCREW, SCK, FLT, M6-1 X 20, SS, PATCH |
| 8 | 2 | 852003 | CLAMP, P-SHAPED, .62 DIA |
| 9 | 2 | 962263 | SCREW, BUTT, SOCK, .25-20X.62, SS BO |
| 10 | 10 | 920665 | NUT, NYLOCK, 1/4-20, SS |
| 11 | 8 | 851101 | BUSHING, RUBBER |
| 12 | 4 | 858205 | SPACER, RUBBER |
| 13 | 2 | 857501 | ROLLER, PLASTIC |
| 14 | 1 | 875205 | MOTOR ORBITAL SERVICE |
| 15 | 1 | 850906 | BRUSH CARBON KIT 4 PC 855204 & 875201 |
| 16 | 4 | W117D | SCREW, HEX, .25-20 X 2.0, SS |
| 17 | 2 | 962270 | SCREW, HEX, 5/16-18X1.75,SS |
| 18 | 1 | 915006 | KEY, 8MM X 7MM X 28MM |
| 19 | 4 | 980093 | WASHER, WAVE, .50INCH |
| 20 | 8 | 980104 | WASHER, RUBBER |
| 21 | 4 | 980094 | WASHER, SPLIT LOCK, .31, SS |
| 22 | 4 | W405D | NUT, .31-18, JAM, SS |
| 23 | 4 | 920012 | NUT, NYLOCK, 5/16-18, ZINC |
| 24 | 1 | 870813 | BRACKET, SUPPORT, HEAD |
| 25 | 1 | 204179 | TUBING, 1/4” |
| 26 | 1 | 853301 | FITTING, REDUCER, BM08, BM04 |
| 27 | 4 | 962221 | SCREW, HEX, .25-20 X 1.0, SS |
| 28 | 8 | W104D | WASHER, FLAT, .25 |
| 29 | 1 | 855116 | LABEL PATENT ORBITAL HEAD |
| 30 | 1 | 879005 | TUBE DISTRIBUTION S-28 ORB |
| 31 | 2 | 856802 | PLUG .62 TUBE |

| ITEM | QTY | PART NUMBER | DESCRIPTION |
| 1 | 1 | 875009 | KIT, PLATE, REPLY, ORBIT |
| 2 | 1 | 876607 | PLATE, ORBITAL, 28 INCH |
| 3 | 1 | 875903 | PAD, MIGHTYLOK ADH UNIVERSAL |
| 4 | 1 | 875010 | KIT, BEARING, REPLY, ORBIT |
| 5 | 2 | 962274 | SCREW, FLAT, SOCK, .25-20X.62, SS, PATCH |
| 6 | 1 | 964447 | SCREW, FLT, M8 X 16, SS |
| 7 | 12 | 962278 | SCREW, SOCKET, FLT, .31-18X.88, SS, PATCH |
| 8 | 1 | 876608 | PLATE, BALANCE, 28 INCH |
| 9 | 4 | 855604 | MOUNT, ISOLATOR, .31THD |
| 10 | 4 | 980108 | WASHER, FLAT, .31ID, 1.25OD, .12THK, SS |
| 11 | 1 | 875801 | O-RING, EPDM, 233 |
AVAILABLE HEAD REBUILD KIT – #875022
| Item | Item Description | Qty |
| 877801 | INSTRUCTION BOOKLET | 1 |
| 204179 | 1/4 VINYL TUBING (1.3 FT) | 1 |
| 851101 | BUSHING FLNG URETHANE | 8 |
| 852003 | CLAMP SHAPED .62DIA VINY | 2 |
| 853301 | FITTING,REDUCER,BM08,BM04 | 1 |
| 855604 | MOUNT ISOLATOR .31THD | 4 |
| 857501 | ROLLER PLASTIC | 2 |
| 858203 | SPACER, WHEEL, GUIDE | 4 |
| 858205 | SPACE RUBBER | 4 |
| 859703 | WHEEL, GUIDE | 2 |
| 875010 | KIT, BEARING, REPLY, ORBIT | 1 |
| 875122 | LOOM WIRE 1/4” | 2 |
| 875801 | O-RING, EPDM, 233 | 1 |
| 915006 | KEY, 7MM X 8MM X 28MM DIN 6885 | 1 |
| 920011 | NUT 1/4-20 HEX SS NYLON H100013 920665 | 10 |
| 920012 | NUT-5/16-18 ESNA LOCK H100011 TM934/935 | 4 |
| 962221 | SCREW 1/4-20X 1 HH SS TM-H200068 | 4 |
| 962263 | SCREW 1/4-20X.62 BUTTON SOCKET SS BLACK+ | 2 |
| 962266 | SCREW 5/1618X1.5 SOCKETS | 2 |
| 962270 | SCREW 5/16-18X1.75 HEX SS FULL THD | 2 |
| 962274 | SCREW 1/4-20X5/8 SCK FLT SS WITH LOCKIN+ | 4 |
| 962278 | SCREW 5/16-18X7/8 SOCKET FLT WITH LO+ | 12 |
| 964009 | SCREW M6-1X16 SCK FLT SS WITH LOCKING P+ | 4 |
| 964447 | SCREW M8X16 FLAT SS PATCH | 1 |
| 980093 | WASHER .50 WAVE | 4 |
| 980094 | WASHER, LOCK, 5/16, SS | 4 |
| 980104 | WASHER, RUBBER 1/4 x 3/4 BONDED SS | 8 |
| 980108 | WASHER FLAT 5/16 1 .12 SS | 4 |
| W104D | WASHER 1/4 FLAT SAE S/S H300023 | 8 |
| W117D | SCREW 1/4-20 x 2 HH SS | 4 |
| W243D | WASHER-5/16X.040 FLAT SS | 8 |
| W405D | NUT:5/16-18 HEX JAM SS | 4 |
AVAILABLE PADS
| PART NUMBER | DESCRIPTION |
| 555909 | PAD 14” X28” BLACK STRIP CASE 5 |
| 555929 | PAD 14” X28” MAROON CFR CASE 5 |
| 555949 | PAD 14” X28” RED SCRUB CASE 5 |
| 555969 | PAD 14” X28” TURF CASE 4 |
| 555959 | PAD 14” X28” WHITE POLISH CASE 5 |
WIRING DIAGRAM
S-24
***ALL SERIAL NUMBERS***
TROUBLESHOOTING TIPS:
- If the scrub head is not working when lowered, be aware that BatteryShield ® intentionally disables the scrub head when the batteries need water. Refer to the BATTERYSHIELD ® AUTOMATIC WET BATTERY PROTECTION SYSTEM section of this manual.
- For machines equipped with BatteryShield ®, refer to the optional BATTERYSHIELD® sections of this diagram and the BATTERYSHIELD ® AUTOMATIC WET BATTERY PROTECTION SYSTEM section prior to proceeding.
- If a yellow LED is flashing on the battery charger, verify continuity between the charger and the battery pack. Refer to the ON-BOARD CHARGER section of this manual.
- A circuit breaker is designed to prevent overloading a component/system. If a circuit breaker continues to trip, verify the system is not being overloaded or that a wire is not chaffed creating a short circuit.
S-28 (DISK) & S-32 WIRING DIAGRAM
***AFTER SERIAL NUMBER 113191***
TROUBLESHOOTING TIPS
- If the scrub head is not working when lowered, be aware that BatteryShield ® intentionally disables the scrub head when the batteries need water. Refer to the BATTERYSHIELD ® AUTOMATIC WET BATTERY PROTECTION SYSTEM section of this manual.
- For machines equipped with BatteryShield ®, refer to the optional BATTERYSHIELD ® sections of this diagram and the BATTERYSHIELD ® AUTOMATIC WET BATTERY PROTECTION SYSTEM section prior to proceeding.
- If a yellow LED is flashing on the battery charger, verify continuity between the charger and the battery pack. Refer to the ON-BOARD CHARGER section of this manual.
- A circuit breaker is designed to prevent overloading a component/system. If a circuit breaker continues to trip, verify the system is not being overloaded or that a wire is not chaffed creating a short circuit.
S-28 (DISK) & S-32 WIRING DIAGRAM
***PRIOR TO SERIAL NUMBER 113191***
TROUBLESHOOTING TIPS:
- If the scrub head is not working when lowered, be aware that BatteryShield ® intentionally disables the scrub head when the batteries need water. Refer to the BATTERYSHIELD ® AUTOMATIC WET BATTERY PROTECTION SYSTEM section of this manual.
- For machines equipped with BatteryShield ®, refer to the optional BATTERYSHIELD ® sections of this diagram and the BATTERYSHIELD ® AUTOMATIC WET BATTERY PROTECTION SYSTEM section prior to proceeding.
- If a yellow LED is flashing on the battery charger, verify continuity between the charger and the battery pack. Refer to the ON-BOARD CHARGER section of this manual.
- A circuit breaker is designed to prevent overloading a component/system. If a circuit breaker continues to trip, verify the system is not being overloaded or that a wire is not chaffed creating a short circuit.
S-28 ORBITAL WIRING DIAGRAM
***PRIOR TO SERIAL NUMBER 113191***
TROUBLESHOOTING TIPS
- If the scrub head is not working when lowered, be aware that BatteryShield ® intentionally disables the scrub head when the batteries need water. Refer to the BATTERYSHIELD ® AUTOMATIC WET BATTERY PROTECTION SYSTEM section of this manual.
- For machines equipped with BatteryShield ®, refer to the optional BATTERYSHIELD ® sections of this diagram and the BATTERYSHIELD ® AUTOMATIC WET BATTERY PROTECTION SYSTEM section prior to proceeding.
- If a yellow LED is flashing on the battery charger, verify continuity between the charger and the battery pack. Refer to the ON-BOARD CHARGER section of this manual
- A circuit breaker is designed to prevent overloading a component/system. If a circuit breaker continues to trip, verify the system is not being overloaded or that a wire is not chaffed creating a short circuit.
S-28 ORBITAL WIRING DIAGRAM
***AFTER SERIAL NUMBER 113191***
TROUBLESHOOTING TIPS
- If the scrub head is not working when lowered, be aware that BatteryShield ® intentionally disables the scrub head when the batteries need water. Refer to the BATTERYSHIELD ® AUTOMATIC WET BATTERY PROTECTION SYSTEM section of this manual.
- For machines equipped with BatteryShield ®, refer to the optional BATTERYSHIELD ® sections of this diagram and the BATTERYSHIELD ® AUTOMATIC WET BATTERY PROTECTION SYSTEM section prior to proceeding.
- If a yellow LED is flashing on the battery charger, verify continuity between the charger and the battery pack. Refer to the ON-BOARD CHARGER section of this manual.
- A circuit breaker is designed to prevent overloading a component/system. If a circuit breaker continues to trip, verify the system is not being overloaded or that a wire is not chaffed creating a short circuit.
Wires represented with dashed lines indicate optional equipment installation
BATTERYSHIELD® (OPTIONAL) WIRING DIAGRAM
NOTE: BatteryShield® intentionally interrupts the scrub head circuit when the batteries need water. Refer to the BATTERYSHIELD® AUTOMATIC WET BATTERY PROTECTION SYSTEM section of this manual.
BATTERYSHIELD® SENSOR IS MATED AND CALIBRATED TO THE MANIFOLD (BATT CAP) FROM THE FACTORY. THE SENSOR AND THE CAP MUST BE REPLACED AS AN ASSEMBLY – DO NOT REMOVE THE SENSOR FROM THE CAP

OPTIONAL CHEMICAL INJECTION WIRING DIAGRAM

| REVISION | REVISION LOG |
| 2019.10.24 | UPDATED BALLOONS FOR THE RECOVERY TANK, PAGE 37. |
| 2020.03.02 | MULTIPLE UPDATES, MISC CORRECTIONS, AND ADDITIONS. |
| 2020.06.15 | UPDATE SQUEEGEE ASSEMBLY IMAGES, PAGES 45-47. |
| 2020.7.29 | UPDATE WARRANTY INFORMATION. |
| 2020.10.16 | UPDATE WATERING LEAD-ACID BATTERIES WITH HYDRO LINK, PAGE 9. |
| 2021.1.5 | UPDATE BATTERYSHIELD WARRANTY POLICY |
| 2021.2.2 | UPDATE 28” DISK AND 32” DISK PARTS DIAGRAMS |
| 2021.3.30 | UPDATE PART DESCRIPTION FOR 855204, PAGE 53. |
| 2021.3.31 | UPDATE PART NUMBERS, PAGES 55, 57 & 61. REMOVED WARRANTY INFORMATION. |
| 2021.5.25 | CORRECTED TYPO, PAGE 4 |
| 2021.6.1 | UPDATE 28” DISK AND 32” DISK PARTS DIAGRAMS |


NOTE: Battery systems may take more than 1/2 gallon of water once the BatteryShield® light has illuminated. Failure to actuate the hand pump until the flow indicator stops spinning will result in batteries being under or unevenly serviced which will reduce battery life.
NOTE: Leaving the watering system connected could result in the batteries being overfilled. Disconnecting the watering system before the flow indicator stops spinning will result in batteries being under-serviced and battery life will be reduced.





NOTE: When properly aligned, the scrub deck shroud bristle skirt should almost be touching the floor.




















