Bell Gossett A01500J Pressurized Expansion Tanks Instruction Manual

⚠ SAFETY INSTRUCTIONS
This safety alert symbol will be used in this manual to draw attention to safety related instructions. When used, the safety alert symbol means ATTENTION! BECOME ALERT! YOUR SAFETY IS INVOLVED! FAILURE TO FOLLOW THESE INSTRUCTIONS MAY RESULT IN A SAFETY HAZARD.
⚠ WARNING: Explosion Hazard Failure to follow instructions in the accompanying product manual can cause rupture or explosion, possibly causing serious or fatal injury, leaking or flooding and/or property damage.
DESCRIPTION
Recharged Expansion Tanks contain either a bladder or a diaphragm to separate the air charge from the system water. Tanks are designed to absorb the expansion forces of heating/cooling system water while maintaining proper system pressurization under varying operating conditions.
⚠ NOT FOR USE IN DOMESTIC (POTABLE) WATER SYSTEMS
DANGER: Series “B”, “D”, & “B-LA” are for use in closed loop systems only. Domestic, potable or fresh water can cause serious corrosion in a tank. This can result in leakage and a potential explosion. Do not use for domestic, potable or fresh water. Failure to follow this instruction will result in serious personal injury or death and property damage.
OPERATIONAL LIMITS
Maximum Operating Pressure: 125 psi (or as stamped on nameplate) Maximum Operating Temperature: 240ºF Minimum Operating Temperature: 35°F (non-glycol application) 18°F (glycol application)
⚠ WARNING: Carefully read the Instruction Manual to avoid serious personal injury and property hazards and to ensure safe use and proper care of this product.
POINT OF CONNECTION
A. General
The Series B and Series D tanks work equally well when installed in the vertical or horizontal position. When Series B tank is installed horizontally, the system connection must be located below the centreline of the tank. The Series B-LA tanks must be installed in vertical position. They cannot be installed in the horizontal position.
The pressurized expansion tank-to-system piping differs from the “standard” compression tank piping in several major aspects:
- Air from the system must be purged to the atmosphere and not allowed to enter the tank.
- Tank-to-system piping must not be pitched-up to the tank.
- Shut-off and drain valves or tank purge valve B&G TPV must be installed in the tank-to-system piping in order to properly check and recharge the tank air after the system has been filled with water.
- Airdrop Tank Fitting (ATF or ATFL) is not required.
⚠ WARNING: This product must be installed by a qualified professional. Failure to follow the instruction in accompanying manual may cause a rupture or explosion which may result in serious injury or death and property damage.
⚠ WARNING: CALIFORNIA PROPOSITION 65 WARNING! This product contains a chemical known by the State of California to cause cancer and to cause birth defects or other reproductive harm. (California Installer/Contractor California law requires that this notice be given to consumer/end user of this product.
B. Piping
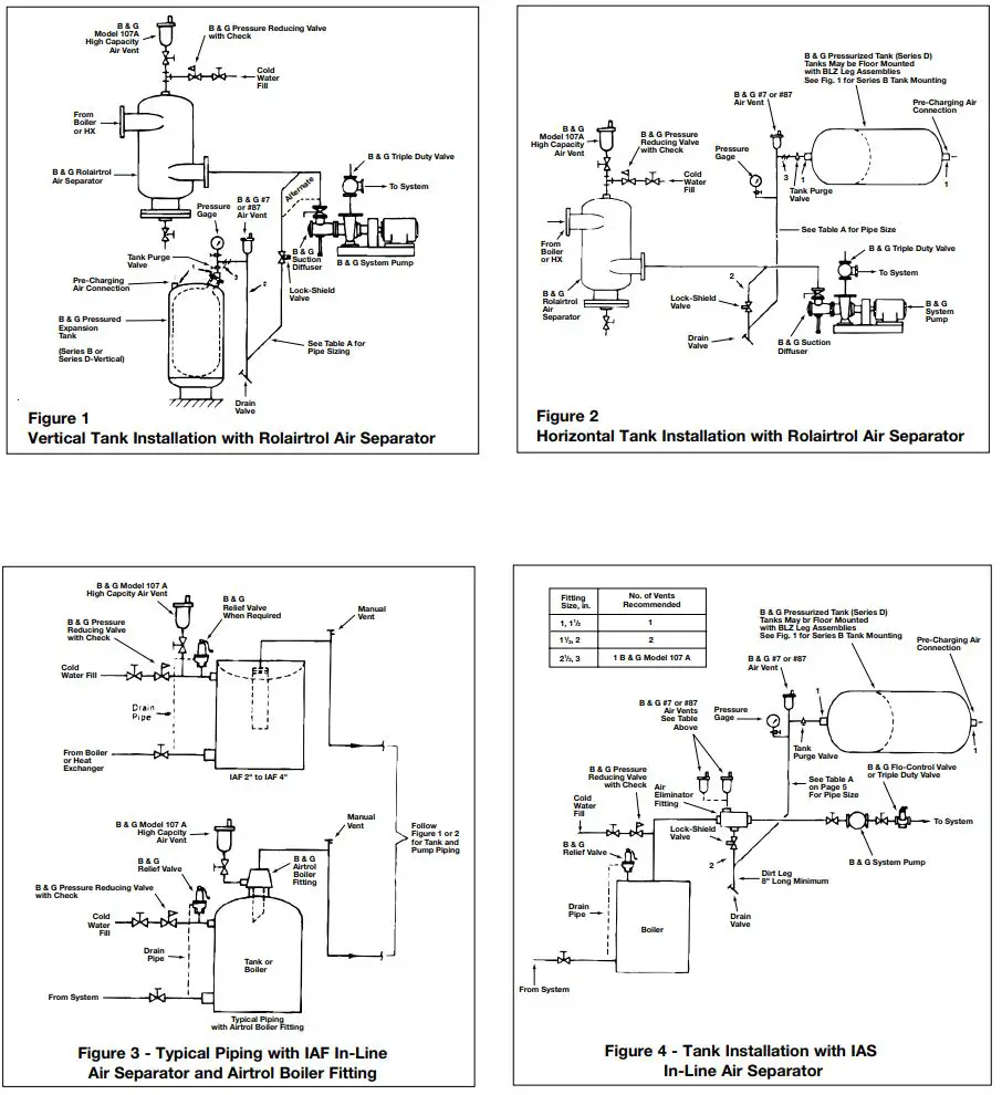
Typical tank-to-system and air vent piping are illustrated by Figures 1 thru - Some general notes regarding this piping are listed below:
1. The connection point from tank-to-system represents the point of no pressure change. This means that the expansion tank must be connected as close as possible to the suction side of the system circulating pump for proper system operation.
⚠ CAUTION: Pump cavitation and unbalanced circuits can result from improper tank location. Connect tank as close to suction side of system circulating pump as possible. Failure to follow this instruction could result in property damage and/or moderate personal injury.
2. The branch piping to the tank must be attached to the main to minimize the possibility of air and debris entering the tank piping. If connected to the horizontal main, do not use top (12 o’clock) and bottom (6 o’clock) positions. Side connections are the proper positions. If connection must be made at the bottom, a dirt trap leg with a flushing drain valve, such as shown in Figure 4, should be installed.
⚠ CAUTION: A blocked connection to the expansion tank will cause system to become over pressurized resulting in periodic discharge of system relief valve. This periodic discharge will require that fresh water be added to the system to maintain pressure. The resulting addition of fresh water will cause corrosion in system components. The use of a bottom connection to the main requires the use of dirt trap leg with a flushing drain valve. Failure to follow these instructions could result in property damage and/or moderate personal injury.
3. Table A shows the recommended pipe sizes. Note that the MBH column represents the output of the heat generator (firing rate, etc.). The pipe sizes are selected for very low pressure loss in the tank-to system piping to accommodate system operating pressures within 10% of the relief valve setting. However, if the actual system operating pressure is less than 80% of the relief valve setting, the tabulated pipe size above 1″ may be reduced by one size.
Pipe sizes 1″ or less must not be changed due to the greater possibility of fouling in the smaller pipes.
4. In order to change the tank air charge pressure it is necessary to isolate the tank circuit from the main system piping. A high quality, gate type or TPV, lock-shield valve must be used for this purpose. The lock shield for the valve stem will eliminate tampering of this normally open valve during normal system operation.
⚠ WARNING: System over pressurization will result if expansion tank isolation valve is not kept open during normal operation. Provisions must be made to lock this valve open during normal system operation. Failure to follow these instructions could result in serious personal injury or death and property damage.
⚠ WARNING: Do not locate this product where leaking or flood could cause damage to the surrounding property. A drip pan connected to an adequate drain must be installed if leaking or flooding could cause property damage. Failure to follow this instruction could result in property damage.
5. In addition to the lock-shield valve above TPV or a drain valve, automatic air vent and a pressure gauge must be installed in the piping. The drain valve is used for flushing (item 2 above) and to drain the water out of the tank for proper air charging.
6. Tank sizing calculations are based on minimum temperature rise of the air in the tank. For this reason, an anti-thermosyphon loop must be formed in the tank-to-system piping to minimize the effects of gravity (thermal) circulation into the tank. A drop leg from 12″ to 20″ long is usually sufficient. It is also suggested that this piping and tank not be insulated (heating systems only).
⚠ CAUTION: Lack of or improperly sized air vent will cause system circulation problems. An automatic air vent must be installed in the line to the expansion tank and at air separating devices as shown in Figures 1 thru 6. These must be sized to vent off any accumulated air. Failure to follow these instructions could result in property damage and/or moderate personal injury.
7. Allow an overhead clearance for the Series B of at least 36″ to remove the bladder through the flanged opening in case replacement is required. For bladder replacement of the Series B-LA tanks, the tank must be removed from the system.
INSTALLATION
- Note location of system connection, air charge valve and drain connection on tank.
- Remove the plug or pipe cap from the system connection.
- Remove the cap covering .302-.33″ (standard tire valve) the air charge valve.
- Before making any connection to the tank, check the tank and air charge (use an accurate pressure gauge). The air pressure must be equal to the minimum system pressure at the tank location.
- After making sure the air charge is correct, replace the cap over the .302-.33″ (standard tire valve).
- The tank may now be piped to the system (use the suggested tank piping diagram on page 4 and 5).
- Using table A, select appropriate pipe size. Connection to each tank must have a lock shield gate valve or TPV and union to allow isolation and removal if required. Make up and fill valves, whether manual or automatic, should be tied into the connecting line. This will ensure that pump operation will not affect valve operation.
OPERATING INSTRUCTIONS
- Check the expansion tank pre-charge before the system is filled with water. The charge is 40 psig unless noted otherwise on the tank label. Check to make sure this is the correct recharge pressure specified for the system. Recharge should match system fill pressure at point of tank installation. If increasing recharge, the tank must be connected immediately to the system. The tank should not be isolated at this condition. Failure to do so could result in damage to the bladder and void all warranties.
- If the tank pre-charge pressure needs to be changed on a dry system follow the following procedure: a. Check the expansion tank air pressures at the recharge connection with an accurate tire type pressure gauge. The pre-charge connection is the same kind of connection found on automobile tires. b. If the pressure is low, charge the tank with nitrogen gas or with oil free compressed air. Check the pressure frequently during this process as you would when filling a tire with air.
⚠ DANGER: Excessive pressure can cause tank to explode. Exercise care when filling a tank with air so the pressure does not exceed that required or does not exceed the working pressure of the tank as stamped on the nameplate. Failure to follow these instructions will result in serious personal injury or death and property damage. - If, after the system has been filled with water and operating, it is found that the expansion tank pre-charge must be changed use the following procedure: a. Turn off the heat source and allow the system water to cool to ambient temperature.
IMPORTANT: Expansion tank cannot be properly air charged other than at ambient temperature.
b. Close the lock-shield valve in the tank-to-system piping.
c. Open the drain valve or TPV to empty the water from the tank.
d. Check the tank air pressure at the pre-charge connection with an accurate tire type air gauge.
e. Refer to 2b above.
f. Close the drain valve, open the lock-shield valve and turn on the heat source.
g. Relock the lock-shield valve.
SERVICE INSTRUCTIONS
- Check the expansion tank periodically for signs of external leakage or corrosion, If found, the tank must be replaced.
⚠ DANGER: Signs of leakage or corrosion are indications the tank may explode. Periodically check the expansion tank for signs of external leakage or corrosion. If found, the tank must be replaced. Failure to follow these instructions will result in serious personal injury or death and property damage. - If the tank fails to hold the pre-charge pressure it could be the result of one of the following.
a. Leakage of air valve. Do not depend on the valve cap to seal leak.
1. Refer to items 3a thru 3d under operating instructions to prepare the tank so that the air valve core can be changed.
⚠ WARNING: Improper use of air charging valve during venting of air pressure from tank will create a hazardous condition due to the escape of high velocity gas and/or liquid. Depress the center valve core stem, as with a tire valve, to slowly vent off gas pressure. Do not remove the valve core until pressure in the expansion tank has reached zero. Failure to follow these instructions could result in serious personal injury or death and property damage.
2. If only gas escapes, unscrew the air valve core and replace with a tire type/Schrader valve core. If liquid escaped refer to 2b below.
3. Refer to 3e thru 3g under operating instruction to complete the service procedure.
b. The bladder or diaphragm is leaking as indicated by liquid on the gas side or the inability of the tank to maintain its gas cushion. If the tank is a diaphragm type, the tank must be replaced. Diaphragm tanks can be identified by the model numbers beginning with a “D” and the absence of a large flanged opening to remove the bladder. If the tank is a bladder type, the bladder can be replaced as follows:
- Refer to items 3a thru 3c under operating instructions to prepare the system for replacement of the bladder.
⚠ WARNING: Residual system pressure is a serious hazard when attempting to replace tank bladder. Make sure that all fluid has stopped draining from the drain valve and the system pressure is zero. If leaking continues from the drain valve, the lock-shield isolation valve must be replaced before proceeding. Failure to follow these instructions could result in serious personal injury or death and property damage. - Depress the center valve core stem on the air side of the tank, as with a tire valve, to slowly vent off the air or gas charge.
⚠ WARNING: Removing the bladder housing cover with an air charge or pressure still in the tank can cause the cover to be blown off. Make sure that all gas charge pressure and system pressure is removed from the tank before loosening or removing cover bolts. Failure to follow these instructions could result in serious personal injury or death and property damage. - Remove the bolts from the flanged cover to gain access to the bladder. Series B-LA tanks must be disconnected from the system. Remove the bottom drain plug to drain fluid.
- Pull the bladder from the tank through the flanged opening.
- Make sure all flange surfaces are clean and free of corrosion so that the new bladder will seal properly. If corroded, the tank must be replaced.
- Install the new bladder in the tank by stuffing through the flange opening in the reverse manner that the old bladder was removed. The Partial Acceptance tank has a support pipe, which the bladder will fit around. Insert the new bladder into bottom of the tank. To make system connection, align elbow with hole in skirt.
- Replace the flanged cover and tighten the bolts in a crisscross pattern. Take care not to exceed the allowable torque of the bolts. Screw in drain plug.
- Refer to item 3e thru 3g under operating instructions to place the system back in operation.
- Check for gas leaks around the flange connection. If leaks are found, lightly tighten bolts in a criss-cross pattern, again being careful not to exceed the allowable torque of the bolts. If leaking continues, the expansion tank will have to be replaced.
FIGURE NOTES
- Tank connection locations may vary depending on the type of tank to be installed.
- Provide an anti-thermosyphon loop with a minimum drop of 12″ to prevent gravity heating of the tank.
- Figures 1 and 2 show where a tee would be located if multiple expansion tanks are installed.

PIPING DIAGRAMS


1) The tissue in plants that brings water upward from the roots;
2) a leading global water technology company.
We’re a global team unified in a common purpose: creating advanced technology solutions to the world’s water challenges. Developing new technologies that will improve the way water is used, conserved, and re-used in the future is central to our work. Our products and services move, treat, analyze, monitor and return water to the environment, in public utility, industrial, residential and commercial building services settings. Xylem also provides a leading portfolio of smart metering, network technologies and advanced analytics solutions for water, electric and gas utilities. In more than 150 countries, we have strong, long-standing relationships with customers who know us for our powerful combination of leading product brands and applications expertise with a strong focus on developing comprehensive, sustainable solutions.
For more information on how Xylem can help you, go to www.xylem.com

Xylem Inc.
8200 N. Austin Avenue
Morton Grove, Illinois 60053
Phone: (847) 966-3700
Fax: (847) 965-8379
www.xylem.com/bellgossett
Xylem and Bell & Gossett are trademarks of Xylem Inc. or one of its subsidiaries.
© 2022 Xylem Inc. A01500J January 2022
















