H510TI-S09 Mini-ITX OEM Motherboard
User Guide
Thank you for purchasing the MSI® Z590 PRO WIFI/ Z590-A PRO motherboard. This User Guide gives information about board layout, component overview, BIOS setup and software installation.
Safety Information
- The components included in this package are prone to damage from electrostatic discharge (ESD). Please adhere to the following instructions to ensure successful computer assembly.
- Ensure that all components are securely connected. Loose connections may cause the computer to not recognize a component or fail to start.
- Hold the motherboard by the edges to avoid touching sensitive components.
- It is recommended to wear an electrostatic discharge (ESD) wrist strap when handling the motherboard to prevent electrostatic damage. If an ESD wrist strap is not available, discharge yourself of static electricity by touching another metal object before handling the motherboard.
- Store the motherboard in an electrostatic shielding container or on an anti-static pad whenever the motherboard is not installed.
- Before turning on the computer, ensure that there are no loose screws or metal components on the motherboard or anywhere within the computer case.
- Do not boot the computer before installation is completed. This could cause permanent damage to the components as well as injury to the user.
- If you need help during any installation step, please consult a certified computer technician.
- Always turn off the power supply and unplug the power cord from the power outlet before installing or removing any computer component.
- Keep this user guide for future reference.
- Keep this motherboard away from humidity.
- Make sure that your electrical outlet provides the same voltage as is indicated on the PSU, before connecting the PSU to the electrical outlet.
- Place the power cord such a way that people can not step on it. Do not place anything over the power cord.
- All cautions and warnings on the motherboard should be noted.
- If any of the following situations arises, get the motherboard checked by service personnel:
• Liquid has penetrated into the computer.
• The motherboard has been exposed to moisture.
• The motherboard does not work well or you can not get it work according to user guide.
• The motherboard has been dropped and damaged.
• The motherboard has obvious sign of breakage.
• Do not leave this motherboard in an environment above 60°C (140°F), it may damage the motherboard.
Specifications
| CPU | • Supports 10th Gen Intel® Core™ Processors, 11th Gen Intel® CoreTM Processors, Pentium® Gold and Celeron® Processors* • Processor socket LGAl200 |
| • Please go to intel.com for compatibility information | |
| Chipset | Intel® Z590 chipset |
| Memory | • 4x DDR4 memory slots, support up to 128GB* • Supports 1R 2133/ 2666/ 2933 MHz for 10th Gen Intel® CPU (by JEDEC & PORI • Supports 1R 2133/ 2666/ 2933/ 3200 MHz for 11th Gen Intel® CPU (by JEDEC & PORI • Max overclocking frequency: • 1DPC 1R Max speed up to 5333 MHz • 1 DPC 2R Max speed up to 4700+ MHz • 2DPC 1R Max speed up to 4400+ MHz • 2DPC 2R Max speed up to 4000+ MHz • Supports Dual-Channel mode • Supports non-ECC, un-buffered memory • Supports Intel® Extreme Memory Profile (XMP) *Please refer www.msi.com for more information on compatible memory |
| Expansion Slots | • 2x PCIe x16 slots • Support x16/ x4 • PCI_E1 (from CPU) ▪ Supports up to PCIe 4.0 for 11th Gen Intel® CPU ▪ Supports up to PCIe 3.0 for 10th Gen Intel® CPU • PCI_E3 (from Z590 chipset) • Supports up to PCIe 3.0 • 2x PCIe 3.0 x1 slots (from Z590 chipset) |
| Audio | Realtek® ALC897 Codec • 7.1-Channel High Definition Audio |
| Multi-GPU | • Supports 2-Way AMD CrossFire™ Technology |
| Onboard Graphics | • 1x HDMI 2.0b with HDR port, supports a maximum resolution of 4K 60Hz */** • 1x DisplayPort 1.4 port, supports a maximum resolution of 4K 60Hz */** * Available only on processors featuring integrated graphics. ** Graphics specifications may vary depending on the CPU installed. |
| LAN | 1x Intel® I225-V 2.5Gbps LAN controller |
| Wireless LAN & Bluetooth® (Only for Z590 PRO WIFI) | Intel® Wi-Fi 6E AX210 • The Wireless module is pre-installed in the M.2 (Key-E) slot • Supports MU-MIMO TX/RX, 2.4GHz/ 5GHz/ 6GHz* (160MHz) up to 2.4Gbps • Supports 802.11 a/ b/ g/ n/ ac/ ax • Supports Bluetooth® 5.2**, FIPS, FISMA * Wi-Fi 6E 6GHz may depend on every country’s regulations and will be ready in WIN10 21H1. ** Bluetooth 5.2 will be ready in WIN10 21H1. |
| Storage | • 6x SATA 6Gb/s ports (from Z590 chipset) • 3x M.2 slots (Key M) • M2_1 slot (from CPU)* ▫ Available only on 11th Gen Intel® CPU ▫ Supports up to PCIe 4.0×4 ▫ Supports 2242/ 2260/ 2280/ 22110 storage devices • M2_2*, M2_3** slots (from Z590 chipset) ▫ Support up to PCIe 3.0×4 ▫ Support up to SATA 6Gb/s ▫ Support 2242/ 2260/ 2280 storage devices ▫ Intel® Optane™ Memory Ready*** • Support Intel® Smart Response Technology for Intel Core™ processors * SATA2 will be unavailable when installing M.2 SATA SSD in the M2_2 slot. ** SATA5 & SATA 6 will be unavailable when installing M.2 SSD in the M2_3 slot. *** Before using Intel® Optane™ memory modules, please ensure that you have updated the drivers and BIOS to the latest version from MSI website. |
| RAID | • Supports RAID 0, RAID 1, RAID 5 and RAID 10 for SATA storage devices • Supports RAID 0 and RAID 1 for M.2 NVMe storage devices |
| USB | • Intel® Z590 Chipset ▪ 1x USB 3.2 Gen 2×2 20Gbps Type-C port on the back panel ▪ 2x USB 3.2 Gen 2 10Gbps ports (1 Type-C internal connector and 1 Type-A port on the back panel) ▪ 6x USB 3.2 Gen 1 5Gbps ports (2 Type-A ports on the back panel, and 4 ports are available through the internal USB 3.2 Gen 1 5Gbps connectors) • USB 2.0 Hubs GL850G ▪ 4x USB 2.0 Type-A ports on the back panel ▪ 4x USB 2.0 ports are available through the internal USB 2.0 connectors |
| Internal Connectors | • 1x 24-pin ATX main power connector • 1x 8-pin ATX 12V power connector • 1x 4-pin ATX 12V power connector • 1x 6-pin ATX PCIe power connector • 6x SATA 6Gb/s connectors • 3x M.2 slots (M-Key) • 1x USB 3.2 Gen 2 10Gbps Type-C port • 2x USB 3.2 Gen 1 5Gbps connectors (supports additional 4 USB 3.2 Gen 1 5Gbps ports) • 2x USB 2.0 connectors (supports additional 4 USB 2.0 ports) • 1x 4-pin CPU fan connector • 1x 4-pin water-pump fan connector • 6x 4-pin system fan connectors • 1x Front panel audio connector • 2x System panel connectors • 1x Chassis Intrusion connector • 1x Clear CMOS jumper • 1x TPM module connector • 1x Serial port connector • 1x Tuning controller connector • 1x TBT connector (Supports RTD3) |
| LED Features | • 1x 4-pin RGB LED connector • 2x 3-pin RAINBOW LED connectors • 4x EZ Debug LED |
| Back Panel Connectors | • 1x Flash BIOS Button • x PS/2 keyboard/ mouse combo port • 4x USB 2.0 Type-A ports • 1x DisplayPort • 1x HDMI port • 1x LAN (RJ45) port • 2x USB 3.2 Gen 1 5Gbps Type-A ports • 1x USB 3.2 Gen 2 10Gbps Type-A port • 1x USB 3.2 Gen 2×2 20Gbps Type-C port • 2x Wi-Fi Antenna connectors (Only for Z590 PRO WIFI) • 6x audio jacks |
| I/O Controller | NUVOTON NCT6687-R Controller Chip |
| Hardware Monitor | • CPU/ System/ Chipset temperature detection • CPU/ System/ Pump fan speed detection • CPU/ System/ Pump fan speed control |
| Form Factor | • ATX Form Factor • 12 in. x 9.6 in. (30.5 cm x 24.4 cm) |
| BIOS Features | • 1x 256 Mb flash • UEFI AMI BIOS • ACPI 6.2, SMBIOS 3.0 • Multi-language |
| Software | • Drivers • MSI Center • Intel® Extreme Tuning Utility • CPU-Z MSI GAMINGv Google Chrome™, Google Toolbar, Google Drive • Norton™ Internet Security Solution |
| MSI Center Features | • Mystic Light • LAN Manager • User Scenario • Hardware Monitor • Frozr AI Cooling • True Color • Live Update • Speed Up • Smart Tool • Super Charger |
| Special Features | • Audio ▪ Audio Boost • Network ▪ 2.5G LAN ▪ LAN Manager ▪ Intel WiFi (Z590 PRO WIFI) • Cooling ▪ Extended Heatsink Design ▪ M.2 Shield Frozr ▪ K7 thermal pad ▪ Choke pad ▪ Pump Fan ▪ Smart Fan Control • LED ▪ Mystic Light Extension (RAINBOW/RGB) ▪ Mystic Light SYNC ▪ EZ LED Control ▪ EZ DEBUG LED |
| Special Features | • Performance ▪ Lightning Gen 4 PCI-E Slot ▪ Lightning Gen 4 M.2 ▪ Multi GPU-CrossFire Technology ▪ DDR4 Boost ▪ Core Boost ▪ Lightning USB 20G ▪ USB 3.2 Gen 2 10G ▪ USB with Type A+C ▪ Front USB Type-C ▪ Dual CPU Power ▪ Supplemental PCIE Power Connector ▪ 2oz Copper thickened PCB • Protection ▪ PCI-E Steel Armor • Experience ▪ MSI Center ▪ Frozr AI Cooling ▪ Click BIOS 5 ▪ Flash BIOS Button |
Rear I/O Panel

LAN Port LED Status Table

Audio Ports Configuration
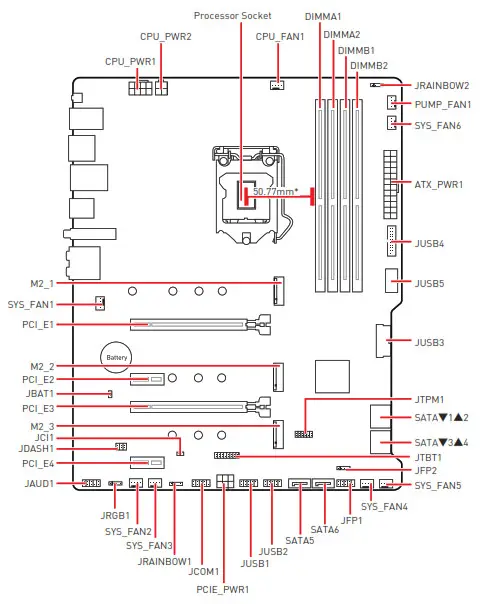
Overview of Components

* Distance from the center of the CPU to the nearest DIMM slot. Overview of Components 11
CPU Socket
Please install the CPU into the CPU socket as shown below.
Important
- Always unplug the power cord from the power outlet before installing or removing the CPU.
- Please retain the CPU protective cap after installing the processor. MSI will deal with Return Merchandise Authorization (RMA) requests if only the motherboard comes with the protective cap on the CPU socket.
- When installing a CPU, always remember to install a CPU heatsink. A CPU heatsink is necessary to prevent overheating and maintain system stability.
- Confirm that the CPU heatsink has formed a tight seal with the CPU before booting your system.
- Overheating can seriously damage the CPU and motherboard. Always make sure the cooling fans work properly to protect the CPU from overheating. Be sure to apply an even layer of thermal paste (or thermal tape) between the CPU and the heatsink to enhance heat dissipation.
- Whenever the CPU is not installed, always protect the CPU socket pins by covering the socket with the plastic cap.
- If you purchased a separate CPU and heatsink/ cooler, Please refer to the documentation in the heatsink/ cooler package for more details about installation.
DIMM Slots
Please install the memory module into the DIMM slot as shown below.
Memory module installation recommendation
Important
- Always insert memory modules in the DIMMA2 slot first.
- To ensure system stability for Dual channel mode, memory modules must be of the same type, number and density.
- Some memory modules may operate at a lower frequency than the marked value when overclocking due to the memory frequency operates dependent on its Serial Presence Detect (SPD). Go to BIOS and find the DRAM Frequency to set the memory frequency if you want to operate the memory at the marked or at a higher frequency.
- It is recommended to use a more efficient memory cooling system for full DIMMs installation or overclocking.
- The stability and compatibility of installed memory module depend on installed CPU and devices when overclocking.
- Please refer www.msi.com for more information on compatible memory.
PCI_E1~4: PCIe Expansion Slots
Important
- When adding or removing expansion cards, always turn off the power supply and unplug the power supply power cable from the power outlet. Read the expansion card’s documentation to check for any necessary additional hardware or software changes.
- If you install a large and heavy graphics card, you need to use a tool such as MSI Gaming Series Graphics Card Bolster to support its weight to prevent deformation of the slot.
- For a single PCIe x16 expansion card installation with optimum performance, using the PCI_E1 slot is recommended.
JFP1, JFP2: Front Panel Connectors
These connectors connect to the switches and LEDs on the front panel.

JAUD1: Front Audio Connector
This connector allow you to connect audio jacks on the front panel.
SATA1~6: SATA 6Gb/s Connectors
These connectors are SATA 6Gb/s interface ports. Each connector can connect to one SATA device.
Important
- SATA2 will be unavailable when installing M.2 SATA SSD in the M2_2 slot.
- SATA5 & SATA 6 will be unavailable when installing M.2 SSD in the M2_3 slot.
- Please do not fold the SATA cable at a 90-degree angle. Data loss may result during transmission otherwise.
- SATA cables have identical plugs on either sides of the cable. However, it is recommended that the flat connector be connected to the motherboard for space saving purposes.
M2_1~3: M.2 Slot (Key M)
Please install the M.2 solid-state drive (SSD) into the M.2 slot as shown below.
ATX_PWR1, CPU_PWR1~2, PCIE_PWR1: Power Connectors
These connectors allow you to connect an ATX power supply.
![]() | 1 | +3.3V | 13 | +3.3V |
| 2 | +3.3V | 14 | -12V | |
| 3 | Ground | 15 | Ground | |
| 4 | +5V | 16 | PS-ON# | |
| 5 | Ground | 17 | Ground | |
| 6 | +5V | 18 | Ground | |
| 7 | Ground | 19 | Ground | |
| 8 | PWR OK | 20 | Res | |
| 9 | 5VSB | 21 | +5V | |
| 10 | +12V | 22 | +5V | |
| 11 | +12V | 23 | +5V | |
| 12 | +3.3V | 24 | Ground |
![]() | 1 | Ground | 5 | +12V |
| 2 | Ground | 6 | +12V | |
| 3 | Ground | 7 | +12V | |
| 4 | Ground | 8 | +12V |
![]() | 1 | Ground | 3 | +12V |
| 2 | Ground | 4 | +12V |
![]() | 1 | +12V | 5 | Ground |
| 2 | +12V | 6 | Ground | |
| 3 | +12V | 7 | Ground |
Important
Make sure that all the power cables are securely connected to a proper ATX power supply to ensure stable operation of the motherboard.
JUSB1~2: USB 2.0 Connectors
These connectors allow you to connect USB 2.0 ports on the front panel.
![]() | 1 | VCC | 2 | VCC |
| 3 | USB0- | 4 | USB1- | |
| 5 | USB0+ | 6 | USB1+ | |
| 7 | Ground | 8 | Ground | |
| 9 | No Pin | 10 | NC |
Important
- Note that the VCC and Ground pins must be connected correctly to avoid possible damage.
- In order to recharge your iPad,iPhone and iPod through USB ports, please install MSI Center utility.
JUSB3~4: USB 3.2 Gen 1 5Gbps Connector
This connector allows you to connect USB 3.2 Gen 1 5Gbps ports on the front panel.
![]() | 1 | Power | 11 | USB2.0+ |
| 2 | USB3_RX_DN | 12 | USB2.0- | |
| 3 | USB3_RX_DP | 13 | Ground | |
| 4 | Ground | 14 | USB3_TX_C_DP | |
| 5 | USB3_TX_C_DN | 15 | USB3_TX_C_DN | |
| 6 | USB3_TX_C_DP | 16 | Ground | |
| 7 | Ground | 17 | USB3_RX_DP | |
| 8 | USB2.0- | 18 | USB3_RX_DN | |
| 9 | USB2.0+ | 19 | Power | |
| 10 | Ground | 20 | No Pin |
Important
Note that the Power and Ground pins must be connected correctly to avoid possible damage.
JUSB1: USB 3.2 Gen 2 Type-C Connector
This connector allows you to connect USB 3.2 Gen 2 Type-C connector on the front panel. The connector possesses a foolproof design. When you connect the cable, be sure to connect it with the corresponding orientation.
JTBT1: Thunderbolt Add-on Card Connector
This connector allows you to connect the add-on Thunderbolt I/O card.
![]() | 1 | TBT_Force_PWR | 2 | TBT_S0IX_Entry_REQ |
| 3 | TBT_CIO_Plug_Event# | 4 | TBT_S0IX_Entry_ACK | |
| 5 | SLP_S3#_TBT | 6 | TBT_PSON_Override_N | |
| 7 | SLP_S5#_TBT | 8 | Net Name | |
| 9 | Ground | 10 | SMBCLK_VSB | |
| 11 | DG_PEWake | 12 | SMBDATA_VSB | |
| 13 | TBT_RTD3_PWR_EN | 14 | Ground | |
| 15 | TBT_Card_DET_R# | 16 | PD_IRQ# |
CPU_FAN1, PUMP_FAN1, SYS_FAN1~6: Fan Connectors
Fan connectors can be classified as PWM (Pulse Width Modulation) Mode or DC Mode. PWM Mode fan connectors provide constant 12V output and adjust fan speed with speed control signal. DC Mode fan connectors control fan speed by changing voltage.
| Connector | Default fan mode | Max. current | Max. power |
| CPU_FAN1 | PWM mode | 2A | 24W |
| PUMP_FAN1 | PWM mode | 3A | 36W |
| SYS_FAN1~6 | DC mode | 1A | 12W |
![]() | |||
| 1 | Ground | 2 | +12V |
| 3 | Sense | 4 | Speed Control Signal |
![]() | |||
| 1 | Ground | 2 | Voltage Control |
| 3 | Sense | 4 | NC |
Important
You can adjust fan speed in BIOS > HARDWARE MONITOR.
JTPM1: TPM Module Connector
This connector is for TPM (Trusted Platform Module). Please refer to the TPM security platform manual for more details and usages.
![]() | 1 | SPI Power | 2 | SPI Chip Select |
| 3 | Master In Slave Out (SPI Data) | 4 | Master Out Slave In (SPI Data) | |
| 5 | Reserved | 6 | SPI Clock | |
| 7 | Ground | 8 | SPI Reset | |
| 9 | Reserved | 10 | No Pin | |
| 11 | Reserved | 12 | Interrupt Request |
JCI1: Chassis Intrusion Connector
This connector allows you to connect the chassis intrusion switch cable.
Using chassis intrusion detector
- Connect the JCI1 connector to the chassis intrusion switch/ sensor on the chassis.
- Close the chassis cover.
- Go to BIOS > SETTINGS > Security > Chassis Intrusion Configuration.
- Set Chassis Intrusion to Enabled.
- Press F10 to save and exit and then press the Enter key to select Yes.
- Once the chassis cover is opened again, a warning message will be displayed on screen when the computer is turned on.
Resetting the chassis intrusion warning
- Go to BIOS > SETTINGS > Security > Chassis Intrusion Configuration.
- Set Chassis Intrusion to Reset.
- Press F10 to save and exit and then press the Enter key to select Yes.
JCOM1: Serial Port Connector
This connector allows you to connect the optional serial port with bracket.
![]() | 1 | DCD | 2 | SIN |
| 3 | SOUT | 4 | DTR | |
| 5 | Ground | 6 | DSR | |
| 7 | RTS | 8 | CTS | |
| 9 | RI | 10 | No Pin |
JDASH1: Tuning controller Connector
This connector is used to connect an optional Tuning Controller module.
![]() | 1 | No pin | 2 | NC |
| 3 | MCU_SMB_SCL_M | 4 | MCU_SMB_SDA_M | |
| 5 | VCC5 | 6 | Ground |
JBAT1: Clear CMOS (Reset BIOS) Jumper
There is CMOS memory onboard that is external powered from a battery located on the motherboard to save system configuration data. If you want to clear the system configuration, set the jumpers to clear the CMOS memory.
Resetting BIOS to default values
- Power off the computer and unplug the power cord.
- Use a jumper cap to short JBAT1 for about 5-10 seconds.
- Remove the jumper cap from JBAT1.
- Plug the power cord and power on the computer.
JRAINBOW1~2: Addressable RGB LED connectors
The JRAINBOW connectors allow you to connect the WS2812B Individually Addressable RGB LED strips 5V.
![]() | 1 | +5V | 2 | Data |
| 3 | No Pin | 4 | Ground |
CAUTION
Do not connect the wrong type of LED strips. The JRGB connector and the JRAINBOW connector provide different voltages, and connecting the 5V LED strip to the JRGB connector will result in damage to the LED strip.
Important
- The JRAINBOW connector supports up to 75 LEDs WS2812B Individually Addressable RGB LED strips (5V/Data/Ground) with the maximum power rating of 3A (5V). In the case of 20% brightness, the connector supports up to 200 LEDs.
- Always turn off the power supply and unplug the power cord from the power outlet before installing or removing the RGB LED strip.
- Please use MSI’s software to control the extended LED strip.
JRGB1: RGB LED connector
The JRGB connector allows you to connect the 5050 RGB LED strips 12V.
![]() | 1 | +12V | 2 | G |
| 3 | R | 4 | B |
Important
- The JRGB connector supports up to 2 meters continuous 5050 RGB LED strips (12V/G/R/B) with the maximum power rating of 3A (12V).
- Always turn off the power supply and unplug the power cord from the power outlet before installing or removing the RGB LED strip.
- Please use MSI’s software to control the extended LED strip.
EZ Debug LED
These LEDs indicate the status of the motherboard.
CPU – indicates CPU is not detected or fail.
DRAM – indicates DRAM is not detected or fail.
VGA – indicates GPU is not detected or fail.
BOOT – indicates booting device is not detected or fail.
Installing OS, Drivers & MSI Center
Please download and update the latest utilities and drivers at www.msi.com
Installing Windows® 10
- Power on the computer.
- Insert the Windows® 10 installation disc/USB into your computer.
- Press the Restart button on the computer case.
- Press F11 key during the computer POST (Power-On Self Test) to get into Boot Menu.
- Select the Windows® 10 installation disc/USB from the Boot Menu.
- Press any key when screen shows Press any key to boot from CD or DVD… message.
- Follow the instructions on the screen to install Windows® 10.
Installing Drivers
- Start up your computer in Windows® 10.
- Insert MSI® Drive disc into the optical drive.
- Click the Select to choose what happens with this disc pop-up notification, then select Run DVDSetup.exe to open the installer. If you turn off the AutoPlay feature from the Windows Control Panel, you can still manually execute the DVDSetup.exe from the root path of the MSI Drive disc.
- The installer will find and list all necessary drivers in the Drivers/Software tab.
- Click the Install button in the lower-right corner of the window.
- The drivers installation will then be in progress, after it has finished it will prompt you to restart.
- Click OK button to finish.
- Restart your computer.
MSI Center
MSI Center is an application that helps you easily optimize game settings and smoothly use content creation softwares. It also allows you to control and synchronize LED light effects on PCs and other MSI products. With MSI Center, you can customize ideal modes, monitor system performance, and adjust fan speed.
MSI Center User Guide
If you would like to know more information about MSI Center, please refer to MSICENTER [PDF] or scan the QR code to access it.
Important
Functions may vary depending on the product you have.
24 Installing OS, Drivers & MSI Center
UEFI BIOS
MSI UEFI BIOS is compatible with UEFI (Unified Extensible Firmware Interface) architecture. UEFI has many new functions and advantages that traditional BIOS cannot achieve, and it will completely replace BIOS in the future. The MSI UEFI BIOS uses UEFI as the default boot mode to take full advantage of the new chipset’s capabilities.
Important
The term BIOS in this user guide refers to UEFI BIOS unless otherwise noted.
UEFI advantages
- Fast booting – UEFI can directly boot the operating system and save the BIOS selftest process. And also eliminates the time to switch to CSM mode during POST.
- Supports for hard drive partitions larger than 2 TB.
- Supports more than 4 primary partitions with a GUID Partition Table (GPT).
- Supports unlimited number of partitions. Supports full capabilities of new devices – new devices may not provide backward compatibility.
- Supports secure startup – UEFI can check the validity of the operating system to ensure that no malware tampers with the startup process.
Incompatible UEFI cases
- 32-bit Windows operating system – this motherboard supports only 64-bit Windows 10 operating system.
- Older graphics card – the system will detect your graphics card. When display a warning message There is no GOP (Graphics Output protocol) support detected in this graphics card.
Important
We recommend that you to replace with a GOP/UEFI compatible graphics card or using integrated graphics from CPU for having normal function. How to check the BIOS mode?
- Power on your computer.
- Press Delete key, when the Press DEL key to enter Setup Menu, F11 to enter Boot Menu message appears on the screen during the boot process.
- After entering the BIOS, you can check the BIOS Mode at the top of the screen.
BIOS Mode: UEFI
BIOS Setup
The default settings offer the optimal performance for system stability in normal conditions. You should always keep the default settings to avoid possible system damage or failure booting unless you are familiar with BIOS.
Important
- BIOS items are continuously update for better system performance. Therefore, the description may be slightly different from the latest BIOS and should be for reference only. You could also refer to the HELP information panel for BIOS item description.
- The BIOS screens, options and settings will vary depending on your system.
Entering BIOS Setup
Press Delete key, when the Press DEL key to enter Setup Menu, F11 to enter Boot Menu message appears on the screen during the boot process.
Function key
F1: General Help
F2: Add/ Remove a favorite item
F3: Enter Favorites menu
F4: Enter CPU Specifications menu
F5: Enter Memory-Z menu
F6: Load optimized defaults
F7: Switch between Advanced mode and EZ mode
F8: Load Overclocking Profile
F9: Save Overclocking Profile
F10: Save Change and Reset*
F12: Take a screenshot and save it to USB flash drive (FAT/ FAT32 format only). Ctrl+F: Enter Search page
* When you press F10, a confirmation window appears and it provides the modification information. Select between Yes or No to confirm your choice.
BIOS User Guide
If you’d like to know more instructions on setting up the BIOS, please refer to Intel500BIOS [PDF] or scan the QR code to access it.
Resetting BIOS
You might need to restore the default BIOS setting to solve certain problems. There are several ways to reset BIOS:
- Go to BIOS and press F6 to load optimized defaults.
- Short the Clear CMOS jumper on the motherboard.
- Press the Clear CMOS button on the rear I/O panel.
Important
Be sure the computer is off before clearing CMOS data. Please refer to the Clear CMOS jumper/ button section for resetting BIOS.
Updating BIOS
Updating BIOS with M-FLASH
Before updating:
Please download the latest BIOS file that matches your motherboard model from MSI website. And then save the BIOS file into the USB flash drive. Updating BIOS:
- Insert the USB flash drive that contains the update file into the USB port.
- Please refer the following methods to enter flash mode.
• Reboot and press Ctrl + F5 key during POST and click on Yes to reboot the system.
• Reboot and press Del key during POST to enter BIOS. Click the M-FLASH button and click on Yes to reboot the system. - Select a BIOS file to perform the BIOS update process.
- When prompted click on Yes to start recovering BIOS.
- After the flashing process is 100% completed, the system will reboot automatically.
Updating the BIOS with MSI Center
Before updating:
- Make sure the LAN driver is already installed and the internet connection is set properly.
- Please close all other application software before updating the BIOS. To update BIOS:
1. Install and launch MSI Center and go to Support page.
2. Select Live Update and click on Advance button.
3. Select the BIOS file and click on Install button.
4. The installation reminder will appear, then click the Install button on it.
5. The system will automatically restart to update BIOS.
6. After the flashing process is 100% completed, the system will restart automatically.
Updating BIOS with Flash BIOS Button
- Please download the latest BIOS file that matches your motherboard model from the MSI® website.
- Rename the BIOS file to MSI.ROM, and save it to the root of your USB flash drive.
- Connect the power supply to CPU_PWR1 and ATX_PWR1. (No need to install CPU and memory.)
- Plug the USB flash drive that contains the MSI.ROM file into the Flash BIOS Port on the rear I/O panel.
- Press the Flash BIOS Button to flash BIOS, and the LED starts flashing.
- The LED will be turned off when the process is completed.
Copyrightmis Micro-Star Int’l Co.,Ltd.
Copyright © 2021 All rights reserved.
The MSI logo used is a registered trademark of Micro-Star Int’l Co., Ltd. All other marks and names mentioned may be trademarks of their respective owners. No warranty as to accuracy or completeness is expressed or implied. MSI reserves the right to make changes to this document without prior notice.
Revision History
Version 1.0, 2021/01, First release.
Version 1.1, 2021/01, updated release.
Version 1.2, 2021/02, updated release.
Technical Support
If a problem arises with your system and no solution can be obtained from the user guide, please contact your place of purchase or local distributor. Alternatively, please try the following help resources for further guidance.
- Visit the MSI website for technical guide, BIOS updates, driver updates, and other information: http://www.msi.com
- Register your product at: http://register.msi.com
Regulatory Notices v


































