MSI H310M Series Motherboard

Safety Information
- The components included in this package are prone to damage from electrostatic discharge (ESD). Please adhere to the following instructions to ensure successful computer assembly.
- Ensure that all components are securely connected. Loose connections may cause the computer to not recognize a component or fail to start.
- Hold the motherboard by the edges to avoid touching sensitive components.
- It is recommended to wear an electrostatic discharge (ESD) wrist strap when handling the motherboard to prevent electrostatic damage. If an ESD wrist strap is not available, discharge yourself of static electricity by touching another metal object before handling the motherboard.
- Store the motherboard in an electrostatic shielding container or on an anti-static pad whenever the motherboard is not installed.
- Before turning on the computer, ensure that there are no loose screws or metal components on the motherboard or anywhere within the computer case.
- Do not boot the computer before installation is completed. This could cause permanent damage to the components as well as injury to the user.
- If you need help during any installation step, please consult a certified computer technician.
- Always turn off the power supply and unplug the power cord from the power outlet before installing or removing any computer component.
- Keep this user guide for future reference.
- Keep this motherboard away from humidity.
- Make sure that your electrical outlet provides the same voltage as is indicated on the PSU, before connecting the PSU to the electrical outlet.
- Place the power cord such a way that people can not step on it. Do not place anything over the power cord.
- All cautions and warnings on the motherboard should be noted.
- If any of the following situations arises, get the motherboard checked by service personnel:
- Liquid has penetrated into the computer.
- The motherboard has been exposed to moisture.
- The motherboard does not work well or you can not get it work according to user guide.
- The motherboard has been dropped and damaged.
- The motherboard has obvious sign of breakage.
- Do not leave this motherboard in an environment above 60°C (140°F), it may damage the motherboard.
Specifications
| CPU | Supports 8th Generation Intel® Core™ Processors, Pentium® Gold and Celeron® Processors for Socket LGA1151 |
| Chipset | Intel® H310 Chipset |
|
Memory | • 2x DDR4 memory slots, support up to 32GB • Supports DDR4 2666 MHz/ 2400 MHz/ 2133 MHz Memory* • Supports Dual-Channel mode • Supports non-ECC, un-buffered memory • Supports Intel® Extreme Memory Profile (XMP) * Please refer www.msi.com for more information on compatible memory. |
| Expansion Slots | • 1x PCIe 3.0 x16 slot • 2x PCIe 2.0 x1 slots |
|
Onboard Graphics | • 1x VGA port, supports a maximum resolution of 2048×1536@50Hz, 2048×1280@60Hz, 1920×1200@60Hz (H310M PRO-VH/ H310M PRO-VD/ H310M NANO/ H310M WIND/ H310M FIRE) • 1x DVI-D port, supports a maximum resolution of 1920×1200@60Hz (H310M PRO-VD/ H310M PRO-D) • 1x HDMI™ port, supports a maximum resolution of 4096×2160@30H (H310M PRO-VH/ H310M FIRE) |
| Storage | Intel® H310 Chipset • 4x SATA 6Gb/s ports |
|
USB | Intel® H310 Chipset • 4x USB 3.1 Gen1 (SuperSpeed USB) ports (2 Type-A ports on the back panel, 2 ports available through the internal USB connector) • 6x USB 2.0 (High-speed USB) ports (4 ports on the back panel, 2 ports available through the internal USB connector) |
| Audio | • Realtek® ALC887 Codec • 7.1-Channel High-Definition Audio |
| LAN | 1x Realtek RTL8111H Gigabit LAN controller |
|
Back Panel Connectors | • 1x PS/2 keyboard/Mouse combo port • 4x USB 2.0 ports • 1x DVI-D port (H310M PRO-VD/ H310M PRO-D) • 1x VGA port (H310M PRO-VH/ H310M PRO-VD/ H310M NANO/ H310M WIND/ H310M FIRE) • 1x HDMI™ port (H310M PRO-VH/ H310M FIRE) • 2x USB 3.1 Gen1 Type-A ports • 1x LAN (RJ45) port • 3x audio jacks |
|
Internal Connectors | • 1x 24-pin ATX main power connector • 1x 8-pin ATX 12V power connector • 4x SATA 6Gb/s connectors • 1x USB 3.1 Gen1 connector (supports additional 2 USB 3.1 Gen1 ports) • 1x USB 2.0 connector (supports additional 2 USB 2.0 ports) • 1x 4-pin CPU fan connector • 1x 4-pin system fan connector • 2x Front panel connectors • 1x Front panel audio connector • 1x Serial port connector • 1x TPM module connector • 1x Chassis Intrusion connector • 1x Clear CMOS jumper • 4x EZ Debug LED |
| I/O Controller | NUVOTON NCT5567 Controller Chip |
| Hardware Monitor | • CPU/System temperature detection • CPU/System fan speed detection • CPU/System fan speed control |
| Form Factor | • m-ATX Form Factor • 8.9 in. x 7.3 in. (22.6 cm x 18.5 cm) |
|
BIOS Features | • 1x 128 Mb flash • UEFI AMI BIOS • ACPI 6.1, SM BIOS 2.8 • Multi-language |
|
Software | • Drivers • APP MANAGER • SUPER CHARGER • COMMAND CENTER • LIVE UPDATE 6 • SMART TOOL • RAMDISK • FAST BOOT • X-BOOST • DPC LATENCY TUNER • MYSTIC LIGHT (optional) • NETWORK GENIE • CPU-Z MSI GAMING • Intel Extreme Tuning Utility • Google Chrome™, Google Toolbar, Google Drive • Norton™ Internet Security Solution |
Rear I/O Panel
H310M PRO-VH/ H310M FIRE
PS/2 Keyboard/ Mouse
H310M PRO-VD

H310M PRO-D

H310M PRO-NANO/ H310M WIND

LAN Port LED Status Table

Audio 7.1-channel Configuration
To configure 7.1-channel audio, you have to connect the front audio I/O module to the JAUD1 connector and follow the below steps.
- Click on the Realtek HD Audio Manager > Advanced Settings to open the dialog below.

- Select Mute the rear output device, when a front headphone is plugged in.
- Plug your speakers into audio jacks on the rear and front I/O panels. When you plug into a device at an audio jack, a dialogue window will pop up asking you which device is currently connected.
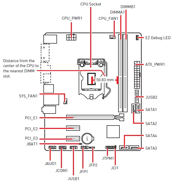
Overview of Components

CPU Socket
Please install the CPU into the CPU socket as shown below.

Important
- Always unplug the power cord from the power outlet before installing or removing the CPU.
- Please retain the CPU protective cap after installing the processor. MSI will deal with Return Merchandise Authorization (RMA) requests if only the motherboard
comes with the protective cap on the CPU socket. - When installing a CPU, always remember to install a CPU heatsink. A CPU heatsink is necessary to prevent overheating and maintain system stability.
- Confirm that the CPU heatsink has formed a tight seal with the CPU before booting your system.
- Overheating can seriously damage the CPU and motherboard. Always make sure the cooling fans work properly to protect the CPU from overheating. Be sure to apply an even layer of thermal paste (or thermal tape) between the CPU and the heatsink to enhance heat dissipation.
- Whenever the CPU is not installed, always protect the CPU socket pins by covering the socket with a plastic cap.
- If you purchased a separate CPU and heatsink/ cooler, Please refer to the documentation in the heatsink/ cooler package for more details about installation.
DIMM Slots
Please install the memory module into the DIMM slot as shown below.
Important
- Due to chipset resource usage, the available capacity of memory will be a little less than the amount of installed.
- Please note that the maximum capacity of addressable memory is 4GB or less for 32-bit Windows OS due to the memory address limitation. Therefore, we recommended that you to install 64-bit Windows OS if you want to install more than 4GB memory on the motherboard.
PCI_E1~3: PCIe Expansion Slots

Important
- If you install a large and heavy graphics card, you need to use a tool such as MSI Gaming Series Graphics Card Bolster to support its weight to prevent the deformation of the slot.
- When adding or removing expansion cards, always turn off the power supply and unplug the power supply power cable from the power outlet. Read the expansion
card’s documentation to check for any necessary additional hardware or software changes.
JFP1, JFP2: Front Panel Connectors
These connectors connect to the switches and LEDs on the front panel.
SATA1~4: SATA 6Gb/s Connectors
These connectors are SATA 6Gb/s interface ports. Each connector can connect to one SATA device.
Important
- Please do not fold the SATA cable at a 90-degree angle. Data loss may result during transmission otherwise.
- SATA cables have identical plugs on either side of the cable. However, it is recommended that the flat connector be connected to the motherboard for space-saving purposes.
ATX_PWR1, CPU_PWR1: Power Connectors
These connectors allow you to connect an ATX power supply.
Important
Make sure that all the power cables are securely connected to a proper ATX power supply to ensure the stable operation of the motherboard.
JAUD1: Front Audio Connector
This connector allows you to connect audio jacks on the front panel.
JUSB1: USB 2.0 Connector
This connector allows you to connect USB 2.0 ports on the front panel.
Important
- Note that the VCC and Ground pins must be connected correctly to avoid possible damage.
- In order to recharge your iPad,iPhone, and iPod through USB ports, please install the MSI® SUPER CHARGER utility.
JUSB2: USB 3.1 Gen1 Connector
This connector allows you to connect USB 3.1 Gen1 ports on the front panel.
Important
Note that the Power and Ground pins must be connected correctly to avoid possible damage.
JTPM1: TPM Module Connector
This connector is for TPM (Trusted Platform Module). Please refer to the TPM security platform manual for more details and usages.
JCOM1: Serial Port Connector
This connector allows you to connect the optional serial port with a bracket.
JCI1: Chassis Intrusion Connector
This connector allows you to connect the chassis intrusion switch cable.
Using a chassis intrusion detector
- Connect the JCI1 connector to the chassis intrusion switch/ sensor on the chassis.
- Close the chassis cover.
- Go to BIOS > SETTINGS > Security > Chassis Intrusion Configuration.
- Set Chassis Intrusion to Enabled.
- Press F10 to save and exit and then press the Enter key to select Yes.
- Once the chassis cover is opened again, a warning message will be displayed on the screen when the computer is turned on.
Resetting the chassis intrusion warning
- Go to BIOS > SETTINGS > Security > Chassis Intrusion Configuration.
- Set Chassis Intrusion to Reset.
- Press F10 to save and exit and then press the Enter key to select Yes.
CPU_FAN1, SYS_FAN1: Fan Connectors
Fan connectors can be classified as PWM (Pulse Width Modulation) Mode or DC Mode. PWM Mode fan connectors provide constant 12V output and adjust fan speed with the speed control signal. DC Mode fan connectors control the fan speed by changing voltage. When you plug a 3-pin (Non-PWM) fan to a fan connector in PWM mode, the fan speed will always maintain at 100%, which might create a lot of noise. You can follow the instruction below to adjust the fan connector to PWM or DC Mode.
Default PWM Mode fan connectors

Default DC Mode fan connectors

Switching fan mode and adjusting fan speed
You can switch between PWM mode and DC mode and adjust the fan speed in BIOS > HARDWARE MONITOR.
Select PWM mode or DC mode

There are gradient points of the fan speed that allow you to adjust fan speed in relation to CPU temperature.
Important
Make sure fans are working properly after switching the PWM/ DC mode.
Pin definition of fan connectors
| PWM Mode pin definition | |||
| 1 | Ground | 2 | +12V |
| 3 | Sense | 4 | Speed Control Signal |
| DC Mode pin definition | |||
| 1 | Ground | 2 | Voltage Control |
| 3 | Sense | 4 | NC |
JBAT1: Clear CMOS (Reset BIOS) Jumper
There is CMOS memory onboard that is externally powered from a battery located on the motherboard to save system configuration data. If you want to clear the system configuration, set the jumper to clear the CMOS memory.
Resetting BIOS to default values
- Power off the computer and unplug the power cord.
- Use a jumper cap to short JBAT1 for about 5-10 seconds.
- Remove the jumper cap from JBAT1.
- Plug in the power cord and power it on the computer.
EZ Debug LED
These LEDs indicate the status of the motherboard.
- CPU – indicates CPU is not detected or fail.
- DRAM – indicates DRAM is not detected or fail.
- VGA – indicates GPU is not detected or failed.
- BOOT – indicates the booting device is not detected or fail.
BIOS Setup
The default settings offer optimal performance for system stability in normal conditions. You should always keep the default settings to avoid possible system damage or failure booting unless you are familiar with BIOS.
Important
- BIOS items are continuously updated for better system performance. Therefore, the description may be slightly different from the latest BIOS and should be for reference only. You could also refer to the HELP information panel for the BIOS item description.
- The pictures in this chapter are for reference only and may vary from the product you purchased.
Entering BIOS Setup
Please refer the following methods to enter BIOS setup.
- Press the Delete key, when the Press DEL key to enter the Setup Menu, F11 to enter the Boot Menu message appears on the screen during the boot process.
- Use the MSI FAST BOOT application. Click on the GO2BIOS button and choose OK. The system will reboot and enter the BIOS setup directly.

Function key
- F1: General Help
- F2: Add/ Remove a favorite item
- F3: Enter the Favorites menu
- F4: Enter CPU Specifications menu
- F5: Enter the Memory-Z menu
- F6: Load-optimized defaults
- F7: Switch between Advanced mode and EZ mode
- F8: Load Overclocking Profile
- F9: Save Overclocking Profile
- F10: Save Change and Reset*
- F12: Take a screenshot and save it to a USB flash drive (FAT/ FAT32 format only).
- Ctrl+F: Enter the Search page
When you press F10, a confirmation window appears and it provides the modification information. Select between Yes or No to confirm your choice.
Resetting BIOS
You might need to restore the default BIOS setting to solve certain problems. There are several ways to reset BIOS:
- Go to BIOS and press F6 to load optimized defaults.
- Short the Clear CMOS jumper on the motherboard.
Important
Be sure the computer is off before clearing CMOS data. Please refer to the Clear CMOS jumper section for resetting BIOS.
Updating BIOS
Updating BIOS with M-FLASH
Before updating:
Please download the latest BIOS file that matches your motherboard model from the MSI website. And then save the BIOS file into the USB flash drive.
Updating BIOS:
- Insert the USB flash drive that contains the updated file into the computer.
- Press the <Ctrl+F5> key during POST.
- Click on Yes to reboot the system and enter flash mode.
- Select a BIOS file to perform the BIOS update process.
- After the flashing process is 100% completed, the system will reboot automatically.
Updating the BIOS with Live Update 6
Before updating:
Make sure the LAN driver is already installed and the Internet connection is set properly.
Updating BIOS:
- Install and launch MSI LIVE UPDATE 6.
- Select BIOS Update.
- Click on the Scan button.
- Click on the Download icon to download and install the latest BIOS file.
- Click Next and choose In Windows mode. And then click Next and Start to start updating BIOS.
- After the flashing process is 100% completed, the system will restart automatically.
Software Description
Installing Windows® 10
- Power on the computer.
- Insert the Windows® 10 disc into your optical drive.
- Press the Restart button on the computer case.
- Press the F11 key during the computer POST (Power-On Self Test) to get into Boot Menu.
- Select your optical drive from the Boot Menu.
- Press any key when the screen shows Press any key to boot from CD or DVD… message.
- Follow the instructions on the screen to install Windows® 10.
Installing Drivers
- Start up your computer in Windows® 10.
- Insert MSI® Driver Disc into your optical drive.
- The installer will automatically appear and it will find and list all necessary drivers.
- Click the Install button.
- The software installation will then be in progress, after it has finished it will prompt you to restart.
- Click the OK button to finish.
- Restart your computer.
Installing Utilities
Before you install utilities, you must complete the driver’s installation.
- Insert MSI® Driver Disc into your optical drive.
- The installer will automatically appear.
- Click the utility tab.
- Select the utilities you want to install.
- Click the Install button.
- The utility installation will then be in progress, after it has finished it will prompt you to restart.
- Click the OK button to finish.
- Restart your computer.
WEEE (Waste Electrical and Electronic Equipment) Statement
To protect the global environment and as an environmentalist, MSI must remind you that… Under the European Union (“EU”) Directive on Waste Electrical and Electronic Equipment, Directive 2002/96/EC, which takes effect on August 13, 2005, products of “electrical and electronic equipment” cannot be discarded as municipal wastes anymore, and manufacturers of covered electronic equipment will be obligated to take back such products at the end of their useful life. MSI will comply with the product take-back requirements at the end of the life of MSI-branded products that are sold in the EU. You can return these products to local collection points.
India RoHS
This product complies with the “India E-waste (Management and Handling) Rule 2011” and prohibits the use of lead, mercury, hexavalent chromium, polybrominated biphenyls or polybrominated diphenyl ethers in concentrations exceeding 0.1 weight % and 0.01 weight % for cadmium, except for the exemptions set in Schedule 2 of the Rule.
Environmental Policy
- The product has been designed to enable proper reuse of parts and recycling and should not be thrown away at its end of life.
- Users should contact the local authorized point of collection for recycling and disposal of their end-of-life products.
- Visit the MSI website and locate a nearby distributor for further recycling information. Users may also reach us at [email protected] for information regarding the proper Disposal, Take-back, Recycling, and Disassembly of MSI products.
Trademark Recognition
All product names used in this manual are the properties of their respective owners and are acknowledged.
Technical Support
If a problem arises with your system and no solution can be obtained from the user guide, please contact your place of purchase or local distributor. Alternatively, please try the following help resources for further guidance.
- Visit the MSI website for a technical guide, BIOS updates, driver updates, and other information: http://www.msi.com.
- Register your product at https://register.
Copyright
Micro-Star Int’l Co., Ltd. Copyright © 2018 All rights reserved.
The MSI logo used is a registered trademark of Micro-Star Int’l Co., Ltd. All other marks and names mentioned may be trademarks of their respective owners. No warranty as to accuracy or completeness is expressed or implied. MSI reserves the right to make changes to this document without prior notice.
Revision History
Version 1.0, 2018/02, First release.






















