MSI PRO H610M-G DDR4 Motherboard

Thank you for purchasing the MSI® motherboard.
This User Guide gives information about board layout, component overview, BIOS setup and software installation.
Safety Information
- The components included in this package are prone to damage from electrostatic discharge (ESD). Please adhere to the following instructions to ensure successful computer assembly.
- Ensure that all components are securely connected. Loose connections may cause the computer to not recognize a component or fail to start.
- Hold the motherboard by the edges to avoid touching sensitive components.
- It is recommended to wear an electrostatic discharge (ESD) wrist strap when handling the motherboard to prevent electrostatic damage. If an ESD wrist strap is not available, discharge yourself of static electricity by touching another metal object before handling the motherboard.
- Store the motherboard in an electrostatic shielding container or on an anti-static pad whenever the motherboard is not installed.
- Before turning on the computer, ensure that there are no loose screws or metal components on the motherboard or anywhere within the computer case.
- Do not boot the computer before installation is completed. This could cause permanent damage to the components as well as injury to the user.
- If you need help during any installation step, please consult a certified computer technician.
- Always turn off the power supply and unplug the power cord from the power outlet before installing or removing any computer component.
- Keep this user guide for future reference.
- Keep this motherboard away from humidity.
- Make sure that your electrical outlet provides the same voltage as is indicated on the PSU, before connecting the PSU to the electrical outlet.
- Place the power cord such a way that people can not step on it. Do not place anything over the power cord.
- All cautions and warnings on the motherboard should be noted.
- If any of the following situations arises, get the motherboard checked by service personnel:
- Liquid has penetrated into the computer.
- The motherboard has been exposed to moisture.
- The motherboard does not work well or you can not get it work according to user guide.
- The motherboard has been dropped and damaged.
- The motherboard has obvious sign of breakage.
- Do not leave this motherboard in an environment above 60°C (140°F), it may damage the motherboard.
Specifications
| CPU | ∙ Supports 12th Gen Intel® Core™ Processors, Pentium® Gold and Celeron® Processors ∙ Processor socket LGA1700 * Please go to www.msi.com to get the newest support status as new processors are released. |
| Chipset | Intel® B660 Chipset (PRO B660M-E DDR4/ B660M BOMBER DDR4) Intel® H610 Chipset (PRO H610M-G DDR4/ PRO H610M-B DDR4/ H610M BOMBER DDR4) |
| Memory | ∙ 2x DDR4 memory slots, support up to 64GB* ∙ Supports 1R 2133/ 2666/ 3200 MHz (by JEDEC & POR) ∙ Max overclocking frequency: (For B660 chipset only) • 1DPC 1R Max speed up to 4600+ MHz • 1DPC 2R Max speed up to 4000+ MHz ∙ Supports Dual-Channel mode ∙ Supports non-ECC, un-buffered memory ∙ Supports Intel® Extreme Memory Profile (XMP) (For B660 chipset only) * Please refer to www.msi.com for more information on compatible memory. |
| Expansion Slots | ∙ 1x PCIe x16 slot (From CPU) • Supports up to PCIe 4.0 x16 ∙ 1x PCIe x1 slot (From B660/ H610 chipset) • Supports PCIe 3.0 x1 ∙ 1x M.2 slot with E-key for PCIe WiFi module only (M2_ WIFI1)(For PRO H610M-G DDR4 & PRO H610M-B DDR4) |
| Onboard Graphics | ∙ 1x HDMI 2.1 with HDR port, supports a maximum resolution of 4K 60Hz*/** ∙ 1x VGA port, supports a maximum resolution of 2048×1536 50Hz, 2048×1280 60Hz, 1920×1200 60Hz*/** ∙ 1x DisplayPort 1.4 port, supports a maximum resolution of 4K 60Hz*/** (For PRO H610M-G DDR4 only) * Available only on processors featuring integrated graphics. ** Graphics specifications may vary depending on the CPU installed. |
| SATA Ports | ∙ 4x SATA 6Gb/s ports (From B660/ H610 chipset)* * SATA7 will be unavailable when installing M.2 SATA SSD in the M2_1 slot. |
| M.2 SSD Slot | ∙ 1x M.2 slot (Key M, from B660/ H610 chipset)* • Supports up to PCIe 3.0 x4 • Supports up to SATA 6Gb/s • Supports 2242/ 2260/ 2280 storage devices • Support Intel® Optane™ Memory (For B660 chipset) • Supports Intel® Smart Response Technology for Intel Core™ processors * SATA7 will be unavailable when installing M.2 SATA SSD in the M2_1 slot. |
| RAID | ∙ Supports RAID 0, RAID 1, RAID 5 and RAID 10 for SATA storage devices (For B660 chipset) |
| Audio | Realtek® ALC892/ ALC897 Codec ∙ 7.1-Channel High Definition Audio |
| LAN | ∙ 1x Intel® I219V 1Gbps LAN controller |
| Power Connectors | ∙ 1x 24-pin ATX main power connector 1x 8-pin ATX 12V power connector |
| Internal USB Connectors | ∙ 1x USB 3.2 Gen 1 5Gbps connector (From B660/ H610 chipset) • Supports additional 2 USB 3.2 Gen 1 5Gbps ports 1x USB 2.0 connector (From B660/ H610 chipset) • Supports additional 2 USB 2.0 ports |
| Fan Connectors | ∙ 1x 4-pin CPU fan connector 1x 4-pin system fan connector |
| System Connectors | ∙ 1x Front panel audio connector ∙ 2x System panel connectors 1x Chassis Intrusion connector ∙ 1x TPM module connector |
| Jumpers | ∙ 1x Clear CMOS jumper |
| LED Features | ∙ 1x 4-pin RGB LED connector (For PRO H610M-G DDR4 only) 2x 3-pin RAINBOW LED connectors (For PRO H610M-G DDR4 only) ∙ 4x EZ Debug LED |
| Back Panel Connectors | ∙ 1x HDMI port ∙ 1x VGA port ∙ 1x DisplayPort port (For PRO H610M-G DDR4 only) 1x PS/2 keyboard/ mouse combo port 4x USB 2.0 Type-A ports (From B660/ H610 chipset) ∙ 2x USB 3.2 Gen 1 5Gbps Type-A ports (From B660/ H610 chipset) 1x LAN (RJ45) jack 3x audio jacks |
| I/O Controller | NUVOTON NCT5887D-M/ NCT6687D-M Controller Chip |
| Hardware Monitor | ∙ CPU/ System/ Chipset temperature detection ∙ CPU/ System/ Pump fan speed detection ∙ CPU/ System/ Pump fan speed control |
| Form Factor | ∙ M-ATX Form Factor ∙ 9.6 in. x 8.3 in. (24.4 cm x 21.1 cm) |
| BIOS Features | ∙ 1x 256 Mb flash ∙ UEFI AMI BIOS ∙ ACPI 6.4, SMBIOS 3.4 ∙ Multi-language |
| Software | ∙ Drivers ∙ MSI Center ∙ Intel Extreme Tuning Utility ∙ CPU-Z MSI GAMING ∙ Google Chrome™, Google Toolbar, Google Drive ∙ Norton™ Internet Security Solution |
Special Features
MSI Center Features
- Mystic Light (For PRO H610M-G DDR4 only)
- LAN Manager
- User Scenario
- Hardware Monitor
- Frozr AI Cooling
- True Color
- Live Update
- Speed Up
- Super Charger
Audio
- Audio Boost
Network
- LAN Manager
LED
- Mystic Light Extension (RAINBOW/RGB) (For PRO H610M-G DDR4 only)
- Mystic Light SYNC (For PRO H610M-G DDR4 only)
- Ambient Devices Support (For PRO H610M-G DDR4 only)
- EZ DEBUG LED
Performance
- Memory Boost
- Core Boost
- Lightning Gen 4 PCI-E Slot
Protection
- PCI-E Steel Armor
Experience
- Click BIOS 5
- EZ M.2 Clip
- CPU Cooler Tuning
Back Panel Connectors

| Item | Description |
| 1 | HDMI port |
| 2 | VGA port |
| 3 | DisplayPort (For PRO H610M-G DDR4 only) |
| 4 | PS/2 keyboard/ mouse combo port |
| 5 | USB 3.2 Gen 1 5Gbps Type-A ports (From B660/ H610 chipset) |
| 6 | 1 Gbps LAN ports |
| 7 | Audio jacks |
| 8 | USB 2.0 Type-A ports (From B660/ H610 chipset) |
LAN Port LED Status Table

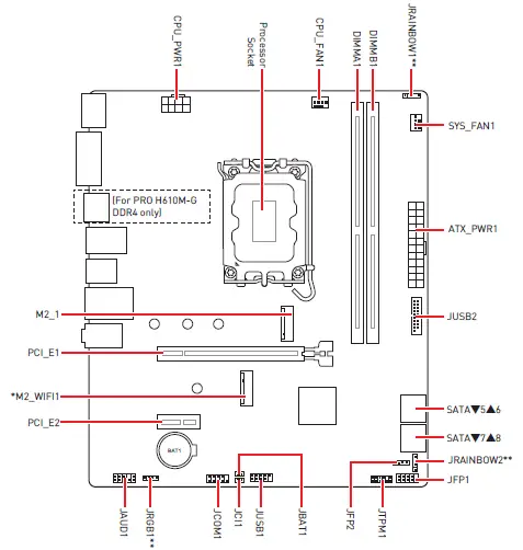
Overview of Components

* M2_WIFI1 (For PRO H610M-G DDR4/ PRO H610M-B DDR4)
** JRAINBOW1, JRAINBOW2 and JRGB1 (For PRO H610M-G DDR4)
CPU Socket
Please install the CPU into the CPU socket as shown below.

Important
- Always unplug the power cord from the power outlet before installing or removing the CPU.
- Please retain the CPU protective cap after installing the processor. MSI will deal with Return Merchandise Authorization (RMA) requests if only the motherboard comes with the protective cap on the CPU socket.
- When installing a CPU, always remember to install a CPU heatsink. A CPU heatsink is necessary to prevent overheating and maintain system stability.
- Confirm that the CPU heatsink has formed a tight seal with the CPU before booting your system.
- Overheating can seriously damage the CPU and motherboard. Always make sure the cooling fans work properly to protect the CPU from overheating. Be sure to apply an even layer of thermal paste (or thermal tape) between the CPU and the heatsink to enhance heat dissipation.
- Whenever the CPU is not installed, always protect the CPU socket pins by covering
the socket with the plastic cap. - If you purchased a separate CPU and heatsink/ cooler, Please refer to the documentation in the heatsink/ cooler package for more details about installation.
DIMM Slots
Please install the memory module into the DIMM slot as shown below.

Important
- To ensure system stability for Dual channel mode, memory modules must be of the same type, number and density.
- Some memory modules may operate at a lower frequency than the marked value when overclocking due to the memory frequency operates dependent on its Serial Presence Detect (SPD). Go to BIOS and find the DRAM Frequency to set the memory frequency if you want to operate the memory at the marked or at a higher frequency.
- It is recommended to use a more efficient memory cooling system for full DIMMs installation or overclocking.
- The stability and compatibility of installed memory module depend on installed CPU and devices when overclocking.
- Please refer to www.msi.com for more information on compatible memory.
M2_WIFI1: M.2 Slot (Key E, for PRO H610M-G DDR4 & PRO H610M-B DDR4 )
Please install PCIe Wi-Fi module into M2_WIFI1 slot as shown below.

PCI_E1~2: PCIe Expansion Slots

Important
- If you install a large and heavy graphics card, you need to use a tool such as MSI Graphics Card Bolster to support its weight to prevent deformation of the slot.
- When adding or removing expansion cards, always turn off the power supply and unplug the power supply power cable from the power outlet. Read the expansion card’s documentation to check for any necessary additional hardware or software changes.
JFP1, JFP2: Front Panel Connectors
The JFP1 connector controls the power on, power reset, and the LEDs on your PC case/chassis. Power Switch/ Reset Switch headers allow you to connect power button/ reset button. Power LED header connects to LED light on the PC case, and HDD LED header indicates the activity of the hard disk. The JFP2 connector is for Buzzer and Speaker. To connect the cables from PC case to the right pins, please refer to the following images below.

Important
Please note that Power LED and HDD LED have positive and negative connection, you need to link up the cable to the corresponding positive and negative port on the motherboard. Otherwise, LEDs won’t work properly.
M2_1: M.2 Slot (Key M)
Please install the M.2 solid-state drive (SSD) into the M.2 slot as shown below.

SATA5~8: SATA 6Gb/s Connectors
These connectors are SATA 6Gb/s interface ports. Each connector can connect to one SATA device.

Important
- Please do not fold the SATA cable at a 90-degree angle. Data loss may result during transmission otherwise.
- SATA cables have identical plugs on either sides of the cable. However, it is recommended that the flat connector be connected to the motherboard for space saving purposes.
- SATA7 will be unavailable when installing M.2 SATA SSD in the M2_1 slot.
CPU_PWR1, ATX_PWR1: Power Connectors
These connectors allow you to connect an ATX power supply.

CPU_PWR1
| Pin | Signal Name | Pin | Signal Name |
| 1 | Ground | 2 | Ground |
| 3 | Ground | 4 | Ground |
| 5 | +12V | 6 | +12V |
| 7 | +12V | 8 | +12V |

ATX_PWR1
| Pin | Signal Name | Pin | Signal Name |
| 1 | +3.3V | 2 | +3.3V |
| 3 | Ground | 4 | +5V |
| 5 | Ground | 6 | +5V |
| 7 | Ground | 8 | PWR OK |
| 9 | 5VSB | 10 | +12V |
| 11 | +12V | 12 | +3.3V |
| 13 | +3.3V | 14 | -12V |
| 15 | Ground | 16 | PS-ON# |
| 17 | Ground | 18 | Ground |
| 19 | Ground | 20 | Res |
| 21 | +5V | 22 | +5V |
| 23 | +5V | 24 | Ground |
Important
Make sure that all the power cables are securely connected to a proper ATX power supply to ensure stable operation of the motherboard.
JAUD1: Front Audio Connector
This connector allows you to connect audio jacks on the front panel.

| Pin | Signal Name | Pin | Signal Name |
| 1 | MIC L | 2 | Ground |
| 3 | MIC R | 4 | NC |
| 5 | Head Phone R | 6 | MIC Detection |
| 7 | SENSE_SEND | 8 | No Pin |
| 9 | Head Phone L | 10 | Head Phone Detection |
CPU_FAN1, SYS_FAN1: Fan Connectors
Fan connectors can be classified as PWM (Pulse Width Modulation) Mode or DC Mode. PWM Mode fan connectors provide constant 12V output and adjust fan speed with speed control signal. DC Mode fan connectors control fan speed by changing voltage.

PWM Mode pin definition
| Pin | Signal Name | Pin | Signal Name |
| 1 | Ground | 2 | +12V |
| 3 | Sense | 4 | Speed Control Signal |

DC Mode pin definition
| Pin | Signal Name | Pin | Signal Name |
| 1 | Ground | 2 | Voltage Control |
| 3 | Sense | 4 | NC |
Fan connector specifications
| Connector | Default fan mode | Max. current | Max. power |
| CPU_FAN1 | PWM mode | 2A | 24W |
| SYS_FAN1 | DC mode | 2A | 24W |
Important
You can adjust fan speed in BIOS > HARDWARE MONITOR.
JCI1: Chassis Intrusion Connector
This connector allows you to connect the chassis intrusion switch cable.

Using chassis intrusion detector
- Connect the JCI1 connector to the chassis intrusion switch/ sensor on the chassis.
- Close the chassis cover.
- Go to BIOS > SETTINGS > Security > Chassis Intrusion Configuration.
- Set Chassis Intrusion to Enabled.
- Press F10 to save and exit and then press the Enter key to select Yes.
- Once the chassis cover is opened again, a warning message will be displayed on screen when the computer is turned on.
Resetting the chassis intrusion warning
- Go to BIOS > SETTINGS > Security > Chassis Intrusion Configuration.
- Set Chassis Intrusion to Reset.
- Press F10 to save and exit and then press the Enter key to select Yes.
JBAT1: Clear CMOS (Reset BIOS) Jumper
There is CMOS memory onboard that is external powered from a battery located on the motherboard to save system configuration data. If you want to clear the system configuration, set the jumpers to clear the CMOS memory.

Resetting BIOS to default values
- Power off the computer and unplug the power cord.
- Use a jumper cap to short JBAT1 for about 5-10 seconds.
- Remove the jumper cap from JBAT1.
- Plug the power cord and Power on the computer.
JUSB2: USB 3.2 Gen 1 Connector
This connector allows you to connect USB 3.2 Gen 1 5Gbps ports on the front panel.

| Pin | Signal Name | Pin | Signal Name |
| 1 | Power | 2 | USB3_RX_DN |
| 3 | USB3_RX_DP | 4 | Ground |
| 5 | USB3_TX_C_DN | 6 | USB3_TX_C_DP |
| 7 | Ground | 8 | USB2.0- |
| 9 | USB2.0+ | 10 | Ground |
| 11 | USB2.0+ | 12 | USB2.0- |
| 13 | Ground | 14 | USB3_TX_C_DP |
| 15 | USB3_TX_C_DN | 16 | Ground |
| 17 | USB3_RX_DP | 18 | USB3_RX_DN |
| 19 | Power | 20 | No Pin |
Important
Note that the Power and Ground pins must be connected correctly to avoid possible damage.
JUSB1: USB 2.0 Connector
This connector allows you to connect USB 2.0 ports on the front panel.

| Pin | Signal Name | Pin | Signal Name |
| 1 | VCC | 2 | VCC |
| 3 | USB0- | 4 | USB1- |
| 5 | USB0+ | 6 | USB1+ |
| 7 | Ground | 8 | Ground |
| 9 | No Pin | 10 | NC |
Important
- Note that the VCC and Ground pins must be connected correctly to avoid possible damage.
- In order to recharge your iPad, iPhone and iPod through USB ports, please install MSI Center utility.
JTPM1: TPM Module Connector
This connector is for TPM (Trusted Platform Module). Please refer to the TPM security platform manual for more details and usages.

| Pin | Signal Name | Pin | Signal Name |
| 1 | SPI Power | 2 | SPI Chip Select |
| 3 | Master In Slave Out (SPI Data) | 4 | Master Out Slave In (SPI Data) |
| 5 | Reserved | 6 | SPI Clock |
| 7 | Ground | 8 | SPI Reset |
| 9 | Reserved | 10 | No Pin |
| 11 | Reserved | 12 | Interrupt Request |
JRGB1: RGB LED connector (For PRO H610M-G DDR4)
The JRGB connector allows you to connect the 5050 RGB LED strips 12V.

| Pin | Signal Name | Pin | Signal Name |
| 1 | +12V | 2 | G |
| 3 | R | 4 | B |
Important
- The JRGB connector supports up to 2 meters continuous 5050 RGB LED strips (12V/G/R/B) with the maximum power rating of 3A (12V).
- Always turn off the power supply and unplug the power cord from the power outlet before installing or removing the RGB LED strip.
- Please use MSI’s software to control the extended LED strip.
JRAINBOW1~2: Addressable RGB LED connectors (For PRO H610M-G DDR4)
The JRAINBOW connectors allow you to connect the WS2812B Individually Addressable RGB LED strips 5V.

| Pin | Signal Name | Pin | Signal Name |
| 1 | +5V | 2 | Data |
| 3 | No Pin | 4 | Ground |
CAUTION
Do not connect the wrong type of LED strips. The JRGB connector and the JRAINBOW connector provide different voltages, and connecting the 5V LED strip to the JRGB connector will result in damage to the LED strip.
Important
- The JRAINBOW connector supports up to 75 LEDs WS2812B Individually Addressable RGB LED strips (5V/Data/Ground) with the maximum power rating of 3A (5V). In the case of 20% brightness, the connector supports up to 200 LEDs.
- Always turn off the power supply and unplug the power cord from the power outlet before installing or removing the RGB LED strip.
- Please use MSI’s software to control the extended LED strip.
EZ Debug LED
These LEDs indicate the status of the motherboard.
- CPU – indicates CPU is not detected or fail.
- DRAM – indicates DRAM is not detected or fail.
- VGA – indicates GPU is not detected or fail.
- BOOT – indicates booting device is not detected or fail.
Installing OS, Drivers & MSI Center
Please download and update the latest utilities and drivers at www.msi.com
Installing Windows 10/ Windows 11
- Power on the computer.
- Insert the Windows 10/ Windows 11 installation disc/USB into your computer.
- Press the Restart button on the computer case.
- Press F11 key during the computer POST (Power-On Self Test) to get into Boot Menu.
- Select the Windows 10/ Windows 11 installation disc/USB from the Boot Menu.
- Press any key if screen shows Press any key to boot from CD or DVD… message. If not, please skip this step.
- Follow the instructions on the screen to install Windows 10/ Windows 11.
Installing Drivers with MSI DUI
MSI DUI (Driver Utility Installer) needs to be installed over the Internet.
If you cannot connect to Internet, please refer to the Installing Drivers with DVD/ USB Drive section.
- Start up your computer in Windows 10/ Windows 11.
- Select Start > Settings > Windows Update , and then select Check for updates.
- MSI DUI will pop up automatically.

- Select the I have read and agree to the MSI Terms of Use check box, and then click Next.

- Check the Select All checkbox in the lower-left corner and click Install to install MSI Center and drivers. The installation progress will be shown at the bottom.

- Once the progress has completed, click Finish.
Important
The MSI DUI will only pop up once.
If you cancel or close it during the process, please refer to the Live Update chapter of the MSI Center manual to install the drivers.
You can also go to MSI official website to search your motherboard and download the drivers.
Installing Drivers with DVD/ USB Drive
- Start up your computer in Windows 10/ Windows 11.
- Insert MSI® Drive disc into the optical drive or Insert MSI® USB Drive into the USB port.
- Click the Select to choose what happens with this disc pop-up notification, then select Run DVDSetup.exe to open the installer. If you turn off the AutoPlay feature from the Windows Control Panel, you can still manually execute the DVDSetup.exe from the root path of the MSI USB Drive.
- The installer will find and list all necessary drivers in the Drivers/Software tab.
- Click the Install button in the lower-right corner of the window.
- The drivers installation will then be in progress, after it has finished it will prompt you to restart.
- Click OK button to finish.
- Restart your computer.
MSI Center
MSI Center is an application that helps you easily optimize game settings and smoothly use content creation softwares. It also allows you to control and synchronize LED light effects on PCs and other MSI products. With MSI Center, you can customize ideal modes, monitor system performance, and adjust fan speed.
MSI Center User Guide
If you would like to know more information about MSI Center, please refer to http://download.msi.com/manual/mb/MSICENTER.pdf
or scan the QR code to access.

Important
Functions may vary depending on the product you have.
UEFI BIOS
MSI UEFI BIOS is compatible with UEFI (Unified Extensible Firmware Interface) architecture. UEFI has many new functions and advantages that traditional BIOS cannot achieve, and it will completely replace BIOS in the future. The MSI UEFI BIOS uses UEFI as the default boot mode to take full advantage of the new chipset’s capabilities.
Important
The term BIOS in this user guide refers to UEFI BIOS unless otherwise noted.
UEFI advantages
- Fast booting – UEFI can directly boot the operating system and save the BIOS self- test process. And also eliminates the time to switch to CSM mode during POST.
- Supports for hard drive partitions larger than 2 TB.
- Supports more than 4 primary partitions with a GUID Partition Table (GPT).
- Supports unlimited number of partitions.
- Supports full capabilities of new devices – new devices may not provide backward compatibility.
- Supports secure startup – UEFI can check the validity of the operating system to ensure that no malware tampers with the startup process.
Incompatible UEFI cases
- 32-bit Windows operating system – this motherboard supports only Windows 10/ Windows 11 64-bit operating system.
- Older graphics card – the system will detect your graphics card. When display a warning message There is no GOP (Graphics Output protocol) support detected in this graphics card.
Important
We recommend that you to replace with a GOP/UEFI compatible graphics card or using integrated graphics from CPU for having normal function.
How to check the BIOS mode?
- Power on your computer.
- Press Delete key, when the Press DEL key to enter Setup Menu, F11 to enter Boot Menu message appears on the screen during the boot process.
- After entering the BIOS, you can check the BIOS Mode at the top of the screen.

BIOS Setup
The default settings offer the optimal performance for system stability in normal conditions.
You should always keep the default settings to avoid possible system damage or failure booting unless you are familiar with BIOS.
Important
- BIOS items are continuously update for better system performance. Therefore, the description may be slightly different from the latest BIOS and should be for reference only. You could also refer to the HELP information panel for BIOS item description.
- The BIOS screens, options and settings will vary depending on your system.
Entering BIOS Setup
Press Delete key, when the Press DEL key to enter Setup Menu, F11 to enter Boot Menu message appears on the screen during the boot process.
Function key
- F1: General Help list
- F2: Add/ Remove a favorite item
- F3: Enter Favorites menu
- F4: Enter CPU Specifications menu
- F5: Enter Memory-Z menu
- F6: Load optimized defaults
- F7: Switch between Advanced mode and EZ mode
- F8: Load Overclocking Profile
- F9: Save Overclocking Profile
- F10: Save Change and Reset*
- F12: Take a screenshot and save it to USB flash drive (FAT/ FAT32 format only).
- Ctrl+F: Enter Search page
* When you press F10, a confirmation window appears and it provides the modification information. Select between Yes or No to confirm your choice.
BIOS User Guide
If you’d like to know more instructions on setting up the BIOS, please refer to http://download.msi.com/manual/mb/Intel600BIOS.pdf
or scan the QR code to access.

Important
Functions may vary depending on the product you have.
Resetting BIOS
You might need to restore the default BIOS setting to solve certain problems. There are several ways to reset BIOS:
- Go to BIOS and press F6 to load optimized defaults.
- Short the Clear CMOS jumper on the motherboard.
Important
Be sure the computer is off before clearing CMOS data.
Please refer to the Clear CMOS jumper/ button section for resetting BIOS.
Updating BIOS
Updating BIOS with M-FLASH
Before updating:
Please download the latest BIOS file that matches your motherboard model from MSI website. And then save the BIOS file into the USB flash drive.
Updating BIOS:
- Insert the USB flash drive that contains the update file into the USB port.
- Please refer the following methods to enter flash mode.
- Reboot and press Ctrl + F5 key during POST and click on Yes to reboot the system.
- Reboot and press Del key during POST to enter BIOS. Click the M-FLASH button and click on Yes to reboot the system.
- Select a BIOS file to perform the BIOS update process.
- When prompted click on Yes to start recovering BIOS.
- After the flashing process is 100% completed, the system will reboot automatically.
Updating the BIOS with MSI Center
Before updating:
- Make sure the LAN driver is already installed and the internet connection is set properly.
- Please close all other application software before updating the BIOS.
To update BIOS:
- Install and launch MSI Center and go to Support page.
- Select Live Update and click on Advance button.
- Select the BIOS file and click on Install button.
- The installation reminder will appear, then click the Install button on it.
- The system will automatically restart to update BIOS.
- After the flashing process is 100% completed, the system will restart automatically.
Copyright and Trademarks Notice
Copyright © Micro-Star Int’l Co., Ltd. All rights reserved. The MSI
logo used is a registered trademark of Micro-Star Int’l Co., Ltd. All
other marks and names mentioned may be trademarks of their respective owners.
No warranty as to accuracy or completeness is expressed or implied.
MSI reserves the right to make changes to this document without prior notice.
Technical Support
If a problem arises with your system and no solution can be obtained from the user guide, please contact your place of purchase or local distributor. Alternatively, please try the following help resources for further guidance.
- Visit the MSI website for technical guide, BIOS updates, driver updates, and other information: http://www.msi.com
- Register your product at: http://register.msi.com
Revision History
- Version 1.0, 2022/01, First release.
- Version 1.1, 2022/05, update release.






















