DENON DL-A110 Phono Cartridge Owner's Manual

Thank you for purchasing a Denon 110th anniversary DL-A110 cartridge.
This unit reproduces the head shell of the DL-103 head cartridge, with a 56-year history and which can be said to be the Japanese standard MC cartridge, used by Japan’s public broadcaster NHK for broadcasting when first released. It is a replica model of the head shell for the DL-103 attached to that head cartridge.
The DL-103 was jointly developed in 1964 by Denon (Nippon Columbia Co., Ltd. at the time) and NHK Science & Technology Research Laboratories as a device compatible with high sound quality FM stereo broadcasting. Since its adoption by many broadcasters, it has come to be used by many music and audio fans in the consumer market in addition to for business applications.
We invite you to use this Denon 110th anniversary commemorative model, which reproduces the character seen at the birth of the DL-103, as a token of our appreciation for patronizing the DL-103 over the years.
Accessories
Check that the following parts are supplied with the product.
- Stylus cover ···········································································1
- Stylus cleaning brush·····························································1
- Owner’s Manual·····································································1
- Data sheet ·············································································1
- Safety Instructions ·································································1
- Certificate of Authenticity ·······················································1

- Use the stylus cover to protect the cartridge stylus tip in situations such as attaching the cartridge to a different head shell.
Attaching this unit to the tone arm
This unit is very delicate. Be especially careful when handling it.
1 Insert this unit into the tip of the tone arm.
- Insert this unit with its guide pin facing up and aligned with the hole on the top of the tone arm.

2 Turn the lock nut in the direction of the arrow to secure this unit.

- The head shell adapter is attached to this unit beforehand. That gains appropriate overhang when attaching this unit to a standard universal type tone arm. We recommend that you use it SV without removing.

Tracking force adjustment
Tracking force in the range of 25 MN ±3 MN (2.5 g ±0.3 g) should be used.
Output voltage
The output voltage is 0.3 mV. If your amplifier does not support the MC cartridge input, use a step-up transformer or head amplifier designed for MC type cartridges.
Stylus cleaning
Use the included brush to carefully remove any dirt from the tip of the stylus before and after playing records.
Specifications
Principle: Moving coil (MC) type
Output Voltage: 0.3 mV (1 kHz, 50 mm/s horizontal direction)
Channel Balance: 1 dB max. (1 kHz)
Channel Separation: 25 dB min. (1 kHz)
Electrical Impedance: 40Ω /ohms ±20 % (1 kHz)
Load resistance: 100 Ω/ohms or more (40 /ohms when using a transformer)
Compliance: 5 x 10-3 m/N (Using a 100 Hz record)
Stylus: 0.2 mm square solid diamond
Stylus tip radius: 16.5 microns (0.65 mils)
Tracking Force: 25 MN ±3 MN (2.5 g ±0.3 g)
Frequency Response: 20 Hz – 45 kHz
Weight: 18.5 g (Head shell adapter included) SV
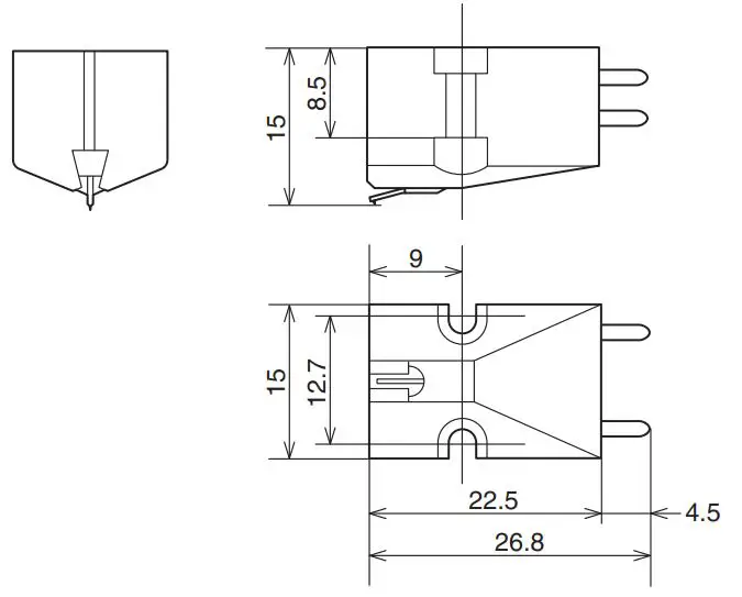
Dimensions (Unit : mm)
Overall dimensions

Cartridge dimensions

* For the purpose of improvement, the specifications and design are subject to change without notice.

Printed in Japan 5411 11840 00AD
© 2020 Sound United. All Rights Reserved.



















