velleman K7200 0-30V 0-10A Power Supply

0..30V/0..10A LABORATORY POWER SUPPLY
A laboratory power supply offers an indispensable set for both the professional and the amateur.
This power supply is short-circuit protected and infinitely variable from 0 to 30V and from 0 to 10A.
Both a digital voltage meter and a digital ampere-meter are supplied as indicators.
Thanks to the in-built fan the power supply is able to cater for long-term full load. Is supplied complete with housing, buttons and transformers.
TECHNICAL DATA
- Output voltage variable from 0v to 30V.
- Fine tuning over 1V
- Output current limiting device infinitely variable from 0 to 10A.
- LED (light emitting diode)-indication of current limitation
- Output current: 8A. continuous/10A. peak
- Short-cicuit protected
- Ripple maximum: 0.5mV RMS
- Digital voltage meter: 3-digit, 0.1V accurate
- Digital amperemeter: 3-digit, 0.01A accurate
- Consumption: 300W maximum
- Dimensions WxHxD: 330x90x215
We reserve the right to make alterations
INSTALLATION INSTRUCTIONS
VERY IMPORTANT
- MOUNT ALL COMPONENTS AGAINST THE P.C. BOARD
- USE A SMALL SOLDERING IRON OF 40W MAXIMUM
- USE THIN (1mm) SOLDERING TIN
- CARELESS ASSEMBLY WILL UNDOUBTEDLY CAUSE PROBLEMS
The power supply consists of four pcb’s:
A base card with potentiometers that feature behind the front panel.
Two transistor boards on to which the power transistors, situated on the heatsinks, are connected.
Finally, a board with digital voltage and ampere-meter.
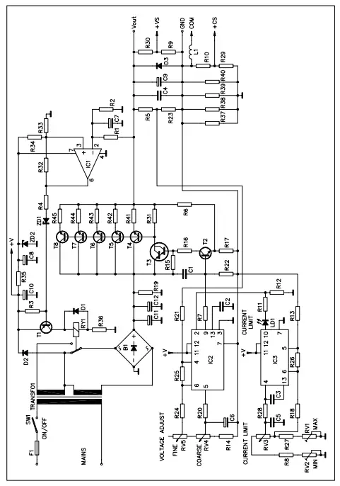
A) Construction of the transistor PCB P7200T
The two PCB’s are assembled differently:
Board1:
Mount the pins for connecting T4 to T6
Mount six Faston clamps for E B C (left and right)
Mount the 5W resistances R41 to R43 of 0.22 Ohm vertically and with the body as on the PCB annotation. (see figure 3.2)
Board2:
Mount the pins for connecting T7 and T8 (T6 remains open)
Mount three Faston clamps for E B C next to R41/R44.
Mount the 5W resistances R44 and R45 for 0.22 Ohm vertically and with the body as on the PCB annotation. (R43 remains open)
IMPORTANT: PUT AN EXTRA THICK TIN COATING ON THE ALREADY PLATED CIRCUITS
B) Construction of base PCB P7200B
ATTENTION: The additionally supplied piece of resistance wire of about 50 cm is not to be used to construct jumpwires.
Mount the jumpwires marked with J
Mount the resistances:
- R1, 6K8 (blue, grey, red)
- R2, 8K2 (grey, red, red)
- R3 to R8, 4K7 (yellow, purple, red)
- R9 to R12, 220 Ohm (red, red, brown)
- R13 and R14, 2K2 (red, red, red)
- R15 and R16, 2K7 (red, purple, red)
- R17 and R18, 820 Ohm (grey, red, brown)
- R19 to R22, 22K (red, red, amber)
- R23 and R24, 1K2 (brown, red, red)
- R25, 100K (brown, black, yellow)
- R26, 15K (brown, green, amber)
- R27, 100 Ohm (brown, black, brown)
- R28, 1K (brown, black, red)
- R29, 330 Ohm (orange, orange, brown)
- R30, 220K (red, red, yellow)
- R31, 18 Ohm (brown, grey, black)
- R32, 270K (red, purple, yellow)
- R33, 12K (brown, red, amber)
- R34, 27K (red, purple, amber)
- R35, 39 Ohm (amber, white, black)
Mount the diodes: (pay attention to polarity!)
- D1 to D3, diodes from 1N4000 series
- ZD1, 10V Zener-diode
- ZD2, 18V/1.3W Zener-diode
Mount the IC socket for IC1 to IC3
Mount the pins for VS,COM and CS
Mount the coil L1 of 4700uH; this coil looks like a resistance but, as a rule, possesses a somewhat thicker brown body with the colours yellow, purple, red and gold.
Mount the capacitors:
- C1, 150pF ceramic (sometimes with annotation 151)
- C2, 33nF MKM
- C3, 68nF MKM
- C4, 100nF ceramic (sometimes with annotation 104)
- C5, 1uF MKM
- C6 and C7, 10uF elco. Pay attention to polarity!
- C8 and C9, 100uF elco. Pay attention to polarity!
- C10, 470uF elco. Pay attention to polarity!
Mount the trimming potentiometers:
RV1, 100 Ohm
RV2, 47K (or 50K)
Mount the screw connectors for J1 to J5; these are telescoped two-pole connectors.
Mount a three-pole connector for J6.
Mount the transistors:
- T1, type BC557B or equivalent.
- T2, type BC547B or equivalent.
- T3, type BD646: to be installed together with the heat sink on to the board (but first fold its connection at right angles). Only when the transistor has been fixed with 10mm bolt and nut, can it be soldered.
Depending on the supplied type, mount relay RY1a or RYc (16A/12V)
Mount for R36, 180 Ohm 1/2W (brown, grey, brown) if RY1a is used, or mount R36, 100 Ohm 1W (brown, black, brown) if RY1c is used.
Installing the potentiometers: (see figure 1.0)
Install the potentiometers THROUGH the board, in such a way that the axes are situated on the solder side. Only when the potentiometers have been fixed can switch-throughs A, B and C with the board be made, by means of small pieces of blank wire.
- RV3, 4K7 or 5K logarithmical.
- RV4, 10K linear.
- RV5, 1K linear.
Assembling the current-sensor resistances:
These resistances are made by means of the additionally supplied piece of resistance wire. Proceed as follows:
- Snip off four pieces of 10cm each from the supplied resistance wire.
- Fold the four pieces as shown in figure 1.1
IMPORTANT: The soldering ends must first be grinded with abrasive paper and must then be plated with tin; otherwise it might lead to inadequate contact and consequently to an inadequate functioning of the power supply. - Mount these resistance wires on the spots R37 up to and including R40. (see figure 1.2)
Mount the Ics in their socket:
IC1, type 741 with its notch facing C7
IC2, type 723 with its notch facing R7
IC3, type VK7200 with its notch facing C3.
Mount the current limitation indication LED LD1 ON THE SOLDER SIDE, in such a way that the tip of the LED rises 3cm above the PCB surface (= total length of the LED). Pay attention to polarity; the shortest connection of the LED coincides with the opening next to the flattened circular annotation.
IMPORTANT: PUT AN EXTRA THICK TIN COATING ON THE ALREADY PLATED CIRCUITS
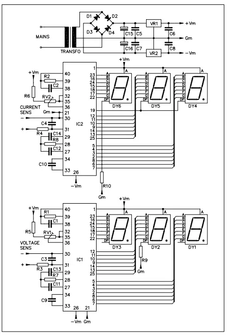
C) construction of the digital readout PCB P7201
Mount the jumpwires marked J on the board.
Mount the resistances:
- R1 to R4, 100K (brown, black, yellow)
- R5 and R6, 22K (red, red, amber)
- R7 and R8, 47K (yellow, purple, amber)
- R9 and R10, 470 Ohm (yellow, purple, brown)
Mount the diodes. Pay attention to polarity:
D1 to D4, diodes from the 1N4000 series.
Mount he Ic socket for IC1 and IC2 together with those for the displays. Mount the trimming potentiometers RV1 and RV2 of 1K
Mount the capacitors:
- C1 and C2, 100pF ceramic (sometimes with annotation 101)
- C3 to C8, 100nF (sometimes with annotation 104)
- C9 and C10, 100nF MKM (sometimes with annotation u1)
- H7200-ED2-26
- C11 and C12, 220nF MKM (sometimes with annotation u22)
- C13 and C14, 470nF MKM (sometimes with annotation u47)
Assembling the voltage regulator:
Fold the connections of the voltage regulators at right angles and Mount them on to the board. Fiw them by means of M3 bolt and nut; then solder the connections.
VR1 type 7805; VR2 type 7905
Mount the elco’s C15 and C16 of 1000uF on the solder side of the board and lay them flat on to the board surface; then the connect-ions can be soldered and snipped off on the component side. Pay attention to polarity!
Mount the ICs type 7107 in their socket with the peak facing C15 and C16. Mount the displays DY1 and DY6 (see board annotation)
Mount the six boardpins for Va and Cs on the solder side.
CHECK ALL COMPONENTS THOROUGHLY YET AGAIN!
CONSTRUCTION
- Supply the ends of the heatsinks with thread by means of the additionally supplied 25mm long zinc-plated bolt (see figure 2.0). This screw-thread is used for fixing the front and back panel.
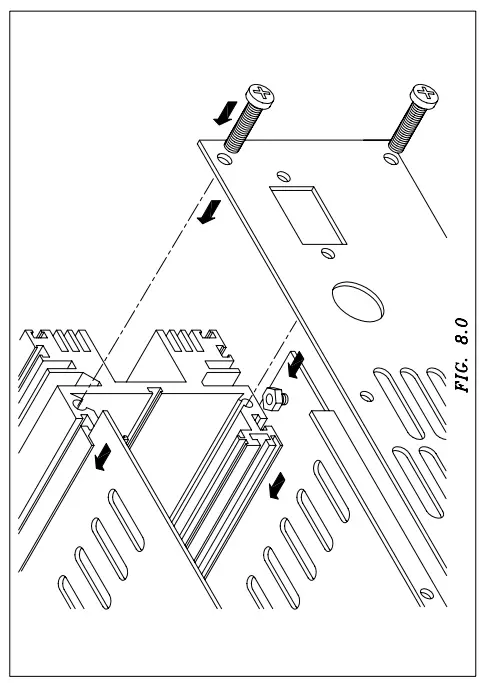
- Mount the bottom plate on the heatsinks by means of the rubber feet and 12mm bolts and nuts (first mount the four feet on the bottom plate, then slide the nuts in the slots and fix) (figure 8.0)
- Mount the back cover of the heatsinks (with four black M4 nuts which are not zinc-plated), in such a way that the large openings are situated in the top right-hand corner (when viewed from behind). (figure 8.0)
- On the back cover, mount by means of 35mm long bolts, lock washer and nut, the fan with blowing direction outward (the blow direction is indicated on the fan by means of an arrow). Supply a nut between the back cover and the fan to the 2 upper openings (see figure 2.1)
- Mount the fuse holder and the power plug by means of zinc plated M3 bolts with lock washer and nut.
Assembling the transistors type TIP3055:
REMARK: when assembling the transistors the easiest way to tackle the problem is to put the housing upright.
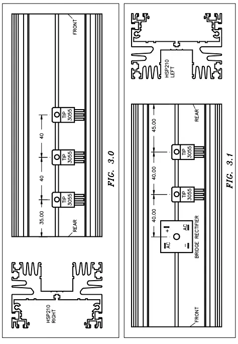
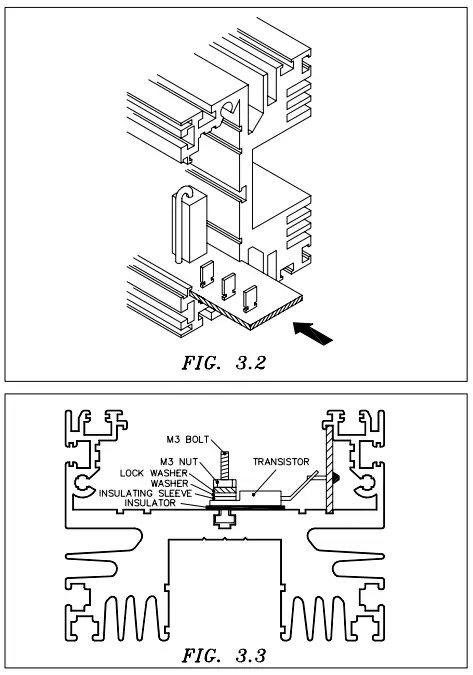
- Slide the transistor board with connections for three transistors into the slot of the right heatsink (see figure 3.2) in such a way that the connections for the transistors are situated on the appropriate positions (see figure 3.0).
- Slide the other transistor board into the left heatsink (see figure 3.1)
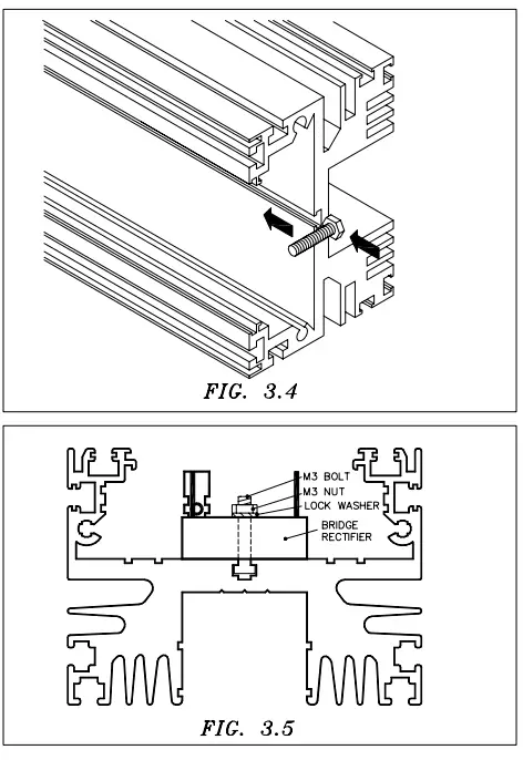
- Slide hexagonal socket bolts in the fastening slot of the heatsinks and position them on the spot where the transistors are to come. (see figure 3.4)
- Fold the connections of the transistors in an angle of about 45 degrees.
- Apply a thermal conduction paste on one side of the mica insulators and place them over the bolts in such a way that they stick on to the heatsink.
- Apply a little thermal conduction paste on the transistors and place them in turn over the fastening bolts.
- Fix the transistors first via an insulating ring, a washer and a lock washer and finally a M3 nut. (see figure 3.3)
- Solder the transistor connections on to the boardpins for T4, T5 and T6 of one board and T7 and T8 of the other board.
Assembling the rectifying bridge: (for positioning see figure 3.1)
- Slide a hexagonal bolt in the fastening slot of the left heatsink. (see figure 3.4)
- Apply a little silicon or thermal conduction paste (obtainable at specialist shops) on to the back plate of the rectifying bridge and fix the latter on to the heatsink by means of lock washer and M3 nut (see figure 3.5). Make sure that the clamp marked + is situated on top. (see figure 3.1)
Assembling small power supply transformer for digital readout:
- Mount the 2X6V transformer on the bottom plate by means of 10mm M3 bolts, lock washer and nut. (see figure 4.0)
Assembling and connecting the smoothing elcos C11 and C12 of 4700uF: (figure 4.0)
- Mount the elcos in their bows with the connections facing upwards and fix these on to the bottom plate by means of a 10mm M3 bolt, lock washer and nut (see figure 4.0)
- Connect with a piece of additionally supplied red wire, by means of a cable shoe (that which is soldered the best), the + clamp of the rectifier with clamp 1(+)of a capacitor and interconnect this with clamp 1(+) of the other capacitor.(figure 4.1)
- Connect in a similar fashion clamp 5(-) of the elcos with the negative clamp of the rectifier by means of a piece of blue wire (i.e. the clamp diagonally over the + clamp).
Assembling the front panel:
- Mount on the front plate the four zinc-plated M3 bolts of 45mm together with the 10mm threaded bush. Fix these firmly, because you will not be able to reach them after the front foil has been adhered.
Adhering the foil on to the front panel:
- Check beforehand whether the front panel is free of dust or burrs (it is safe to degrease with alcohol first).
- Position the foil on the front panel in such a way that the openings coincide.
- For the time being adhere the foil on one side by means of adhesive tape.
- Remove on the other side the protective film and adhere this side on to the front panel.
- Now the adhesive tape and the protective film on the other side and adhere this side also on to the front panel.
- Mount the +(red) and -(black) connection terminals.
- Mount the power switch.
- Mount the base board and the digital readout on the front panel as shown in figure 5.0.
Assemble the buttons on the potentiometers:
(for small buttons the potentiometer axes may have to be shortened)
- Small button with red cap for current limitation (CURRENT LIMIT)
- Large button with blue cap for coarse (COARSE) voltage regulation.
- small button with blue cap for fine (FINE) voltage regulation.
WIRING
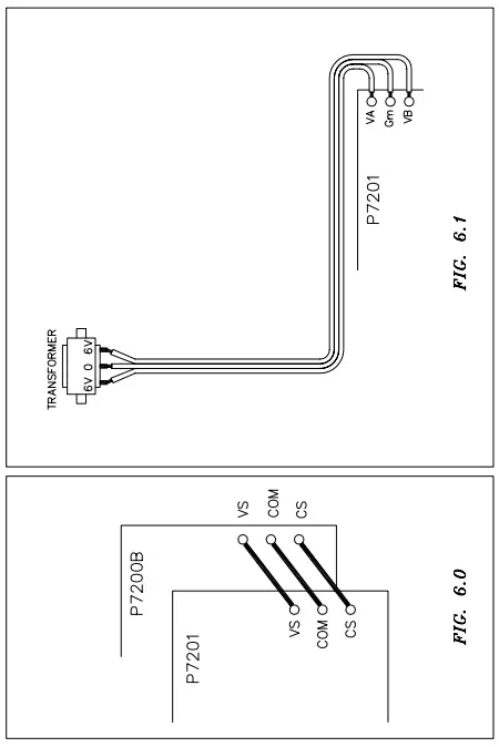
- Connect the points VS, COM and CS (see board annotation in manual) of the readout by means of wire (thin additionally supplied pieces of wire of 0.5mm) of about 10cm with the corresponding point on the power supply board. (figure 6.0)
- Connect the two free clamps of the rectifier with the clamps AC of the base board (use two pieces of white wire). (figure 4.2)
- Connect the + clamp of one of the smoothing elcos (clamp 1) with the + clamp (next to the AC clamps) of the base board (use a piece of red wire). (figure 4.2)
- Connect the – clamp of one of the smoothing elcos (clamp 5) with the – clamp (next to the AC clamps) of the base board (use a piece of blue wire). (figure 4.2)
- Connect the red output terminal with the OUT + screw clamp (red wire) and the black output terminal with the OUT – screw clamp (blue wire) (figure 6.2)
- The connection with the transistor boards should remain open for the time being.
- Connect with the thin wires the points VA, Gm and GB of the readout with the 2X6V transformer, Gm reaches the middle contact (0) of the transformer, VA and VB reach the two 6V clamps (figure 6.1).
Assembling the toroidal transformer (2X15V 300VA) see figure 4.0:
- Put a rubber mat on the bottom plate and position the transformer on it. Put a rubber mat on the transformer and then the metal fixing plate; then fix all parts with bolt and nut.
- Connect the power plug, the fuse holder and the power switch (use cable shoes for connecting the power switch!) as shown in figure 6.2.Connect the small 2X6V transformer (between 0 and 125V or between 0 and 220V depending on the mains voltage) see figure 6.2.
Also connect the mains voltage wires of the ring core transformer (for the colours please check the box of the transformer) see figure 6.2.
The connections for the fan should remain open for the time being.
Mount the front panel on the cooling profiles for the time being by means of the black zinc-plated M4 bolts.
Make the following connections with the toroidal transformer: (figure 6.2):
- Connect the 15V clamp (marked GREY) with the 15V connection or grey wire of the transformer.
- Connect the 0V clamp (marked BLUE) with the 0V connection or blue wire of the transformer.
- Connect the 0V clamp (marked YELLOW) with the 0V connection or yellow wire of the transformer.
- Connect the 15V clamp (marked RED) with the 15V connection or red wire of the transformer.
TESTING
Place a 220V/25W or 40W lamp over the fuse holder of the power supply. The fuse must NOT be mounted yet.
- Turn the trimming potentiometers RV1 and RV2 (on the base board) in the intermediate position.
- Turn the trimming potentiometers of the digital readouts (METER ADJUST) completely to the right.
- Turn the current (current potentiometer) on maximum.
- Connect the mains with the mains plug and switch the power supply on. If everything functions properly, the lamp should light for only a second or not at all; if the lamp keeps lighting however, then the power supply should be switched off and the wiring checked.
- The digital readout should now light up.
- Connect a voltmeter to the output terminals and check whether the output voltage is adjustable between 0 and 30V. Around approximately 12V one should hear the relay excitation.
- Switch off the power supply (remove mains plug as well).
- Connect the right transistor board connections E, B and C with the corresponding connections of the base board by means of pieces of white, blue and red wire. (do not forget the cable shoes) (see figure 7.0).
- Make an interconnection from one transistor board to the other. (see figure 7.0).
- Switch the power supply back on (the lamp can now light up as well) and check whether the output voltage is adjustable between 0 and 30V.
- Remove the mains voltage and also remove the lamp connections of the fuse holder. Mount a 4A inert fuse in the fuse holder.
- The line voltage of the fan can now be connected. (see figure 6.2).
ADJUSTMENT OF THE POWER SUPPLY SECTION
- Connect an ampere-meter (minimum 10A range) over the output clamps.
- Turn current limitation potentiometer to maximum (completely to the right).
- Turn voltage regulator potentiometer (COARSE) to the intermediate position.
- Turn trimming potentiometer RV1 completely to the left (maximum current adjustment).
- Turn trimming potentiometer RV2 completely to the right (minimum current adjustment).
- Connect the power supply to the mains (the current limitation LED will light up strongly).
- Carefully adjust RV1 until ampere-meter reads 10A.
- Adjust current limitation to 1A (center position).
- Carefully adjust RV2 until ampere-meter reads 1A.
ADJUSTMENT OF DIGITAL READOUT
- Connect a voltage meter (30V range or more) to the power supply output.
- Put the current potentiometer (CURRENT LIMIT) to 1A.
- Switch on the power supply, if everything functions properly the readouts should read 000.
- Adjust the power supply to a voltage of about 30V (see measuring appliance).
- Adjust the METER ADJUST of the voltage meter until the readout is the same as that of the connected measuring appliance.
- Replace the voltagemeter by an ampere-meter (minimum 10A).
- Adjust the current until the ampere-meter reads about 8A.
- Adjust the METER ADJUST of the ampere-meter until the readout is the same as that of the connected measuring appliance.
Finally mount the top cover (by sliding) by first removing the front panel, the power supply is now ready for use.
































