carmanah SPEEDCHECK-15 External Radar Kit

SPEEDCHECK-15/18 EXTERNAL RADAR KIT TABLE OF CONTENTS
WARNINGS AND PRECAUTIONS
The following symbols indicate important safety warnings and precautions throughout this manual:
- WARNING indicates that serious bodily harm or death may result from failure to adhere to the precautions.
- CAUTION indicates that damage to equipment may result if the instructions are not followed.
- NOTE suggests optimal conditions and provides additional information.
Warranty Disclaimer
This manual will familiarize you with the installation of Carmanah’s SPEEDCHECK-15/18 External Radar Kit. Failure to comply with the use, storage, maintenance, installation or placement instructions detailed in this manual could void the warranty.
Standards
Perform all installation, wiring, grounding and maintenance in conformance with local building and electrical codes. Adherence to the National Electrical Code (NEC) is mandatory to comply with any certification markings. Non-adherence to code may void the warranty.
Safety and Usage Precautions
- Ensure the equipment is not powered during installation and wiring of the system.
- Recheck all completed wiring for proper polarity prior to energizing the system.
- Perform all installation, wiring, grounding and maintenance in conformance with local building and electrical codes. Adherence to the National Electrical Code (NEC) is mandatory to comply with any certification markings. Non-adherence to code may void the warranty.
- Changes or modifications to Carmanah equipment not expressly approved by Carmanah could void both the user’s authority to operate the equipment and the warranty.
External radar module & mount assembly
Product Usage Instructions
- Comply with all warnings, precautions, and standards detailed in the user manual.
- Ensure that the equipment is not powered during installation and wiring of the system.
- Perform all installation, wiring, grounding, and maintenance in conformance with local building and electrical codes, including adherence to the National Electrical Code (NEC).
- Use the side of pole mount to install the radar module onto the pole. The mount can be through-bolted or banded to the pole
- Connect the sealed connectors on both the radar and SpeedCheck for protection against weather elements.
- The radar module communicates vehicle speeds to the SpeedCheck speed display, which is equipped with a sealed M12 harness that mates with the sign harness.
- Recheck all completed wiring for proper polarity prior to energizing the system.
For any further information or assistance, please contact Carmanah Technologies Corp. at 1.250.380.0052 or [email protected].
Warnings and Precautions
The following symbols indicate important safety warnings and precautions throughout this manual:
- WARNING indicates that serious bodily harm or death may result from failure to adhere to the precautions.
- CAUTION indicates that damage to equipment may result if the instructions are not followed.
- NOTE suggests optimal conditions and provides additional information.
Warranty Disclaimer
This manual will familiarize you with the installation of Carmanah’s SPEEDCHECK-15/18 External Radar Kit. Failure to comply with the use, storage, maintenance, installation or placement instructions detailed in this manual could void the warranty.
Standards
Perform all installation, wiring, grounding and maintenance in conformance with local building and electrical codes. Adherence to the National Electrical Code (NEC) is mandatory to comply with any certification markings. Non-adherence to code may void the warranty.
Safety and Usage Precautions
- Ensure the equipment is not powered during installation and wiring of the system. Recheck all completed wiring for proper polarity prior to energizing the system.
- Perform all installation, wiring, grounding and maintenance in conformance with local building and electrical codes. Adherence to the National Electrical Code (NEC) is mandatory to comply with any certification markings. Non-adherence to code may void the warranty.
- Changes or modifications to Carmanah equipment not expressly approved by Carmanah could void both the user’s authority to operate the equipment and the warranty.
Overview
The standard Carmanah SPEEDCHECK-15/18 radar speed signs feature a radar module integrated within the sign enclosure. With the External Radar Kit option, users can mount the radar module externally from the sign enclosure. The ability to aim the sign and radar module independently of one another can be beneficial for some applications. The radar module and sign are each supplied with a cable terminated with a connector.
The SPEEDCHECK-15/18 External Radar Kit’s components are shown and described below:

NOTE: The connectors on the radar cables are sealed and UV-resistant. For SPEEDCHECK-15 signs without the separate power cabinet, the radar cable connection can be left in the pole, in conduit, or outside the pole as required.
Installation
The following tools and materials may be required to mount the External Radar Kit:
- Drill and drill bits
- Socket set
- Screwdriver
- Fish tape
The following is a summary of the installation sequence of the External Radar Kit:
- Determine installation location on pole for radar module, radar speed sign and cabinet.
- Install radar speed sign and cabinet per supplied instructions.
- Drill holes for radar cable and mount through bolts, if required.
- Fish radar cables, install radar and mount to pole.
- Aim radar module.
- Connect radar harness and power on system.
Determine Installation Location on Pole
The radar module should be mounted on the pole so that its front directly faces and has an unobstructed view of oncoming traffic. The cable on the radar module protrudes approximately 8 ft (2.4 m) beyond where it enters the pole. The SpeedCheck sign radar cable protrudes approximately 7 ft (2.1 m) from its junction box. It is recommended that the radar cables be routed into the cabinet and mated.
For optimal radar performance
- For maximum range, mount radar at least 6 ft (1.9 m) above the ground
- Minimize the angle between target traffic and the radar module
NOTE: If the radar module can’t be located near the side of the road, it may need to be pointed further up the road to detect vehicles effectively.
Install SpeedCheck Sign and Cabinet
Use the instructions supplied with your system to install the SpeedCheck sign and power cabinet. Wrap the circular connector on the sign’s radar input cable with tape to protect it from debris and fish it from the sign to the cabinet, along with the sign’s 2-conductor power cable.
NOTE: The connectors on the radar cables are sealed and UV-resistant. For SPEEDCHECK-15 signs without the separate power cabinet, the radar cable connection can be left in the pole, in conduit, or outside the pole as required.
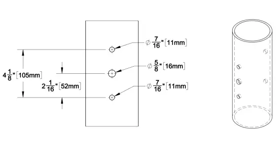
Drill Holes for Radar Cable and Mount Through Bolts
If routing the radar cable inside the pole (recommended), drill a 5/8″ hole (16 mm) in the center of where the radar mount will attach to the pole. If through-bolting the radar mount, also drill two 7/16″ (11 mm) holes above and below as shown through both sides of the pole.
Fish Radar Cable, Install Radar & Mount to Pole
Install the radar module into the mount saddle with the cable facing down and fasten with the supplied spacers, washers and screws as shown. Install the washers metal side out against the underside of the screw heads. Tape the radar connector to protect it from debris and fish the cable through the mount, into the pole and up or down to the cabinet. Bolt or band the radar mount to the pole. 
NOTE: Install the radar module with its cable facing down to optimize both detection range and resistance to water ingress.
The radar module is a snug fit within the mount saddle. The mount saddle can be pulled apart slightly to allow the radar module to fit within it.
Aim Radar Module
Adjust the radar tilt and pan so its front face points directly at oncoming traffic. For additional aiming guidance, see the SPEEDCHECK-15/18 User Manual at support.carmanah.com. Tighten the hardware firmly to lock it in place.
Connect Radar Harness
Align and mate the connectors on the radar cables. Turn the barrel firmly clockwise to lock the connectors together. Ensure that the rest of the system installation is complete, and power the system on as described in the SPEEDCHECK-15/18 User Manual.
Maintenance and Product Care
The External Radar Kit is designed to operate reliably for years with virtually no need for maintenance. Carmanah recommends routine inspections to ensure that the radar module and the connected SPEEDCHECK-15/18 system is unobstructed by anything that may prevent effective performance, including:
- Dirt and dust
- Snow
- Leaves
- Debris
- Shade that may have developed after installation due to adjacent plant growth.
The frequency of the inspections depends on location and local weather patterns. A yearly visual inspection of the system is typically enough. The system is designed to be maintenance free, but maximum system performance is achieved when the sign window, radar module and solar panels are clean.
89837_INSTALL-GUIDE_SPEEDCHECK-15-18-External-Radar-Kit_RevB
Carmanah Technologies Corp. | 250 Bay St, Victoria, BC V9A 3K5,
Canada | 1.250.380.0052 | [email protected] |
carmanah.com
© 2022 Carmanah Technologies Corporation
Technical Support:
- Email: [email protected]
- Toll Free: 1.877.722.8877 (US & Canada)
- Worldwide: 1.250.380.0052
- Fax: 1.250.380.0062
- Web: carmanah.com

















